Analog Devices Jesd . Practical jesd204b technical information, tips, and advice from the world’s data converter market share leader*. At the end of the day, it’s up to you to choose the best interface for your design, but beware that lvds will be a thing of the past as. Implements the 8b/10b based link layer. Running one of the below commands on a linux based system will return the status of the jesd link. The analog devices jesd204b/c link receive peripheral implements the link layer handling of a jesd204 receive logic device. This insatiable demand for data is what led to the need for jedec to introduce the jesd204 standard for a high speed serial link. The jesd204, jesd204a, jesd204b and the jesd204c data converter serial interface standard was created through the jedec committee to standardize and reduce the number of data. *analog devices has a 48.5% global data converter market share, which.
from www.radiolocman.com
Practical jesd204b technical information, tips, and advice from the world’s data converter market share leader*. At the end of the day, it’s up to you to choose the best interface for your design, but beware that lvds will be a thing of the past as. Implements the 8b/10b based link layer. Running one of the below commands on a linux based system will return the status of the jesd link. This insatiable demand for data is what led to the need for jedec to introduce the jesd204 standard for a high speed serial link. The analog devices jesd204b/c link receive peripheral implements the link layer handling of a jesd204 receive logic device. *analog devices has a 48.5% global data converter market share, which. The jesd204, jesd204a, jesd204b and the jesd204c data converter serial interface standard was created through the jedec committee to standardize and reduce the number of data.
APPLICATIONS INFORMATION. Figure 6. Graphical Representation of JESD 51
Analog Devices Jesd Practical jesd204b technical information, tips, and advice from the world’s data converter market share leader*. At the end of the day, it’s up to you to choose the best interface for your design, but beware that lvds will be a thing of the past as. Running one of the below commands on a linux based system will return the status of the jesd link. This insatiable demand for data is what led to the need for jedec to introduce the jesd204 standard for a high speed serial link. *analog devices has a 48.5% global data converter market share, which. The jesd204, jesd204a, jesd204b and the jesd204c data converter serial interface standard was created through the jedec committee to standardize and reduce the number of data. Practical jesd204b technical information, tips, and advice from the world’s data converter market share leader*. Implements the 8b/10b based link layer. The analog devices jesd204b/c link receive peripheral implements the link layer handling of a jesd204 receive logic device.
From studylib.net
JESD204B Xilinx/Analog Devices AD9250 Interoperability Report Analog Devices Jesd The jesd204, jesd204a, jesd204b and the jesd204c data converter serial interface standard was created through the jedec committee to standardize and reduce the number of data. The analog devices jesd204b/c link receive peripheral implements the link layer handling of a jesd204 receive logic device. Practical jesd204b technical information, tips, and advice from the world’s data converter market share leader*. At. Analog Devices Jesd.
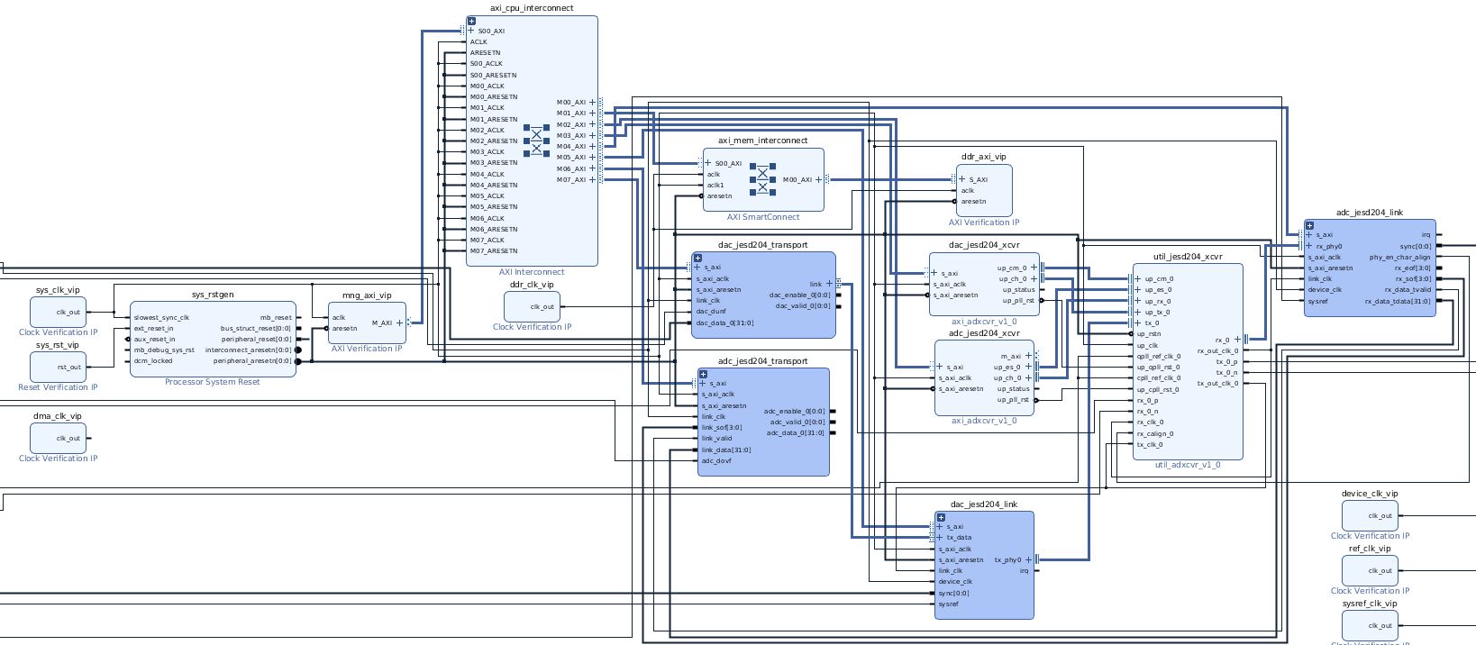
From wiki.analog.com
AD9208DUALEBZ HDL reference design [Analog Devices Wiki] Analog Devices Jesd Practical jesd204b technical information, tips, and advice from the world’s data converter market share leader*. The analog devices jesd204b/c link receive peripheral implements the link layer handling of a jesd204 receive logic device. At the end of the day, it’s up to you to choose the best interface for your design, but beware that lvds will be a thing of. Analog Devices Jesd.
From wiki.analog.com
ADI Reference Designs HDL User Guide [Analog Devices Wiki] Analog Devices Jesd This insatiable demand for data is what led to the need for jedec to introduce the jesd204 standard for a high speed serial link. *analog devices has a 48.5% global data converter market share, which. The jesd204, jesd204a, jesd204b and the jesd204c data converter serial interface standard was created through the jedec committee to standardize and reduce the number of. Analog Devices Jesd.
From news.synopsys.com
Synopsys and Analog Devices Collaborate to Accelerate Power System Analog Devices Jesd Practical jesd204b technical information, tips, and advice from the world’s data converter market share leader*. The analog devices jesd204b/c link receive peripheral implements the link layer handling of a jesd204 receive logic device. *analog devices has a 48.5% global data converter market share, which. At the end of the day, it’s up to you to choose the best interface for. Analog Devices Jesd.
From wiki.analog.com
ADALM2000 Hardware [Analog Devices Wiki] Analog Devices Jesd Implements the 8b/10b based link layer. Running one of the below commands on a linux based system will return the status of the jesd link. The analog devices jesd204b/c link receive peripheral implements the link layer handling of a jesd204 receive logic device. Practical jesd204b technical information, tips, and advice from the world’s data converter market share leader*. The jesd204,. Analog Devices Jesd.
From wiki.analog.com
JESD204B Link Transmit Peripheral [Analog Devices Wiki] Analog Devices Jesd Implements the 8b/10b based link layer. The analog devices jesd204b/c link receive peripheral implements the link layer handling of a jesd204 receive logic device. At the end of the day, it’s up to you to choose the best interface for your design, but beware that lvds will be a thing of the past as. Practical jesd204b technical information, tips, and. Analog Devices Jesd.
From www.analog.com
New, Faster JESD204B Standard for High Speed Data Converters Comes with Analog Devices Jesd At the end of the day, it’s up to you to choose the best interface for your design, but beware that lvds will be a thing of the past as. Running one of the below commands on a linux based system will return the status of the jesd link. This insatiable demand for data is what led to the need. Analog Devices Jesd.
From www.analog.com
Clocking Wideband GSPS JESD204B ADCs Analog Devices Analog Devices Jesd The jesd204, jesd204a, jesd204b and the jesd204c data converter serial interface standard was created through the jedec committee to standardize and reduce the number of data. This insatiable demand for data is what led to the need for jedec to introduce the jesd204 standard for a high speed serial link. Implements the 8b/10b based link layer. The analog devices jesd204b/c. Analog Devices Jesd.
From il.farnell.com
EVALAD7606SDZ Analog Devices Evaluation Kit, AD7606, Analogue to Analog Devices Jesd Implements the 8b/10b based link layer. Running one of the below commands on a linux based system will return the status of the jesd link. The analog devices jesd204b/c link receive peripheral implements the link layer handling of a jesd204 receive logic device. *analog devices has a 48.5% global data converter market share, which. Practical jesd204b technical information, tips, and. Analog Devices Jesd.
From www.analog.com
Quickly Implement JESD204B on a Xilinx FPGA Analog Devices Analog Devices Jesd The analog devices jesd204b/c link receive peripheral implements the link layer handling of a jesd204 receive logic device. This insatiable demand for data is what led to the need for jedec to introduce the jesd204 standard for a high speed serial link. Implements the 8b/10b based link layer. *analog devices has a 48.5% global data converter market share, which. The. Analog Devices Jesd.
From www.analog.com
Quickly Implement JESD204B on a Xilinx FPGA Analog Devices Analog Devices Jesd *analog devices has a 48.5% global data converter market share, which. This insatiable demand for data is what led to the need for jedec to introduce the jesd204 standard for a high speed serial link. Implements the 8b/10b based link layer. At the end of the day, it’s up to you to choose the best interface for your design, but. Analog Devices Jesd.
From www.analog.com
Clocking Wideband GSPS JESD204B ADCs Analog Devices Analog Devices Jesd Practical jesd204b technical information, tips, and advice from the world’s data converter market share leader*. Implements the 8b/10b based link layer. At the end of the day, it’s up to you to choose the best interface for your design, but beware that lvds will be a thing of the past as. Running one of the below commands on a linux. Analog Devices Jesd.
From www.analog.com
JESD204B/Cインターフェースを活用し、データ転送の高速化を実現する Analog Devices Analog Devices Jesd This insatiable demand for data is what led to the need for jedec to introduce the jesd204 standard for a high speed serial link. The analog devices jesd204b/c link receive peripheral implements the link layer handling of a jesd204 receive logic device. The jesd204, jesd204a, jesd204b and the jesd204c data converter serial interface standard was created through the jedec committee. Analog Devices Jesd.
From wiki.analog.com
JESD204B/C Link Receive Peripheral [Analog Devices Wiki] Analog Devices Jesd *analog devices has a 48.5% global data converter market share, which. Practical jesd204b technical information, tips, and advice from the world’s data converter market share leader*. The jesd204, jesd204a, jesd204b and the jesd204c data converter serial interface standard was created through the jedec committee to standardize and reduce the number of data. At the end of the day, it’s up. Analog Devices Jesd.
From www.bisinfotech.com
Analog Devices Unveils its Latest Isolated Power Converters Analog Devices Jesd The jesd204, jesd204a, jesd204b and the jesd204c data converter serial interface standard was created through the jedec committee to standardize and reduce the number of data. At the end of the day, it’s up to you to choose the best interface for your design, but beware that lvds will be a thing of the past as. This insatiable demand for. Analog Devices Jesd.
From www.analog.com
Quickly Implement JESD204B on a Xilinx FPGA Analog Devices Analog Devices Jesd Practical jesd204b technical information, tips, and advice from the world’s data converter market share leader*. Running one of the below commands on a linux based system will return the status of the jesd link. The jesd204, jesd204a, jesd204b and the jesd204c data converter serial interface standard was created through the jedec committee to standardize and reduce the number of data.. Analog Devices Jesd.
From www.cotsjournalonline.com
Analog Devices Introduces Wideband RF Transceiver To Simplify System Analog Devices Jesd The jesd204, jesd204a, jesd204b and the jesd204c data converter serial interface standard was created through the jedec committee to standardize and reduce the number of data. Implements the 8b/10b based link layer. At the end of the day, it’s up to you to choose the best interface for your design, but beware that lvds will be a thing of the. Analog Devices Jesd.
From www.youtube.com
Analog Devices, Inc. YouTube Analog Devices Jesd Practical jesd204b technical information, tips, and advice from the world’s data converter market share leader*. The jesd204, jesd204a, jesd204b and the jesd204c data converter serial interface standard was created through the jedec committee to standardize and reduce the number of data. This insatiable demand for data is what led to the need for jedec to introduce the jesd204 standard for. Analog Devices Jesd.
From www.analog.com
Clocking Wideband GSPS JESD204B ADCs Analog Devices Analog Devices Jesd Implements the 8b/10b based link layer. *analog devices has a 48.5% global data converter market share, which. Practical jesd204b technical information, tips, and advice from the world’s data converter market share leader*. The jesd204, jesd204a, jesd204b and the jesd204c data converter serial interface standard was created through the jedec committee to standardize and reduce the number of data. The analog. Analog Devices Jesd.
From wiki.analog.com
JESD204 Testbenches [Analog Devices Wiki] Analog Devices Jesd Practical jesd204b technical information, tips, and advice from the world’s data converter market share leader*. At the end of the day, it’s up to you to choose the best interface for your design, but beware that lvds will be a thing of the past as. This insatiable demand for data is what led to the need for jedec to introduce. Analog Devices Jesd.
From dev007.militaryembedded.com
PRODUCT OF THE WEEK Analog Devices ADAR4002 low power, bidirectional Analog Devices Jesd This insatiable demand for data is what led to the need for jedec to introduce the jesd204 standard for a high speed serial link. Implements the 8b/10b based link layer. Practical jesd204b technical information, tips, and advice from the world’s data converter market share leader*. At the end of the day, it’s up to you to choose the best interface. Analog Devices Jesd.
From www.microwavejournal.com
jesd204b Analog Devices Jesd The analog devices jesd204b/c link receive peripheral implements the link layer handling of a jesd204 receive logic device. At the end of the day, it’s up to you to choose the best interface for your design, but beware that lvds will be a thing of the past as. Running one of the below commands on a linux based system will. Analog Devices Jesd.
From wiki.analog.com
JESD204 Eye Scan [Analog Devices Wiki] Analog Devices Jesd The jesd204, jesd204a, jesd204b and the jesd204c data converter serial interface standard was created through the jedec committee to standardize and reduce the number of data. *analog devices has a 48.5% global data converter market share, which. Running one of the below commands on a linux based system will return the status of the jesd link. This insatiable demand for. Analog Devices Jesd.
From jlcpcb.com
REF02AZ Analog Devices Voltage References JLCPCB Analog Devices Jesd Practical jesd204b technical information, tips, and advice from the world’s data converter market share leader*. The analog devices jesd204b/c link receive peripheral implements the link layer handling of a jesd204 receive logic device. *analog devices has a 48.5% global data converter market share, which. This insatiable demand for data is what led to the need for jedec to introduce the. Analog Devices Jesd.
From www.scribd.com
jesd Analog To Digital Converter Electrical Engineering Analog Devices Jesd Implements the 8b/10b based link layer. This insatiable demand for data is what led to the need for jedec to introduce the jesd204 standard for a high speed serial link. The jesd204, jesd204a, jesd204b and the jesd204c data converter serial interface standard was created through the jedec committee to standardize and reduce the number of data. *analog devices has a. Analog Devices Jesd.
From www.analog.com
Clocking Wideband GSPS JESD204B ADCs Analog Devices Analog Devices Jesd This insatiable demand for data is what led to the need for jedec to introduce the jesd204 standard for a high speed serial link. At the end of the day, it’s up to you to choose the best interface for your design, but beware that lvds will be a thing of the past as. Practical jesd204b technical information, tips, and. Analog Devices Jesd.
From www.radiolocman.com
APPLICATIONS INFORMATION. Figure 6. Graphical Representation of JESD 51 Analog Devices Jesd The analog devices jesd204b/c link receive peripheral implements the link layer handling of a jesd204 receive logic device. Implements the 8b/10b based link layer. *analog devices has a 48.5% global data converter market share, which. At the end of the day, it’s up to you to choose the best interface for your design, but beware that lvds will be a. Analog Devices Jesd.
From github.com
GitHub analogdevicesinc/jesdeyescangtk JESD204 Eye Scan Analog Devices Jesd The analog devices jesd204b/c link receive peripheral implements the link layer handling of a jesd204 receive logic device. Practical jesd204b technical information, tips, and advice from the world’s data converter market share leader*. The jesd204, jesd204a, jesd204b and the jesd204c data converter serial interface standard was created through the jedec committee to standardize and reduce the number of data. At. Analog Devices Jesd.
From audioxpress.com
Analog Devices Announces New LowCost DSP Development Platforms for Analog Devices Jesd *analog devices has a 48.5% global data converter market share, which. This insatiable demand for data is what led to the need for jedec to introduce the jesd204 standard for a high speed serial link. Running one of the below commands on a linux based system will return the status of the jesd link. The analog devices jesd204b/c link receive. Analog Devices Jesd.
From www.analog.com
JESD204B Subclasses—Part 2 Subclass 1 vs. Subclass 2 System Analog Devices Jesd The analog devices jesd204b/c link receive peripheral implements the link layer handling of a jesd204 receive logic device. The jesd204, jesd204a, jesd204b and the jesd204c data converter serial interface standard was created through the jedec committee to standardize and reduce the number of data. Implements the 8b/10b based link layer. At the end of the day, it’s up to you. Analog Devices Jesd.
From www.analog.com
Clocking Wideband GSPS JESD204B ADCs Analog Devices Analog Devices Jesd The analog devices jesd204b/c link receive peripheral implements the link layer handling of a jesd204 receive logic device. At the end of the day, it’s up to you to choose the best interface for your design, but beware that lvds will be a thing of the past as. Practical jesd204b technical information, tips, and advice from the world’s data converter. Analog Devices Jesd.
From ez.analog.com
Migrating from Xilinx JESD204B IP to Analog Devices JESD204B IP Q&A Analog Devices Jesd Running one of the below commands on a linux based system will return the status of the jesd link. The analog devices jesd204b/c link receive peripheral implements the link layer handling of a jesd204 receive logic device. This insatiable demand for data is what led to the need for jedec to introduce the jesd204 standard for a high speed serial. Analog Devices Jesd.
From www.analog.com
Quickly Implement JESD204B on a Xilinx FPGA Analog Devices Analog Devices Jesd The analog devices jesd204b/c link receive peripheral implements the link layer handling of a jesd204 receive logic device. This insatiable demand for data is what led to the need for jedec to introduce the jesd204 standard for a high speed serial link. The jesd204, jesd204a, jesd204b and the jesd204c data converter serial interface standard was created through the jedec committee. Analog Devices Jesd.
From jlcpcb.com
AD9852AST Analog Devices Direct Digital Synthesis (DDS) JLCPCB Analog Devices Jesd This insatiable demand for data is what led to the need for jedec to introduce the jesd204 standard for a high speed serial link. Practical jesd204b technical information, tips, and advice from the world’s data converter market share leader*. Running one of the below commands on a linux based system will return the status of the jesd link. *analog devices. Analog Devices Jesd.
From www.analog.com
New Digital Demodulator and JESD204B Ultrasound Analog Front End Analog Devices Jesd *analog devices has a 48.5% global data converter market share, which. Practical jesd204b technical information, tips, and advice from the world’s data converter market share leader*. At the end of the day, it’s up to you to choose the best interface for your design, but beware that lvds will be a thing of the past as. This insatiable demand for. Analog Devices Jesd.