Scotts Lawn Tractor Parts Lookup . all models of scotts lawn & garden tractors. shop parts for scotts from authorized oem retailer mowthelawn.com. Enter your model number in the search box above or. Fix it fast with oem parts list and diagrams. parts lookup for scotts power equipment is simpler than ever. Tune up and maintain your equipment with the right fit on your exact model. Product identification number (serial number) is located on the left side of frame. scotts lawn mowers exploded view parts lookup by model. Complete exploded views of all the major. John deere accessories and other parts; find all the scotts lawn tractor parts and accessories you need, with fast shipping and low prices!
from diagramlibraryabo.z19.web.core.windows.net
all models of scotts lawn & garden tractors. Fix it fast with oem parts list and diagrams. Complete exploded views of all the major. Enter your model number in the search box above or. Product identification number (serial number) is located on the left side of frame. scotts lawn mowers exploded view parts lookup by model. find all the scotts lawn tractor parts and accessories you need, with fast shipping and low prices! parts lookup for scotts power equipment is simpler than ever. Tune up and maintain your equipment with the right fit on your exact model. John deere accessories and other parts;
Scotts Lawn Tractor Parts Lookup
Scotts Lawn Tractor Parts Lookup scotts lawn mowers exploded view parts lookup by model. Product identification number (serial number) is located on the left side of frame. Fix it fast with oem parts list and diagrams. shop parts for scotts from authorized oem retailer mowthelawn.com. John deere accessories and other parts; Tune up and maintain your equipment with the right fit on your exact model. Complete exploded views of all the major. parts lookup for scotts power equipment is simpler than ever. all models of scotts lawn & garden tractors. find all the scotts lawn tractor parts and accessories you need, with fast shipping and low prices! Enter your model number in the search box above or. scotts lawn mowers exploded view parts lookup by model.
From www.partstree.com
Scotts 42571x8D Scotts 42" Lawn Tractor (2001) Drive Assembly Parts Lookup with Diagrams Scotts Lawn Tractor Parts Lookup Complete exploded views of all the major. find all the scotts lawn tractor parts and accessories you need, with fast shipping and low prices! parts lookup for scotts power equipment is simpler than ever. Product identification number (serial number) is located on the left side of frame. scotts lawn mowers exploded view parts lookup by model. Tune. Scotts Lawn Tractor Parts Lookup.
From www.partstree.com
Scotts 42531x7A Scotts 42" Lawn Tractor (1997) Motion Drive Assembly Parts Lookup with Scotts Lawn Tractor Parts Lookup Enter your model number in the search box above or. Tune up and maintain your equipment with the right fit on your exact model. John deere accessories and other parts; find all the scotts lawn tractor parts and accessories you need, with fast shipping and low prices! shop parts for scotts from authorized oem retailer mowthelawn.com. Complete exploded. Scotts Lawn Tractor Parts Lookup.
From userdiagramtactics.z21.web.core.windows.net
Scotts Lawn Tractor Parts Lookup Scotts Lawn Tractor Parts Lookup all models of scotts lawn & garden tractors. parts lookup for scotts power equipment is simpler than ever. Fix it fast with oem parts list and diagrams. Product identification number (serial number) is located on the left side of frame. shop parts for scotts from authorized oem retailer mowthelawn.com. Enter your model number in the search box. Scotts Lawn Tractor Parts Lookup.
From diagramlibraryabo.z19.web.core.windows.net
Scotts Lawn Tractor Parts Lookup Scotts Lawn Tractor Parts Lookup Enter your model number in the search box above or. Tune up and maintain your equipment with the right fit on your exact model. all models of scotts lawn & garden tractors. Fix it fast with oem parts list and diagrams. John deere accessories and other parts; Product identification number (serial number) is located on the left side of. Scotts Lawn Tractor Parts Lookup.
From enginelibsequined.z22.web.core.windows.net
Scotts 1642h Parts List And Diagram Scotts Lawn Tractor Parts Lookup Enter your model number in the search box above or. parts lookup for scotts power equipment is simpler than ever. find all the scotts lawn tractor parts and accessories you need, with fast shipping and low prices! scotts lawn mowers exploded view parts lookup by model. all models of scotts lawn & garden tractors. Tune up. Scotts Lawn Tractor Parts Lookup.
From www.partstree.com
Scotts 46562x8B Scotts 46" Lawn Tractor (1997) Motion Drive Assembly Parts Lookup with Scotts Lawn Tractor Parts Lookup find all the scotts lawn tractor parts and accessories you need, with fast shipping and low prices! parts lookup for scotts power equipment is simpler than ever. John deere accessories and other parts; scotts lawn mowers exploded view parts lookup by model. shop parts for scotts from authorized oem retailer mowthelawn.com. Fix it fast with oem. Scotts Lawn Tractor Parts Lookup.
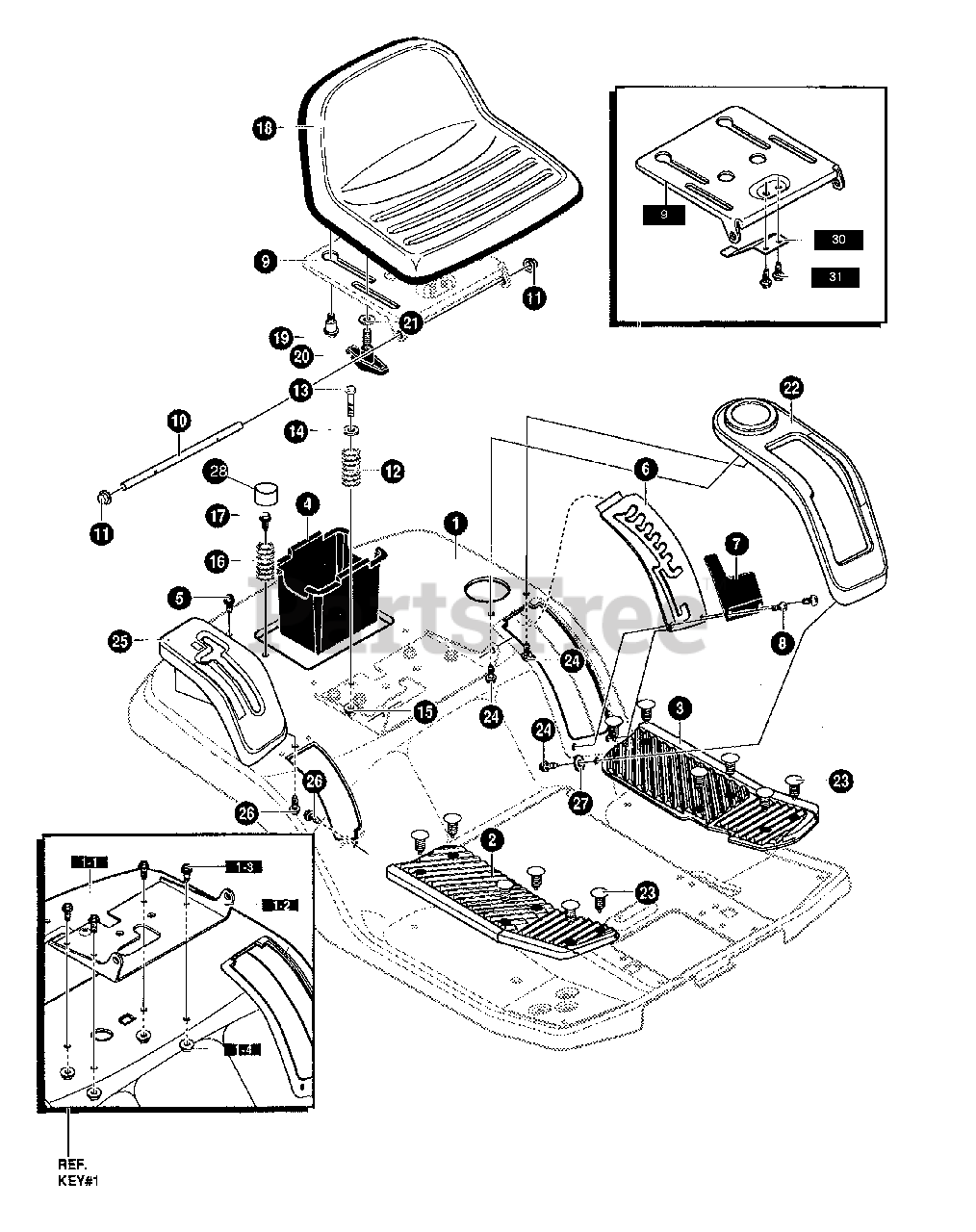
From www.partstree.com
Scotts 42502x8C Scotts 42" Lawn Tractor (2000) Deck Assembly (part 1) Parts Lookup with Scotts Lawn Tractor Parts Lookup Fix it fast with oem parts list and diagrams. scotts lawn mowers exploded view parts lookup by model. Enter your model number in the search box above or. find all the scotts lawn tractor parts and accessories you need, with fast shipping and low prices! Tune up and maintain your equipment with the right fit on your exact. Scotts Lawn Tractor Parts Lookup.
From www.partstree.com
Scotts 42589x8 Scotts 42" Lawn Tractor (1999) Prepainted Deck Assembly Parts Lookup with Scotts Lawn Tractor Parts Lookup Tune up and maintain your equipment with the right fit on your exact model. Fix it fast with oem parts list and diagrams. shop parts for scotts from authorized oem retailer mowthelawn.com. John deere accessories and other parts; scotts lawn mowers exploded view parts lookup by model. Enter your model number in the search box above or. Product. Scotts Lawn Tractor Parts Lookup.
From www.partstree.com
Scotts 405000x8B Scotts 40" Lawn Tractor (2003) Steering Parts Lookup with Diagrams PartsTree Scotts Lawn Tractor Parts Lookup shop parts for scotts from authorized oem retailer mowthelawn.com. parts lookup for scotts power equipment is simpler than ever. find all the scotts lawn tractor parts and accessories you need, with fast shipping and low prices! Complete exploded views of all the major. Product identification number (serial number) is located on the left side of frame. Enter. Scotts Lawn Tractor Parts Lookup.
From manualdatareflower.z14.web.core.windows.net
Scotts Lawn Tractor Parts Diagram Scotts Lawn Tractor Parts Lookup John deere accessories and other parts; Tune up and maintain your equipment with the right fit on your exact model. Enter your model number in the search box above or. Fix it fast with oem parts list and diagrams. shop parts for scotts from authorized oem retailer mowthelawn.com. Product identification number (serial number) is located on the left side. Scotts Lawn Tractor Parts Lookup.
From manualdatareflower.z14.web.core.windows.net
Scotts Lawn Tractor Parts Lookup Scotts Lawn Tractor Parts Lookup shop parts for scotts from authorized oem retailer mowthelawn.com. Complete exploded views of all the major. Fix it fast with oem parts list and diagrams. Tune up and maintain your equipment with the right fit on your exact model. Product identification number (serial number) is located on the left side of frame. scotts lawn mowers exploded view parts. Scotts Lawn Tractor Parts Lookup.
From www.partstree.com
Scotts 42561x8B Scotts 42" Lawn Tractor (1997) Mower Housing Assembly (part 2) Parts Lookup Scotts Lawn Tractor Parts Lookup Product identification number (serial number) is located on the left side of frame. all models of scotts lawn & garden tractors. shop parts for scotts from authorized oem retailer mowthelawn.com. scotts lawn mowers exploded view parts lookup by model. Enter your model number in the search box above or. Fix it fast with oem parts list and. Scotts Lawn Tractor Parts Lookup.
From www.partstree.com
Scotts 42502x8C Scotts 42" Lawn Tractor (2000) Electrical System Parts Lookup with Diagrams Scotts Lawn Tractor Parts Lookup scotts lawn mowers exploded view parts lookup by model. Enter your model number in the search box above or. all models of scotts lawn & garden tractors. Product identification number (serial number) is located on the left side of frame. Fix it fast with oem parts list and diagrams. Complete exploded views of all the major. John deere. Scotts Lawn Tractor Parts Lookup.
From www.partstree.com
Scotts 42531x7A Scotts 42" Lawn Tractor (1997) Engine & Control Assembly Parts Lookup with Scotts Lawn Tractor Parts Lookup scotts lawn mowers exploded view parts lookup by model. John deere accessories and other parts; parts lookup for scotts power equipment is simpler than ever. Enter your model number in the search box above or. Tune up and maintain your equipment with the right fit on your exact model. all models of scotts lawn & garden tractors.. Scotts Lawn Tractor Parts Lookup.
From fixdbropitantaava.z13.web.core.windows.net
S1642 Scotts Lawn Tractor Parts Scotts Lawn Tractor Parts Lookup Enter your model number in the search box above or. Product identification number (serial number) is located on the left side of frame. Fix it fast with oem parts list and diagrams. parts lookup for scotts power equipment is simpler than ever. all models of scotts lawn & garden tractors. Complete exploded views of all the major. John. Scotts Lawn Tractor Parts Lookup.
From manualdbsubclaim.z14.web.core.windows.net
Scotts Lawn Tractor Parts Lookup Scotts Lawn Tractor Parts Lookup find all the scotts lawn tractor parts and accessories you need, with fast shipping and low prices! scotts lawn mowers exploded view parts lookup by model. shop parts for scotts from authorized oem retailer mowthelawn.com. Enter your model number in the search box above or. Product identification number (serial number) is located on the left side of. Scotts Lawn Tractor Parts Lookup.
From www.partstree.com
Scotts 42589x8 Scotts 42" Lawn Tractor (1999) Front Chassis Assembly Parts Lookup with Scotts Lawn Tractor Parts Lookup find all the scotts lawn tractor parts and accessories you need, with fast shipping and low prices! John deere accessories and other parts; parts lookup for scotts power equipment is simpler than ever. Tune up and maintain your equipment with the right fit on your exact model. shop parts for scotts from authorized oem retailer mowthelawn.com. Complete. Scotts Lawn Tractor Parts Lookup.
From www.partstree.com
Scotts 42561x8B Scotts 42" Lawn Tractor (1997) Rear Chassis Assembly Parts Lookup with Scotts Lawn Tractor Parts Lookup Enter your model number in the search box above or. shop parts for scotts from authorized oem retailer mowthelawn.com. Product identification number (serial number) is located on the left side of frame. Complete exploded views of all the major. Fix it fast with oem parts list and diagrams. Tune up and maintain your equipment with the right fit on. Scotts Lawn Tractor Parts Lookup.
From www.partstree.com
Scotts 42561x8B Scotts 42" Lawn Tractor (1997) Mower Housing Assembly (part 1) Parts Lookup Scotts Lawn Tractor Parts Lookup Product identification number (serial number) is located on the left side of frame. parts lookup for scotts power equipment is simpler than ever. John deere accessories and other parts; Fix it fast with oem parts list and diagrams. all models of scotts lawn & garden tractors. Tune up and maintain your equipment with the right fit on your. Scotts Lawn Tractor Parts Lookup.
From diagramlibraryconjoin.z19.web.core.windows.net
Scotts Lawn Tractor S1642 Parts Diagram Scotts Lawn Tractor Parts Lookup scotts lawn mowers exploded view parts lookup by model. Complete exploded views of all the major. find all the scotts lawn tractor parts and accessories you need, with fast shipping and low prices! John deere accessories and other parts; Enter your model number in the search box above or. Fix it fast with oem parts list and diagrams.. Scotts Lawn Tractor Parts Lookup.
From www.partstree.com
Scotts 42589x8 Scotts 42" Lawn Tractor (1999) Schematic Wiring Parts Lookup with Diagrams Scotts Lawn Tractor Parts Lookup Tune up and maintain your equipment with the right fit on your exact model. parts lookup for scotts power equipment is simpler than ever. shop parts for scotts from authorized oem retailer mowthelawn.com. John deere accessories and other parts; Enter your model number in the search box above or. scotts lawn mowers exploded view parts lookup by. Scotts Lawn Tractor Parts Lookup.
From www.partstree.com
Scotts 42531x7A Scotts 42" Lawn Tractor (1997) Rear Chassis Assembly Parts Lookup with Scotts Lawn Tractor Parts Lookup parts lookup for scotts power equipment is simpler than ever. find all the scotts lawn tractor parts and accessories you need, with fast shipping and low prices! Complete exploded views of all the major. Product identification number (serial number) is located on the left side of frame. Tune up and maintain your equipment with the right fit on. Scotts Lawn Tractor Parts Lookup.
From schematicdbnutritive.z14.web.core.windows.net
Scotts Lawn Tractor Parts Lookup Scotts Lawn Tractor Parts Lookup parts lookup for scotts power equipment is simpler than ever. Fix it fast with oem parts list and diagrams. Product identification number (serial number) is located on the left side of frame. scotts lawn mowers exploded view parts lookup by model. shop parts for scotts from authorized oem retailer mowthelawn.com. Enter your model number in the search. Scotts Lawn Tractor Parts Lookup.
From www.partstree.com
Scotts 42571x8D Scotts 42" Lawn Tractor (2001) Chassis And Hood Parts Lookup with Diagrams Scotts Lawn Tractor Parts Lookup Enter your model number in the search box above or. Complete exploded views of all the major. shop parts for scotts from authorized oem retailer mowthelawn.com. find all the scotts lawn tractor parts and accessories you need, with fast shipping and low prices! Fix it fast with oem parts list and diagrams. John deere accessories and other parts;. Scotts Lawn Tractor Parts Lookup.
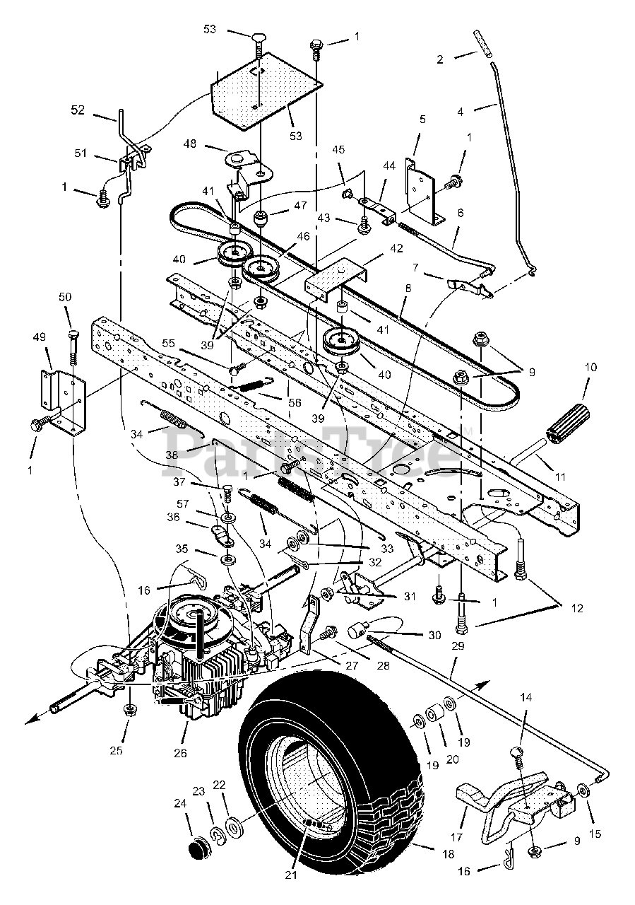
From www.partstree.com
Scotts 42571x31A Scotts 42" Lawn Tractor (2000) Motion Drive Parts Lookup with Diagrams Scotts Lawn Tractor Parts Lookup Product identification number (serial number) is located on the left side of frame. scotts lawn mowers exploded view parts lookup by model. all models of scotts lawn & garden tractors. Complete exploded views of all the major. find all the scotts lawn tractor parts and accessories you need, with fast shipping and low prices! Enter your model. Scotts Lawn Tractor Parts Lookup.
From www.partstree.com
Scotts 42531x7A Scotts 42" Lawn Tractor (1997) Front Chassis Assembly Parts Lookup with Scotts Lawn Tractor Parts Lookup Fix it fast with oem parts list and diagrams. Product identification number (serial number) is located on the left side of frame. all models of scotts lawn & garden tractors. parts lookup for scotts power equipment is simpler than ever. shop parts for scotts from authorized oem retailer mowthelawn.com. scotts lawn mowers exploded view parts lookup. Scotts Lawn Tractor Parts Lookup.
From userdataleominster.z21.web.core.windows.net
Scotts 2554 Parts Lookup Scotts Lawn Tractor Parts Lookup Enter your model number in the search box above or. John deere accessories and other parts; shop parts for scotts from authorized oem retailer mowthelawn.com. all models of scotts lawn & garden tractors. Fix it fast with oem parts list and diagrams. scotts lawn mowers exploded view parts lookup by model. Complete exploded views of all the. Scotts Lawn Tractor Parts Lookup.
From www.partstree.com
Scotts 425009x31A Scotts 42" Lawn Tractor (2002) Motion Drive Parts Lookup with Diagrams Scotts Lawn Tractor Parts Lookup scotts lawn mowers exploded view parts lookup by model. parts lookup for scotts power equipment is simpler than ever. shop parts for scotts from authorized oem retailer mowthelawn.com. Enter your model number in the search box above or. Complete exploded views of all the major. Tune up and maintain your equipment with the right fit on your. Scotts Lawn Tractor Parts Lookup.
From schematicaerials.z13.web.core.windows.net
Scotts Lawn Tractor Parts Lookup Scotts Lawn Tractor Parts Lookup Complete exploded views of all the major. shop parts for scotts from authorized oem retailer mowthelawn.com. parts lookup for scotts power equipment is simpler than ever. find all the scotts lawn tractor parts and accessories you need, with fast shipping and low prices! John deere accessories and other parts; all models of scotts lawn & garden. Scotts Lawn Tractor Parts Lookup.
From circuitlibbouncer.z4.web.core.windows.net
Scotts Lawn Tractor Parts Lookup Scotts Lawn Tractor Parts Lookup parts lookup for scotts power equipment is simpler than ever. Fix it fast with oem parts list and diagrams. find all the scotts lawn tractor parts and accessories you need, with fast shipping and low prices! Complete exploded views of all the major. scotts lawn mowers exploded view parts lookup by model. all models of scotts. Scotts Lawn Tractor Parts Lookup.
From www.partstree.com
Scotts 42531x7A Scotts 42" Lawn Tractor (1997) Mower Suspension Assembly Parts Lookup with Scotts Lawn Tractor Parts Lookup John deere accessories and other parts; scotts lawn mowers exploded view parts lookup by model. all models of scotts lawn & garden tractors. parts lookup for scotts power equipment is simpler than ever. shop parts for scotts from authorized oem retailer mowthelawn.com. Tune up and maintain your equipment with the right fit on your exact model.. Scotts Lawn Tractor Parts Lookup.
From www.partstree.com
Scotts 465306x31A Scotts 46" Lawn Tractor (2004) Mower Housing Parts Lookup with Diagrams Scotts Lawn Tractor Parts Lookup shop parts for scotts from authorized oem retailer mowthelawn.com. Fix it fast with oem parts list and diagrams. Complete exploded views of all the major. parts lookup for scotts power equipment is simpler than ever. find all the scotts lawn tractor parts and accessories you need, with fast shipping and low prices! Enter your model number in. Scotts Lawn Tractor Parts Lookup.
From www.partstree.com
Scotts 425000x8B Scotts 42" Lawn Tractor (2004) Mower Housing Parts Lookup with Diagrams Scotts Lawn Tractor Parts Lookup Complete exploded views of all the major. find all the scotts lawn tractor parts and accessories you need, with fast shipping and low prices! Product identification number (serial number) is located on the left side of frame. Tune up and maintain your equipment with the right fit on your exact model. shop parts for scotts from authorized oem. Scotts Lawn Tractor Parts Lookup.
From www.partstree.com
Scotts 42502x8C Scotts 42" Lawn Tractor (2000) Front Chassis Assembly Parts Lookup with Scotts Lawn Tractor Parts Lookup parts lookup for scotts power equipment is simpler than ever. all models of scotts lawn & garden tractors. Complete exploded views of all the major. Product identification number (serial number) is located on the left side of frame. Enter your model number in the search box above or. Fix it fast with oem parts list and diagrams. . Scotts Lawn Tractor Parts Lookup.
From www.partstree.com
Scotts 42589x8B Scotts 42" Lawn Tractor (1999) Deck Assembly (part 2) Parts Lookup with Scotts Lawn Tractor Parts Lookup Complete exploded views of all the major. all models of scotts lawn & garden tractors. Fix it fast with oem parts list and diagrams. Enter your model number in the search box above or. Product identification number (serial number) is located on the left side of frame. shop parts for scotts from authorized oem retailer mowthelawn.com. find. Scotts Lawn Tractor Parts Lookup.