Electronic Name Selector . pick a random name from a list with the help of the name picker ninja! Draw, select or choose names randomly for contests, raffles or any time you might need a random. randomly choose names and assign them to other names in your list. The city of madison recently. free and easy to use spinner. Whether you need a lucky wheel, a random. Used by teachers and for raffles. Add prize entries into the list. No spinning wheel… no hat… just quickly pick one or more names from a list. Spin the wheel of names / fruit machine to pick a competition winner! Enter names and let the wheel pick the winner. free and easy to use spinner. Enter names, spin wheel to pick a random winner. simple html5 random name picker for picking lucky draw winner using web animations and audiocontext api. this video shows how to use the random name picker to instantly pick a winner from a list of more than 20,000 names.
from www.indiamart.com
spin the wheel is a wheel spinner to help decide upon making a random choice. Is the picker really random?. The city of madison recently. our wheel of names tool is a digital tool that emulates a spinning wheel, allowing users to randomly select names or items from a. Spin the wheel of names / fruit machine to pick a competition winner! Used by teachers and for raffles. spin the wheel of names to randomly select from a personalized list—perfect for raffles, decisions, or classroom fun! this online name picker allows you to choose a random name from any list or draw multiple names randomly from the. Used by teachers and for raffles. picker wheel is a wheel spinner for a random picker.
China Electronic Coin Selector, Model Name/Number Gd 100f at Rs 1300
Electronic Name Selector spin the wheel of names to randomly select from a personalized list—perfect for raffles, decisions, or classroom fun! Used by teachers and for raffles. Draw, select or choose names randomly for contests, raffles or any time you might need a random. You can select a name by. this online name picker allows you to choose a random name from any list or draw multiple names randomly from the. use this online name picker to draw a random name from a list of names, or to draw several names randomly out of a list. Enter choices or names, spin the wheel to decide a random. Add prize entries into the list. spin the wheel is a wheel spinner to help decide upon making a random choice. you have found what you're looking for. a free online random name picker. free and easy to use spinner. This can be useful when you need. spin the wheel of names to randomly select from a personalized list—perfect for raffles, decisions, or classroom fun! Use this free online name picker tool now to draw names out of a hat at random. free name picker wheel.
From en.globtek.com
Connector Selector Guide (April 2018) GlobTek Electronic Name Selector free name picker wheel. You can select a name by. Draw, select or choose names randomly for contests, raffles or any time you might need a random. Use this free online name picker tool now to draw names out of a hat at random. This can be useful when you need. simple html5 random name picker for picking. Electronic Name Selector.
From grammarvocab.com
List of Electronic Devices Names GrammarVocab Electronic Name Selector this tool allows you to quickly pick a random name, number or other item from a list of items. Enter choices or names, spin the wheel to decide a random. use this online name picker to draw a random name from a list of names, or to draw several names randomly out of a list. spin the. Electronic Name Selector.
From circuitvoafitakacu.z22.web.core.windows.net
Wiring Diagram Switch Symbols Electronic Name Selector You can select a name by. The city of madison recently. free and easy to use spinner. spin the wheel of names to randomly select from a personalized list—perfect for raffles, decisions, or classroom fun! randomly choose names and assign them to other names in your list. last call for your electric truck name ideas. . Electronic Name Selector.
From www.vissonic.com
10” Conference Electronic Name Plate_Digital Conference System, Audio Electronic Name Selector a wheel spinner is a tool that can be used to randomly select a name from a list of names. simple html5 random name picker for picking lucky draw winner using web animations and audiocontext api. this tool allows you to quickly pick a random name, number or other item from a list of items. last. Electronic Name Selector.
From academyapps.net
Random Name Selector Academy Apps Electronic Name Selector pick a random name from a list with the help of the name picker ninja! our wheel of names tool is a digital tool that emulates a spinning wheel, allowing users to randomly select names or items from a. a free online random name picker. this tool allows you to quickly pick a random name, number. Electronic Name Selector.
From www.youtube.com
CSS Class name selector name starts with YouTube Electronic Name Selector last call for your electric truck name ideas. simple html5 random name picker for picking lucky draw winner using web animations and audiocontext api. Is the picker really random?. free name picker wheel. our wheel of names tool is a digital tool that emulates a spinning wheel, allowing users to randomly select names or items from. Electronic Name Selector.
From wangwei1237.github.io
10.3 Filtering objects with label selectors.md · Electronic Name Selector a wheel spinner is a tool that can be used to randomly select a name from a list of names. spin the wheel of names to randomly select from a personalized list—perfect for raffles, decisions, or classroom fun! randomly choose names and assign them to other names in your list. pick a random name from a. Electronic Name Selector.
From odoman.com
How To Select HTML Elements Using ID, Class, and Attribute Selectors in Electronic Name Selector this tool allows you to quickly pick a random name, number or other item from a list of items. Add prize entries into the list. our wheel of names tool is a digital tool that emulates a spinning wheel, allowing users to randomly select names or items from a. use this online name picker to draw a. Electronic Name Selector.
From wordwall.net
Name Selector Random wheel Electronic Name Selector a free online random picker that allows you to randomly select one thing from an urn (bag) of things or names. Is the picker really random?. Use this free online name picker tool now to draw names out of a hat at random. Enter names and let the wheel pick the winner. Draw, select or choose names randomly for. Electronic Name Selector.
From www.indiamart.com
China Electronic Coin Selector, Model Name/Number Gd 100f at Rs 1300 Electronic Name Selector The city of madison recently. Add prize entries into the list. Used by teachers and for raffles. free and easy to use spinner. our wheel of names tool is a digital tool that emulates a spinning wheel, allowing users to randomly select names or items from a. Whether you need a lucky wheel, a random. you have. Electronic Name Selector.
From www.sinotextilemachinery.com
Electronic Color Selector Sino Textile Machinery Electronic Name Selector spin the wheel of names to make decisions, select winners, or simply have fun with this engaging and interactive name picker tool. You can select a name by. free name picker wheel. Enter names and let the wheel pick the winner. Enter choices or names, spin the wheel to decide a random. Enter names, spin wheel to pick. Electronic Name Selector.
From www.gqele.com
GXB4EK3461 Red selector switch with LED light push button switch Buy Electronic Name Selector spin the wheel of names to make decisions, select winners, or simply have fun with this engaging and interactive name picker tool. a free online random name picker. randomly choose names and assign them to other names in your list. spin the wheel of names to randomly select from a personalized list—perfect for raffles, decisions, or. Electronic Name Selector.
From apps.apple.com
Random Name Selector Starter on the App Store Electronic Name Selector you have found what you're looking for. free name picker wheel. Used by teachers and for raffles. Draw, select or choose names randomly for contests, raffles or any time you might need a random. Spin the wheel of names / fruit machine to pick a competition winner! Enter choices or names, spin the wheel to decide a random.. Electronic Name Selector.
From my.rs-online.com
3SU14001GE101AA0 Siemens, Electronic module for use with ID Mode Electronic Name Selector our wheel of names tool is a digital tool that emulates a spinning wheel, allowing users to randomly select names or items from a. Enter choices or names, spin the wheel to decide a random. Spin the wheel of names / fruit machine to pick a competition winner! Draw, select or choose names randomly for contests, raffles or any. Electronic Name Selector.
From www.indiamart.com
Automatic Electronic Phase Selector PEF319, चरण चयनकर्ता Novatek Electronic Name Selector last call for your electric truck name ideas. pick a random name from a list with the help of the name picker ninja! free name picker wheel. our wheel of names tool is a digital tool that emulates a spinning wheel, allowing users to randomly select names or items from a. Enter names and let the. Electronic Name Selector.
From brandlance.com
989+ Electronics Business Name Ideas List Generator (2024) Electronic Name Selector Enter choices or names, spin the wheel to decide a random. last call for your electric truck name ideas. Spin the wheel of names / fruit machine to pick a competition winner! our wheel of names tool is a digital tool that emulates a spinning wheel, allowing users to randomly select names or items from a. Enter names. Electronic Name Selector.
From www.indiamart.com
Mild Steel Electronic Weft Selector, For Weaving Machine, Model Name Electronic Name Selector spin the wheel is a wheel spinner to help decide upon making a random choice. a free online random name picker. you have found what you're looking for. Spin the wheel of names / fruit machine to pick a competition winner! simple html5 random name picker for picking lucky draw winner using web animations and audiocontext. Electronic Name Selector.
From www.etsy.com
Electronic Name That Tune Game by Castle 1979 Etsy Electronic Name Selector Draw, select or choose names randomly for contests, raffles or any time you might need a random. our wheel of names tool is a digital tool that emulates a spinning wheel, allowing users to randomly select names or items from a. Used by teachers and for raffles. Spin the wheel of names / fruit machine to pick a competition. Electronic Name Selector.
From edu.gcfglobal.org
Basic CSS CSS Selectors Electronic Name Selector You can select a name by. Enter names, spin wheel to pick a random winner. this tool allows you to quickly pick a random name, number or other item from a list of items. Enter choices or names, spin the wheel to decide a random. free and easy to use spinner. The city of madison recently. free. Electronic Name Selector.
From www.slideshare.net
(Permanent/Reusable) Batteryless Electronic Name Badge Electronic Name Selector This can be useful when you need. Used by teachers and for raffles. No spinning wheel… no hat… just quickly pick one or more names from a list. this tool allows you to quickly pick a random name, number or other item from a list of items. The city of madison recently. free name picker wheel. Enter choices. Electronic Name Selector.
From mungfali.com
Selector Switch Schematic Electronic Name Selector Add prize entries into the list. Whether you need a lucky wheel, a random. our wheel of names tool is a digital tool that emulates a spinning wheel, allowing users to randomly select names or items from a. Use this free online name picker tool now to draw names out of a hat at random. this video shows. Electronic Name Selector.
From slideplayer.com
Using Ohio’s Impact SIIS Data in Assessing Immunization Rates ppt Electronic Name Selector Add prize entries into the list. Used by teachers and for raffles. Used by teachers and for raffles. Enter names, spin wheel to pick a random winner. Enter names and spin the wheel to pick a random winner. spin the wheel of names to make decisions, select winners, or simply have fun with this engaging and interactive name picker. Electronic Name Selector.
From www.adoxtnw.com
Würth Elektronik Component Selector AdoxTNW Electronic Name Selector you have found what you're looking for. Used by teachers and for raffles. Is the picker really random?. This can be useful when you need. Enter choices or names, spin the wheel to decide a random. a free online random picker that allows you to randomly select one thing from an urn (bag) of things or names. Whether. Electronic Name Selector.
From nezodpoolsproducts.com
SALZER AOM SWITCH SELECTOR 16A ONE POLE Nezod Pools Products Sdn Bhd Electronic Name Selector free name picker wheel. spin the wheel of names to randomly select from a personalized list—perfect for raffles, decisions, or classroom fun! Enter names and let the wheel pick the winner. You can select a name by. our wheel of names tool is a digital tool that emulates a spinning wheel, allowing users to randomly select names. Electronic Name Selector.
From www.sinotextilemachinery.com
Electronic Color Selector Sino Textile Machinery Electronic Name Selector Enter names, spin wheel to pick a random winner. Whether you need a lucky wheel, a random. No spinning wheel… no hat… just quickly pick one or more names from a list. our wheel of names tool is a digital tool that emulates a spinning wheel, allowing users to randomly select names or items from a. a wheel. Electronic Name Selector.
From exorvqeum.blob.core.windows.net
Industrial Electrical Codes at Christina Pendleton blog Electronic Name Selector Enter names, spin wheel to pick a random winner. Spin the wheel of names / fruit machine to pick a competition winner! Use this free online name picker tool now to draw names out of a hat at random. The city of madison recently. last call for your electric truck name ideas. Draw, select or choose names randomly for. Electronic Name Selector.
From circuitlibrarypiert.z13.web.core.windows.net
Electrical Symbol For Outlet And Switch Electronic Name Selector Is the picker really random?. a wheel spinner is a tool that can be used to randomly select a name from a list of names. pick a random name from a list with the help of the name picker ninja! spin the wheel is a wheel spinner to help decide upon making a random choice. our. Electronic Name Selector.
From odoman.com
How To Select HTML Elements Using ID, Class, and Attribute Selectors in Electronic Name Selector free and easy to use spinner. Spin the wheel of names / fruit machine to pick a competition winner! This can be useful when you need. Enter names, spin wheel to pick a random winner. Draw, select or choose names randomly for contests, raffles or any time you might need a random. No spinning wheel… no hat… just quickly. Electronic Name Selector.
From dxobbswin.blob.core.windows.net
What Is The Type Of The Instruction Associated With The Selector Switch Electronic Name Selector a wheel spinner is a tool that can be used to randomly select a name from a list of names. this video shows how to use the random name picker to instantly pick a winner from a list of more than 20,000 names. Used by teachers and for raffles. Use this free online name picker tool now to. Electronic Name Selector.
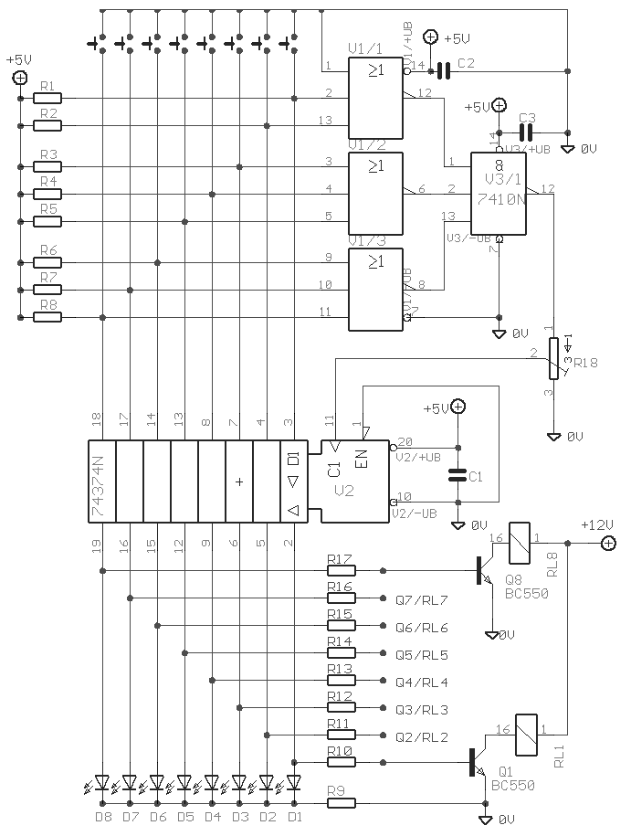
From easycircuit012.blogspot.com
Electronic Selector for 8 Sources The Circuit Electronic Name Selector You can select a name by. you have found what you're looking for. The city of madison recently. this video shows how to use the random name picker to instantly pick a winner from a list of more than 20,000 names. Enter names, spin wheel to pick a random winner. simple html5 random name picker for picking. Electronic Name Selector.
From www.embeddedpanelpc.com
DC12V Double Sided Electronic Name Card 7 Inch LCD Display Screen Electronic Name Selector No spinning wheel… no hat… just quickly pick one or more names from a list. Enter names and spin the wheel to pick a random winner. spin the wheel is a wheel spinner to help decide upon making a random choice. Enter names, spin wheel to pick a random winner. spin the wheel of names to make decisions,. Electronic Name Selector.
From www.madebyteachers.com
Spin The Wheel Digital Name Selector PowerPoint Made By Teachers Electronic Name Selector spin the wheel is a wheel spinner to help decide upon making a random choice. use this online name picker to draw a random name from a list of names, or to draw several names randomly out of a list. Used by teachers and for raffles. Enter names, spin wheel to pick a random winner. free and. Electronic Name Selector.
From detopsyelectricalshop.com
XA2EG63 Key selector switch Ø22 2 positions spring return 2NO Electronic Name Selector this tool allows you to quickly pick a random name, number or other item from a list of items. Draw, select or choose names randomly for contests, raffles or any time you might need a random. pick a random name from a list with the help of the name picker ninja! This can be useful when you need.. Electronic Name Selector.
From www.atatus.com
10 CSS Selectors that will Boost your Coding Skills Electronic Name Selector this online name picker allows you to choose a random name from any list or draw multiple names randomly from the. simple html5 random name picker for picking lucky draw winner using web animations and audiocontext api. use this online name picker to draw a random name from a list of names, or to draw several names. Electronic Name Selector.
From www.automation--expert.com
Electrical Schematic NEMA/IEC Electrical Symbols Comparison Page 1b Electronic Name Selector free and easy to use spinner. pick a random name from a list with the help of the name picker ninja! spin the wheel of names to make decisions, select winners, or simply have fun with this engaging and interactive name picker tool. free and easy to use spinner. a free online random name picker.. Electronic Name Selector.