Does Headlights Drain Battery . If your car battery keeps draining, there’s a chance that you have formed the habit of. There are several common potential reasons that your car battery is draining. Led lights consume less power, which means they are more. One of the fastest ways to cause a battery drain is to leave your headlights on for long. The most common things that drain a car battery while it is off are headlights on overnight, a parasitic draw (which all cars. Led lights do not significantly drain a car battery compared to traditional incandescent or halogen lights. However, a common concern among drivers is whether leaving headlights on can drain the battery. You didn’t turn your car off properly.
from www.cadillacproblems.com
There are several common potential reasons that your car battery is draining. You didn’t turn your car off properly. However, a common concern among drivers is whether leaving headlights on can drain the battery. The most common things that drain a car battery while it is off are headlights on overnight, a parasitic draw (which all cars. If your car battery keeps draining, there’s a chance that you have formed the habit of. One of the fastest ways to cause a battery drain is to leave your headlights on for long. Led lights do not significantly drain a car battery compared to traditional incandescent or halogen lights. Led lights consume less power, which means they are more.
Moisture Collecting Inside Headlights Until The Lights Burn Out
Does Headlights Drain Battery One of the fastest ways to cause a battery drain is to leave your headlights on for long. Led lights do not significantly drain a car battery compared to traditional incandescent or halogen lights. If your car battery keeps draining, there’s a chance that you have formed the habit of. There are several common potential reasons that your car battery is draining. However, a common concern among drivers is whether leaving headlights on can drain the battery. Led lights consume less power, which means they are more. The most common things that drain a car battery while it is off are headlights on overnight, a parasitic draw (which all cars. One of the fastest ways to cause a battery drain is to leave your headlights on for long. You didn’t turn your car off properly.
From www.youtube.com
How to Find a BATTERY DRAINThe Best ToolTo Use YouTube Does Headlights Drain Battery There are several common potential reasons that your car battery is draining. Led lights consume less power, which means they are more. However, a common concern among drivers is whether leaving headlights on can drain the battery. Led lights do not significantly drain a car battery compared to traditional incandescent or halogen lights. You didn’t turn your car off properly.. Does Headlights Drain Battery.
From www.carparts.com
Car Battery Drains Overnight Potential Causes and How To Prevent Them Does Headlights Drain Battery The most common things that drain a car battery while it is off are headlights on overnight, a parasitic draw (which all cars. Led lights consume less power, which means they are more. However, a common concern among drivers is whether leaving headlights on can drain the battery. Led lights do not significantly drain a car battery compared to traditional. Does Headlights Drain Battery.
From www.cadillacproblems.com
Moisture Collecting Inside Headlights Until The Lights Burn Out Does Headlights Drain Battery However, a common concern among drivers is whether leaving headlights on can drain the battery. The most common things that drain a car battery while it is off are headlights on overnight, a parasitic draw (which all cars. If your car battery keeps draining, there’s a chance that you have formed the habit of. You didn’t turn your car off. Does Headlights Drain Battery.
From www.jalopyjournal.com
Hot Rods Help Needed To Trace Battery Drain & Headlights & Horn Does Headlights Drain Battery One of the fastest ways to cause a battery drain is to leave your headlights on for long. However, a common concern among drivers is whether leaving headlights on can drain the battery. There are several common potential reasons that your car battery is draining. You didn’t turn your car off properly. Led lights consume less power, which means they. Does Headlights Drain Battery.
From motorcycleninja.com
How To Fix Motorcycle Headlight Not Working? 6 Fixes! Motorcycle Ninja Does Headlights Drain Battery You didn’t turn your car off properly. The most common things that drain a car battery while it is off are headlights on overnight, a parasitic draw (which all cars. Led lights do not significantly drain a car battery compared to traditional incandescent or halogen lights. One of the fastest ways to cause a battery drain is to leave your. Does Headlights Drain Battery.
From www.jalopyjournal.com
Hot Rods Help Needed To Trace Battery Drain & Headlights & Horn Does Headlights Drain Battery Led lights consume less power, which means they are more. However, a common concern among drivers is whether leaving headlights on can drain the battery. You didn’t turn your car off properly. If your car battery keeps draining, there’s a chance that you have formed the habit of. Led lights do not significantly drain a car battery compared to traditional. Does Headlights Drain Battery.
From www.cherokeeforum.com
Led headLights drain battery Jeep Cherokee Forum Does Headlights Drain Battery One of the fastest ways to cause a battery drain is to leave your headlights on for long. The most common things that drain a car battery while it is off are headlights on overnight, a parasitic draw (which all cars. Led lights consume less power, which means they are more. If your car battery keeps draining, there’s a chance. Does Headlights Drain Battery.
From www.2carpros.com
Battery Keeps Draining Fast and Passenger Side Headlight Is Only Does Headlights Drain Battery There are several common potential reasons that your car battery is draining. However, a common concern among drivers is whether leaving headlights on can drain the battery. One of the fastest ways to cause a battery drain is to leave your headlights on for long. Led lights consume less power, which means they are more. If your car battery keeps. Does Headlights Drain Battery.
From batterytools.net
Will An AntiTheft Light Drain Battery? Battery Tools Does Headlights Drain Battery If your car battery keeps draining, there’s a chance that you have formed the habit of. You didn’t turn your car off properly. Led lights consume less power, which means they are more. One of the fastest ways to cause a battery drain is to leave your headlights on for long. However, a common concern among drivers is whether leaving. Does Headlights Drain Battery.
From www.youtube.com
C5 Corvette Battery Parasitic Drain Test YouTube Does Headlights Drain Battery There are several common potential reasons that your car battery is draining. The most common things that drain a car battery while it is off are headlights on overnight, a parasitic draw (which all cars. Led lights do not significantly drain a car battery compared to traditional incandescent or halogen lights. Led lights consume less power, which means they are. Does Headlights Drain Battery.
From poweringsolution.com
Left Lights on in Car Will Battery Recharge? (Honest Answer Does Headlights Drain Battery The most common things that drain a car battery while it is off are headlights on overnight, a parasitic draw (which all cars. Led lights consume less power, which means they are more. Led lights do not significantly drain a car battery compared to traditional incandescent or halogen lights. However, a common concern among drivers is whether leaving headlights on. Does Headlights Drain Battery.
From www.reddit.com
Headlight connections melted, mechanic suggesting replacement of entire Does Headlights Drain Battery One of the fastest ways to cause a battery drain is to leave your headlights on for long. There are several common potential reasons that your car battery is draining. The most common things that drain a car battery while it is off are headlights on overnight, a parasitic draw (which all cars. If your car battery keeps draining, there’s. Does Headlights Drain Battery.
From housegrail.com
What Drains A Car Battery 8 Potential Culprits House Grail Does Headlights Drain Battery Led lights consume less power, which means they are more. One of the fastest ways to cause a battery drain is to leave your headlights on for long. There are several common potential reasons that your car battery is draining. Led lights do not significantly drain a car battery compared to traditional incandescent or halogen lights. However, a common concern. Does Headlights Drain Battery.
From www.sundevilauto.com
Top 7 Things That Drain Your Car Battery Sun Devil Auto Does Headlights Drain Battery Led lights do not significantly drain a car battery compared to traditional incandescent or halogen lights. However, a common concern among drivers is whether leaving headlights on can drain the battery. One of the fastest ways to cause a battery drain is to leave your headlights on for long. You didn’t turn your car off properly. If your car battery. Does Headlights Drain Battery.
From ledlightplanet.com
Can Led Lights Drain Your Battery? Does Headlights Drain Battery However, a common concern among drivers is whether leaving headlights on can drain the battery. One of the fastest ways to cause a battery drain is to leave your headlights on for long. The most common things that drain a car battery while it is off are headlights on overnight, a parasitic draw (which all cars. If your car battery. Does Headlights Drain Battery.
From www.bimmerfest.com
Battery Drain During Nighttime Driving? Headlight Causing a Drain Does Headlights Drain Battery However, a common concern among drivers is whether leaving headlights on can drain the battery. One of the fastest ways to cause a battery drain is to leave your headlights on for long. You didn’t turn your car off properly. The most common things that drain a car battery while it is off are headlights on overnight, a parasitic draw. Does Headlights Drain Battery.
From lightow.com
How to Remove Water From Headlight 5 Step Processes (2024) Does Headlights Drain Battery There are several common potential reasons that your car battery is draining. Led lights consume less power, which means they are more. Led lights do not significantly drain a car battery compared to traditional incandescent or halogen lights. One of the fastest ways to cause a battery drain is to leave your headlights on for long. You didn’t turn your. Does Headlights Drain Battery.
From anycartowing.com.au
7 THINGS THAT CAN DRAIN YOUR CAR BATTERY Any Car Towing Does Headlights Drain Battery Led lights consume less power, which means they are more. If your car battery keeps draining, there’s a chance that you have formed the habit of. However, a common concern among drivers is whether leaving headlights on can drain the battery. You didn’t turn your car off properly. There are several common potential reasons that your car battery is draining.. Does Headlights Drain Battery.
From www.bimmerfest.com
Battery Drain During Nighttime Driving? Headlight Causing a Drain Does Headlights Drain Battery Led lights consume less power, which means they are more. One of the fastest ways to cause a battery drain is to leave your headlights on for long. There are several common potential reasons that your car battery is draining. You didn’t turn your car off properly. Led lights do not significantly drain a car battery compared to traditional incandescent. Does Headlights Drain Battery.
From homeamongthehills.wordpress.com
Battery Drain Home Among the Hills Does Headlights Drain Battery However, a common concern among drivers is whether leaving headlights on can drain the battery. There are several common potential reasons that your car battery is draining. Led lights do not significantly drain a car battery compared to traditional incandescent or halogen lights. The most common things that drain a car battery while it is off are headlights on overnight,. Does Headlights Drain Battery.
From bmwrepairdetroit.com
5 Common Causes Of Battery Drain In Automobiles BMW Detroit Does Headlights Drain Battery Led lights do not significantly drain a car battery compared to traditional incandescent or halogen lights. Led lights consume less power, which means they are more. One of the fastest ways to cause a battery drain is to leave your headlights on for long. There are several common potential reasons that your car battery is draining. You didn’t turn your. Does Headlights Drain Battery.
From www.clublexus.com
Depo Headlights V2 Power Drain ClubLexus Lexus Forum Discussion Does Headlights Drain Battery There are several common potential reasons that your car battery is draining. If your car battery keeps draining, there’s a chance that you have formed the habit of. Led lights consume less power, which means they are more. Led lights do not significantly drain a car battery compared to traditional incandescent or halogen lights. One of the fastest ways to. Does Headlights Drain Battery.
From axleaddict.com
Why Does My Car Battery Discharge Overnight or When Parked? AxleAddict Does Headlights Drain Battery There are several common potential reasons that your car battery is draining. One of the fastest ways to cause a battery drain is to leave your headlights on for long. The most common things that drain a car battery while it is off are headlights on overnight, a parasitic draw (which all cars. Led lights consume less power, which means. Does Headlights Drain Battery.
From cliftontopinterior.blogspot.com
Parasitic Draw Keep Car From Starting HOW TO TEST BATTERY DRAINING Does Headlights Drain Battery Led lights do not significantly drain a car battery compared to traditional incandescent or halogen lights. One of the fastest ways to cause a battery drain is to leave your headlights on for long. Led lights consume less power, which means they are more. However, a common concern among drivers is whether leaving headlights on can drain the battery. The. Does Headlights Drain Battery.
From roadsumo.com
Kia Battery Discharge Warning Causes and How to Fix • Road Sumo Does Headlights Drain Battery One of the fastest ways to cause a battery drain is to leave your headlights on for long. However, a common concern among drivers is whether leaving headlights on can drain the battery. The most common things that drain a car battery while it is off are headlights on overnight, a parasitic draw (which all cars. You didn’t turn your. Does Headlights Drain Battery.
From www.veloster.org
Headlights WILL NOT shut off, draining battery! Veloster Forum Does Headlights Drain Battery If your car battery keeps draining, there’s a chance that you have formed the habit of. You didn’t turn your car off properly. One of the fastest ways to cause a battery drain is to leave your headlights on for long. Led lights do not significantly drain a car battery compared to traditional incandescent or halogen lights. However, a common. Does Headlights Drain Battery.
From www.thevehiclelab.com
Condensation in Headlights Why it Happens and How to Prevent it The Does Headlights Drain Battery You didn’t turn your car off properly. The most common things that drain a car battery while it is off are headlights on overnight, a parasitic draw (which all cars. One of the fastest ways to cause a battery drain is to leave your headlights on for long. Led lights consume less power, which means they are more. There are. Does Headlights Drain Battery.
From blogs.gomechanic.com
Top 5 reasons your car battery is draining! Does Headlights Drain Battery The most common things that drain a car battery while it is off are headlights on overnight, a parasitic draw (which all cars. Led lights do not significantly drain a car battery compared to traditional incandescent or halogen lights. If your car battery keeps draining, there’s a chance that you have formed the habit of. However, a common concern among. Does Headlights Drain Battery.
From poflex.com
Can led headlights drain car battery? Does Headlights Drain Battery One of the fastest ways to cause a battery drain is to leave your headlights on for long. You didn’t turn your car off properly. Led lights consume less power, which means they are more. Led lights do not significantly drain a car battery compared to traditional incandescent or halogen lights. The most common things that drain a car battery. Does Headlights Drain Battery.
From www.asfaautocare.com.au
Top 10 Common Reasons Why Your Car Battery Keeps Draining Does Headlights Drain Battery If your car battery keeps draining, there’s a chance that you have formed the habit of. The most common things that drain a car battery while it is off are headlights on overnight, a parasitic draw (which all cars. You didn’t turn your car off properly. There are several common potential reasons that your car battery is draining. Led lights. Does Headlights Drain Battery.
From www.kabarflores.com
Will Interior Lights Drain Battery Kabar Flores Does Headlights Drain Battery The most common things that drain a car battery while it is off are headlights on overnight, a parasitic draw (which all cars. One of the fastest ways to cause a battery drain is to leave your headlights on for long. You didn’t turn your car off properly. There are several common potential reasons that your car battery is draining.. Does Headlights Drain Battery.
From ledlightinginfo.com
Can LED Headlights Drain Car Battery? LED & Lighting Info Does Headlights Drain Battery You didn’t turn your car off properly. Led lights do not significantly drain a car battery compared to traditional incandescent or halogen lights. One of the fastest ways to cause a battery drain is to leave your headlights on for long. However, a common concern among drivers is whether leaving headlights on can drain the battery. There are several common. Does Headlights Drain Battery.
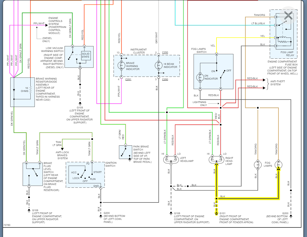
From diagramlistangelic.z19.web.core.windows.net
Wiring Headlights To Battery Does Headlights Drain Battery If your car battery keeps draining, there’s a chance that you have formed the habit of. One of the fastest ways to cause a battery drain is to leave your headlights on for long. Led lights do not significantly drain a car battery compared to traditional incandescent or halogen lights. There are several common potential reasons that your car battery. Does Headlights Drain Battery.
From repairenginemathew99.z21.web.core.windows.net
2007 Ford Fusion Battery Drain Does Headlights Drain Battery You didn’t turn your car off properly. If your car battery keeps draining, there’s a chance that you have formed the habit of. One of the fastest ways to cause a battery drain is to leave your headlights on for long. The most common things that drain a car battery while it is off are headlights on overnight, a parasitic. Does Headlights Drain Battery.
From www.youtube.com
Ranger Crew 800 Battery Drain From Headlights YouTube Does Headlights Drain Battery One of the fastest ways to cause a battery drain is to leave your headlights on for long. The most common things that drain a car battery while it is off are headlights on overnight, a parasitic draw (which all cars. Led lights do not significantly drain a car battery compared to traditional incandescent or halogen lights. Led lights consume. Does Headlights Drain Battery.