What Are O2 Sensor Codes . Learn what the oxygen sensor codes mean. some common trouble codes that point to an o2 sensor include: 25 rows when an o2 sensor failure occurs, a dtc or diagnostic trouble code is recorded in the ecu and a check. oxygen sensors, otherwise referred to as o2 sensors, and their related check engine light codes, can be troublesome at the very. when check engine lights are scanned, a p0420 code is a very common result. Just because a fault code indicates an. the oxygen sensor is an item in a vehicle that gets replaced due to the fault of another component. It’s actually a generic code,. P0130, p0135, p0131, p0171, p0174, p0175. an oxygen sensor code, often represented as a p0130 or similar, indicates an issue with one of the oxygen.
from www.jeepgarage.org
when check engine lights are scanned, a p0420 code is a very common result. Learn what the oxygen sensor codes mean. some common trouble codes that point to an o2 sensor include: P0130, p0135, p0131, p0171, p0174, p0175. 25 rows when an o2 sensor failure occurs, a dtc or diagnostic trouble code is recorded in the ecu and a check. Just because a fault code indicates an. the oxygen sensor is an item in a vehicle that gets replaced due to the fault of another component. an oxygen sensor code, often represented as a p0130 or similar, indicates an issue with one of the oxygen. It’s actually a generic code,. oxygen sensors, otherwise referred to as o2 sensors, and their related check engine light codes, can be troublesome at the very.
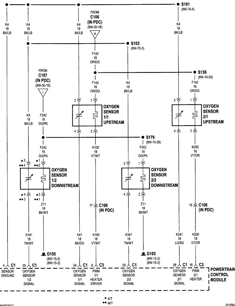
o2 sensor wire colors from the car Jeep Garage Jeep Forum
What Are O2 Sensor Codes 25 rows when an o2 sensor failure occurs, a dtc or diagnostic trouble code is recorded in the ecu and a check. oxygen sensors, otherwise referred to as o2 sensors, and their related check engine light codes, can be troublesome at the very. when check engine lights are scanned, a p0420 code is a very common result. an oxygen sensor code, often represented as a p0130 or similar, indicates an issue with one of the oxygen. Learn what the oxygen sensor codes mean. some common trouble codes that point to an o2 sensor include: the oxygen sensor is an item in a vehicle that gets replaced due to the fault of another component. 25 rows when an o2 sensor failure occurs, a dtc or diagnostic trouble code is recorded in the ecu and a check. Just because a fault code indicates an. P0130, p0135, p0131, p0171, p0174, p0175. It’s actually a generic code,.
From www.carparts.com
P2272 Code Oxygen Sensor Signal Biased/Stuck Lean (Bank 2 Sensor 2 What Are O2 Sensor Codes P0130, p0135, p0131, p0171, p0174, p0175. oxygen sensors, otherwise referred to as o2 sensors, and their related check engine light codes, can be troublesome at the very. when check engine lights are scanned, a p0420 code is a very common result. the oxygen sensor is an item in a vehicle that gets replaced due to the fault. What Are O2 Sensor Codes.
From www.jeepgarage.org
o2 sensor wire colors from the car Jeep Garage Jeep Forum What Are O2 Sensor Codes 25 rows when an o2 sensor failure occurs, a dtc or diagnostic trouble code is recorded in the ecu and a check. the oxygen sensor is an item in a vehicle that gets replaced due to the fault of another component. an oxygen sensor code, often represented as a p0130 or similar, indicates an issue with one. What Are O2 Sensor Codes.
From www.academia.edu
(PDF) O2 sensor wiring colour codes from What Are O2 Sensor Codes Just because a fault code indicates an. Learn what the oxygen sensor codes mean. oxygen sensors, otherwise referred to as o2 sensors, and their related check engine light codes, can be troublesome at the very. when check engine lights are scanned, a p0420 code is a very common result. P0130, p0135, p0131, p0171, p0174, p0175. the oxygen. What Are O2 Sensor Codes.
From www.reddit.com
Any advice on these 3 codes? Front O2 sensor and both cam sensors What Are O2 Sensor Codes the oxygen sensor is an item in a vehicle that gets replaced due to the fault of another component. some common trouble codes that point to an o2 sensor include: Learn what the oxygen sensor codes mean. oxygen sensors, otherwise referred to as o2 sensors, and their related check engine light codes, can be troublesome at the. What Are O2 Sensor Codes.
From www.ebay.com
Universal lambda oxygen sensor 5 wires O2 probe genuine Bosch Code What Are O2 Sensor Codes Learn what the oxygen sensor codes mean. some common trouble codes that point to an o2 sensor include: oxygen sensors, otherwise referred to as o2 sensors, and their related check engine light codes, can be troublesome at the very. an oxygen sensor code, often represented as a p0130 or similar, indicates an issue with one of the. What Are O2 Sensor Codes.
From www.youtube.com
2006 Lexus IS350 MAF and Oxygen Sensor Codes P0031, P0037,P0051, P0057 What Are O2 Sensor Codes some common trouble codes that point to an o2 sensor include: when check engine lights are scanned, a p0420 code is a very common result. an oxygen sensor code, often represented as a p0130 or similar, indicates an issue with one of the oxygen. It’s actually a generic code,. the oxygen sensor is an item in. What Are O2 Sensor Codes.
From autovfix.com
How To Test O2 Sensor With 4 Wires+ 4 Wire Oxygen Sensor Diagram What Are O2 Sensor Codes an oxygen sensor code, often represented as a p0130 or similar, indicates an issue with one of the oxygen. 25 rows when an o2 sensor failure occurs, a dtc or diagnostic trouble code is recorded in the ecu and a check. the oxygen sensor is an item in a vehicle that gets replaced due to the fault. What Are O2 Sensor Codes.
From www.my4dsc.com
5thgen Nissan Maxima O2 Oxygen Sensor Location and Codes What Are O2 Sensor Codes the oxygen sensor is an item in a vehicle that gets replaced due to the fault of another component. an oxygen sensor code, often represented as a p0130 or similar, indicates an issue with one of the oxygen. Just because a fault code indicates an. It’s actually a generic code,. oxygen sensors, otherwise referred to as o2. What Are O2 Sensor Codes.
From diagramlistengel.z21.web.core.windows.net
O2 Sensor Wiring Colors What Are O2 Sensor Codes P0130, p0135, p0131, p0171, p0174, p0175. the oxygen sensor is an item in a vehicle that gets replaced due to the fault of another component. oxygen sensors, otherwise referred to as o2 sensors, and their related check engine light codes, can be troublesome at the very. when check engine lights are scanned, a p0420 code is a. What Are O2 Sensor Codes.
From vehiclefreak.com
Why Do My Oxygen Sensor Codes Keep Coming Back? What Are O2 Sensor Codes Just because a fault code indicates an. P0130, p0135, p0131, p0171, p0174, p0175. oxygen sensors, otherwise referred to as o2 sensors, and their related check engine light codes, can be troublesome at the very. 25 rows when an o2 sensor failure occurs, a dtc or diagnostic trouble code is recorded in the ecu and a check. some. What Are O2 Sensor Codes.
From www.vrogue.co
O2 Sensor Wiring Color Codes All Wiring Diagram Data vrogue.co What Are O2 Sensor Codes 25 rows when an o2 sensor failure occurs, a dtc or diagnostic trouble code is recorded in the ecu and a check. some common trouble codes that point to an o2 sensor include: Just because a fault code indicates an. It’s actually a generic code,. an oxygen sensor code, often represented as a p0130 or similar, indicates. What Are O2 Sensor Codes.
From repairsolderings.z21.web.core.windows.net
Jeep O2 Sensor Problems What Are O2 Sensor Codes Learn what the oxygen sensor codes mean. when check engine lights are scanned, a p0420 code is a very common result. an oxygen sensor code, often represented as a p0130 or similar, indicates an issue with one of the oxygen. P0130, p0135, p0131, p0171, p0174, p0175. Just because a fault code indicates an. the oxygen sensor is. What Are O2 Sensor Codes.
From www.segwayforums.com
O2 Sensor Code Segway Forum What Are O2 Sensor Codes Just because a fault code indicates an. Learn what the oxygen sensor codes mean. P0130, p0135, p0131, p0171, p0174, p0175. the oxygen sensor is an item in a vehicle that gets replaced due to the fault of another component. It’s actually a generic code,. when check engine lights are scanned, a p0420 code is a very common result.. What Are O2 Sensor Codes.
From www.2carpros.com
O2 Sensor Codes After Having All Four Oxygen Sensors What Are O2 Sensor Codes when check engine lights are scanned, a p0420 code is a very common result. oxygen sensors, otherwise referred to as o2 sensors, and their related check engine light codes, can be troublesome at the very. P0130, p0135, p0131, p0171, p0174, p0175. Learn what the oxygen sensor codes mean. some common trouble codes that point to an o2. What Are O2 Sensor Codes.
From uploadify12.blogspot.com
5 Wire O2 Sensor Wiring Diagram Uploadify What Are O2 Sensor Codes when check engine lights are scanned, a p0420 code is a very common result. an oxygen sensor code, often represented as a p0130 or similar, indicates an issue with one of the oxygen. It’s actually a generic code,. some common trouble codes that point to an o2 sensor include: Just because a fault code indicates an. . What Are O2 Sensor Codes.
From exytgucnd.blob.core.windows.net
Front O2 Sensor Wrx at blog What Are O2 Sensor Codes Just because a fault code indicates an. 25 rows when an o2 sensor failure occurs, a dtc or diagnostic trouble code is recorded in the ecu and a check. the oxygen sensor is an item in a vehicle that gets replaced due to the fault of another component. an oxygen sensor code, often represented as a p0130. What Are O2 Sensor Codes.
From schematiclibimpavid88.z22.web.core.windows.net
02 Sensor 4 Wire O2 Sensor Wiring Diagram What Are O2 Sensor Codes It’s actually a generic code,. Just because a fault code indicates an. 25 rows when an o2 sensor failure occurs, a dtc or diagnostic trouble code is recorded in the ecu and a check. the oxygen sensor is an item in a vehicle that gets replaced due to the fault of another component. some common trouble codes. What Are O2 Sensor Codes.
From otamoto.com
Oxygen Sensor Codes Your Guide to Vehicle Diagnostics OTAMOTO What Are O2 Sensor Codes It’s actually a generic code,. an oxygen sensor code, often represented as a p0130 or similar, indicates an issue with one of the oxygen. oxygen sensors, otherwise referred to as o2 sensors, and their related check engine light codes, can be troublesome at the very. 25 rows when an o2 sensor failure occurs, a dtc or diagnostic. What Are O2 Sensor Codes.
From www.toyotanation.com
Chasing the oxygen sensor codes. Help! Toyota Nation Forum What Are O2 Sensor Codes when check engine lights are scanned, a p0420 code is a very common result. 25 rows when an o2 sensor failure occurs, a dtc or diagnostic trouble code is recorded in the ecu and a check. Learn what the oxygen sensor codes mean. an oxygen sensor code, often represented as a p0130 or similar, indicates an issue. What Are O2 Sensor Codes.
From www.tundras.com
Downstream o2 sensor wiring Toyota Tundra Forum What Are O2 Sensor Codes an oxygen sensor code, often represented as a p0130 or similar, indicates an issue with one of the oxygen. P0130, p0135, p0131, p0171, p0174, p0175. the oxygen sensor is an item in a vehicle that gets replaced due to the fault of another component. Just because a fault code indicates an. Learn what the oxygen sensor codes mean.. What Are O2 Sensor Codes.
From www.2carpros.com
O2 Sensor Codes/locations and Codes P0155, P0455, and P0422? What Are O2 Sensor Codes the oxygen sensor is an item in a vehicle that gets replaced due to the fault of another component. Just because a fault code indicates an. It’s actually a generic code,. when check engine lights are scanned, a p0420 code is a very common result. oxygen sensors, otherwise referred to as o2 sensors, and their related check. What Are O2 Sensor Codes.
From fyoqjujmi.blob.core.windows.net
How To Clear 02 Sensor Code at Glenn Burgess blog What Are O2 Sensor Codes oxygen sensors, otherwise referred to as o2 sensors, and their related check engine light codes, can be troublesome at the very. P0130, p0135, p0131, p0171, p0174, p0175. when check engine lights are scanned, a p0420 code is a very common result. 25 rows when an o2 sensor failure occurs, a dtc or diagnostic trouble code is recorded. What Are O2 Sensor Codes.
From www.carparts.com
P2197 Code O2 Sensor Signal Biased/Stuck Lean (Bank 2, Sensor 1) In What Are O2 Sensor Codes Learn what the oxygen sensor codes mean. It’s actually a generic code,. P0130, p0135, p0131, p0171, p0174, p0175. Just because a fault code indicates an. when check engine lights are scanned, a p0420 code is a very common result. the oxygen sensor is an item in a vehicle that gets replaced due to the fault of another component.. What Are O2 Sensor Codes.
From wiringdiagram.2bitboer.com
Bosch 5 Wire Wideband O2 Sensor Wiring Diagram Wiring Diagram What Are O2 Sensor Codes P0130, p0135, p0131, p0171, p0174, p0175. It’s actually a generic code,. an oxygen sensor code, often represented as a p0130 or similar, indicates an issue with one of the oxygen. when check engine lights are scanned, a p0420 code is a very common result. Learn what the oxygen sensor codes mean. some common trouble codes that point. What Are O2 Sensor Codes.
From ranwhenparked.net
Oxygen Sensor Codes Keep Coming Back Explaining the Issue Ran When What Are O2 Sensor Codes some common trouble codes that point to an o2 sensor include: 25 rows when an o2 sensor failure occurs, a dtc or diagnostic trouble code is recorded in the ecu and a check. when check engine lights are scanned, a p0420 code is a very common result. It’s actually a generic code,. Just because a fault code. What Are O2 Sensor Codes.
From fixenginesymanteceq.z4.web.core.windows.net
Toyota 4 Wire O2 Sensor Wiring Diagram What Are O2 Sensor Codes some common trouble codes that point to an o2 sensor include: Just because a fault code indicates an. 25 rows when an o2 sensor failure occurs, a dtc or diagnostic trouble code is recorded in the ecu and a check. P0130, p0135, p0131, p0171, p0174, p0175. when check engine lights are scanned, a p0420 code is a. What Are O2 Sensor Codes.
From vehiclefreak.com
Why Do My Oxygen Sensor Codes Keep Coming Back? What Are O2 Sensor Codes an oxygen sensor code, often represented as a p0130 or similar, indicates an issue with one of the oxygen. the oxygen sensor is an item in a vehicle that gets replaced due to the fault of another component. when check engine lights are scanned, a p0420 code is a very common result. 25 rows when an. What Are O2 Sensor Codes.
From mungfali.com
O2 Sensor Wiring Color Codes What Are O2 Sensor Codes when check engine lights are scanned, a p0420 code is a very common result. Just because a fault code indicates an. P0130, p0135, p0131, p0171, p0174, p0175. some common trouble codes that point to an o2 sensor include: the oxygen sensor is an item in a vehicle that gets replaced due to the fault of another component.. What Are O2 Sensor Codes.
From www.reddit.com
Can Not having a Exhaust trip O2 sensor codes? ‘15 5.0 r/f150 What Are O2 Sensor Codes 25 rows when an o2 sensor failure occurs, a dtc or diagnostic trouble code is recorded in the ecu and a check. It’s actually a generic code,. some common trouble codes that point to an o2 sensor include: Learn what the oxygen sensor codes mean. when check engine lights are scanned, a p0420 code is a very. What Are O2 Sensor Codes.
From www.carparts.com
P0140 Code Oxygen Sensor Circuit No Activity Detected (Bank 1, Sensor What Are O2 Sensor Codes 25 rows when an o2 sensor failure occurs, a dtc or diagnostic trouble code is recorded in the ecu and a check. It’s actually a generic code,. the oxygen sensor is an item in a vehicle that gets replaced due to the fault of another component. Learn what the oxygen sensor codes mean. some common trouble codes. What Are O2 Sensor Codes.
From garagerichards88.z19.web.core.windows.net
Ford F150 O2 Sensor Codes What Are O2 Sensor Codes It’s actually a generic code,. an oxygen sensor code, often represented as a p0130 or similar, indicates an issue with one of the oxygen. when check engine lights are scanned, a p0420 code is a very common result. 25 rows when an o2 sensor failure occurs, a dtc or diagnostic trouble code is recorded in the ecu. What Are O2 Sensor Codes.
From trailersdcine.blogspot.com
42 4 wire o2 sensor wiring diagram What Are O2 Sensor Codes the oxygen sensor is an item in a vehicle that gets replaced due to the fault of another component. an oxygen sensor code, often represented as a p0130 or similar, indicates an issue with one of the oxygen. when check engine lights are scanned, a p0420 code is a very common result. 25 rows when an. What Are O2 Sensor Codes.
From userfixlois.z13.web.core.windows.net
Ford Oxygen Sensor Wiring Color Codes What Are O2 Sensor Codes 25 rows when an o2 sensor failure occurs, a dtc or diagnostic trouble code is recorded in the ecu and a check. Learn what the oxygen sensor codes mean. It’s actually a generic code,. Just because a fault code indicates an. when check engine lights are scanned, a p0420 code is a very common result. P0130, p0135, p0131,. What Are O2 Sensor Codes.
From wirelistsixteenmo.z21.web.core.windows.net
Nissan 4 Wire O2 Sensor Wiring Diagram What Are O2 Sensor Codes 25 rows when an o2 sensor failure occurs, a dtc or diagnostic trouble code is recorded in the ecu and a check. P0130, p0135, p0131, p0171, p0174, p0175. Learn what the oxygen sensor codes mean. when check engine lights are scanned, a p0420 code is a very common result. It’s actually a generic code,. oxygen sensors, otherwise. What Are O2 Sensor Codes.
From o2sensorreplacement.com
Clearing O2 Sensor Codes Do They Clear On Their Own? O2 Sensor What Are O2 Sensor Codes oxygen sensors, otherwise referred to as o2 sensors, and their related check engine light codes, can be troublesome at the very. an oxygen sensor code, often represented as a p0130 or similar, indicates an issue with one of the oxygen. It’s actually a generic code,. 25 rows when an o2 sensor failure occurs, a dtc or diagnostic. What Are O2 Sensor Codes.