Low Coolant Light Vw Tiguan . Check the engine coolant level after the engine has cooled down and add engine coolant if low ⇒ checking engine coolant level and topping off. In some cases, a software glitch or ecu failure could also be the culprit. It’s important to address this issue promptly to prevent further damage to the engine. However, if the engine is not hot, the most likely reason for the flashing light is a malfunctioning sensor or wiring. Engine coolant level too low. When your volkswagen’s coolant warning light blinks, it’s indicating an issue with the coolant system. Learn the top 5 reasons your volkswagen coolant warning light turned on. Ignoring it could lead to overheating and potentially serious engine damage. This could be due to low coolant levels, a coolant leak, or a malfunctioning sensor. Loss of coolant in a vw tiguan can be caused by several factors, including a leak in the radiator, hoses, or water pump. Park the vehicle on level ground. You should both check your water pumps and thermostat housings. If you notice that your volkswagen tiguan coolant light flashes in red, it could be due to a few reasons. They are not easy to see from above and you really should. If the coolant level drops too low, the engine coolant level/temperature warning light lights up.
from www.youtube.com
However, if the engine is not hot, the most likely reason for the flashing light is a malfunctioning sensor or wiring. They are not easy to see from above and you really should. Learn the top 5 reasons your volkswagen coolant warning light turned on. Loss of coolant in a vw tiguan can be caused by several factors, including a leak in the radiator, hoses, or water pump. Check the engine coolant level after the engine has cooled down and add engine coolant if low ⇒ checking engine coolant level and topping off. It could also indicate a blown head gasket. You should both check your water pumps and thermostat housings. Ignoring it could lead to overheating and potentially serious engine damage. Park the vehicle on level ground. Engine coolant level too low.
VW Tiguan Coolant Pipe and Water Pump Replacement YouTube
Low Coolant Light Vw Tiguan Learn the top 5 reasons your volkswagen coolant warning light turned on. Engine coolant level too low. You should both check your water pumps and thermostat housings. This could be due to low coolant levels, a coolant leak, or a malfunctioning sensor. In some cases, a software glitch or ecu failure could also be the culprit. If the coolant level drops too low, the engine coolant level/temperature warning light lights up. Ignoring it could lead to overheating and potentially serious engine damage. They are not easy to see from above and you really should. If you notice that your volkswagen tiguan coolant light flashes in red, it could be due to a few reasons. It’s important to address this issue promptly to prevent further damage to the engine. Loss of coolant in a vw tiguan can be caused by several factors, including a leak in the radiator, hoses, or water pump. Learn the top 5 reasons your volkswagen coolant warning light turned on. When your volkswagen’s coolant warning light blinks, it’s indicating an issue with the coolant system. It could also indicate a blown head gasket. Check the engine coolant level after the engine has cooled down and add engine coolant if low ⇒ checking engine coolant level and topping off. However, if the engine is not hot, the most likely reason for the flashing light is a malfunctioning sensor or wiring.
From shellysavonlea.net
Vw Warning Lights Coolant Shelly Lighting Low Coolant Light Vw Tiguan It’s important to address this issue promptly to prevent further damage to the engine. Ignoring it could lead to overheating and potentially serious engine damage. If the coolant level drops too low, the engine coolant level/temperature warning light lights up. Always let the engine cool down ⇒. In some cases, a software glitch or ecu failure could also be the. Low Coolant Light Vw Tiguan.
From in.thptnganamst.edu.vn
Update 52+ image volkswagen tiguan coolant light In.thptnganamst.edu.vn Low Coolant Light Vw Tiguan Engine coolant level too low. This could be due to low coolant levels, a coolant leak, or a malfunctioning sensor. Learn the top 5 reasons your volkswagen coolant warning light turned on. However, if the engine is not hot, the most likely reason for the flashing light is a malfunctioning sensor or wiring. If the coolant level drops too low,. Low Coolant Light Vw Tiguan.
From wiringfixricers.z4.web.core.windows.net
Volkswagen Tiguan Coolant Warning Light Low Coolant Light Vw Tiguan Loss of coolant in a vw tiguan can be caused by several factors, including a leak in the radiator, hoses, or water pump. If the coolant level drops too low, the engine coolant level/temperature warning light lights up. You should both check your water pumps and thermostat housings. If you notice that your volkswagen tiguan coolant light flashes in red,. Low Coolant Light Vw Tiguan.
From nemigaparts.com
Volkswagen Tiguan (2012 2017) coolant cooling system. > VAG ETKA Low Coolant Light Vw Tiguan If the coolant level drops too low, the engine coolant level/temperature warning light lights up. It’s important to address this issue promptly to prevent further damage to the engine. It could also indicate a blown head gasket. In some cases, a software glitch or ecu failure could also be the culprit. This could be due to low coolant levels, a. Low Coolant Light Vw Tiguan.
From www.youtube.com
VW TIGUAN COOLANT LEVEL SENSOR LOCATION. COOLANT LEVEL LOW, ADD COOLANT Low Coolant Light Vw Tiguan When your volkswagen’s coolant warning light blinks, it’s indicating an issue with the coolant system. If you notice that your volkswagen tiguan coolant light flashes in red, it could be due to a few reasons. Check the engine coolant level after the engine has cooled down and add engine coolant if low ⇒ checking engine coolant level and topping off.. Low Coolant Light Vw Tiguan.
From shellysavonlea.net
Vw Warning Lights Coolant Shelly Lighting Low Coolant Light Vw Tiguan Park the vehicle on level ground. Engine coolant level too low. However, if the engine is not hot, the most likely reason for the flashing light is a malfunctioning sensor or wiring. Learn the top 5 reasons your volkswagen coolant warning light turned on. Check the engine coolant level after the engine has cooled down and add engine coolant if. Low Coolant Light Vw Tiguan.
From webautocats.com
Volkswagen Tiguan (2016 2017) Coolant cooling system. > ETKA Online Low Coolant Light Vw Tiguan Loss of coolant in a vw tiguan can be caused by several factors, including a leak in the radiator, hoses, or water pump. Ignoring it could lead to overheating and potentially serious engine damage. Engine coolant level too low. It’s important to address this issue promptly to prevent further damage to the engine. Always let the engine cool down ⇒.. Low Coolant Light Vw Tiguan.
From www.youtube.com
New VOLKSWAGEN TIGUAN 2024 CRAZY AMBIENT lights & ATMOSPHERES YouTube Low Coolant Light Vw Tiguan Ignoring it could lead to overheating and potentially serious engine damage. You should both check your water pumps and thermostat housings. Check the engine coolant level after the engine has cooled down and add engine coolant if low ⇒ checking engine coolant level and topping off. Loss of coolant in a vw tiguan can be caused by several factors, including. Low Coolant Light Vw Tiguan.
From nemigaparts.com
Volkswagen Tiguan (2008 2011) coolant pump. coolant cooling system Low Coolant Light Vw Tiguan Check the engine coolant level after the engine has cooled down and add engine coolant if low ⇒ checking engine coolant level and topping off. When your volkswagen’s coolant warning light blinks, it’s indicating an issue with the coolant system. Park the vehicle on level ground. If you notice that your volkswagen tiguan coolant light flashes in red, it could. Low Coolant Light Vw Tiguan.
From lightcheckup.com
Volkswagen Tiguan Coolant Light Flashing 5 Causes And Solutions Low Coolant Light Vw Tiguan This could be due to low coolant levels, a coolant leak, or a malfunctioning sensor. When your volkswagen’s coolant warning light blinks, it’s indicating an issue with the coolant system. Park the vehicle on level ground. Learn the top 5 reasons your volkswagen coolant warning light turned on. It’s important to address this issue promptly to prevent further damage to. Low Coolant Light Vw Tiguan.
From nemigaparts.com
Volkswagen Tiguan (2008 2011) coolant cooling system. > VAG ETKA Low Coolant Light Vw Tiguan If you notice that your volkswagen tiguan coolant light flashes in red, it could be due to a few reasons. Ignoring it could lead to overheating and potentially serious engine damage. Loss of coolant in a vw tiguan can be caused by several factors, including a leak in the radiator, hoses, or water pump. It could also indicate a blown. Low Coolant Light Vw Tiguan.
From www.youtube.com
2016 VW Tiguan Coolant Expansion Tank Replacement YouTube Low Coolant Light Vw Tiguan They are not easy to see from above and you really should. It’s important to address this issue promptly to prevent further damage to the engine. Learn the top 5 reasons your volkswagen coolant warning light turned on. Always let the engine cool down ⇒. If you notice that your volkswagen tiguan coolant light flashes in red, it could be. Low Coolant Light Vw Tiguan.
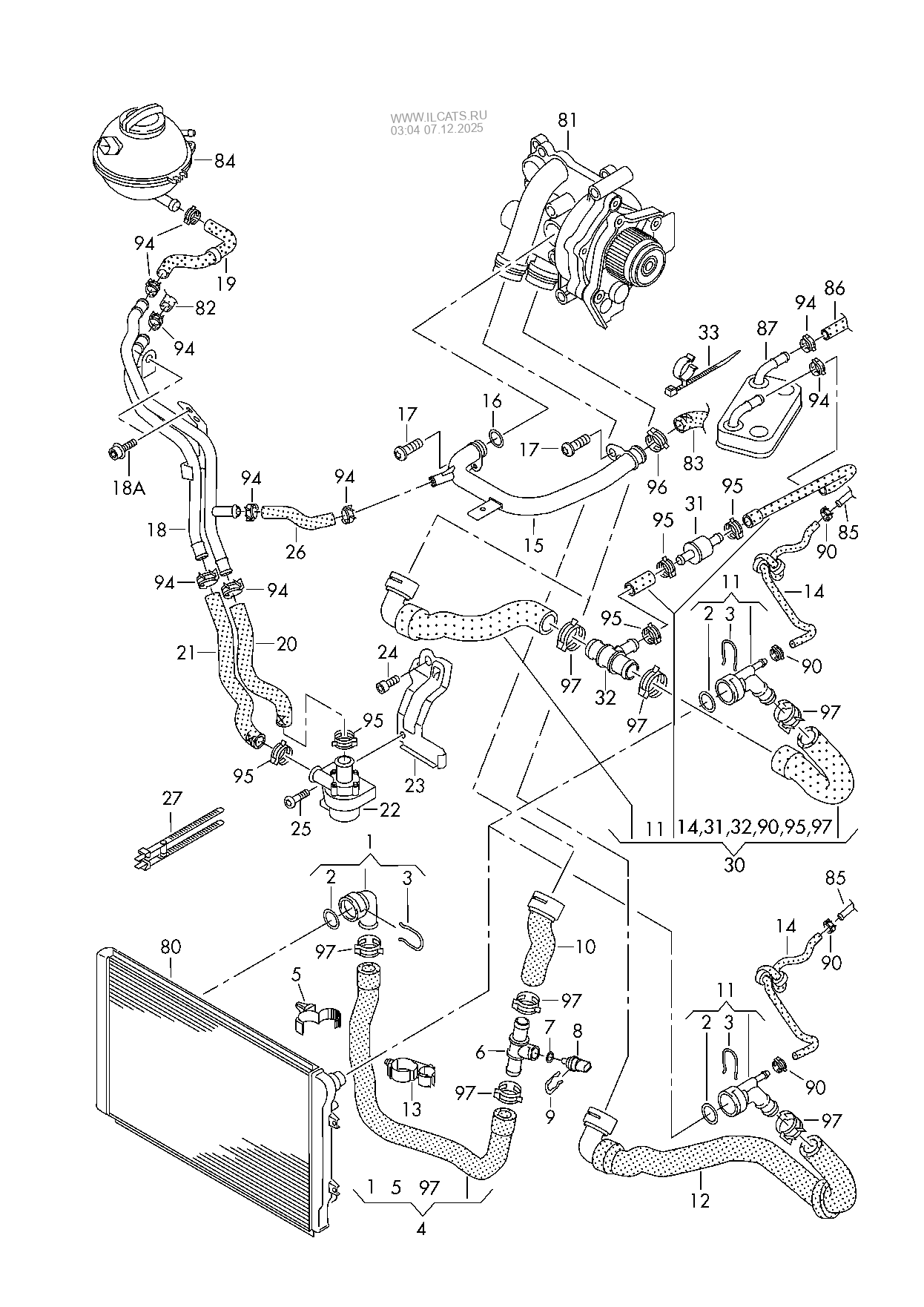
From www.ilcats.ru
coolant cooling system VW TIGUAN Low Coolant Light Vw Tiguan However, if the engine is not hot, the most likely reason for the flashing light is a malfunctioning sensor or wiring. Check the engine coolant level after the engine has cooled down and add engine coolant if low ⇒ checking engine coolant level and topping off. Loss of coolant in a vw tiguan can be caused by several factors, including. Low Coolant Light Vw Tiguan.
From www.dreamstime.com
Volkswagen Tiguan Coolant Tank. Volkswagen Tiguan Cooling Systems Low Coolant Light Vw Tiguan They are not easy to see from above and you really should. Always let the engine cool down ⇒. If you notice that your volkswagen tiguan coolant light flashes in red, it could be due to a few reasons. Check the engine coolant level after the engine has cooled down and add engine coolant if low ⇒ checking engine coolant. Low Coolant Light Vw Tiguan.
From wiringguidebouche.z21.web.core.windows.net
Engine Coolant For 2018 Vw Tiguan Low Coolant Light Vw Tiguan Check the engine coolant level after the engine has cooled down and add engine coolant if low ⇒ checking engine coolant level and topping off. You should both check your water pumps and thermostat housings. It could also indicate a blown head gasket. If you notice that your volkswagen tiguan coolant light flashes in red, it could be due to. Low Coolant Light Vw Tiguan.
From www.volkswagen-newsroom.com
The new IQ.LIGHT and digitalised air conditioning Volkswagen Newsroom Low Coolant Light Vw Tiguan This could be due to low coolant levels, a coolant leak, or a malfunctioning sensor. If you notice that your volkswagen tiguan coolant light flashes in red, it could be due to a few reasons. When your volkswagen’s coolant warning light blinks, it’s indicating an issue with the coolant system. Check the engine coolant level after the engine has cooled. Low Coolant Light Vw Tiguan.
From engineconstalaranceqtt.z21.web.core.windows.net
Red Coolant Light Comes On When Car Starts Low Coolant Light Vw Tiguan Learn the top 5 reasons your volkswagen coolant warning light turned on. Check the engine coolant level after the engine has cooled down and add engine coolant if low ⇒ checking engine coolant level and topping off. This could be due to low coolant levels, a coolant leak, or a malfunctioning sensor. You should both check your water pumps and. Low Coolant Light Vw Tiguan.
From www.youtube.com
[Car DIY] 2017 Tiguan Coolant Change(color check) (티구안) YouTube Low Coolant Light Vw Tiguan Park the vehicle on level ground. It could also indicate a blown head gasket. When your volkswagen’s coolant warning light blinks, it’s indicating an issue with the coolant system. Learn the top 5 reasons your volkswagen coolant warning light turned on. You should both check your water pumps and thermostat housings. This could be due to low coolant levels, a. Low Coolant Light Vw Tiguan.
From www.youtube.com
VW/Volkswagen Tiguan How to Mix, Add Coolant & Do Engine Coolant Low Coolant Light Vw Tiguan However, if the engine is not hot, the most likely reason for the flashing light is a malfunctioning sensor or wiring. Park the vehicle on level ground. Loss of coolant in a vw tiguan can be caused by several factors, including a leak in the radiator, hoses, or water pump. You should both check your water pumps and thermostat housings.. Low Coolant Light Vw Tiguan.
From www.ilcats.ru
coolant cooling system VW TIGUAN Low Coolant Light Vw Tiguan Ignoring it could lead to overheating and potentially serious engine damage. Park the vehicle on level ground. When your volkswagen’s coolant warning light blinks, it’s indicating an issue with the coolant system. Learn the top 5 reasons your volkswagen coolant warning light turned on. This could be due to low coolant levels, a coolant leak, or a malfunctioning sensor. Check. Low Coolant Light Vw Tiguan.
From www.vwtiguan.org
Volkswagen Tiguan Service and Repair Manual Refrigerant Circuit Air Low Coolant Light Vw Tiguan Check the engine coolant level after the engine has cooled down and add engine coolant if low ⇒ checking engine coolant level and topping off. You should both check your water pumps and thermostat housings. When your volkswagen’s coolant warning light blinks, it’s indicating an issue with the coolant system. It could also indicate a blown head gasket. Park the. Low Coolant Light Vw Tiguan.
From chiconeustes.blogspot.com
Check Coolant Vw Tiguan Low Coolant Light Vw Tiguan If you notice that your volkswagen tiguan coolant light flashes in red, it could be due to a few reasons. Ignoring it could lead to overheating and potentially serious engine damage. It could also indicate a blown head gasket. They are not easy to see from above and you really should. It’s important to address this issue promptly to prevent. Low Coolant Light Vw Tiguan.
From www.youtube.com
20092017 Volkswagen Tiguan SUV How To Check Coolant Overflow Low Coolant Light Vw Tiguan However, if the engine is not hot, the most likely reason for the flashing light is a malfunctioning sensor or wiring. This could be due to low coolant levels, a coolant leak, or a malfunctioning sensor. If the coolant level drops too low, the engine coolant level/temperature warning light lights up. Check the engine coolant level after the engine has. Low Coolant Light Vw Tiguan.
From www.youtube.com
How to top up coolant in Volkswagen Tiguan DIY maintenance YouTube Low Coolant Light Vw Tiguan You should both check your water pumps and thermostat housings. Learn the top 5 reasons your volkswagen coolant warning light turned on. Check the engine coolant level after the engine has cooled down and add engine coolant if low ⇒ checking engine coolant level and topping off. However, if the engine is not hot, the most likely reason for the. Low Coolant Light Vw Tiguan.
From www.youtube.com
VW Tiguan Coolant Pipe and Water Pump Replacement YouTube Low Coolant Light Vw Tiguan They are not easy to see from above and you really should. This could be due to low coolant levels, a coolant leak, or a malfunctioning sensor. Engine coolant level too low. It’s important to address this issue promptly to prevent further damage to the engine. If you notice that your volkswagen tiguan coolant light flashes in red, it could. Low Coolant Light Vw Tiguan.
From lightcheckup.com
Volkswagen Tiguan Coolant Light Flashing 5 Causes And Solutions Low Coolant Light Vw Tiguan Learn the top 5 reasons your volkswagen coolant warning light turned on. They are not easy to see from above and you really should. Loss of coolant in a vw tiguan can be caused by several factors, including a leak in the radiator, hoses, or water pump. Engine coolant level too low. When your volkswagen’s coolant warning light blinks, it’s. Low Coolant Light Vw Tiguan.
From shellysavonlea.net
Vw Tiguan Warning Lights Symbols Explained Shelly Lighting Low Coolant Light Vw Tiguan You should both check your water pumps and thermostat housings. When your volkswagen’s coolant warning light blinks, it’s indicating an issue with the coolant system. They are not easy to see from above and you really should. Learn the top 5 reasons your volkswagen coolant warning light turned on. Park the vehicle on level ground. If you notice that your. Low Coolant Light Vw Tiguan.
From mechanicjackshaft.z14.web.core.windows.net
Low Engine Coolant Light Low Coolant Light Vw Tiguan Always let the engine cool down ⇒. In some cases, a software glitch or ecu failure could also be the culprit. Learn the top 5 reasons your volkswagen coolant warning light turned on. You should both check your water pumps and thermostat housings. They are not easy to see from above and you really should. If the coolant level drops. Low Coolant Light Vw Tiguan.
From www.lasfit.com
2018 2019 2020 Volkswagen Tiguan H7 LED Headlight Bulbs Exterior Inter Low Coolant Light Vw Tiguan You should both check your water pumps and thermostat housings. Park the vehicle on level ground. When your volkswagen’s coolant warning light blinks, it’s indicating an issue with the coolant system. Ignoring it could lead to overheating and potentially serious engine damage. This could be due to low coolant levels, a coolant leak, or a malfunctioning sensor. Loss of coolant. Low Coolant Light Vw Tiguan.
From www.blauparts.com
VW Coolant Spec Types G11 G12+ 12++ G13 VW Coolant Antifreeze Low Coolant Light Vw Tiguan If the coolant level drops too low, the engine coolant level/temperature warning light lights up. It could also indicate a blown head gasket. Loss of coolant in a vw tiguan can be caused by several factors, including a leak in the radiator, hoses, or water pump. You should both check your water pumps and thermostat housings. In some cases, a. Low Coolant Light Vw Tiguan.
From nemigaparts.com
Volkswagen Tiguan (2008 2011) coolant cooling system. > VAG ETKA Low Coolant Light Vw Tiguan Park the vehicle on level ground. If the coolant level drops too low, the engine coolant level/temperature warning light lights up. Always let the engine cool down ⇒. When your volkswagen’s coolant warning light blinks, it’s indicating an issue with the coolant system. It’s important to address this issue promptly to prevent further damage to the engine. Loss of coolant. Low Coolant Light Vw Tiguan.
From www.youtube.com
Checking the coolant levels VW YouTube Low Coolant Light Vw Tiguan Engine coolant level too low. Always let the engine cool down ⇒. When your volkswagen’s coolant warning light blinks, it’s indicating an issue with the coolant system. In some cases, a software glitch or ecu failure could also be the culprit. Loss of coolant in a vw tiguan can be caused by several factors, including a leak in the radiator,. Low Coolant Light Vw Tiguan.
From www.youtube.com
How to Use the Ambient Lighting Features Volkswagen Tiguan YouTube Low Coolant Light Vw Tiguan It could also indicate a blown head gasket. This could be due to low coolant levels, a coolant leak, or a malfunctioning sensor. Ignoring it could lead to overheating and potentially serious engine damage. Check the engine coolant level after the engine has cooled down and add engine coolant if low ⇒ checking engine coolant level and topping off. However,. Low Coolant Light Vw Tiguan.
From nemigaparts.com
Volkswagen Tiguan (2016 2017) coolant cooling system. > VAG ETKA Low Coolant Light Vw Tiguan Loss of coolant in a vw tiguan can be caused by several factors, including a leak in the radiator, hoses, or water pump. It could also indicate a blown head gasket. Park the vehicle on level ground. In some cases, a software glitch or ecu failure could also be the culprit. It’s important to address this issue promptly to prevent. Low Coolant Light Vw Tiguan.
From www.vw.co.id
Engine Cooling System Warning Light Red Volkswagen Indonesia Low Coolant Light Vw Tiguan Learn the top 5 reasons your volkswagen coolant warning light turned on. If the coolant level drops too low, the engine coolant level/temperature warning light lights up. You should both check your water pumps and thermostat housings. Ignoring it could lead to overheating and potentially serious engine damage. It’s important to address this issue promptly to prevent further damage to. Low Coolant Light Vw Tiguan.