Astro Van Door Lock Relay Location . Here you will find fuse box diagrams of chevrolet astro 1996, 1997, 1998, 1999, 2000, 2001, 2002, 2003, 2004 and 2005, get information about the. All of a sudden, i cant use the door lock\unlock buttons in my 2000 chevy astro van. The other, larger module is the door lock module. The third relay, the door lock delay. Check the connector to the door lock relay. There are two fuses associated with the door locks system. If it were my 89, that potter brumfield unit you're holding would be the door lock relay. Need location of power door lock relay on 2002. I have to manually lock and unlock If your door locks are not working and your cigarette lighter is. As far as i know, the door lock relay is behind the passenger side kick panel. I hit the door lock switch. This morning i unlocked my 99 with my oem key fob, but when i started the van the door locks actuated. If you have a liftgate there is another relay near the jack in.
from www.justanswer.com
Need location of power door lock relay on 2002. If your door locks are not working and your cigarette lighter is. If you have a liftgate there is another relay near the jack in. If it were my 89, that potter brumfield unit you're holding would be the door lock relay. As far as i know, the door lock relay is behind the passenger side kick panel. This morning i unlocked my 99 with my oem key fob, but when i started the van the door locks actuated. Here you will find fuse box diagrams of chevrolet astro 1996, 1997, 1998, 1999, 2000, 2001, 2002, 2003, 2004 and 2005, get information about the. I hit the door lock switch. I have to manually lock and unlock All of a sudden, i cant use the door lock\unlock buttons in my 2000 chevy astro van.
2000 astro van hatch lock does not work, actuator is good. i think its
Astro Van Door Lock Relay Location This morning i unlocked my 99 with my oem key fob, but when i started the van the door locks actuated. There are two fuses associated with the door locks system. All of a sudden, i cant use the door lock\unlock buttons in my 2000 chevy astro van. Here you will find fuse box diagrams of chevrolet astro 1996, 1997, 1998, 1999, 2000, 2001, 2002, 2003, 2004 and 2005, get information about the. If your door locks are not working and your cigarette lighter is. The third relay, the door lock delay. Check the connector to the door lock relay. Need location of power door lock relay on 2002. This morning i unlocked my 99 with my oem key fob, but when i started the van the door locks actuated. If you have a liftgate there is another relay near the jack in. If it were my 89, that potter brumfield unit you're holding would be the door lock relay. As far as i know, the door lock relay is behind the passenger side kick panel. The other, larger module is the door lock module. I hit the door lock switch. I have to manually lock and unlock
From www.autozone.com
Repair Guides Exterior Door Locks Astro Van Door Lock Relay Location I have to manually lock and unlock Need location of power door lock relay on 2002. If it were my 89, that potter brumfield unit you're holding would be the door lock relay. If your door locks are not working and your cigarette lighter is. If you have a liftgate there is another relay near the jack in. I hit. Astro Van Door Lock Relay Location.
From www.justanswer.com
GM Power Door Lock Wiring Diagram for 1999 Chevy Astro Van Astro Van Door Lock Relay Location All of a sudden, i cant use the door lock\unlock buttons in my 2000 chevy astro van. If it were my 89, that potter brumfield unit you're holding would be the door lock relay. I have to manually lock and unlock The third relay, the door lock delay. If your door locks are not working and your cigarette lighter is.. Astro Van Door Lock Relay Location.
From mydiagram.online
[DIAGRAM] 1989 Chevy Astro Van Wiring Diagram Astro Van Door Lock Relay Location Check the connector to the door lock relay. If you have a liftgate there is another relay near the jack in. The other, larger module is the door lock module. I have to manually lock and unlock The third relay, the door lock delay. I hit the door lock switch. If it were my 89, that potter brumfield unit you're. Astro Van Door Lock Relay Location.
From www.justanswer.com
2000 astro van hatch lock does not work, actuator is good. i think its Astro Van Door Lock Relay Location I have to manually lock and unlock If it were my 89, that potter brumfield unit you're holding would be the door lock relay. The third relay, the door lock delay. This morning i unlocked my 99 with my oem key fob, but when i started the van the door locks actuated. If you have a liftgate there is another. Astro Van Door Lock Relay Location.
From www.youtube.com
Astro Van Power Locks replacement YouTube Astro Van Door Lock Relay Location As far as i know, the door lock relay is behind the passenger side kick panel. If you have a liftgate there is another relay near the jack in. Need location of power door lock relay on 2002. If your door locks are not working and your cigarette lighter is. All of a sudden, i cant use the door lock\unlock. Astro Van Door Lock Relay Location.
From wiringdiagram.2bitboer.com
Wiring Diagram For 2000 Chevy Astro Van Wiring Diagram Astro Van Door Lock Relay Location Need location of power door lock relay on 2002. If your door locks are not working and your cigarette lighter is. There are two fuses associated with the door locks system. All of a sudden, i cant use the door lock\unlock buttons in my 2000 chevy astro van. If you have a liftgate there is another relay near the jack. Astro Van Door Lock Relay Location.
From www.justanswer.com
Q&A Chevy Astro Van Door Lock Problems Expert Solutions Astro Van Door Lock Relay Location If your door locks are not working and your cigarette lighter is. I hit the door lock switch. I have to manually lock and unlock If it were my 89, that potter brumfield unit you're holding would be the door lock relay. Need location of power door lock relay on 2002. If you have a liftgate there is another relay. Astro Van Door Lock Relay Location.
From www.justanswer.com
Need a wiring diagram for the power door locks on a 1999 chevy Astro Van Astro Van Door Lock Relay Location If it were my 89, that potter brumfield unit you're holding would be the door lock relay. This morning i unlocked my 99 with my oem key fob, but when i started the van the door locks actuated. Here you will find fuse box diagrams of chevrolet astro 1996, 1997, 1998, 1999, 2000, 2001, 2002, 2003, 2004 and 2005, get. Astro Van Door Lock Relay Location.
From www.2carpros.com
Power Door Lock Relay Location Where Is the Location of Door Lock... Astro Van Door Lock Relay Location All of a sudden, i cant use the door lock\unlock buttons in my 2000 chevy astro van. If you have a liftgate there is another relay near the jack in. Check the connector to the door lock relay. As far as i know, the door lock relay is behind the passenger side kick panel. The third relay, the door lock. Astro Van Door Lock Relay Location.
From mydiagram.online
[DIAGRAM] 1998 Chevy Astro Van Diagrams Astro Van Door Lock Relay Location Here you will find fuse box diagrams of chevrolet astro 1996, 1997, 1998, 1999, 2000, 2001, 2002, 2003, 2004 and 2005, get information about the. There are two fuses associated with the door locks system. All of a sudden, i cant use the door lock\unlock buttons in my 2000 chevy astro van. I have to manually lock and unlock The. Astro Van Door Lock Relay Location.
From www.justanswer.com
GM Power Door Lock Wiring Diagram for 1999 Chevy Astro Van Astro Van Door Lock Relay Location This morning i unlocked my 99 with my oem key fob, but when i started the van the door locks actuated. Here you will find fuse box diagrams of chevrolet astro 1996, 1997, 1998, 1999, 2000, 2001, 2002, 2003, 2004 and 2005, get information about the. Need location of power door lock relay on 2002. The third relay, the door. Astro Van Door Lock Relay Location.
From www.justanswer.com
Q&A Astro Van Sliding Door Parts & Chevy Astro Van Door Lock Problems Astro Van Door Lock Relay Location All of a sudden, i cant use the door lock\unlock buttons in my 2000 chevy astro van. This morning i unlocked my 99 with my oem key fob, but when i started the van the door locks actuated. Need location of power door lock relay on 2002. If your door locks are not working and your cigarette lighter is. Here. Astro Van Door Lock Relay Location.
From www.autopartskart.com
1995 Chevrolet Astro Door Lock Relay Astro Van Door Lock Relay Location All of a sudden, i cant use the door lock\unlock buttons in my 2000 chevy astro van. As far as i know, the door lock relay is behind the passenger side kick panel. Check the connector to the door lock relay. The third relay, the door lock delay. I hit the door lock switch. This morning i unlocked my 99. Astro Van Door Lock Relay Location.
From www.autozone.com
Repair Guides Exterior Door Locks Astro Van Door Lock Relay Location The other, larger module is the door lock module. There are two fuses associated with the door locks system. I hit the door lock switch. If you have a liftgate there is another relay near the jack in. All of a sudden, i cant use the door lock\unlock buttons in my 2000 chevy astro van. Need location of power door. Astro Van Door Lock Relay Location.
From www.youtube.com
Astro Van Fixing the Sliding Door, Fuel Panel and Door Locks Astro Van Door Lock Relay Location Need location of power door lock relay on 2002. If you have a liftgate there is another relay near the jack in. The other, larger module is the door lock module. As far as i know, the door lock relay is behind the passenger side kick panel. Check the connector to the door lock relay. If your door locks are. Astro Van Door Lock Relay Location.
From www.youtube.com
How To Replace Door Lock Actuator Chevy Astro Van Cheap DIY Fix YouTube Astro Van Door Lock Relay Location If your door locks are not working and your cigarette lighter is. The other, larger module is the door lock module. If it were my 89, that potter brumfield unit you're holding would be the door lock relay. I have to manually lock and unlock Need location of power door lock relay on 2002. There are two fuses associated with. Astro Van Door Lock Relay Location.
From manualenginegarrison.z13.web.core.windows.net
Door Lock Relay Diagram Astro Van Door Lock Relay Location This morning i unlocked my 99 with my oem key fob, but when i started the van the door locks actuated. Check the connector to the door lock relay. The other, larger module is the door lock module. If your door locks are not working and your cigarette lighter is. If you have a liftgate there is another relay near. Astro Van Door Lock Relay Location.
From www.youtube.com
Astro van sliding door latch removal & fix YouTube Astro Van Door Lock Relay Location The third relay, the door lock delay. Need location of power door lock relay on 2002. Check the connector to the door lock relay. This morning i unlocked my 99 with my oem key fob, but when i started the van the door locks actuated. I hit the door lock switch. I have to manually lock and unlock The other,. Astro Van Door Lock Relay Location.
From www.ebay.com
97 98 99 Chevrolet Astro Van Door Lock Control Module 16254825 OEM for Astro Van Door Lock Relay Location This morning i unlocked my 99 with my oem key fob, but when i started the van the door locks actuated. Here you will find fuse box diagrams of chevrolet astro 1996, 1997, 1998, 1999, 2000, 2001, 2002, 2003, 2004 and 2005, get information about the. If you have a liftgate there is another relay near the jack in. I. Astro Van Door Lock Relay Location.
From www.2carpros.com
Door Lock Relays Location Where Are the Door Lock Relays Located... Astro Van Door Lock Relay Location Need location of power door lock relay on 2002. There are two fuses associated with the door locks system. The other, larger module is the door lock module. If your door locks are not working and your cigarette lighter is. If you have a liftgate there is another relay near the jack in. The third relay, the door lock delay.. Astro Van Door Lock Relay Location.
From www.justanswer.com
1998 Astro Van. The passengerside door lock work manually but not with Astro Van Door Lock Relay Location The third relay, the door lock delay. I have to manually lock and unlock If your door locks are not working and your cigarette lighter is. The other, larger module is the door lock module. This morning i unlocked my 99 with my oem key fob, but when i started the van the door locks actuated. Need location of power. Astro Van Door Lock Relay Location.
From www.2carpros.com
Power Door Lock Relay Location Where Is the Location of Door Lock... Astro Van Door Lock Relay Location The third relay, the door lock delay. As far as i know, the door lock relay is behind the passenger side kick panel. I hit the door lock switch. If you have a liftgate there is another relay near the jack in. There are two fuses associated with the door locks system. Check the connector to the door lock relay.. Astro Van Door Lock Relay Location.
From www.youtube.com
Chevy Astro Van Power Door Lock Actuator Repair YouTube Astro Van Door Lock Relay Location I have to manually lock and unlock I hit the door lock switch. As far as i know, the door lock relay is behind the passenger side kick panel. If it were my 89, that potter brumfield unit you're holding would be the door lock relay. Here you will find fuse box diagrams of chevrolet astro 1996, 1997, 1998, 1999,. Astro Van Door Lock Relay Location.
From www.youtube.com
2000 Chevrolet Astro sliding door lock fix YouTube Astro Van Door Lock Relay Location The other, larger module is the door lock module. Check the connector to the door lock relay. As far as i know, the door lock relay is behind the passenger side kick panel. I hit the door lock switch. If you have a liftgate there is another relay near the jack in. The third relay, the door lock delay. All. Astro Van Door Lock Relay Location.
From portal-diagnostov.com
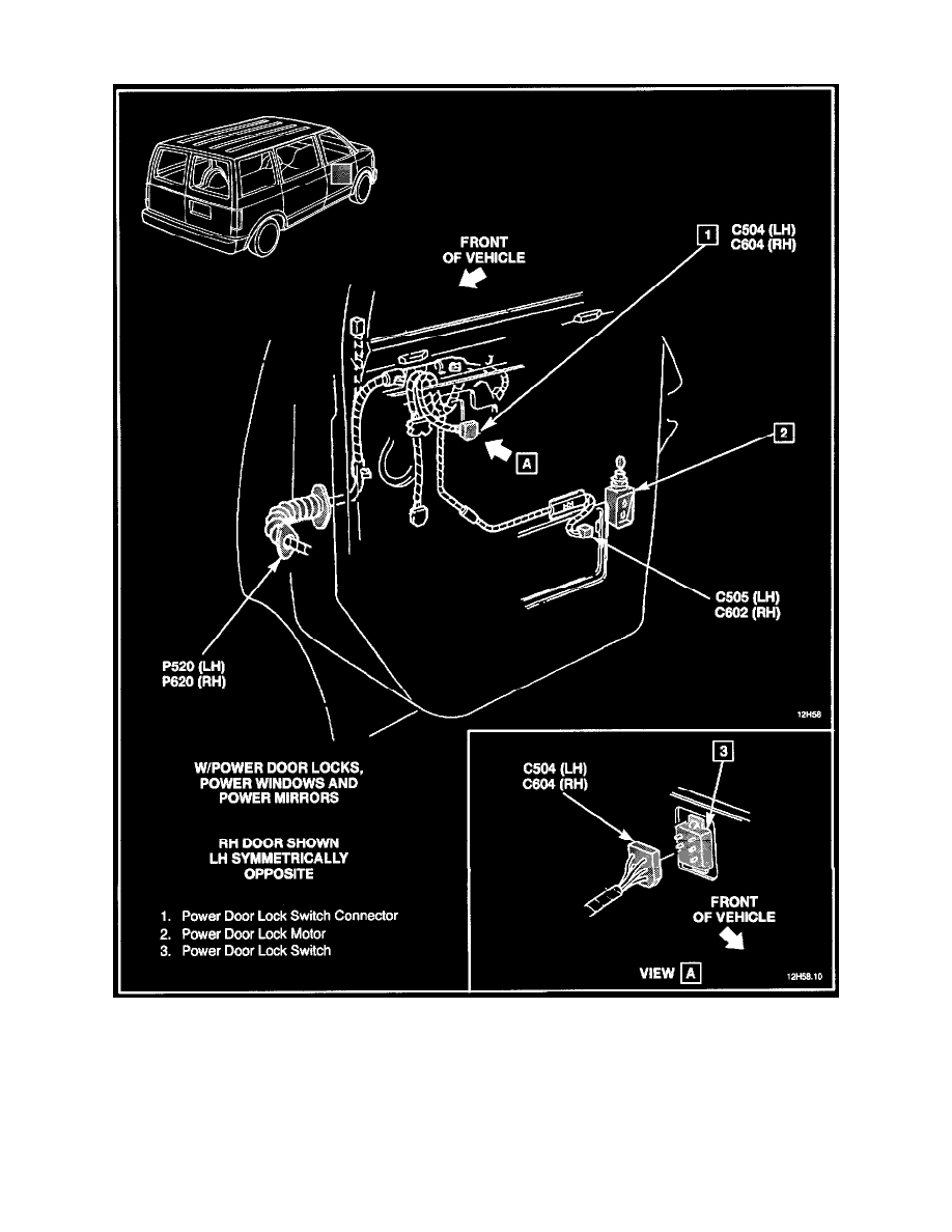
POWER DOOR LOCKS Chevrolet Astro 2002 SYSTEM WIRING DIAGRAMS Astro Van Door Lock Relay Location If it were my 89, that potter brumfield unit you're holding would be the door lock relay. All of a sudden, i cant use the door lock\unlock buttons in my 2000 chevy astro van. Here you will find fuse box diagrams of chevrolet astro 1996, 1997, 1998, 1999, 2000, 2001, 2002, 2003, 2004 and 2005, get information about the. This. Astro Van Door Lock Relay Location.
From www.circuitdiagram.co
Door Lock Wiring Diagram Relay Circuit Diagram Astro Van Door Lock Relay Location If your door locks are not working and your cigarette lighter is. Need location of power door lock relay on 2002. If it were my 89, that potter brumfield unit you're holding would be the door lock relay. I hit the door lock switch. The third relay, the door lock delay. Here you will find fuse box diagrams of chevrolet. Astro Van Door Lock Relay Location.
From workshop-manuals.com
Chevrolet Service and Repair Manuals > Astro Van L AWD V6262 Astro Van Door Lock Relay Location If your door locks are not working and your cigarette lighter is. There are two fuses associated with the door locks system. Check the connector to the door lock relay. Need location of power door lock relay on 2002. The other, larger module is the door lock module. If you have a liftgate there is another relay near the jack. Astro Van Door Lock Relay Location.
From mydiagram.online
[DIAGRAM] 5 Pin Relay Wiring Diagram Door Lock Astro Van Door Lock Relay Location As far as i know, the door lock relay is behind the passenger side kick panel. There are two fuses associated with the door locks system. The third relay, the door lock delay. If you have a liftgate there is another relay near the jack in. I have to manually lock and unlock I hit the door lock switch. All. Astro Van Door Lock Relay Location.
From www.youtube.com
Replace Power Door Lock Actuator Chevy Astro or GMC Safari Van YouTube Astro Van Door Lock Relay Location The other, larger module is the door lock module. Here you will find fuse box diagrams of chevrolet astro 1996, 1997, 1998, 1999, 2000, 2001, 2002, 2003, 2004 and 2005, get information about the. Check the connector to the door lock relay. If you have a liftgate there is another relay near the jack in. There are two fuses associated. Astro Van Door Lock Relay Location.
From wiringdiagram.2bitboer.com
1993 Chevy Astro Van Wiring Diagram Wiring Diagram Astro Van Door Lock Relay Location The other, larger module is the door lock module. If your door locks are not working and your cigarette lighter is. I hit the door lock switch. Check the connector to the door lock relay. As far as i know, the door lock relay is behind the passenger side kick panel. I have to manually lock and unlock All of. Astro Van Door Lock Relay Location.
From www.justanswer.com
Chevy Astro Van Door Lock Problems Q&A on Power Door Locks JustAnswer Astro Van Door Lock Relay Location As far as i know, the door lock relay is behind the passenger side kick panel. If it were my 89, that potter brumfield unit you're holding would be the door lock relay. If your door locks are not working and your cigarette lighter is. There are two fuses associated with the door locks system. Check the connector to the. Astro Van Door Lock Relay Location.
From www.justanswer.com
2000 astro van hatch lock does not work, actuator is good. i think its Astro Van Door Lock Relay Location This morning i unlocked my 99 with my oem key fob, but when i started the van the door locks actuated. Here you will find fuse box diagrams of chevrolet astro 1996, 1997, 1998, 1999, 2000, 2001, 2002, 2003, 2004 and 2005, get information about the. If you have a liftgate there is another relay near the jack in. I. Astro Van Door Lock Relay Location.
From www.justanswer.com
How do I replace the turn signal relay on a 2000 Chevy Astro Van? Astro Van Door Lock Relay Location I have to manually lock and unlock Need location of power door lock relay on 2002. This morning i unlocked my 99 with my oem key fob, but when i started the van the door locks actuated. The other, larger module is the door lock module. The third relay, the door lock delay. If your door locks are not working. Astro Van Door Lock Relay Location.
From www.2carpros.com
Door Lock Relays Location Where Are the Door Lock Relays Located... Astro Van Door Lock Relay Location If you have a liftgate there is another relay near the jack in. Need location of power door lock relay on 2002. If it were my 89, that potter brumfield unit you're holding would be the door lock relay. There are two fuses associated with the door locks system. The other, larger module is the door lock module. Here you. Astro Van Door Lock Relay Location.
From www.justanswer.com
Chevy Astro Van Door Lock Problems Q&A on Power Door Locks JustAnswer Astro Van Door Lock Relay Location If your door locks are not working and your cigarette lighter is. There are two fuses associated with the door locks system. If you have a liftgate there is another relay near the jack in. This morning i unlocked my 99 with my oem key fob, but when i started the van the door locks actuated. As far as i. Astro Van Door Lock Relay Location.