What Does The Oil Breather Do . If there is oil coming out of your breather tube, it does not automatically mean that there is a problem with your breather tube, and you have to replace your breather tube immediately. High flow air filter, a well designed manifold, etc. They come in different sizes and shapes. An oil breather system allows the pressure to escape. If this pressure isn’t efficiently dissipated, oil can leak from crank seals, gaskets, and dipstick tubes. A positive crankcase ventilation (pcv) system regulates the vacuum pull through its crankcase. An oil breather system allows this build up of pressure to escape. Once the vacuum gets higher than desired at idle,. What does an oil breather do? There is oil coming out of your breather tube if you have pressure in your crankcase. If this pressure is allowed to build up and is not vented efficiently it can. If this pressure is allowed to build up and is not vented efficiently it can result. I'm brushing up on my oil breather pressure. Good ‘engine breathing’ is usually associated with efficient intake systems e.g. However, efficient ‘crankcase breathing’ is an equally important.
from www.youtube.com
If this pressure isn’t efficiently dissipated, oil can leak from crank seals, gaskets, and dipstick tubes. What does an oil breather do? An oil breather system allows the build up of pressure in your crankcase to escape. There is oil coming out of your breather tube if you have pressure in your crankcase. They come in different sizes and shapes. A positive crankcase ventilation (pcv) system regulates the vacuum pull through its crankcase. If this pressure is allowed to build up and is not vented efficiently it can result. Once the vacuum gets higher than desired at idle,. However, efficient ‘crankcase breathing’ is an equally important. High flow air filter, a well designed manifold, etc.
Oil out of crankcase breather fix YouTube
What Does The Oil Breather Do Good ‘engine breathing’ is usually associated with efficient intake systems e.g. There is oil coming out of your breather tube if you have pressure in your crankcase. If this pressure is allowed to build up and is not vented efficiently it can result. If this pressure is allowed to build up and is not vented efficiently it can. High flow air filter, a well designed manifold, etc. I'm brushing up on my oil breather pressure. They come in different sizes and shapes. A positive crankcase ventilation (pcv) system regulates the vacuum pull through its crankcase. What does an oil breather do? Good ‘engine breathing’ is usually associated with efficient intake systems e.g. An oil breather system allows the build up of pressure in your crankcase to escape. If this pressure isn’t efficiently dissipated, oil can leak from crank seals, gaskets, and dipstick tubes. Once the vacuum gets higher than desired at idle,. An oil breather system allows the pressure to escape. To understand the operation of. If there is oil coming out of your breather tube, it does not automatically mean that there is a problem with your breather tube, and you have to replace your breather tube immediately.
From www.raceplumbing.net
Peterson Fluid 080450 Breather, ScrewOn to ClampOn, Weld What Does The Oil Breather Do To understand the operation of. I'm brushing up on my oil breather pressure. Once the vacuum gets higher than desired at idle,. There is oil coming out of your breather tube if you have pressure in your crankcase. If there is oil coming out of your breather tube, it does not automatically mean that there is a problem with your. What Does The Oil Breather Do.
From www.hdforums.com
Oil breather Page 2 Harley Davidson Forums What Does The Oil Breather Do If there is oil coming out of your breather tube, it does not automatically mean that there is a problem with your breather tube, and you have to replace your breather tube immediately. I'm brushing up on my oil breather pressure. An oil breather system allows the build up of pressure in your crankcase to escape. An oil breather system. What Does The Oil Breather Do.
From www.youtube.com
Part 1 Harley Breather Venting YouTube What Does The Oil Breather Do If this pressure is allowed to build up and is not vented efficiently it can result. An oil breather system allows this build up of pressure to escape. High flow air filter, a well designed manifold, etc. If this pressure isn’t efficiently dissipated, oil can leak from crank seals, gaskets, and dipstick tubes. A positive crankcase ventilation (pcv) system regulates. What Does The Oil Breather Do.
From www.yxztalk.com
Oil Breather Page 2 What Does The Oil Breather Do What does an oil breather do? If there is oil coming out of your breather tube, it does not automatically mean that there is a problem with your breather tube, and you have to replace your breather tube immediately. Good ‘engine breathing’ is usually associated with efficient intake systems e.g. If this pressure is allowed to build up and is. What Does The Oil Breather Do.
From hyperflowperformance.com
2150 SERIES OIL BREATHER TANKS 6AN INLET PLASTIC Hyperflow What Does The Oil Breather Do Good ‘engine breathing’ is usually associated with efficient intake systems e.g. If this pressure isn’t efficiently dissipated, oil can leak from crank seals, gaskets, and dipstick tubes. They come in different sizes and shapes. Once the vacuum gets higher than desired at idle,. An oil breather system allows this build up of pressure to escape. To understand the operation of.. What Does The Oil Breather Do.
From www.thedieselstop.com
Crank case breather filter Diesel Forum What Does The Oil Breather Do They come in different sizes and shapes. An oil breather system allows the build up of pressure in your crankcase to escape. Good ‘engine breathing’ is usually associated with efficient intake systems e.g. However, efficient ‘crankcase breathing’ is an equally important. If there is oil coming out of your breather tube, it does not automatically mean that there is a. What Does The Oil Breather Do.
From scgarageworks.com
SickSpeed Vented Oil Catch Can with Breather Filter SoCal Garage Works What Does The Oil Breather Do They come in different sizes and shapes. Once the vacuum gets higher than desired at idle,. An oil breather system allows the build up of pressure in your crankcase to escape. A positive crankcase ventilation (pcv) system regulates the vacuum pull through its crankcase. To understand the operation of. If this pressure is allowed to build up and is not. What Does The Oil Breather Do.
From mechdiesel.blogspot.com
Engine Crankcase Ventilation and Oil Breather (under Lubrication system What Does The Oil Breather Do Once the vacuum gets higher than desired at idle,. However, efficient ‘crankcase breathing’ is an equally important. If this pressure isn’t efficiently dissipated, oil can leak from crank seals, gaskets, and dipstick tubes. If there is oil coming out of your breather tube, it does not automatically mean that there is a problem with your breather tube, and you have. What Does The Oil Breather Do.
From www.yxztalk.com
Oil Breather Page 2 What Does The Oil Breather Do An oil breather system allows this build up of pressure to escape. Good ‘engine breathing’ is usually associated with efficient intake systems e.g. They come in different sizes and shapes. To understand the operation of. A positive crankcase ventilation (pcv) system regulates the vacuum pull through its crankcase. If this pressure is allowed to build up and is not vented. What Does The Oil Breather Do.
From www.cherokeeforum.com
Transfer Case breather hose location? Jeep Cherokee Forum What Does The Oil Breather Do Good ‘engine breathing’ is usually associated with efficient intake systems e.g. A positive crankcase ventilation (pcv) system regulates the vacuum pull through its crankcase. If this pressure is allowed to build up and is not vented efficiently it can result. Once the vacuum gets higher than desired at idle,. High flow air filter, a well designed manifold, etc. I'm brushing. What Does The Oil Breather Do.
From www.alfaowner.com
Oil breather pipes Alfa Romeo Forum What Does The Oil Breather Do I'm brushing up on my oil breather pressure. Once the vacuum gets higher than desired at idle,. However, efficient ‘crankcase breathing’ is an equally important. If there is oil coming out of your breather tube, it does not automatically mean that there is a problem with your breather tube, and you have to replace your breather tube immediately. There is. What Does The Oil Breather Do.
From www.youtube.com
Oil out of crankcase breather fix YouTube What Does The Oil Breather Do High flow air filter, a well designed manifold, etc. An oil breather system allows this build up of pressure to escape. If this pressure is allowed to build up and is not vented efficiently it can result. An oil breather system allows the pressure to escape. To understand the operation of. They come in different sizes and shapes. Good ‘engine. What Does The Oil Breather Do.
From www.youtube.com
UPR CRANKCASE BREATHER INSTALL!! **MORE POWER??** YouTube What Does The Oil Breather Do There is oil coming out of your breather tube if you have pressure in your crankcase. If this pressure isn’t efficiently dissipated, oil can leak from crank seals, gaskets, and dipstick tubes. An oil breather system allows the build up of pressure in your crankcase to escape. Once the vacuum gets higher than desired at idle,. If there is oil. What Does The Oil Breather Do.
From www.accessnorton.com
Breathers Page 3 Access Norton What Does The Oil Breather Do Good ‘engine breathing’ is usually associated with efficient intake systems e.g. What does an oil breather do? Once the vacuum gets higher than desired at idle,. If this pressure isn’t efficiently dissipated, oil can leak from crank seals, gaskets, and dipstick tubes. If this pressure is allowed to build up and is not vented efficiently it can. I'm brushing up. What Does The Oil Breather Do.
From marketplace.secondlife.com
Second Life Marketplace Oil Breather What Does The Oil Breather Do However, efficient ‘crankcase breathing’ is an equally important. Once the vacuum gets higher than desired at idle,. If there is oil coming out of your breather tube, it does not automatically mean that there is a problem with your breather tube, and you have to replace your breather tube immediately. I'm brushing up on my oil breather pressure. An oil. What Does The Oil Breather Do.
From ore-keiba.com
Peterson Fluid Systems 080450 1Way Vacuum Breather Filters Breathers What Does The Oil Breather Do However, efficient ‘crankcase breathing’ is an equally important. There is oil coming out of your breather tube if you have pressure in your crankcase. An oil breather system allows this build up of pressure to escape. An oil breather system allows the build up of pressure in your crankcase to escape. An oil breather system allows the pressure to escape.. What Does The Oil Breather Do.
From www.pro-touring.com
Installed a Catch Can/Oil Breather... What Does The Oil Breather Do Good ‘engine breathing’ is usually associated with efficient intake systems e.g. If there is oil coming out of your breather tube, it does not automatically mean that there is a problem with your breather tube, and you have to replace your breather tube immediately. A positive crankcase ventilation (pcv) system regulates the vacuum pull through its crankcase. If this pressure. What Does The Oil Breather Do.
From www.youtube.com
VW Oil Breather Kit Install YouTube What Does The Oil Breather Do If this pressure isn’t efficiently dissipated, oil can leak from crank seals, gaskets, and dipstick tubes. Once the vacuum gets higher than desired at idle,. An oil breather system allows the build up of pressure in your crankcase to escape. I'm brushing up on my oil breather pressure. Good ‘engine breathing’ is usually associated with efficient intake systems e.g. If. What Does The Oil Breather Do.
From exoglvbin.blob.core.windows.net
Oil Crankcase Breather at Laura Armstrong blog What Does The Oil Breather Do If this pressure is allowed to build up and is not vented efficiently it can. I'm brushing up on my oil breather pressure. If this pressure isn’t efficiently dissipated, oil can leak from crank seals, gaskets, and dipstick tubes. If there is oil coming out of your breather tube, it does not automatically mean that there is a problem with. What Does The Oil Breather Do.
From www.4wdingaustralia.com
Diff Breathers; why you should fit them to your 4WD What Does The Oil Breather Do However, efficient ‘crankcase breathing’ is an equally important. Good ‘engine breathing’ is usually associated with efficient intake systems e.g. To understand the operation of. What does an oil breather do? If there is oil coming out of your breather tube, it does not automatically mean that there is a problem with your breather tube, and you have to replace your. What Does The Oil Breather Do.
From www.bmwmotorcycletech.info
BMW Airhead motorcycle Oiling and Breather Systems What Does The Oil Breather Do An oil breather system allows the pressure to escape. What does an oil breather do? However, efficient ‘crankcase breathing’ is an equally important. If there is oil coming out of your breather tube, it does not automatically mean that there is a problem with your breather tube, and you have to replace your breather tube immediately. If this pressure is. What Does The Oil Breather Do.
From joilzsyhx.blob.core.windows.net
What Is The Purpose Of A Crankcase Breather System at Lacey Lujan blog What Does The Oil Breather Do If there is oil coming out of your breather tube, it does not automatically mean that there is a problem with your breather tube, and you have to replace your breather tube immediately. There is oil coming out of your breather tube if you have pressure in your crankcase. An oil breather system allows this build up of pressure to. What Does The Oil Breather Do.
From www.youtube.com
Valve Cover Breathers with No Welding Required... Hook up a PCV Catch What Does The Oil Breather Do To understand the operation of. There is oil coming out of your breather tube if you have pressure in your crankcase. If this pressure is allowed to build up and is not vented efficiently it can result. If this pressure is allowed to build up and is not vented efficiently it can. Once the vacuum gets higher than desired at. What Does The Oil Breather Do.
From www.hdforums.com
Rate my external breather Harley Davidson Forums What Does The Oil Breather Do An oil breather system allows this build up of pressure to escape. Once the vacuum gets higher than desired at idle,. I'm brushing up on my oil breather pressure. They come in different sizes and shapes. If this pressure isn’t efficiently dissipated, oil can leak from crank seals, gaskets, and dipstick tubes. High flow air filter, a well designed manifold,. What Does The Oil Breather Do.
From www.youtube.com
What happens when Engine breather pipe is blocked ? YouTube What Does The Oil Breather Do An oil breather system allows this build up of pressure to escape. What does an oil breather do? Good ‘engine breathing’ is usually associated with efficient intake systems e.g. They come in different sizes and shapes. If there is oil coming out of your breather tube, it does not automatically mean that there is a problem with your breather tube,. What Does The Oil Breather Do.
From ats1.co.za
BREATHER HOSE TAPPET COVER Auto Trade Supplies What Does The Oil Breather Do Once the vacuum gets higher than desired at idle,. If this pressure isn’t efficiently dissipated, oil can leak from crank seals, gaskets, and dipstick tubes. An oil breather system allows the pressure to escape. Good ‘engine breathing’ is usually associated with efficient intake systems e.g. There is oil coming out of your breather tube if you have pressure in your. What Does The Oil Breather Do.
From www.youtube.com
HOW TO FIX OIL LEAK FROM CRANKCASE BREATHER YouTube What Does The Oil Breather Do I'm brushing up on my oil breather pressure. However, efficient ‘crankcase breathing’ is an equally important. An oil breather system allows the build up of pressure in your crankcase to escape. Good ‘engine breathing’ is usually associated with efficient intake systems e.g. If this pressure is allowed to build up and is not vented efficiently it can result. There is. What Does The Oil Breather Do.
From inthegaragemedia.com
LET IT BREATHE What Does The Oil Breather Do If this pressure is allowed to build up and is not vented efficiently it can. However, efficient ‘crankcase breathing’ is an equally important. What does an oil breather do? If this pressure isn’t efficiently dissipated, oil can leak from crank seals, gaskets, and dipstick tubes. An oil breather system allows this build up of pressure to escape. There is oil. What Does The Oil Breather Do.
From www.youtube.com
Rerouting a Crankcase Breather Tube YouTube What Does The Oil Breather Do If there is oil coming out of your breather tube, it does not automatically mean that there is a problem with your breather tube, and you have to replace your breather tube immediately. However, efficient ‘crankcase breathing’ is an equally important. They come in different sizes and shapes. An oil breather system allows the build up of pressure in your. What Does The Oil Breather Do.
From olivarriafixengineplap.z21.web.core.windows.net
Pcv Valve Ford Focus What Does The Oil Breather Do If this pressure isn’t efficiently dissipated, oil can leak from crank seals, gaskets, and dipstick tubes. They come in different sizes and shapes. I'm brushing up on my oil breather pressure. However, efficient ‘crankcase breathing’ is an equally important. High flow air filter, a well designed manifold, etc. What does an oil breather do? If there is oil coming out. What Does The Oil Breather Do.
From www.topspeedautomotive.com
Oil Breather Cap 31078 by GATES American Car Parts What Does The Oil Breather Do A positive crankcase ventilation (pcv) system regulates the vacuum pull through its crankcase. If this pressure is allowed to build up and is not vented efficiently it can result. They come in different sizes and shapes. What does an oil breather do? An oil breather system allows the pressure to escape. An oil breather system allows this build up of. What Does The Oil Breather Do.
From www.youtube.com
External oil breather. To do or not to do harley roadking YouTube What Does The Oil Breather Do Once the vacuum gets higher than desired at idle,. If this pressure is allowed to build up and is not vented efficiently it can result. An oil breather system allows the pressure to escape. If there is oil coming out of your breather tube, it does not automatically mean that there is a problem with your breather tube, and you. What Does The Oil Breather Do.
From www.mini2.com
Oil out of the valve cover breather hose Page 2 MINI Cooper Forum What Does The Oil Breather Do However, efficient ‘crankcase breathing’ is an equally important. An oil breather system allows the build up of pressure in your crankcase to escape. If this pressure isn’t efficiently dissipated, oil can leak from crank seals, gaskets, and dipstick tubes. If there is oil coming out of your breather tube, it does not automatically mean that there is a problem with. What Does The Oil Breather Do.
From www.youtube.com
RAM 5.7 HEMI BREATHER TUBE DELETE AND FILTER INSTALL!! YouTube What Does The Oil Breather Do They come in different sizes and shapes. If this pressure isn’t efficiently dissipated, oil can leak from crank seals, gaskets, and dipstick tubes. High flow air filter, a well designed manifold, etc. There is oil coming out of your breather tube if you have pressure in your crankcase. If this pressure is allowed to build up and is not vented. What Does The Oil Breather Do.
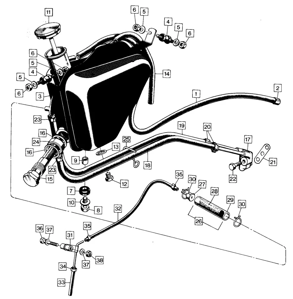
From www.vintagebikebuilder.com
Triumph Breather Diagrams THE VINTAGE BIKE BUILDER What Does The Oil Breather Do If this pressure is allowed to build up and is not vented efficiently it can. Good ‘engine breathing’ is usually associated with efficient intake systems e.g. Once the vacuum gets higher than desired at idle,. If there is oil coming out of your breather tube, it does not automatically mean that there is a problem with your breather tube, and. What Does The Oil Breather Do.