Yanmar 3Gm30F Fuel Injection Pump . Because i had a bit trouble with this. View all catalogue items for 3gm30f at yanmar shop. view detailed interactive schematics and parts lists for fig 43. the wrong fuel could also cause the fuel injection pump and injector to fail due to lack of proper lubrication. yanmar 3gm marine diesel engine parts. view all catalogue items for 3gm30 at yanmar shop. As an authorized yanmar dealer, we carry a great selection of genuine parts for. Fuel injection pump at yanmar shop. View all catalogue items for 3gm30 at yanmar shop. We have 5 yanmar 3gm30f manuals available for free pdf download:. view all catalogue items for 3gm30f at yanmar shop. manuals and user guides for yanmar 3gm30f. Be sure to check that.
from www.dam-marine.com
view detailed interactive schematics and parts lists for fig 43. view all catalogue items for 3gm30 at yanmar shop. Fuel injection pump at yanmar shop. view all catalogue items for 3gm30f at yanmar shop. View all catalogue items for 3gm30f at yanmar shop. Because i had a bit trouble with this. As an authorized yanmar dealer, we carry a great selection of genuine parts for. yanmar 3gm marine diesel engine parts. manuals and user guides for yanmar 3gm30f. the wrong fuel could also cause the fuel injection pump and injector to fail due to lack of proper lubrication.
Yanmar 3GM30/3GM30F Fuel injection pump DAM Marine
Yanmar 3Gm30F Fuel Injection Pump view detailed interactive schematics and parts lists for fig 43. view all catalogue items for 3gm30f at yanmar shop. view all catalogue items for 3gm30 at yanmar shop. the wrong fuel could also cause the fuel injection pump and injector to fail due to lack of proper lubrication. Because i had a bit trouble with this. View all catalogue items for 3gm30f at yanmar shop. Fuel injection pump at yanmar shop. Be sure to check that. As an authorized yanmar dealer, we carry a great selection of genuine parts for. manuals and user guides for yanmar 3gm30f. yanmar 3gm marine diesel engine parts. View all catalogue items for 3gm30 at yanmar shop. view detailed interactive schematics and parts lists for fig 43. We have 5 yanmar 3gm30f manuals available for free pdf download:.
From www.youtube.com
Fuel Lift Pump Feed Pump 12930152020 for Yanmar 2GM20 3GM30 2GM20F Yanmar 3Gm30F Fuel Injection Pump View all catalogue items for 3gm30 at yanmar shop. manuals and user guides for yanmar 3gm30f. Fuel injection pump at yanmar shop. As an authorized yanmar dealer, we carry a great selection of genuine parts for. View all catalogue items for 3gm30f at yanmar shop. view detailed interactive schematics and parts lists for fig 43. the wrong. Yanmar 3Gm30F Fuel Injection Pump.
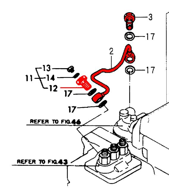
From techschematic.com
Understanding the Yanmar Injection Pump Diagram A Comprehensive Guide Yanmar 3Gm30F Fuel Injection Pump yanmar 3gm marine diesel engine parts. We have 5 yanmar 3gm30f manuals available for free pdf download:. Because i had a bit trouble with this. view all catalogue items for 3gm30f at yanmar shop. the wrong fuel could also cause the fuel injection pump and injector to fail due to lack of proper lubrication. View all catalogue. Yanmar 3Gm30F Fuel Injection Pump.
From www.ebay.co.uk
YANMAR 3GM30 3GM30F MARINE DIESEL ENGINE FUEL LINE fuel filter to Yanmar 3Gm30F Fuel Injection Pump Fuel injection pump at yanmar shop. View all catalogue items for 3gm30 at yanmar shop. Be sure to check that. As an authorized yanmar dealer, we carry a great selection of genuine parts for. view all catalogue items for 3gm30f at yanmar shop. manuals and user guides for yanmar 3gm30f. view detailed interactive schematics and parts lists. Yanmar 3Gm30F Fuel Injection Pump.
From maiaaboard.blogspot.com
Ceilydh Set Sail Yanmar 3GM30F Fuel Injection Pump removal a boring Yanmar 3Gm30F Fuel Injection Pump view all catalogue items for 3gm30f at yanmar shop. view all catalogue items for 3gm30 at yanmar shop. View all catalogue items for 3gm30f at yanmar shop. Fuel injection pump at yanmar shop. the wrong fuel could also cause the fuel injection pump and injector to fail due to lack of proper lubrication. We have 5 yanmar. Yanmar 3Gm30F Fuel Injection Pump.
From www.ebay.com
Yanmar Genuine Fuel Lift Feed Pump 12930152020 For 2GM20 3GM30 3HM35 Yanmar 3Gm30F Fuel Injection Pump view detailed interactive schematics and parts lists for fig 43. yanmar 3gm marine diesel engine parts. View all catalogue items for 3gm30 at yanmar shop. Be sure to check that. As an authorized yanmar dealer, we carry a great selection of genuine parts for. Fuel injection pump at yanmar shop. We have 5 yanmar 3gm30f manuals available for. Yanmar 3Gm30F Fuel Injection Pump.
From www.ebay.com
Yanmar 3GM30 3GM30F Injection Pump 3 Cylinder Marine Diesel Engine Oem Yanmar 3Gm30F Fuel Injection Pump manuals and user guides for yanmar 3gm30f. Fuel injection pump at yanmar shop. View all catalogue items for 3gm30 at yanmar shop. We have 5 yanmar 3gm30f manuals available for free pdf download:. Be sure to check that. As an authorized yanmar dealer, we carry a great selection of genuine parts for. view all catalogue items for 3gm30f. Yanmar 3Gm30F Fuel Injection Pump.
From www.dam-marine.com
Yanmar 3GM30/3GM30F Fuel injection line DAM Marine Yanmar 3Gm30F Fuel Injection Pump yanmar 3gm marine diesel engine parts. We have 5 yanmar 3gm30f manuals available for free pdf download:. view all catalogue items for 3gm30 at yanmar shop. view all catalogue items for 3gm30f at yanmar shop. manuals and user guides for yanmar 3gm30f. View all catalogue items for 3gm30f at yanmar shop. View all catalogue items for. Yanmar 3Gm30F Fuel Injection Pump.
From wirelistmercifies.z14.web.core.windows.net
Yanmar 3 Cylinder Injection Pump Yanmar 3Gm30F Fuel Injection Pump Because i had a bit trouble with this. Be sure to check that. view all catalogue items for 3gm30f at yanmar shop. view all catalogue items for 3gm30 at yanmar shop. We have 5 yanmar 3gm30f manuals available for free pdf download:. view detailed interactive schematics and parts lists for fig 43. yanmar 3gm marine diesel. Yanmar 3Gm30F Fuel Injection Pump.
From www.rddiesels.com
12930152020 Yanmar genuine Fuel lift pump Feed pump 2GM20 3GM30 Yanmar 3Gm30F Fuel Injection Pump manuals and user guides for yanmar 3gm30f. view detailed interactive schematics and parts lists for fig 43. View all catalogue items for 3gm30f at yanmar shop. view all catalogue items for 3gm30f at yanmar shop. yanmar 3gm marine diesel engine parts. Fuel injection pump at yanmar shop. View all catalogue items for 3gm30 at yanmar shop.. Yanmar 3Gm30F Fuel Injection Pump.
From green.dps.uminho.pt
Ceilydh Set Sail Yanmar 3GM30F Fuel Injection Pump Removal, 55 OFF Yanmar 3Gm30F Fuel Injection Pump Because i had a bit trouble with this. View all catalogue items for 3gm30 at yanmar shop. yanmar 3gm marine diesel engine parts. view detailed interactive schematics and parts lists for fig 43. manuals and user guides for yanmar 3gm30f. Fuel injection pump at yanmar shop. We have 5 yanmar 3gm30f manuals available for free pdf download:.. Yanmar 3Gm30F Fuel Injection Pump.
From www.ebay.co.uk
Fuel Lift Pump For Yanmar 3GM30CYEU 3GM30FYEU 3GM30FCYEU 3HM35 Yanmar 3Gm30F Fuel Injection Pump As an authorized yanmar dealer, we carry a great selection of genuine parts for. view all catalogue items for 3gm30 at yanmar shop. View all catalogue items for 3gm30f at yanmar shop. yanmar 3gm marine diesel engine parts. Fuel injection pump at yanmar shop. Be sure to check that. manuals and user guides for yanmar 3gm30f. View. Yanmar 3Gm30F Fuel Injection Pump.
From www.fridayparts.com
Fuel Lift Pump Feed Pump 12930152020 for Yanmar 2GM20 3GM30 2GM20F Yanmar 3Gm30F Fuel Injection Pump view all catalogue items for 3gm30f at yanmar shop. view detailed interactive schematics and parts lists for fig 43. Be sure to check that. the wrong fuel could also cause the fuel injection pump and injector to fail due to lack of proper lubrication. manuals and user guides for yanmar 3gm30f. view all catalogue items. Yanmar 3Gm30F Fuel Injection Pump.
From www.windward.solutions
Yanmar 3gm30f parts Yanmar 3Gm30F Fuel Injection Pump view detailed interactive schematics and parts lists for fig 43. the wrong fuel could also cause the fuel injection pump and injector to fail due to lack of proper lubrication. Be sure to check that. Fuel injection pump at yanmar shop. manuals and user guides for yanmar 3gm30f. View all catalogue items for 3gm30 at yanmar shop.. Yanmar 3Gm30F Fuel Injection Pump.
From techschematic.com
Understanding the Yanmar Injection Pump Diagram A Comprehensive Guide Yanmar 3Gm30F Fuel Injection Pump Be sure to check that. Because i had a bit trouble with this. View all catalogue items for 3gm30f at yanmar shop. View all catalogue items for 3gm30 at yanmar shop. Fuel injection pump at yanmar shop. view all catalogue items for 3gm30 at yanmar shop. view detailed interactive schematics and parts lists for fig 43. yanmar. Yanmar 3Gm30F Fuel Injection Pump.
From www.ebay.com
Yanmar 3GM30 3GM30F Injection Pump 3 Cylinder Marine Diesel Engine Oem Yanmar 3Gm30F Fuel Injection Pump view all catalogue items for 3gm30f at yanmar shop. As an authorized yanmar dealer, we carry a great selection of genuine parts for. yanmar 3gm marine diesel engine parts. Be sure to check that. We have 5 yanmar 3gm30f manuals available for free pdf download:. view all catalogue items for 3gm30 at yanmar shop. View all catalogue. Yanmar 3Gm30F Fuel Injection Pump.
From www.buymachineryparts.com
Fuel Lift Pump Feed Pump 12930152020 for Yanmar 2GM20 3GM30 2GM20F 3G Yanmar 3Gm30F Fuel Injection Pump View all catalogue items for 3gm30f at yanmar shop. manuals and user guides for yanmar 3gm30f. View all catalogue items for 3gm30 at yanmar shop. the wrong fuel could also cause the fuel injection pump and injector to fail due to lack of proper lubrication. Because i had a bit trouble with this. view all catalogue items. Yanmar 3Gm30F Fuel Injection Pump.
From www.dam-marine.com
Yanmar 3GM30/3GM30F Fuel injection line DAM Marine Yanmar 3Gm30F Fuel Injection Pump Because i had a bit trouble with this. We have 5 yanmar 3gm30f manuals available for free pdf download:. Be sure to check that. view detailed interactive schematics and parts lists for fig 43. yanmar 3gm marine diesel engine parts. manuals and user guides for yanmar 3gm30f. the wrong fuel could also cause the fuel injection. Yanmar 3Gm30F Fuel Injection Pump.
From www.dam-marine.com
Yanmar 3GM30/3GM30F Fuel injection pump DAM Marine Yanmar 3Gm30F Fuel Injection Pump We have 5 yanmar 3gm30f manuals available for free pdf download:. view all catalogue items for 3gm30f at yanmar shop. View all catalogue items for 3gm30 at yanmar shop. the wrong fuel could also cause the fuel injection pump and injector to fail due to lack of proper lubrication. manuals and user guides for yanmar 3gm30f. Fuel. Yanmar 3Gm30F Fuel Injection Pump.
From forums.sailboatowners.com
Yanmar 3GM30F Injection Pump sensitivity Help? Sailboat Owners Forums Yanmar 3Gm30F Fuel Injection Pump view all catalogue items for 3gm30f at yanmar shop. As an authorized yanmar dealer, we carry a great selection of genuine parts for. View all catalogue items for 3gm30 at yanmar shop. Be sure to check that. yanmar 3gm marine diesel engine parts. Fuel injection pump at yanmar shop. view detailed interactive schematics and parts lists for. Yanmar 3Gm30F Fuel Injection Pump.
From forums.sailboatowners.com
Yanmar 3GM30F Injection Pump sensitivity Help? Sailboat Owners Forums Yanmar 3Gm30F Fuel Injection Pump Fuel injection pump at yanmar shop. the wrong fuel could also cause the fuel injection pump and injector to fail due to lack of proper lubrication. As an authorized yanmar dealer, we carry a great selection of genuine parts for. view all catalogue items for 3gm30 at yanmar shop. manuals and user guides for yanmar 3gm30f. View. Yanmar 3Gm30F Fuel Injection Pump.
From www.ebay.com
Yanmar 3GM30 3GM30F Injection Pump 3 Cylinder Marine Diesel Engine Oem Yanmar 3Gm30F Fuel Injection Pump the wrong fuel could also cause the fuel injection pump and injector to fail due to lack of proper lubrication. We have 5 yanmar 3gm30f manuals available for free pdf download:. Because i had a bit trouble with this. View all catalogue items for 3gm30 at yanmar shop. Fuel injection pump at yanmar shop. view all catalogue items. Yanmar 3Gm30F Fuel Injection Pump.
From www.ebay.co.uk
YANMAR 3GM30 3GM30F MARINE DIESEL ENGINE FUEL LINE fuel filter to Yanmar 3Gm30F Fuel Injection Pump As an authorized yanmar dealer, we carry a great selection of genuine parts for. Because i had a bit trouble with this. We have 5 yanmar 3gm30f manuals available for free pdf download:. the wrong fuel could also cause the fuel injection pump and injector to fail due to lack of proper lubrication. view detailed interactive schematics and. Yanmar 3Gm30F Fuel Injection Pump.
From www.fridayparts.com
Fuel Lift Pump Feed Pump 12930152020 for Yanmar 2GM20 3GM30 2GM20F Yanmar 3Gm30F Fuel Injection Pump view detailed interactive schematics and parts lists for fig 43. View all catalogue items for 3gm30 at yanmar shop. We have 5 yanmar 3gm30f manuals available for free pdf download:. Fuel injection pump at yanmar shop. Because i had a bit trouble with this. Be sure to check that. view all catalogue items for 3gm30f at yanmar shop.. Yanmar 3Gm30F Fuel Injection Pump.
From www.youtube.com
Yanmar 3GM30F 24hp Marine Diesel Engine YouTube Yanmar 3Gm30F Fuel Injection Pump view all catalogue items for 3gm30 at yanmar shop. As an authorized yanmar dealer, we carry a great selection of genuine parts for. manuals and user guides for yanmar 3gm30f. View all catalogue items for 3gm30f at yanmar shop. Fuel injection pump at yanmar shop. Be sure to check that. We have 5 yanmar 3gm30f manuals available for. Yanmar 3Gm30F Fuel Injection Pump.
From mungfali.com
Yanmar Injection Pump Diagram Yanmar 3Gm30F Fuel Injection Pump As an authorized yanmar dealer, we carry a great selection of genuine parts for. view detailed interactive schematics and parts lists for fig 43. Because i had a bit trouble with this. Be sure to check that. View all catalogue items for 3gm30f at yanmar shop. view all catalogue items for 3gm30 at yanmar shop. Fuel injection pump. Yanmar 3Gm30F Fuel Injection Pump.
From www.gzwasonspareparts.com
Yanmar 2GM20 3GM30 2GM20F 3GM30F Engine 3D75 3D84 Fuel Injection Pump Yanmar 3Gm30F Fuel Injection Pump view all catalogue items for 3gm30 at yanmar shop. Because i had a bit trouble with this. Be sure to check that. view all catalogue items for 3gm30f at yanmar shop. We have 5 yanmar 3gm30f manuals available for free pdf download:. Fuel injection pump at yanmar shop. yanmar 3gm marine diesel engine parts. View all catalogue. Yanmar 3Gm30F Fuel Injection Pump.
From www.mikrora.com
Ceilydh Set Sail Yanmar 3gm30f Fuel Injection Pump Removal Best Yanmar 3Gm30F Fuel Injection Pump View all catalogue items for 3gm30 at yanmar shop. view detailed interactive schematics and parts lists for fig 43. view all catalogue items for 3gm30 at yanmar shop. As an authorized yanmar dealer, we carry a great selection of genuine parts for. view all catalogue items for 3gm30f at yanmar shop. Be sure to check that. View. Yanmar 3Gm30F Fuel Injection Pump.
From www.fridayparts.com
Fuel Lift Pump Feed Pump 12930152020 for Yanmar 2GM20 3GM30 2GM20F Yanmar 3Gm30F Fuel Injection Pump Fuel injection pump at yanmar shop. view all catalogue items for 3gm30f at yanmar shop. the wrong fuel could also cause the fuel injection pump and injector to fail due to lack of proper lubrication. view all catalogue items for 3gm30 at yanmar shop. view detailed interactive schematics and parts lists for fig 43. yanmar. Yanmar 3Gm30F Fuel Injection Pump.
From maiaaboard.blogspot.com
Ceilydh Set Sail Yanmar 3GM30F Fuel Injection Pump removal a boring Yanmar 3Gm30F Fuel Injection Pump As an authorized yanmar dealer, we carry a great selection of genuine parts for. View all catalogue items for 3gm30f at yanmar shop. view detailed interactive schematics and parts lists for fig 43. Fuel injection pump at yanmar shop. Be sure to check that. Because i had a bit trouble with this. We have 5 yanmar 3gm30f manuals available. Yanmar 3Gm30F Fuel Injection Pump.
From au.fridayparts.com
Fuel Lift Pump Feed Pump 12930152020 for Yanmar 2GM20 3GM30 2GM20F Yanmar 3Gm30F Fuel Injection Pump View all catalogue items for 3gm30f at yanmar shop. Be sure to check that. view all catalogue items for 3gm30 at yanmar shop. Because i had a bit trouble with this. yanmar 3gm marine diesel engine parts. We have 5 yanmar 3gm30f manuals available for free pdf download:. view all catalogue items for 3gm30f at yanmar shop.. Yanmar 3Gm30F Fuel Injection Pump.
From www.ebay.com
Yanmar 3GM30 3GM30F Injection Pump 3 Cylinder Marine Diesel Engine Oem Yanmar 3Gm30F Fuel Injection Pump manuals and user guides for yanmar 3gm30f. View all catalogue items for 3gm30 at yanmar shop. Be sure to check that. We have 5 yanmar 3gm30f manuals available for free pdf download:. Because i had a bit trouble with this. yanmar 3gm marine diesel engine parts. view detailed interactive schematics and parts lists for fig 43. . Yanmar 3Gm30F Fuel Injection Pump.
From massmarineparts.com
Yanmar 3GM30F Circulating Pump D24 Yanmar 3Gm30F Fuel Injection Pump manuals and user guides for yanmar 3gm30f. We have 5 yanmar 3gm30f manuals available for free pdf download:. View all catalogue items for 3gm30f at yanmar shop. Because i had a bit trouble with this. view detailed interactive schematics and parts lists for fig 43. Be sure to check that. yanmar 3gm marine diesel engine parts. . Yanmar 3Gm30F Fuel Injection Pump.
From green.dps.uminho.pt
Ceilydh Set Sail Yanmar 3GM30F Fuel Injection Pump Removal, 55 OFF Yanmar 3Gm30F Fuel Injection Pump As an authorized yanmar dealer, we carry a great selection of genuine parts for. yanmar 3gm marine diesel engine parts. View all catalogue items for 3gm30f at yanmar shop. view all catalogue items for 3gm30f at yanmar shop. the wrong fuel could also cause the fuel injection pump and injector to fail due to lack of proper. Yanmar 3Gm30F Fuel Injection Pump.
From forums.sailboatowners.com
Yanmar 3GM30F Injection Pump sensitivity Help? Sailboat Owners Forums Yanmar 3Gm30F Fuel Injection Pump Fuel injection pump at yanmar shop. Because i had a bit trouble with this. view all catalogue items for 3gm30 at yanmar shop. manuals and user guides for yanmar 3gm30f. As an authorized yanmar dealer, we carry a great selection of genuine parts for. view detailed interactive schematics and parts lists for fig 43. view all. Yanmar 3Gm30F Fuel Injection Pump.
From maiaaboard.blogspot.com
Ceilydh Set Sail Yanmar 3GM30F Fuel Injection Pump removal a boring Yanmar 3Gm30F Fuel Injection Pump We have 5 yanmar 3gm30f manuals available for free pdf download:. view all catalogue items for 3gm30 at yanmar shop. As an authorized yanmar dealer, we carry a great selection of genuine parts for. Be sure to check that. View all catalogue items for 3gm30f at yanmar shop. view detailed interactive schematics and parts lists for fig 43.. Yanmar 3Gm30F Fuel Injection Pump.