Rp2040 Hardware Design Guide . This is not a guide for absolute beginners. This new book helps you design and manufacture your own rp2040 boards. Create a schematic, layout the pcb, and send it off to be. This minimal design example is intended to demonstrate how you can get started with your own rp2040 based pcb designs. Hardware design for the rp2040. Using rp2040 microcontrollers to build boards and products This guide requires you to have prerequisite knowledge about pcb design and a little about the rp2040. Using rp2040 microcontrollers to build boards and products
from www.youtube.com
Create a schematic, layout the pcb, and send it off to be. This is not a guide for absolute beginners. Using rp2040 microcontrollers to build boards and products Using rp2040 microcontrollers to build boards and products This minimal design example is intended to demonstrate how you can get started with your own rp2040 based pcb designs. Hardware design for the rp2040. This new book helps you design and manufacture your own rp2040 boards. This guide requires you to have prerequisite knowledge about pcb design and a little about the rp2040.
Hardware Design with the RP2040 Custom PCB Based on the Raspberry Pi
Rp2040 Hardware Design Guide Using rp2040 microcontrollers to build boards and products Using rp2040 microcontrollers to build boards and products Create a schematic, layout the pcb, and send it off to be. This new book helps you design and manufacture your own rp2040 boards. This minimal design example is intended to demonstrate how you can get started with your own rp2040 based pcb designs. This is not a guide for absolute beginners. This guide requires you to have prerequisite knowledge about pcb design and a little about the rp2040. Hardware design for the rp2040. Using rp2040 microcontrollers to build boards and products
From pcbartists.com
RP2040 PCB Design PCB Artists Rp2040 Hardware Design Guide This is not a guide for absolute beginners. This minimal design example is intended to demonstrate how you can get started with your own rp2040 based pcb designs. Using rp2040 microcontrollers to build boards and products Hardware design for the rp2040. This new book helps you design and manufacture your own rp2040 boards. Create a schematic, layout the pcb, and. Rp2040 Hardware Design Guide.
From pcbartists.com
RP2040 PCB Design PCB Artists Rp2040 Hardware Design Guide Using rp2040 microcontrollers to build boards and products This minimal design example is intended to demonstrate how you can get started with your own rp2040 based pcb designs. Hardware design for the rp2040. Using rp2040 microcontrollers to build boards and products This guide requires you to have prerequisite knowledge about pcb design and a little about the rp2040. This is. Rp2040 Hardware Design Guide.
From www.osborneee.com
RP2040 Microcontroller PCB Design Made Easy Rp2040 Hardware Design Guide Using rp2040 microcontrollers to build boards and products Hardware design for the rp2040. Create a schematic, layout the pcb, and send it off to be. This new book helps you design and manufacture your own rp2040 boards. This is not a guide for absolute beginners. This guide requires you to have prerequisite knowledge about pcb design and a little about. Rp2040 Hardware Design Guide.
From circuitstate.com
MITAYI Pico RP2040 r0.5 OpenSource Microcontroller Development Board Rp2040 Hardware Design Guide This is not a guide for absolute beginners. Using rp2040 microcontrollers to build boards and products Create a schematic, layout the pcb, and send it off to be. This minimal design example is intended to demonstrate how you can get started with your own rp2040 based pcb designs. Hardware design for the rp2040. Using rp2040 microcontrollers to build boards and. Rp2040 Hardware Design Guide.
From www.openhardware.io
Anna2040 RP2040 Unoshaped board OpenHardware.io Enables Open Rp2040 Hardware Design Guide Using rp2040 microcontrollers to build boards and products Using rp2040 microcontrollers to build boards and products This new book helps you design and manufacture your own rp2040 boards. This minimal design example is intended to demonstrate how you can get started with your own rp2040 based pcb designs. Create a schematic, layout the pcb, and send it off to be.. Rp2040 Hardware Design Guide.
From www.youtube.com
Raspberry Pi RP2040 Hardware Design Altium Designer JLCPCB Phil's Rp2040 Hardware Design Guide Hardware design for the rp2040. Create a schematic, layout the pcb, and send it off to be. This is not a guide for absolute beginners. Using rp2040 microcontrollers to build boards and products Using rp2040 microcontrollers to build boards and products This guide requires you to have prerequisite knowledge about pcb design and a little about the rp2040. This minimal. Rp2040 Hardware Design Guide.
From www.youtube.com
PCB design for Arduino Nano RP2040 Wireless RGB Pixels (NeoPixels Rp2040 Hardware Design Guide This guide requires you to have prerequisite knowledge about pcb design and a little about the rp2040. Create a schematic, layout the pcb, and send it off to be. This new book helps you design and manufacture your own rp2040 boards. This minimal design example is intended to demonstrate how you can get started with your own rp2040 based pcb. Rp2040 Hardware Design Guide.
From www.scribd.com
Hardware Design With rp2040 PDF Capacitor Printed Circuit Board Rp2040 Hardware Design Guide This new book helps you design and manufacture your own rp2040 boards. Using rp2040 microcontrollers to build boards and products This minimal design example is intended to demonstrate how you can get started with your own rp2040 based pcb designs. This guide requires you to have prerequisite knowledge about pcb design and a little about the rp2040. Using rp2040 microcontrollers. Rp2040 Hardware Design Guide.
From www.tomshardware.com
Best RP2040 Boards 2024 Tom's Hardware Rp2040 Hardware Design Guide Using rp2040 microcontrollers to build boards and products This new book helps you design and manufacture your own rp2040 boards. This minimal design example is intended to demonstrate how you can get started with your own rp2040 based pcb designs. This guide requires you to have prerequisite knowledge about pcb design and a little about the rp2040. Create a schematic,. Rp2040 Hardware Design Guide.
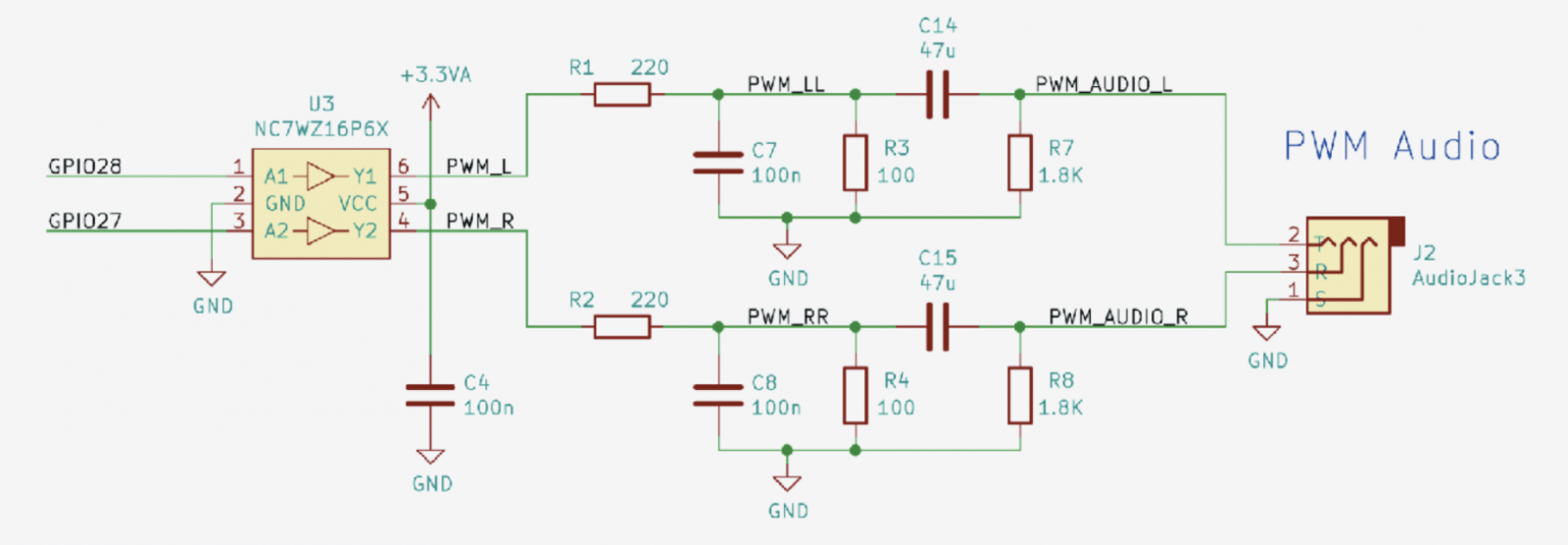
From embeddedcomputing.com
Raspberry Pi Pico PWM Audio Output Circuit Embedded Computing Design Rp2040 Hardware Design Guide Using rp2040 microcontrollers to build boards and products Hardware design for the rp2040. Create a schematic, layout the pcb, and send it off to be. This is not a guide for absolute beginners. Using rp2040 microcontrollers to build boards and products This guide requires you to have prerequisite knowledge about pcb design and a little about the rp2040. This minimal. Rp2040 Hardware Design Guide.
From learn.sparkfun.com
RP2040 Thing Plus Hookup Guide SparkFun Learn Rp2040 Hardware Design Guide This minimal design example is intended to demonstrate how you can get started with your own rp2040 based pcb designs. This is not a guide for absolute beginners. Using rp2040 microcontrollers to build boards and products This new book helps you design and manufacture your own rp2040 boards. This guide requires you to have prerequisite knowledge about pcb design and. Rp2040 Hardware Design Guide.
From www.raspberrypi.com
Buy a RP2040 Raspberry Pi Rp2040 Hardware Design Guide This minimal design example is intended to demonstrate how you can get started with your own rp2040 based pcb designs. Using rp2040 microcontrollers to build boards and products Hardware design for the rp2040. Create a schematic, layout the pcb, and send it off to be. This new book helps you design and manufacture your own rp2040 boards. Using rp2040 microcontrollers. Rp2040 Hardware Design Guide.
From sg.cytron.io
Getting Started Guide with Maker Uno RP2040 (CircuitPython) Rp2040 Hardware Design Guide Create a schematic, layout the pcb, and send it off to be. Using rp2040 microcontrollers to build boards and products This minimal design example is intended to demonstrate how you can get started with your own rp2040 based pcb designs. This new book helps you design and manufacture your own rp2040 boards. Using rp2040 microcontrollers to build boards and products. Rp2040 Hardware Design Guide.
From www.elecrow.com
The Top 5 RP2040 Boards in 2023 Rp2040 Hardware Design Guide Using rp2040 microcontrollers to build boards and products This new book helps you design and manufacture your own rp2040 boards. Create a schematic, layout the pcb, and send it off to be. This minimal design example is intended to demonstrate how you can get started with your own rp2040 based pcb designs. This guide requires you to have prerequisite knowledge. Rp2040 Hardware Design Guide.
From learn.adafruit.com
Overview Using QMK on RP2040 Microcontrollers Adafruit Learning System Rp2040 Hardware Design Guide Using rp2040 microcontrollers to build boards and products This guide requires you to have prerequisite knowledge about pcb design and a little about the rp2040. This new book helps you design and manufacture your own rp2040 boards. Hardware design for the rp2040. Using rp2040 microcontrollers to build boards and products This minimal design example is intended to demonstrate how you. Rp2040 Hardware Design Guide.
From shop.pimoroni.com
RP2040 Stamp Carrier Rp2040 Hardware Design Guide This is not a guide for absolute beginners. This guide requires you to have prerequisite knowledge about pcb design and a little about the rp2040. This new book helps you design and manufacture your own rp2040 boards. Create a schematic, layout the pcb, and send it off to be. Using rp2040 microcontrollers to build boards and products This minimal design. Rp2040 Hardware Design Guide.
From embeddedcomputing.com
Design and Build Your Own Custom RP2040 Dev Board Embedded Computing Rp2040 Hardware Design Guide This minimal design example is intended to demonstrate how you can get started with your own rp2040 based pcb designs. This guide requires you to have prerequisite knowledge about pcb design and a little about the rp2040. This new book helps you design and manufacture your own rp2040 boards. This is not a guide for absolute beginners. Using rp2040 microcontrollers. Rp2040 Hardware Design Guide.
From circuitstate.com
RP2040 and Pico All New Microcontroller and Development Board from Rp2040 Hardware Design Guide This guide requires you to have prerequisite knowledge about pcb design and a little about the rp2040. Using rp2040 microcontrollers to build boards and products This is not a guide for absolute beginners. This new book helps you design and manufacture your own rp2040 boards. Create a schematic, layout the pcb, and send it off to be. Hardware design for. Rp2040 Hardware Design Guide.
From embeddedcomputing.com
Design and Build Your Own Custom RP2040 Dev Board Embedded Computing Rp2040 Hardware Design Guide This minimal design example is intended to demonstrate how you can get started with your own rp2040 based pcb designs. Create a schematic, layout the pcb, and send it off to be. Using rp2040 microcontrollers to build boards and products This is not a guide for absolute beginners. Hardware design for the rp2040. Using rp2040 microcontrollers to build boards and. Rp2040 Hardware Design Guide.
From www.technoblogy.com
Technoblogy Minimal RP2040 Board Rp2040 Hardware Design Guide Using rp2040 microcontrollers to build boards and products Using rp2040 microcontrollers to build boards and products Hardware design for the rp2040. This minimal design example is intended to demonstrate how you can get started with your own rp2040 based pcb designs. This new book helps you design and manufacture your own rp2040 boards. This is not a guide for absolute. Rp2040 Hardware Design Guide.
From rc2014.co.uk
RP2040 VGA Terminal « RC2014 Rp2040 Hardware Design Guide Using rp2040 microcontrollers to build boards and products This minimal design example is intended to demonstrate how you can get started with your own rp2040 based pcb designs. Create a schematic, layout the pcb, and send it off to be. This guide requires you to have prerequisite knowledge about pcb design and a little about the rp2040. This is not. Rp2040 Hardware Design Guide.
From blog.330ohms.com
Diseño de hardware con el RP2040 330ohms Rp2040 Hardware Design Guide Using rp2040 microcontrollers to build boards and products This new book helps you design and manufacture your own rp2040 boards. This minimal design example is intended to demonstrate how you can get started with your own rp2040 based pcb designs. This is not a guide for absolute beginners. Hardware design for the rp2040. Create a schematic, layout the pcb, and. Rp2040 Hardware Design Guide.
From www.arm.com
Raspberry Pi RP2040 Our Microcontroller for the Masses Arm Blueprint Rp2040 Hardware Design Guide Hardware design for the rp2040. This guide requires you to have prerequisite knowledge about pcb design and a little about the rp2040. This new book helps you design and manufacture your own rp2040 boards. This is not a guide for absolute beginners. Create a schematic, layout the pcb, and send it off to be. Using rp2040 microcontrollers to build boards. Rp2040 Hardware Design Guide.
From www.reddit.com
Schematic/PCB Review RP2040 development board r/PrintedCircuitBoard Rp2040 Hardware Design Guide Using rp2040 microcontrollers to build boards and products This new book helps you design and manufacture your own rp2040 boards. This minimal design example is intended to demonstrate how you can get started with your own rp2040 based pcb designs. This is not a guide for absolute beginners. Create a schematic, layout the pcb, and send it off to be.. Rp2040 Hardware Design Guide.
From shop.pimoroni.com
RP2040 Stamp Rp2040 Hardware Design Guide This is not a guide for absolute beginners. Using rp2040 microcontrollers to build boards and products This new book helps you design and manufacture your own rp2040 boards. This minimal design example is intended to demonstrate how you can get started with your own rp2040 based pcb designs. This guide requires you to have prerequisite knowledge about pcb design and. Rp2040 Hardware Design Guide.
From www.youtube.com
Hardware Design with the RP2040 Custom PCB Based on the Raspberry Pi Rp2040 Hardware Design Guide Using rp2040 microcontrollers to build boards and products This is not a guide for absolute beginners. Create a schematic, layout the pcb, and send it off to be. Hardware design for the rp2040. This minimal design example is intended to demonstrate how you can get started with your own rp2040 based pcb designs. Using rp2040 microcontrollers to build boards and. Rp2040 Hardware Design Guide.
From pcbartists.com
RP2040 PCB Design PCB Artists Rp2040 Hardware Design Guide This minimal design example is intended to demonstrate how you can get started with your own rp2040 based pcb designs. This is not a guide for absolute beginners. Using rp2040 microcontrollers to build boards and products This new book helps you design and manufacture your own rp2040 boards. Using rp2040 microcontrollers to build boards and products This guide requires you. Rp2040 Hardware Design Guide.
From circuitstate.com
Getting Started with Raspberry Pi Pico RP2040 Microcontroller Board Rp2040 Hardware Design Guide This is not a guide for absolute beginners. Using rp2040 microcontrollers to build boards and products Create a schematic, layout the pcb, and send it off to be. This minimal design example is intended to demonstrate how you can get started with your own rp2040 based pcb designs. This guide requires you to have prerequisite knowledge about pcb design and. Rp2040 Hardware Design Guide.
From oshwlab.com
rp2040 basic rev b EasyEDA open source hardware lab Rp2040 Hardware Design Guide Using rp2040 microcontrollers to build boards and products This new book helps you design and manufacture your own rp2040 boards. This minimal design example is intended to demonstrate how you can get started with your own rp2040 based pcb designs. Hardware design for the rp2040. This guide requires you to have prerequisite knowledge about pcb design and a little about. Rp2040 Hardware Design Guide.
From oshwlab.com
RP2040 Advanced Breakout Board EasyEDA open source hardware lab Rp2040 Hardware Design Guide Using rp2040 microcontrollers to build boards and products This guide requires you to have prerequisite knowledge about pcb design and a little about the rp2040. This is not a guide for absolute beginners. Hardware design for the rp2040. Using rp2040 microcontrollers to build boards and products This minimal design example is intended to demonstrate how you can get started with. Rp2040 Hardware Design Guide.
From github.com
GitHub Wa1tee/RP2040_kicad6_reference My reference design on Rp2040 Hardware Design Guide Using rp2040 microcontrollers to build boards and products This is not a guide for absolute beginners. This guide requires you to have prerequisite knowledge about pcb design and a little about the rp2040. This minimal design example is intended to demonstrate how you can get started with your own rp2040 based pcb designs. This new book helps you design and. Rp2040 Hardware Design Guide.
From oshwlab.com
RP2040 Minimal Design Example REV2 EasyEDA open source hardware lab Rp2040 Hardware Design Guide This is not a guide for absolute beginners. This new book helps you design and manufacture your own rp2040 boards. Using rp2040 microcontrollers to build boards and products Using rp2040 microcontrollers to build boards and products This minimal design example is intended to demonstrate how you can get started with your own rp2040 based pcb designs. Create a schematic, layout. Rp2040 Hardware Design Guide.
From www.youtube.com
RP2040 Minimal Board Schematic YouTube Rp2040 Hardware Design Guide This minimal design example is intended to demonstrate how you can get started with your own rp2040 based pcb designs. This new book helps you design and manufacture your own rp2040 boards. Using rp2040 microcontrollers to build boards and products Hardware design for the rp2040. This is not a guide for absolute beginners. Create a schematic, layout the pcb, and. Rp2040 Hardware Design Guide.
From www.osborneee.com
RP2040 Microcontroller PCB Design Made Easy Rp2040 Hardware Design Guide This is not a guide for absolute beginners. Using rp2040 microcontrollers to build boards and products Hardware design for the rp2040. Using rp2040 microcontrollers to build boards and products This guide requires you to have prerequisite knowledge about pcb design and a little about the rp2040. This minimal design example is intended to demonstrate how you can get started with. Rp2040 Hardware Design Guide.
From www.youtube.com
KiCad RP2040 Module Carrier Board Design Phil's Lab 29 YouTube Rp2040 Hardware Design Guide Using rp2040 microcontrollers to build boards and products Using rp2040 microcontrollers to build boards and products Hardware design for the rp2040. This guide requires you to have prerequisite knowledge about pcb design and a little about the rp2040. This minimal design example is intended to demonstrate how you can get started with your own rp2040 based pcb designs. This new. Rp2040 Hardware Design Guide.