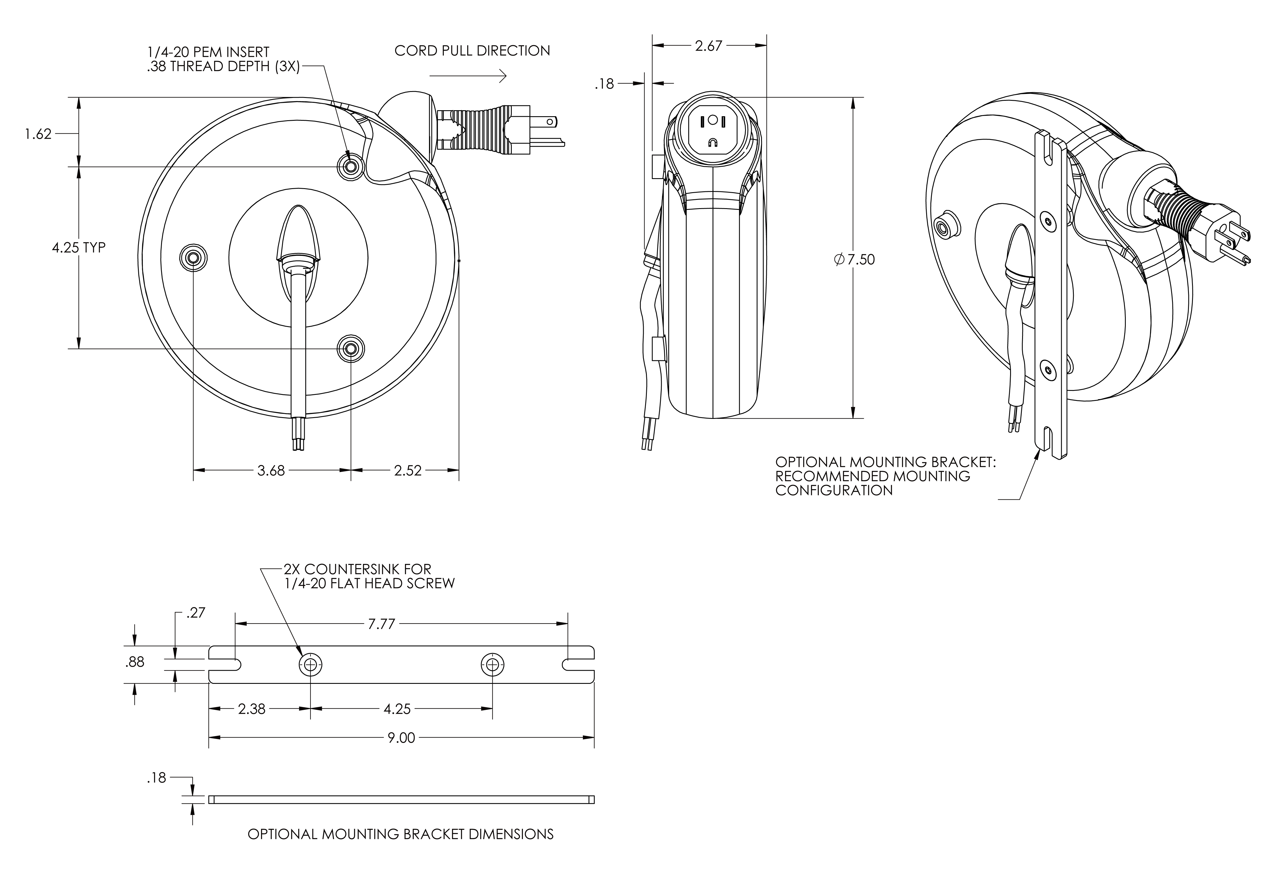
Cord Reel Detail . cord reel construction. cord reels are devices that hold extension cords that are used to supply power to electrical equipment or devices located far from. operation of the reel and prolong cord life. Inreachtm industrial & weatherproof cord reels. Refer to page 6 for dimensional drawings. Hubbell’s redesigned inreachtm industrial and. They have broad applications across. a cord reel is a handy device designed to manage, store, and protect various types of cords, wires, or cables. *cord type designation shows all combinations of cord types that may be used, only ul approved cord types will be used. Cord reels are composed of three basic components — the frame and drum, the collector ring and brush assembly, and the reel drive system. The frame is the supporting member for the reel drum and is
from www.uline.ca
Refer to page 6 for dimensional drawings. Hubbell’s redesigned inreachtm industrial and. Inreachtm industrial & weatherproof cord reels. *cord type designation shows all combinations of cord types that may be used, only ul approved cord types will be used. The frame is the supporting member for the reel drum and is cord reel construction. operation of the reel and prolong cord life. They have broad applications across. a cord reel is a handy device designed to manage, store, and protect various types of cords, wires, or cables. Cord reels are composed of three basic components — the frame and drum, the collector ring and brush assembly, and the reel drive system.
Industrial Cord Reel 15A, Single Outlet H7121 Uline
Cord Reel Detail They have broad applications across. The frame is the supporting member for the reel drum and is a cord reel is a handy device designed to manage, store, and protect various types of cords, wires, or cables. Inreachtm industrial & weatherproof cord reels. cord reels are devices that hold extension cords that are used to supply power to electrical equipment or devices located far from. Hubbell’s redesigned inreachtm industrial and. *cord type designation shows all combinations of cord types that may be used, only ul approved cord types will be used. They have broad applications across. operation of the reel and prolong cord life. cord reel construction. Refer to page 6 for dimensional drawings. Cord reels are composed of three basic components — the frame and drum, the collector ring and brush assembly, and the reel drive system.
From www.iqsdirectory.com
Cord Reels Types, Configurations, Selection, and Requirements Cord Reel Detail cord reel construction. operation of the reel and prolong cord life. a cord reel is a handy device designed to manage, store, and protect various types of cords, wires, or cables. They have broad applications across. Inreachtm industrial & weatherproof cord reels. Cord reels are composed of three basic components — the frame and drum, the collector. Cord Reel Detail.
From www.hunterspringandreel.com
Medical Grade Power Cord 7.5in reel, 10ft cable (DuraReel) Cord Reel Detail Hubbell’s redesigned inreachtm industrial and. Cord reels are composed of three basic components — the frame and drum, the collector ring and brush assembly, and the reel drive system. They have broad applications across. a cord reel is a handy device designed to manage, store, and protect various types of cords, wires, or cables. operation of the reel. Cord Reel Detail.
From khindustries.com
Heavy Duty Cord Reels & NEMA Rated Industrial Retractable Cord Reels Cord Reel Detail a cord reel is a handy device designed to manage, store, and protect various types of cords, wires, or cables. Hubbell’s redesigned inreachtm industrial and. Cord reels are composed of three basic components — the frame and drum, the collector ring and brush assembly, and the reel drive system. *cord type designation shows all combinations of cord types. Cord Reel Detail.
From www.putproductreviews.com
Top 10 Best Extension Cord Reels in 2023 Reviews Guide Cord Reel Detail Refer to page 6 for dimensional drawings. Cord reels are composed of three basic components — the frame and drum, the collector ring and brush assembly, and the reel drive system. They have broad applications across. operation of the reel and prolong cord life. Inreachtm industrial & weatherproof cord reels. cord reels are devices that hold extension cords. Cord Reel Detail.
From www.alibaba.com
Power Cord Reel Cord Management Hold Up 100ft 10/3 Gauge Wire Heavy Cord Reel Detail Inreachtm industrial & weatherproof cord reels. Refer to page 6 for dimensional drawings. They have broad applications across. cord reels are devices that hold extension cords that are used to supply power to electrical equipment or devices located far from. The frame is the supporting member for the reel drum and is *cord type designation shows all combinations. Cord Reel Detail.
From www.viewpure.com
美しい コードリール 100V(ソフトンVCT・30M) HATAYA ハタヤコードリール BR301 ハタヤ BR301KX KL型 Cord Reel Detail Inreachtm industrial & weatherproof cord reels. They have broad applications across. cord reel construction. cord reels are devices that hold extension cords that are used to supply power to electrical equipment or devices located far from. Refer to page 6 for dimensional drawings. operation of the reel and prolong cord life. Hubbell’s redesigned inreachtm industrial and. The. Cord Reel Detail.
From www.kohnan-eshop.com
屋内用コードリール D-20C2 工具ホームセンターコーナンの通販サイト Cord Reel Detail *cord type designation shows all combinations of cord types that may be used, only ul approved cord types will be used. Cord reels are composed of three basic components — the frame and drum, the collector ring and brush assembly, and the reel drive system. a cord reel is a handy device designed to manage, store, and protect. Cord Reel Detail.
From th.misumi-ec.com
Cord Reel, SinglePhase, with 100 V Breaker, Wire Length (m) 10 Cord Reel Detail Refer to page 6 for dimensional drawings. They have broad applications across. *cord type designation shows all combinations of cord types that may be used, only ul approved cord types will be used. operation of the reel and prolong cord life. cord reel construction. a cord reel is a handy device designed to manage, store, and. Cord Reel Detail.
From kirimaja.garuda-indonesia.com
ハタヤ 三相200V型コードリール AP202 20mコードリール Cord Reel Detail They have broad applications across. The frame is the supporting member for the reel drum and is cord reel construction. *cord type designation shows all combinations of cord types that may be used, only ul approved cord types will be used. cord reels are devices that hold extension cords that are used to supply power to electrical. Cord Reel Detail.
From khindustries.com
Retractable Cord Reel, RTA Series Heavy Duty Industrial, Retractable Cord Reel Detail Hubbell’s redesigned inreachtm industrial and. The frame is the supporting member for the reel drum and is They have broad applications across. *cord type designation shows all combinations of cord types that may be used, only ul approved cord types will be used. cord reels are devices that hold extension cords that are used to supply power to. Cord Reel Detail.
From www.uline.ca
Industrial Cord Reel 15A, Single Outlet H7121 Uline Cord Reel Detail The frame is the supporting member for the reel drum and is *cord type designation shows all combinations of cord types that may be used, only ul approved cord types will be used. cord reel construction. They have broad applications across. Hubbell’s redesigned inreachtm industrial and. Inreachtm industrial & weatherproof cord reels. operation of the reel and. Cord Reel Detail.
From aucview.aucfan.com
ハタヤ HATAYA 屋外用防雨型 漏電遮断機付温度センサー付レインボーリール 30m 100V型 2P2個口コンセント SBE30KC Cord Reel Detail a cord reel is a handy device designed to manage, store, and protect various types of cords, wires, or cables. operation of the reel and prolong cord life. Inreachtm industrial & weatherproof cord reels. The frame is the supporting member for the reel drum and is cord reel construction. Refer to page 6 for dimensional drawings. Hubbell’s. Cord Reel Detail.
From www.for-you.co.jp
ハタヤ(HATAYA) コードリール サンデーレインボーリール30m 屋外用防雨型 (SS30のブラック塗装) HATAYAxGranGe Cord Reel Detail a cord reel is a handy device designed to manage, store, and protect various types of cords, wires, or cables. Inreachtm industrial & weatherproof cord reels. The frame is the supporting member for the reel drum and is Hubbell’s redesigned inreachtm industrial and. *cord type designation shows all combinations of cord types that may be used, only ul. Cord Reel Detail.
From www.easygetproduct.com
Top 10 Best Extension Cord Reels in 2021 Reviews Last Update Cord Reel Detail They have broad applications across. cord reel construction. *cord type designation shows all combinations of cord types that may be used, only ul approved cord types will be used. operation of the reel and prolong cord life. cord reels are devices that hold extension cords that are used to supply power to electrical equipment or devices. Cord Reel Detail.
From www.northerntool.com
Ironton Retractable Cord Reel with Triple Tap — 65ft., 12/3 SJT, 15 Cord Reel Detail Hubbell’s redesigned inreachtm industrial and. Inreachtm industrial & weatherproof cord reels. a cord reel is a handy device designed to manage, store, and protect various types of cords, wires, or cables. Refer to page 6 for dimensional drawings. Cord reels are composed of three basic components — the frame and drum, the collector ring and brush assembly, and the. Cord Reel Detail.
From www.iqsdirectory.com
Cord Reels Types, Configurations, Selection, and Requirements Cord Reel Detail Refer to page 6 for dimensional drawings. cord reel construction. The frame is the supporting member for the reel drum and is Inreachtm industrial & weatherproof cord reels. a cord reel is a handy device designed to manage, store, and protect various types of cords, wires, or cables. *cord type designation shows all combinations of cord types. Cord Reel Detail.
From www.larsonelectronics.com
Larson Electronics Industrial Cord Reel 50 Foot 12/3 SOW Cord 600 Cord Reel Detail *cord type designation shows all combinations of cord types that may be used, only ul approved cord types will be used. Hubbell’s redesigned inreachtm industrial and. Refer to page 6 for dimensional drawings. cord reels are devices that hold extension cords that are used to supply power to electrical equipment or devices located far from. a cord. Cord Reel Detail.
From kirimaja.garuda-indonesia.com
AP302 (株)ハタヤリミテッド ハタヤ 三相200V型コードリール 30m AP302 HD店 kirimaja.garuda Cord Reel Detail Refer to page 6 for dimensional drawings. cord reel construction. Inreachtm industrial & weatherproof cord reels. *cord type designation shows all combinations of cord types that may be used, only ul approved cord types will be used. The frame is the supporting member for the reel drum and is operation of the reel and prolong cord life.. Cord Reel Detail.
From www.northerntool.com
Ironton Retractable Cord Reel — 30Ft., 16/3, Triple Tap Northern Cord Reel Detail Inreachtm industrial & weatherproof cord reels. a cord reel is a handy device designed to manage, store, and protect various types of cords, wires, or cables. They have broad applications across. Refer to page 6 for dimensional drawings. cord reels are devices that hold extension cords that are used to supply power to electrical equipment or devices located. Cord Reel Detail.
From kirimaja.garuda-indonesia.com
ハタヤ 単相100V型コードリール AP501K 50mコードリール Cord Reel Detail Cord reels are composed of three basic components — the frame and drum, the collector ring and brush assembly, and the reel drive system. Hubbell’s redesigned inreachtm industrial and. They have broad applications across. operation of the reel and prolong cord life. Inreachtm industrial & weatherproof cord reels. a cord reel is a handy device designed to manage,. Cord Reel Detail.
From www.10guider.com
Top 10 Best Extension Cord Reel in 2021 Review Guide Cord Reel Detail a cord reel is a handy device designed to manage, store, and protect various types of cords, wires, or cables. Cord reels are composed of three basic components — the frame and drum, the collector ring and brush assembly, and the reel drive system. operation of the reel and prolong cord life. cord reel construction. Inreachtm industrial. Cord Reel Detail.
From www.northerntool.com
Ironton Retractable Cord Reel — 40ft., 12/3, Triple Tap Northern Tool Cord Reel Detail They have broad applications across. operation of the reel and prolong cord life. a cord reel is a handy device designed to manage, store, and protect various types of cords, wires, or cables. *cord type designation shows all combinations of cord types that may be used, only ul approved cord types will be used. Hubbell’s redesigned inreachtm. Cord Reel Detail.
From www.northerntool.com
Strongway Retractable Cord Reel — 50ft., 12/3, Triple Tap Northern Cord Reel Detail cord reel construction. They have broad applications across. Inreachtm industrial & weatherproof cord reels. *cord type designation shows all combinations of cord types that may be used, only ul approved cord types will be used. Refer to page 6 for dimensional drawings. Cord reels are composed of three basic components — the frame and drum, the collector ring. Cord Reel Detail.
From www.vevor.ca
VEVOR Retractable Extension Cord Reel, 65 FT, Heavy Duty 12AWG/3C SJTOW Cord Reel Detail cord reel construction. cord reels are devices that hold extension cords that are used to supply power to electrical equipment or devices located far from. *cord type designation shows all combinations of cord types that may be used, only ul approved cord types will be used. Inreachtm industrial & weatherproof cord reels. operation of the reel. Cord Reel Detail.
From www.putproductreviews.com
Top 10 Best Extension Cord Reels in 2023 Reviews Guide Cord Reel Detail They have broad applications across. a cord reel is a handy device designed to manage, store, and protect various types of cords, wires, or cables. Hubbell’s redesigned inreachtm industrial and. operation of the reel and prolong cord life. Refer to page 6 for dimensional drawings. cord reels are devices that hold extension cords that are used to. Cord Reel Detail.
From northerntool.com
Klutch Retractable Cord Reel — 50ft., 15 Amps, 12/3 Capacity, Includes Cord Reel Detail *cord type designation shows all combinations of cord types that may be used, only ul approved cord types will be used. a cord reel is a handy device designed to manage, store, and protect various types of cords, wires, or cables. Cord reels are composed of three basic components — the frame and drum, the collector ring and. Cord Reel Detail.
From www.homedepot.com
Designers Edge 50 ft. 14/3 Red Cord Reel with 6 OutletsE235 The Home Cord Reel Detail *cord type designation shows all combinations of cord types that may be used, only ul approved cord types will be used. cord reels are devices that hold extension cords that are used to supply power to electrical equipment or devices located far from. Inreachtm industrial & weatherproof cord reels. The frame is the supporting member for the reel. Cord Reel Detail.
From apmdcng.com
テッド ハタヤリミテッド 業務用コードリール(電工ドラム) S30(標準型)(長さ:30m コンセント:2P×4個) 島道具 PayPay Cord Reel Detail The frame is the supporting member for the reel drum and is cord reel construction. a cord reel is a handy device designed to manage, store, and protect various types of cords, wires, or cables. Cord reels are composed of three basic components — the frame and drum, the collector ring and brush assembly, and the reel drive. Cord Reel Detail.
From www.pproreviews.com
Top 10 Best Extension Cord Reels in 2024 Reviews Buying Guide Cord Reel Detail a cord reel is a handy device designed to manage, store, and protect various types of cords, wires, or cables. The frame is the supporting member for the reel drum and is Inreachtm industrial & weatherproof cord reels. They have broad applications across. cord reels are devices that hold extension cords that are used to supply power to. Cord Reel Detail.
From www.northerntool.com
Ironton Retractable Cord Reel with Worklight — 40ft., 18/3, Fluorescent Cord Reel Detail They have broad applications across. Cord reels are composed of three basic components — the frame and drum, the collector ring and brush assembly, and the reel drive system. Refer to page 6 for dimensional drawings. *cord type designation shows all combinations of cord types that may be used, only ul approved cord types will be used. operation. Cord Reel Detail.
From www.iqsdirectory.com
Cord Reels Types, Configurations, Selection, and Requirements Cord Reel Detail Hubbell’s redesigned inreachtm industrial and. operation of the reel and prolong cord life. cord reels are devices that hold extension cords that are used to supply power to electrical equipment or devices located far from. a cord reel is a handy device designed to manage, store, and protect various types of cords, wires, or cables. *cord. Cord Reel Detail.
From www.hunterspringandreel.com
International Retractable Power Cord Reels Cord Reel Detail Hubbell’s redesigned inreachtm industrial and. cord reel construction. Cord reels are composed of three basic components — the frame and drum, the collector ring and brush assembly, and the reel drive system. operation of the reel and prolong cord life. *cord type designation shows all combinations of cord types that may be used, only ul approved cord. Cord Reel Detail.
From www.iqsdirectory.com
Cord Reels Types, Configurations, Selection, and Requirements Cord Reel Detail Refer to page 6 for dimensional drawings. Cord reels are composed of three basic components — the frame and drum, the collector ring and brush assembly, and the reel drive system. cord reels are devices that hold extension cords that are used to supply power to electrical equipment or devices located far from. Inreachtm industrial & weatherproof cord reels.. Cord Reel Detail.
From www.iqsdirectory.com
Cord Reels Types, Configurations, Selection, and Requirements Cord Reel Detail Cord reels are composed of three basic components — the frame and drum, the collector ring and brush assembly, and the reel drive system. Hubbell’s redesigned inreachtm industrial and. The frame is the supporting member for the reel drum and is Refer to page 6 for dimensional drawings. operation of the reel and prolong cord life. *cord type. Cord Reel Detail.
From www.putproductreviews.com
Top 10 Best Extension Cord Reels in 2023 Reviews Guide Cord Reel Detail a cord reel is a handy device designed to manage, store, and protect various types of cords, wires, or cables. The frame is the supporting member for the reel drum and is Inreachtm industrial & weatherproof cord reels. *cord type designation shows all combinations of cord types that may be used, only ul approved cord types will be. Cord Reel Detail.