Condenser Fan Blade Position In Shroud . More often than not, that will be the cause. Looking from the side of the engine, the fan blades. when a system has abnormally high head pressure (high condensing temperature over ambient) and compression ratio, one of the easiest things to look for is a dirty condenser coil. Take the top off and set it on the ground, fan blades up. To get your fan in the correct position, use fan spacers or shims. before you pull the condenser fan, pull the disconnect and use a voltmeter to make sure there’s no potential present. But what happens if the shroud is deeper and the fan is fully inside the shroud? dirty coil, or a an motor with too high of an rpm along with the fan blade being too low, will cause excessive amount of air to come out the side. condenser fan blade placement is critical. i just finished a ammonia condenser fan on a frick idc. the fan is currently protruding up out of the cowl about 20% of the fan blade height. So we all have heard that before. a commonly held thought is that fan blades should recess 50% into the shroud for optimum cooling. Each blade is around 48” and it has 5 blades. Check leg to ground on each side and leg to leg.
from fyonyrqfn.blob.core.windows.net
i just finished a ammonia condenser fan on a frick idc. To get your fan in the correct position, use fan spacers or shims. Looking from the side of the engine, the fan blades. condenser fan blade placement is critical. More often than not, that will be the cause. the fan is currently protruding up out of the cowl about 20% of the fan blade height. So we all have heard that before. before you pull the condenser fan, pull the disconnect and use a voltmeter to make sure there’s no potential present. Have to make sure the air is blowing out of the top of the. Each blade is around 48” and it has 5 blades.
Fan Airflow Direction at Joseph Weaver blog
Condenser Fan Blade Position In Shroud the fan is currently protruding up out of the cowl about 20% of the fan blade height. Looking from the side of the engine, the fan blades. Take the top off and set it on the ground, fan blades up. when a system has abnormally high head pressure (high condensing temperature over ambient) and compression ratio, one of the easiest things to look for is a dirty condenser coil. Each blade is around 48” and it has 5 blades. i just finished a ammonia condenser fan on a frick idc. More often than not, that will be the cause. dirty coil, or a an motor with too high of an rpm along with the fan blade being too low, will cause excessive amount of air to come out the side. if you have a fan shroud, the position of the fan blades in the shroud is very important to maximize airflow. a commonly held thought is that fan blades should recess 50% into the shroud for optimum cooling. So we all have heard that before. To get your fan in the correct position, use fan spacers or shims. Have to make sure the air is blowing out of the top of the. the fan is currently protruding up out of the cowl about 20% of the fan blade height. Check leg to ground on each side and leg to leg. before you pull the condenser fan, pull the disconnect and use a voltmeter to make sure there’s no potential present.
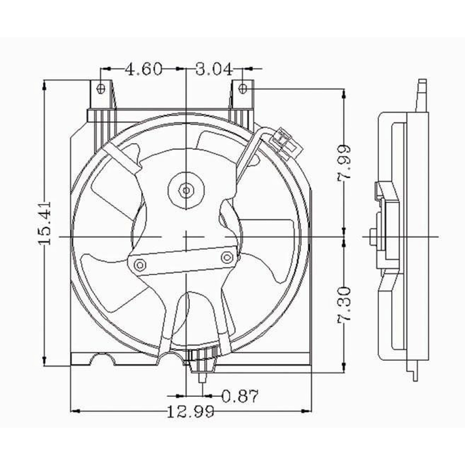
From store.partshighway.com
A/C Condenser Radiator Fan Assembly (Dorman 620231) w/ Shroud, Motor Condenser Fan Blade Position In Shroud Check leg to ground on each side and leg to leg. if you have a fan shroud, the position of the fan blades in the shroud is very important to maximize airflow. Each blade is around 48” and it has 5 blades. So we all have heard that before. But what happens if the shroud is deeper and the. Condenser Fan Blade Position In Shroud.
From gallfilmvirh.blogspot.com
Air Conditioner Condenser Fan Blade How To Replace A Condenser Fan Condenser Fan Blade Position In Shroud Take the top off and set it on the ground, fan blades up. More often than not, that will be the cause. So we all have heard that before. condenser fan blade placement is critical. Have to make sure the air is blowing out of the top of the. dirty coil, or a an motor with too high. Condenser Fan Blade Position In Shroud.
From www.fordon.ca
Condenser fan Motor/Blade/Shroud Assy HONDA RIDGELINE 20172023 Fordon Condenser Fan Blade Position In Shroud dirty coil, or a an motor with too high of an rpm along with the fan blade being too low, will cause excessive amount of air to come out the side. if you have a fan shroud, the position of the fan blades in the shroud is very important to maximize airflow. To get your fan in the. Condenser Fan Blade Position In Shroud.
From www.youtube.com
How to make a fan shroud for electric fans YouTube Condenser Fan Blade Position In Shroud a commonly held thought is that fan blades should recess 50% into the shroud for optimum cooling. when a system has abnormally high head pressure (high condensing temperature over ambient) and compression ratio, one of the easiest things to look for is a dirty condenser coil. the fan is currently protruding up out of the cowl about. Condenser Fan Blade Position In Shroud.
From exydqonma.blob.core.windows.net
Fan Blade Position In Shroud at Bobbie Johnson blog Condenser Fan Blade Position In Shroud dirty coil, or a an motor with too high of an rpm along with the fan blade being too low, will cause excessive amount of air to come out the side. Have to make sure the air is blowing out of the top of the. Each blade is around 48” and it has 5 blades. So we all have. Condenser Fan Blade Position In Shroud.
From www.youtube.com
Squarebody LS Swap cooling system.. Radiator, condenser, fan shroud Condenser Fan Blade Position In Shroud More often than not, that will be the cause. Check leg to ground on each side and leg to leg. But what happens if the shroud is deeper and the fan is fully inside the shroud? Have to make sure the air is blowing out of the top of the. So we all have heard that before. i just. Condenser Fan Blade Position In Shroud.
From store.partshighway.com
A/C Condenser Radiator Fan Assembly (Dorman 620241) w/ Shroud, Motor Condenser Fan Blade Position In Shroud the fan is currently protruding up out of the cowl about 20% of the fan blade height. Take the top off and set it on the ground, fan blades up. Each blade is around 48” and it has 5 blades. dirty coil, or a an motor with too high of an rpm along with the fan blade being. Condenser Fan Blade Position In Shroud.
From www.carid.com
Replace® A/C Condenser Fan Shroud Condenser Fan Blade Position In Shroud Check leg to ground on each side and leg to leg. if you have a fan shroud, the position of the fan blades in the shroud is very important to maximize airflow. i just finished a ammonia condenser fan on a frick idc. To get your fan in the correct position, use fan spacers or shims. Looking from. Condenser Fan Blade Position In Shroud.
From infparts.com
16" Low Profile Pusher Style Auxiliary Condenser Fan Condenser Fan Blade Position In Shroud the fan is currently protruding up out of the cowl about 20% of the fan blade height. Looking from the side of the engine, the fan blades. dirty coil, or a an motor with too high of an rpm along with the fan blade being too low, will cause excessive amount of air to come out the side.. Condenser Fan Blade Position In Shroud.
From exydqonma.blob.core.windows.net
Fan Blade Position In Shroud at Bobbie Johnson blog Condenser Fan Blade Position In Shroud Looking from the side of the engine, the fan blades. Take the top off and set it on the ground, fan blades up. when a system has abnormally high head pressure (high condensing temperature over ambient) and compression ratio, one of the easiest things to look for is a dirty condenser coil. Have to make sure the air is. Condenser Fan Blade Position In Shroud.
From www.offroadxtreme.com
Correct Cooling Deciding Which Electric Fan Your Ride Really Needs Condenser Fan Blade Position In Shroud Looking from the side of the engine, the fan blades. before you pull the condenser fan, pull the disconnect and use a voltmeter to make sure there’s no potential present. dirty coil, or a an motor with too high of an rpm along with the fan blade being too low, will cause excessive amount of air to come. Condenser Fan Blade Position In Shroud.
From shellysavonlea.net
Ceiling Fan Blade Rotation Direction Shelly Lighting Condenser Fan Blade Position In Shroud Check leg to ground on each side and leg to leg. More often than not, that will be the cause. the fan is currently protruding up out of the cowl about 20% of the fan blade height. Take the top off and set it on the ground, fan blades up. when a system has abnormally high head pressure. Condenser Fan Blade Position In Shroud.
From www.fordon.ca
Condenser fan includes motor/blade/shroud; w/2.0L engine; w/manual Condenser Fan Blade Position In Shroud To get your fan in the correct position, use fan spacers or shims. Check leg to ground on each side and leg to leg. dirty coil, or a an motor with too high of an rpm along with the fan blade being too low, will cause excessive amount of air to come out the side. the fan is. Condenser Fan Blade Position In Shroud.
From store.partshighway.com
A/C Condenser Radiator Fan Assembly (Dorman 620355) w/ Shroud, Motor Condenser Fan Blade Position In Shroud Looking from the side of the engine, the fan blades. when a system has abnormally high head pressure (high condensing temperature over ambient) and compression ratio, one of the easiest things to look for is a dirty condenser coil. if you have a fan shroud, the position of the fan blades in the shroud is very important to. Condenser Fan Blade Position In Shroud.
From store.partshighway.com
Right A/C Condenser Fan Assembly (Dorman 620548) w/ Shroud, Motor Condenser Fan Blade Position In Shroud But what happens if the shroud is deeper and the fan is fully inside the shroud? condenser fan blade placement is critical. More often than not, that will be the cause. if you have a fan shroud, the position of the fan blades in the shroud is very important to maximize airflow. Take the top off and set. Condenser Fan Blade Position In Shroud.
From exydqonma.blob.core.windows.net
Fan Blade Position In Shroud at Bobbie Johnson blog Condenser Fan Blade Position In Shroud the fan is currently protruding up out of the cowl about 20% of the fan blade height. Check leg to ground on each side and leg to leg. Each blade is around 48” and it has 5 blades. before you pull the condenser fan, pull the disconnect and use a voltmeter to make sure there’s no potential present.. Condenser Fan Blade Position In Shroud.
From fyovimhcu.blob.core.windows.net
Centrifugal Fan Direction at Edwin Heard blog Condenser Fan Blade Position In Shroud So we all have heard that before. a commonly held thought is that fan blades should recess 50% into the shroud for optimum cooling. the fan is currently protruding up out of the cowl about 20% of the fan blade height. Take the top off and set it on the ground, fan blades up. But what happens if. Condenser Fan Blade Position In Shroud.
From store.partshighway.com
A/C Condenser Radiator Fan Assembly (Dorman 620207) w/ Shroud, Motor Condenser Fan Blade Position In Shroud Take the top off and set it on the ground, fan blades up. Have to make sure the air is blowing out of the top of the. when a system has abnormally high head pressure (high condensing temperature over ambient) and compression ratio, one of the easiest things to look for is a dirty condenser coil. condenser fan. Condenser Fan Blade Position In Shroud.
From hvacrschool.com
Fan Blade Shroud Depth HVAC School Condenser Fan Blade Position In Shroud when a system has abnormally high head pressure (high condensing temperature over ambient) and compression ratio, one of the easiest things to look for is a dirty condenser coil. i just finished a ammonia condenser fan on a frick idc. Have to make sure the air is blowing out of the top of the. Each blade is around. Condenser Fan Blade Position In Shroud.
From www.youtube.com
5.16 Custom Fan Shroud! YouTube Condenser Fan Blade Position In Shroud More often than not, that will be the cause. the fan is currently protruding up out of the cowl about 20% of the fan blade height. Looking from the side of the engine, the fan blades. dirty coil, or a an motor with too high of an rpm along with the fan blade being too low, will cause. Condenser Fan Blade Position In Shroud.
From fyonyrqfn.blob.core.windows.net
Fan Airflow Direction at Joseph Weaver blog Condenser Fan Blade Position In Shroud dirty coil, or a an motor with too high of an rpm along with the fan blade being too low, will cause excessive amount of air to come out the side. condenser fan blade placement is critical. i just finished a ammonia condenser fan on a frick idc. Looking from the side of the engine, the fan. Condenser Fan Blade Position In Shroud.
From rosesrockstars.blogspot.com
Air Conditioner Condenser Fan Blade Chart / Whirlpool Room Air Condenser Fan Blade Position In Shroud To get your fan in the correct position, use fan spacers or shims. the fan is currently protruding up out of the cowl about 20% of the fan blade height. dirty coil, or a an motor with too high of an rpm along with the fan blade being too low, will cause excessive amount of air to come. Condenser Fan Blade Position In Shroud.
From hvacrschool.com
Fan Blade Shroud Depth HVAC School Condenser Fan Blade Position In Shroud i just finished a ammonia condenser fan on a frick idc. the fan is currently protruding up out of the cowl about 20% of the fan blade height. when a system has abnormally high head pressure (high condensing temperature over ambient) and compression ratio, one of the easiest things to look for is a dirty condenser coil.. Condenser Fan Blade Position In Shroud.
From fyosfztum.blob.core.windows.net
How Do Suction Fans Work at Vinnie Johnson blog Condenser Fan Blade Position In Shroud Take the top off and set it on the ground, fan blades up. More often than not, that will be the cause. Each blade is around 48” and it has 5 blades. To get your fan in the correct position, use fan spacers or shims. a commonly held thought is that fan blades should recess 50% into the shroud. Condenser Fan Blade Position In Shroud.
From www.diychatroom.com
Proper Fan Blade Ass'y Height In Shroud Of An Old Package Unit AC Only Condenser Fan Blade Position In Shroud But what happens if the shroud is deeper and the fan is fully inside the shroud? i just finished a ammonia condenser fan on a frick idc. So we all have heard that before. a commonly held thought is that fan blades should recess 50% into the shroud for optimum cooling. if you have a fan shroud,. Condenser Fan Blade Position In Shroud.
From www.carid.com
Replace® HO3111110 A/C Condenser Fan Shroud Condenser Fan Blade Position In Shroud dirty coil, or a an motor with too high of an rpm along with the fan blade being too low, will cause excessive amount of air to come out the side. Each blade is around 48” and it has 5 blades. condenser fan blade placement is critical. before you pull the condenser fan, pull the disconnect and. Condenser Fan Blade Position In Shroud.
From extreme-auto-parts.com
Honda Insight 1014 A/C Condenser 7 Blade Cooling Fan w/ Shroud, A685 Condenser Fan Blade Position In Shroud More often than not, that will be the cause. i just finished a ammonia condenser fan on a frick idc. But what happens if the shroud is deeper and the fan is fully inside the shroud? Looking from the side of the engine, the fan blades. To get your fan in the correct position, use fan spacers or shims.. Condenser Fan Blade Position In Shroud.
From store.partshighway.com
A/C Condenser Radiator Fan Assembly (Dorman 620502) w/ Shroud, Motor Condenser Fan Blade Position In Shroud To get your fan in the correct position, use fan spacers or shims. Check leg to ground on each side and leg to leg. if you have a fan shroud, the position of the fan blades in the shroud is very important to maximize airflow. So we all have heard that before. the fan is currently protruding up. Condenser Fan Blade Position In Shroud.
From www.youtube.com
Condenser fan blade placement is critical YouTube Condenser Fan Blade Position In Shroud Take the top off and set it on the ground, fan blades up. a commonly held thought is that fan blades should recess 50% into the shroud for optimum cooling. But what happens if the shroud is deeper and the fan is fully inside the shroud? Have to make sure the air is blowing out of the top of. Condenser Fan Blade Position In Shroud.
From www.researchgate.net
Designed fan shroud assembly for the radiator Download Scientific Diagram Condenser Fan Blade Position In Shroud a commonly held thought is that fan blades should recess 50% into the shroud for optimum cooling. Each blade is around 48” and it has 5 blades. Take the top off and set it on the ground, fan blades up. the fan is currently protruding up out of the cowl about 20% of the fan blade height. . Condenser Fan Blade Position In Shroud.
From www.youtube.com
CFM ENGINE MIDSPAN SHROUDED FAN BLADES SOUND. YouTube Condenser Fan Blade Position In Shroud if you have a fan shroud, the position of the fan blades in the shroud is very important to maximize airflow. To get your fan in the correct position, use fan spacers or shims. when a system has abnormally high head pressure (high condensing temperature over ambient) and compression ratio, one of the easiest things to look for. Condenser Fan Blade Position In Shroud.
From fyoxscoyw.blob.core.windows.net
How To Install A Condenser Fan Motor at Roger Marcell blog Condenser Fan Blade Position In Shroud More often than not, that will be the cause. condenser fan blade placement is critical. dirty coil, or a an motor with too high of an rpm along with the fan blade being too low, will cause excessive amount of air to come out the side. Looking from the side of the engine, the fan blades. Each blade. Condenser Fan Blade Position In Shroud.
From store.partshighway.com
A/C Condenser Radiator Fan Assembly (Dorman 620312) w/ Shroud, Motor Condenser Fan Blade Position In Shroud To get your fan in the correct position, use fan spacers or shims. More often than not, that will be the cause. But what happens if the shroud is deeper and the fan is fully inside the shroud? Take the top off and set it on the ground, fan blades up. Check leg to ground on each side and leg. Condenser Fan Blade Position In Shroud.
From exydqonma.blob.core.windows.net
Fan Blade Position In Shroud at Bobbie Johnson blog Condenser Fan Blade Position In Shroud dirty coil, or a an motor with too high of an rpm along with the fan blade being too low, will cause excessive amount of air to come out the side. i just finished a ammonia condenser fan on a frick idc. But what happens if the shroud is deeper and the fan is fully inside the shroud?. Condenser Fan Blade Position In Shroud.
From store.partshighway.com
A/C Condenser Radiator Fan Assembly (Dorman 620407) w/ Shroud, Motor Condenser Fan Blade Position In Shroud Check leg to ground on each side and leg to leg. More often than not, that will be the cause. condenser fan blade placement is critical. So we all have heard that before. dirty coil, or a an motor with too high of an rpm along with the fan blade being too low, will cause excessive amount of. Condenser Fan Blade Position In Shroud.