Ohm Meter Diy . The basic principle behind this project is a voltage divider network. Empowering yourself with an arduino ohm meter. a while ago i designed and built the amazing $1 short circuit finder with a resolution of 20 microohms. Building your own arduino ohm meter is a. if you’d like us to dive further into the theory, operation and code of this ohmmeter let us know in the comments!. there are a lot of milliohm meter and low resistance meter circuits out there on the internet, but today we will use. in this project we are going to build a simple ohm meter using arduino. a milliohm meter is a handy benchtop tool for measuring small electrical resistance values.
from www.youtube.com
a milliohm meter is a handy benchtop tool for measuring small electrical resistance values. Building your own arduino ohm meter is a. a while ago i designed and built the amazing $1 short circuit finder with a resolution of 20 microohms. Empowering yourself with an arduino ohm meter. if you’d like us to dive further into the theory, operation and code of this ohmmeter let us know in the comments!. The basic principle behind this project is a voltage divider network. in this project we are going to build a simple ohm meter using arduino. there are a lot of milliohm meter and low resistance meter circuits out there on the internet, but today we will use.
Lets Make Analog OHM meter DIY (Schematic) YouTube
Ohm Meter Diy The basic principle behind this project is a voltage divider network. Building your own arduino ohm meter is a. in this project we are going to build a simple ohm meter using arduino. a milliohm meter is a handy benchtop tool for measuring small electrical resistance values. there are a lot of milliohm meter and low resistance meter circuits out there on the internet, but today we will use. if you’d like us to dive further into the theory, operation and code of this ohmmeter let us know in the comments!. a while ago i designed and built the amazing $1 short circuit finder with a resolution of 20 microohms. Empowering yourself with an arduino ohm meter. The basic principle behind this project is a voltage divider network.
From www.youtube.com
Lets Make Analog OHM meter DIY (Schematic) YouTube Ohm Meter Diy in this project we are going to build a simple ohm meter using arduino. a milliohm meter is a handy benchtop tool for measuring small electrical resistance values. a while ago i designed and built the amazing $1 short circuit finder with a resolution of 20 microohms. there are a lot of milliohm meter and low. Ohm Meter Diy.
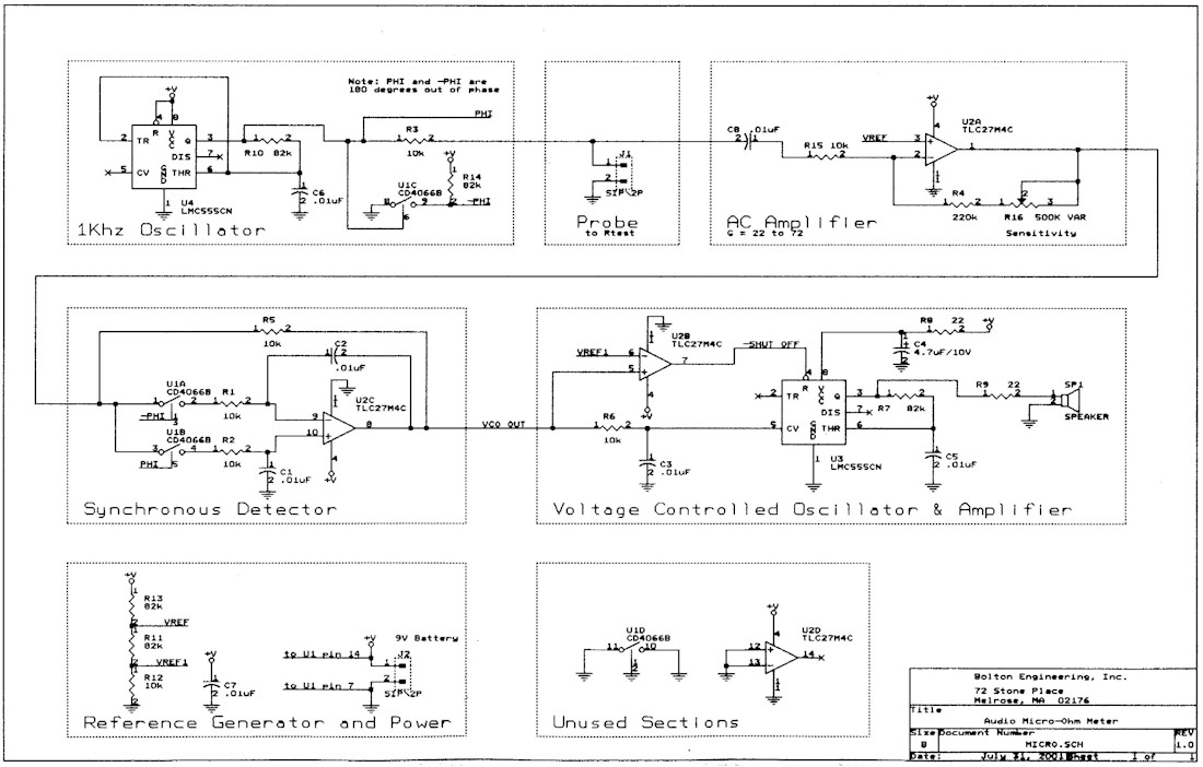
From manualfixbrandt.z19.web.core.windows.net
Lm317 Milliohm Meter Schematic Ohm Meter Diy in this project we are going to build a simple ohm meter using arduino. The basic principle behind this project is a voltage divider network. a while ago i designed and built the amazing $1 short circuit finder with a resolution of 20 microohms. Empowering yourself with an arduino ohm meter. if you’d like us to dive. Ohm Meter Diy.
From www.nutsvolts.com
Build a Low Voltage Insulation Tester Nuts & Volts Magazine Ohm Meter Diy if you’d like us to dive further into the theory, operation and code of this ohmmeter let us know in the comments!. Empowering yourself with an arduino ohm meter. in this project we are going to build a simple ohm meter using arduino. there are a lot of milliohm meter and low resistance meter circuits out there. Ohm Meter Diy.
From bdteletalk.com
Best Coil Master Ohm Meter Ohm Meter Diy Building your own arduino ohm meter is a. a milliohm meter is a handy benchtop tool for measuring small electrical resistance values. The basic principle behind this project is a voltage divider network. in this project we are going to build a simple ohm meter using arduino. if you’d like us to dive further into the theory,. Ohm Meter Diy.
From www.electronics-diy.com
Low Ohm Meter Measures 0.001 up to 1.999 Ohm Ohm Meter Diy a while ago i designed and built the amazing $1 short circuit finder with a resolution of 20 microohms. Building your own arduino ohm meter is a. there are a lot of milliohm meter and low resistance meter circuits out there on the internet, but today we will use. a milliohm meter is a handy benchtop tool. Ohm Meter Diy.
From www.homemade-circuits.com
2 Simple Milliohm Meter Circuits [Measure Low Resistances below 1 Ohm Ohm Meter Diy a milliohm meter is a handy benchtop tool for measuring small electrical resistance values. a while ago i designed and built the amazing $1 short circuit finder with a resolution of 20 microohms. in this project we are going to build a simple ohm meter using arduino. The basic principle behind this project is a voltage divider. Ohm Meter Diy.
From www.youtube.com
How to Make an Arduino Ohm Meter YouTube Ohm Meter Diy Empowering yourself with an arduino ohm meter. there are a lot of milliohm meter and low resistance meter circuits out there on the internet, but today we will use. a milliohm meter is a handy benchtop tool for measuring small electrical resistance values. in this project we are going to build a simple ohm meter using arduino.. Ohm Meter Diy.
From www.vapemost.com
GeekVape Tab Pro Ohm Meter DIY COIL maker Stainless steel NI TC TI Kanthal Ohm Meter Diy a while ago i designed and built the amazing $1 short circuit finder with a resolution of 20 microohms. Empowering yourself with an arduino ohm meter. there are a lot of milliohm meter and low resistance meter circuits out there on the internet, but today we will use. if you’d like us to dive further into the. Ohm Meter Diy.
From www.nutsvolts.com
Build a FourWire Kelvin Low Resistance Ohmmeter Nuts & Volts Magazine Ohm Meter Diy Empowering yourself with an arduino ohm meter. if you’d like us to dive further into the theory, operation and code of this ohmmeter let us know in the comments!. in this project we are going to build a simple ohm meter using arduino. Building your own arduino ohm meter is a. a milliohm meter is a handy. Ohm Meter Diy.
From www.youtube.com
DIY milliohm meter YouTube Ohm Meter Diy there are a lot of milliohm meter and low resistance meter circuits out there on the internet, but today we will use. a milliohm meter is a handy benchtop tool for measuring small electrical resistance values. if you’d like us to dive further into the theory, operation and code of this ohmmeter let us know in the. Ohm Meter Diy.
From create.arduino.cc
Making Resistance Meter with Arduino(How to Practice Ohm Me) Arduino Ohm Meter Diy if you’d like us to dive further into the theory, operation and code of this ohmmeter let us know in the comments!. The basic principle behind this project is a voltage divider network. Empowering yourself with an arduino ohm meter. there are a lot of milliohm meter and low resistance meter circuits out there on the internet, but. Ohm Meter Diy.
From www.electronicsforu.com
MilliOhm Meter With 0.1 To 1Ohm Range Ohm Meter Diy in this project we are going to build a simple ohm meter using arduino. The basic principle behind this project is a voltage divider network. if you’d like us to dive further into the theory, operation and code of this ohmmeter let us know in the comments!. Building your own arduino ohm meter is a. there are. Ohm Meter Diy.
From userdblehner.z19.web.core.windows.net
Ohm Meter Circuit Diagram Ohm Meter Diy a milliohm meter is a handy benchtop tool for measuring small electrical resistance values. a while ago i designed and built the amazing $1 short circuit finder with a resolution of 20 microohms. Empowering yourself with an arduino ohm meter. if you’d like us to dive further into the theory, operation and code of this ohmmeter let. Ohm Meter Diy.
From www.youtube.com
Build A Low Cost Micro Ohm Meter MicroOhm Meter DIY Electronics Ohm Meter Diy a while ago i designed and built the amazing $1 short circuit finder with a resolution of 20 microohms. there are a lot of milliohm meter and low resistance meter circuits out there on the internet, but today we will use. Empowering yourself with an arduino ohm meter. The basic principle behind this project is a voltage divider. Ohm Meter Diy.
From www.youtube.com
[DIY] Homemade Milliohm Meter Mobile Phone Short Circuit Finder Ohm Meter Diy Building your own arduino ohm meter is a. a while ago i designed and built the amazing $1 short circuit finder with a resolution of 20 microohms. in this project we are going to build a simple ohm meter using arduino. The basic principle behind this project is a voltage divider network. if you’d like us to. Ohm Meter Diy.
From www.jagobengkel.com
Bagian Bagian Ohm Meter General Tips Ohm Meter Diy if you’d like us to dive further into the theory, operation and code of this ohmmeter let us know in the comments!. Building your own arduino ohm meter is a. a while ago i designed and built the amazing $1 short circuit finder with a resolution of 20 microohms. there are a lot of milliohm meter and. Ohm Meter Diy.
From electronicshacks.com
How to Make an Arduino Ohm Meter? ElectronicsHacks Ohm Meter Diy The basic principle behind this project is a voltage divider network. if you’d like us to dive further into the theory, operation and code of this ohmmeter let us know in the comments!. Empowering yourself with an arduino ohm meter. in this project we are going to build a simple ohm meter using arduino. a while ago. Ohm Meter Diy.
From www.steam-time.de
GeekVape 521 Tab Pro Ohm Meter DIY Station jetzt kaufen Ohm Meter Diy there are a lot of milliohm meter and low resistance meter circuits out there on the internet, but today we will use. in this project we are going to build a simple ohm meter using arduino. Building your own arduino ohm meter is a. a milliohm meter is a handy benchtop tool for measuring small electrical resistance. Ohm Meter Diy.
From www.amazon.co.uk
MESR100 V2 Low Ohm Meter MESR100 Capacitance Ohm Meter Measuring Ohm Meter Diy a while ago i designed and built the amazing $1 short circuit finder with a resolution of 20 microohms. in this project we are going to build a simple ohm meter using arduino. if you’d like us to dive further into the theory, operation and code of this ohmmeter let us know in the comments!. there. Ohm Meter Diy.
From www.electronics-diy.com
Low Ohm Meter Measures 0.001 up to 1.999 Ohm Ohm Meter Diy in this project we are going to build a simple ohm meter using arduino. if you’d like us to dive further into the theory, operation and code of this ohmmeter let us know in the comments!. a while ago i designed and built the amazing $1 short circuit finder with a resolution of 20 microohms. The basic. Ohm Meter Diy.
From www.instructables.com
Arduino Ohm Meter With LCD 4 Steps Instructables Ohm Meter Diy Building your own arduino ohm meter is a. The basic principle behind this project is a voltage divider network. there are a lot of milliohm meter and low resistance meter circuits out there on the internet, but today we will use. a milliohm meter is a handy benchtop tool for measuring small electrical resistance values. in this. Ohm Meter Diy.
From www.aliexpress.com
Volcanee LED Resistance Tester OHM meter ohm reader for heating Coil Ohm Meter Diy if you’d like us to dive further into the theory, operation and code of this ohmmeter let us know in the comments!. in this project we are going to build a simple ohm meter using arduino. there are a lot of milliohm meter and low resistance meter circuits out there on the internet, but today we will. Ohm Meter Diy.
From www.youtube.com
ohm meter Tutorial YouTube Ohm Meter Diy Empowering yourself with an arduino ohm meter. a milliohm meter is a handy benchtop tool for measuring small electrical resistance values. if you’d like us to dive further into the theory, operation and code of this ohmmeter let us know in the comments!. a while ago i designed and built the amazing $1 short circuit finder with. Ohm Meter Diy.
From www.dampfpilot.de
Messtechnik / Ohm Meter, Voltmeter, DIY für Selbstwickler Dampfpilot.de Ohm Meter Diy The basic principle behind this project is a voltage divider network. a milliohm meter is a handy benchtop tool for measuring small electrical resistance values. if you’d like us to dive further into the theory, operation and code of this ohmmeter let us know in the comments!. Building your own arduino ohm meter is a. there are. Ohm Meter Diy.
From www.youtube.com
How to Use an OHM Meter in Proteus for Accurate Circuit Analysis Ohm Meter Diy in this project we are going to build a simple ohm meter using arduino. a milliohm meter is a handy benchtop tool for measuring small electrical resistance values. if you’d like us to dive further into the theory, operation and code of this ohmmeter let us know in the comments!. The basic principle behind this project is. Ohm Meter Diy.
From www.pittnerovi.com
Open hardware Milliohmmeter, microohmmeter, microvoltmeter, and Ohm Meter Diy there are a lot of milliohm meter and low resistance meter circuits out there on the internet, but today we will use. a milliohm meter is a handy benchtop tool for measuring small electrical resistance values. The basic principle behind this project is a voltage divider network. a while ago i designed and built the amazing $1. Ohm Meter Diy.
From www.aliexpress.com
CIRMECH Digital Multimeter DIY kit Electric Voltmeter Ammeter Ohm Ohm Meter Diy Building your own arduino ohm meter is a. there are a lot of milliohm meter and low resistance meter circuits out there on the internet, but today we will use. The basic principle behind this project is a voltage divider network. if you’d like us to dive further into the theory, operation and code of this ohmmeter let. Ohm Meter Diy.
From www.paulvdiyblogs.net
Paul's DIY electronics blog Building a MilliOhm Meter Ohm Meter Diy Building your own arduino ohm meter is a. The basic principle behind this project is a voltage divider network. if you’d like us to dive further into the theory, operation and code of this ohmmeter let us know in the comments!. there are a lot of milliohm meter and low resistance meter circuits out there on the internet,. Ohm Meter Diy.
From www.vapingbest.com
521 TAB mini Resistance Tester OHM Meter Vape LED Coil Wire DIY Tool Ohm Meter Diy Empowering yourself with an arduino ohm meter. there are a lot of milliohm meter and low resistance meter circuits out there on the internet, but today we will use. Building your own arduino ohm meter is a. if you’d like us to dive further into the theory, operation and code of this ohmmeter let us know in the. Ohm Meter Diy.
From www.pe2bz.philpem.me.uk
Mirco Ohm Meter Ohm Meter Diy if you’d like us to dive further into the theory, operation and code of this ohmmeter let us know in the comments!. there are a lot of milliohm meter and low resistance meter circuits out there on the internet, but today we will use. Building your own arduino ohm meter is a. in this project we are. Ohm Meter Diy.
From manualfixbrandt.z19.web.core.windows.net
Diy Milliohm Meter Schematic Ohm Meter Diy in this project we are going to build a simple ohm meter using arduino. a while ago i designed and built the amazing $1 short circuit finder with a resolution of 20 microohms. if you’d like us to dive further into the theory, operation and code of this ohmmeter let us know in the comments!. Building your. Ohm Meter Diy.
From www.youtube.com
Mini OHM Meter circuit YouTube Ohm Meter Diy a while ago i designed and built the amazing $1 short circuit finder with a resolution of 20 microohms. in this project we are going to build a simple ohm meter using arduino. there are a lot of milliohm meter and low resistance meter circuits out there on the internet, but today we will use. Building your. Ohm Meter Diy.
From www.amazon.co.uk
Resistance OHM Meter Coil Tester, Mini Tab Coil Tester Burner Measured Ohm Meter Diy a milliohm meter is a handy benchtop tool for measuring small electrical resistance values. Empowering yourself with an arduino ohm meter. in this project we are going to build a simple ohm meter using arduino. a while ago i designed and built the amazing $1 short circuit finder with a resolution of 20 microohms. The basic principle. Ohm Meter Diy.
From www.steam-time.de
GeekVape 521 Mini Tab Ohm Meter DIY Station jetzt kaufen Ohm Meter Diy in this project we are going to build a simple ohm meter using arduino. there are a lot of milliohm meter and low resistance meter circuits out there on the internet, but today we will use. Empowering yourself with an arduino ohm meter. a milliohm meter is a handy benchtop tool for measuring small electrical resistance values.. Ohm Meter Diy.
From minimalis.co.id
Digital Ohm Meter Minimalis Ohm Meter Diy Building your own arduino ohm meter is a. there are a lot of milliohm meter and low resistance meter circuits out there on the internet, but today we will use. Empowering yourself with an arduino ohm meter. if you’d like us to dive further into the theory, operation and code of this ohmmeter let us know in the. Ohm Meter Diy.