Function Generator Xr2206 Schematic . Short 1 of the 5 jumper caps on. here we introduce how to generate sine wave in a simple way: in this article, we will explore the xr2206 function generator schematic and discuss its main components and their functions.
from www.schemadigital.com
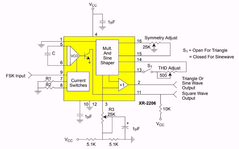
in this article, we will explore the xr2206 function generator schematic and discuss its main components and their functions. Short 1 of the 5 jumper caps on. here we introduce how to generate sine wave in a simple way:
Xr2206 Function Generator Schematic Schema Digital
Function Generator Xr2206 Schematic in this article, we will explore the xr2206 function generator schematic and discuss its main components and their functions. Short 1 of the 5 jumper caps on. here we introduce how to generate sine wave in a simple way: in this article, we will explore the xr2206 function generator schematic and discuss its main components and their functions.
From schematicvileness.z5.web.core.windows.net
Xr2206 Function Generator Schematic Function Generator Xr2206 Schematic in this article, we will explore the xr2206 function generator schematic and discuss its main components and their functions. here we introduce how to generate sine wave in a simple way: Short 1 of the 5 jumper caps on. Function Generator Xr2206 Schematic.
From helpfulcolin.com
XR2206 Function Generator Kit Improved Instructions Helpful Colin Function Generator Xr2206 Schematic in this article, we will explore the xr2206 function generator schematic and discuss its main components and their functions. Short 1 of the 5 jumper caps on. here we introduce how to generate sine wave in a simple way: Function Generator Xr2206 Schematic.
From www.vrogue.co
Diy Xr2206 Function Generator Schematic And Komitart vrogue.co Function Generator Xr2206 Schematic Short 1 of the 5 jumper caps on. in this article, we will explore the xr2206 function generator schematic and discuss its main components and their functions. here we introduce how to generate sine wave in a simple way: Function Generator Xr2206 Schematic.
From www.hotelsrate.org
Diy Function Generator Arduino Diy Projects Function Generator Xr2206 Schematic here we introduce how to generate sine wave in a simple way: Short 1 of the 5 jumper caps on. in this article, we will explore the xr2206 function generator schematic and discuss its main components and their functions. Function Generator Xr2206 Schematic.
From www.schemadigital.com
Xr2206 Function Generator Schematic Schema Digital Function Generator Xr2206 Schematic here we introduce how to generate sine wave in a simple way: in this article, we will explore the xr2206 function generator schematic and discuss its main components and their functions. Short 1 of the 5 jumper caps on. Function Generator Xr2206 Schematic.
From www.wiringsecure.blog
Xr2206 Function Generator Schematic » Wiring Diagram & Schematic Function Generator Xr2206 Schematic Short 1 of the 5 jumper caps on. here we introduce how to generate sine wave in a simple way: in this article, we will explore the xr2206 function generator schematic and discuss its main components and their functions. Function Generator Xr2206 Schematic.
From www.next.gr
xr2206 function generator under Repositorycircuits 31677 Next.gr Function Generator Xr2206 Schematic Short 1 of the 5 jumper caps on. in this article, we will explore the xr2206 function generator schematic and discuss its main components and their functions. here we introduce how to generate sine wave in a simple way: Function Generator Xr2206 Schematic.
From www.komitart.ru
DIY XR2206 Function Generator schematic and Komitart LAY6 format PCB. Function Generator Xr2206 Schematic in this article, we will explore the xr2206 function generator schematic and discuss its main components and their functions. here we introduce how to generate sine wave in a simple way: Short 1 of the 5 jumper caps on. Function Generator Xr2206 Schematic.
From www.circuits-diy.com
XR2206 Monolithic Function Generator Datasheet Function Generator Xr2206 Schematic Short 1 of the 5 jumper caps on. in this article, we will explore the xr2206 function generator schematic and discuss its main components and their functions. here we introduce how to generate sine wave in a simple way: Function Generator Xr2206 Schematic.
From helpfulcolin.com
XR2206 Function Generator Kit Improved Instructions Helpful Colin Function Generator Xr2206 Schematic Short 1 of the 5 jumper caps on. in this article, we will explore the xr2206 function generator schematic and discuss its main components and their functions. here we introduce how to generate sine wave in a simple way: Function Generator Xr2206 Schematic.
From www.wiringcore.com
Xr2206 Function Generator Schematic » Wiring Core Function Generator Xr2206 Schematic Short 1 of the 5 jumper caps on. in this article, we will explore the xr2206 function generator schematic and discuss its main components and their functions. here we introduce how to generate sine wave in a simple way: Function Generator Xr2206 Schematic.
From www.circuitbasics.com
How to Build a Sine Wave Generator Circuit Basics Function Generator Xr2206 Schematic here we introduce how to generate sine wave in a simple way: Short 1 of the 5 jumper caps on. in this article, we will explore the xr2206 function generator schematic and discuss its main components and their functions. Function Generator Xr2206 Schematic.
From www.diagramcircuit.com
Xr2206 Function Generator Schematic » Diagram Circuit Function Generator Xr2206 Schematic here we introduce how to generate sine wave in a simple way: Short 1 of the 5 jumper caps on. in this article, we will explore the xr2206 function generator schematic and discuss its main components and their functions. Function Generator Xr2206 Schematic.
From robhosking.com
15 Xr2206 Function Generator Schematic Robhosking Diagram Function Generator Xr2206 Schematic Short 1 of the 5 jumper caps on. here we introduce how to generate sine wave in a simple way: in this article, we will explore the xr2206 function generator schematic and discuss its main components and their functions. Function Generator Xr2206 Schematic.
From www.pinterest.com
XR2206 schematic Circuit Schematics Pinterest Function generator and Generators Function Generator Xr2206 Schematic Short 1 of the 5 jumper caps on. here we introduce how to generate sine wave in a simple way: in this article, we will explore the xr2206 function generator schematic and discuss its main components and their functions. Function Generator Xr2206 Schematic.
From www.eleccircuit.com
XR2206 function generator circuit Function Generator Xr2206 Schematic Short 1 of the 5 jumper caps on. in this article, we will explore the xr2206 function generator schematic and discuss its main components and their functions. here we introduce how to generate sine wave in a simple way: Function Generator Xr2206 Schematic.
From www.youtube.com
XR2206 Function Generator Kit BUILD YouTube Function Generator Xr2206 Schematic in this article, we will explore the xr2206 function generator schematic and discuss its main components and their functions. here we introduce how to generate sine wave in a simple way: Short 1 of the 5 jumper caps on. Function Generator Xr2206 Schematic.
From helpfulcolin.com
XR2206 Function Generator Kit Improved Instructions Helpful Colin Function Generator Xr2206 Schematic Short 1 of the 5 jumper caps on. here we introduce how to generate sine wave in a simple way: in this article, we will explore the xr2206 function generator schematic and discuss its main components and their functions. Function Generator Xr2206 Schematic.
From www.electronics-diy.com
Function Generator XR2206 Function Generator Xr2206 Schematic Short 1 of the 5 jumper caps on. in this article, we will explore the xr2206 function generator schematic and discuss its main components and their functions. here we introduce how to generate sine wave in a simple way: Function Generator Xr2206 Schematic.
From www.schemadigital.com
Xr2206 Function Generator Schematic Schema Digital Function Generator Xr2206 Schematic in this article, we will explore the xr2206 function generator schematic and discuss its main components and their functions. Short 1 of the 5 jumper caps on. here we introduce how to generate sine wave in a simple way: Function Generator Xr2206 Schematic.
From www.vwlowen.co.uk
Arduino XR2206 Function Generator Function Generator Xr2206 Schematic here we introduce how to generate sine wave in a simple way: in this article, we will explore the xr2206 function generator schematic and discuss its main components and their functions. Short 1 of the 5 jumper caps on. Function Generator Xr2206 Schematic.
From elecsprout.com
Xr2206 function generator circuit diagram Function Generator Xr2206 Schematic Short 1 of the 5 jumper caps on. in this article, we will explore the xr2206 function generator schematic and discuss its main components and their functions. here we introduce how to generate sine wave in a simple way: Function Generator Xr2206 Schematic.
From www.diagramelectric.co
Xr2206 Function Signal Generator Schematic Wiring Diagram Function Generator Xr2206 Schematic in this article, we will explore the xr2206 function generator schematic and discuss its main components and their functions. here we introduce how to generate sine wave in a simple way: Short 1 of the 5 jumper caps on. Function Generator Xr2206 Schematic.
From srkacrdoxypeykg.blogspot.com
Generator Schematic Diagram XR2206 function generator circuit Wiring 2 Function Generator Xr2206 Schematic in this article, we will explore the xr2206 function generator schematic and discuss its main components and their functions. Short 1 of the 5 jumper caps on. here we introduce how to generate sine wave in a simple way: Function Generator Xr2206 Schematic.
From verstraten-elektronica.blogspot.com
Elektronica blog van Jos Verstraten Getest Geekcreit XR2206 functiegenerator Function Generator Xr2206 Schematic in this article, we will explore the xr2206 function generator schematic and discuss its main components and their functions. Short 1 of the 5 jumper caps on. here we introduce how to generate sine wave in a simple way: Function Generator Xr2206 Schematic.
From www.vrogue.co
Diy Xr2206 Function Generator Schematic And Komitart vrogue.co Function Generator Xr2206 Schematic here we introduce how to generate sine wave in a simple way: in this article, we will explore the xr2206 function generator schematic and discuss its main components and their functions. Short 1 of the 5 jumper caps on. Function Generator Xr2206 Schematic.
From elecsprout.com
Xr2206 function generator circuit diagram Function Generator Xr2206 Schematic Short 1 of the 5 jumper caps on. in this article, we will explore the xr2206 function generator schematic and discuss its main components and their functions. here we introduce how to generate sine wave in a simple way: Function Generator Xr2206 Schematic.
From www.schemadigital.com
Xr2206 Function Generator Schematic Schema Digital Function Generator Xr2206 Schematic here we introduce how to generate sine wave in a simple way: in this article, we will explore the xr2206 function generator schematic and discuss its main components and their functions. Short 1 of the 5 jumper caps on. Function Generator Xr2206 Schematic.
From www.diagramelectric.co
Xr2206 Function Generator Schematic » Wiring Diagram Function Generator Xr2206 Schematic Short 1 of the 5 jumper caps on. here we introduce how to generate sine wave in a simple way: in this article, we will explore the xr2206 function generator schematic and discuss its main components and their functions. Function Generator Xr2206 Schematic.
From robhosking.com
15 Xr2206 Function Generator Schematic Robhosking Diagram Function Generator Xr2206 Schematic in this article, we will explore the xr2206 function generator schematic and discuss its main components and their functions. Short 1 of the 5 jumper caps on. here we introduce how to generate sine wave in a simple way: Function Generator Xr2206 Schematic.
From wiringdbalexandra.z5.web.core.windows.net
Xr2206 Function Generator Circuit Diagram Function Generator Xr2206 Schematic here we introduce how to generate sine wave in a simple way: in this article, we will explore the xr2206 function generator schematic and discuss its main components and their functions. Short 1 of the 5 jumper caps on. Function Generator Xr2206 Schematic.
From srkacrdoxypeykg.blogspot.com
Generator Schematic Diagram XR2206 function generator circuit Wiring 2 Function Generator Xr2206 Schematic in this article, we will explore the xr2206 function generator schematic and discuss its main components and their functions. here we introduce how to generate sine wave in a simple way: Short 1 of the 5 jumper caps on. Function Generator Xr2206 Schematic.
From www.komitart.ru
DIY XR2206 Function Generator schematic and Komitart LAY6 format PCB. Function Generator Xr2206 Schematic here we introduce how to generate sine wave in a simple way: in this article, we will explore the xr2206 function generator schematic and discuss its main components and their functions. Short 1 of the 5 jumper caps on. Function Generator Xr2206 Schematic.
From www.caretxdigital.com
xr2206 function generator kit schematic Wiring Diagram and Schematics Function Generator Xr2206 Schematic here we introduce how to generate sine wave in a simple way: in this article, we will explore the xr2206 function generator schematic and discuss its main components and their functions. Short 1 of the 5 jumper caps on. Function Generator Xr2206 Schematic.
From www.diagramelectric.co
Xr2206 Function Generator Circuit Wiring Diagram Function Generator Xr2206 Schematic Short 1 of the 5 jumper caps on. here we introduce how to generate sine wave in a simple way: in this article, we will explore the xr2206 function generator schematic and discuss its main components and their functions. Function Generator Xr2206 Schematic.