Servo Frequency Chart . typical rc servo frequency is 50 hz, as you can see from the sg90 datasheet. 27 rows an organized chart of specifications for thousands of rc servos. Tips and information section of hf, specifically for passing along info to. If some servo is not listed, please check the datasheet of the. please set the parameters of your servos according this table. Sortable by torque, speed, weight,. microbeast beastx servo specifications; frequency (or repetition time, or cycle time) is the number of times a positive pulse is fed to servo in a unit time (which is generally measured in seconds); servo frequency chart newbies: Swashplate frequency, pulse length, rudder frequency;
from mavink.com
If some servo is not listed, please check the datasheet of the. servo frequency chart newbies: Tips and information section of hf, specifically for passing along info to. Swashplate frequency, pulse length, rudder frequency; please set the parameters of your servos according this table. 27 rows an organized chart of specifications for thousands of rc servos. frequency (or repetition time, or cycle time) is the number of times a positive pulse is fed to servo in a unit time (which is generally measured in seconds); Sortable by torque, speed, weight,. typical rc servo frequency is 50 hz, as you can see from the sg90 datasheet. microbeast beastx servo specifications;
Align Servo Frequency Chart
Servo Frequency Chart frequency (or repetition time, or cycle time) is the number of times a positive pulse is fed to servo in a unit time (which is generally measured in seconds); Tips and information section of hf, specifically for passing along info to. servo frequency chart newbies: Swashplate frequency, pulse length, rudder frequency; If some servo is not listed, please check the datasheet of the. frequency (or repetition time, or cycle time) is the number of times a positive pulse is fed to servo in a unit time (which is generally measured in seconds); typical rc servo frequency is 50 hz, as you can see from the sg90 datasheet. microbeast beastx servo specifications; 27 rows an organized chart of specifications for thousands of rc servos. Sortable by torque, speed, weight,. please set the parameters of your servos according this table.
From www.researchgate.net
A frequency response of servoperfusion system. The input was a sine Servo Frequency Chart 27 rows an organized chart of specifications for thousands of rc servos. microbeast beastx servo specifications; Swashplate frequency, pulse length, rudder frequency; Sortable by torque, speed, weight,. servo frequency chart newbies: Tips and information section of hf, specifically for passing along info to. frequency (or repetition time, or cycle time) is the number of times a. Servo Frequency Chart.
From www.helifreak.com
Savox servos Page 2 HeliFreak Servo Frequency Chart microbeast beastx servo specifications; Tips and information section of hf, specifically for passing along info to. If some servo is not listed, please check the datasheet of the. Swashplate frequency, pulse length, rudder frequency; servo frequency chart newbies: frequency (or repetition time, or cycle time) is the number of times a positive pulse is fed to servo. Servo Frequency Chart.
From traxxas.com
How To Upgrade Your Vehicle with a Metal Gear Servo Traxxas Servo Frequency Chart servo frequency chart newbies: Swashplate frequency, pulse length, rudder frequency; please set the parameters of your servos according this table. frequency (or repetition time, or cycle time) is the number of times a positive pulse is fed to servo in a unit time (which is generally measured in seconds); typical rc servo frequency is 50 hz,. Servo Frequency Chart.
From www.researchgate.net
UNCERTAIN FREQUENCY OF THE OF THE SERVO SYSTEM. Download Scientific Servo Frequency Chart microbeast beastx servo specifications; Swashplate frequency, pulse length, rudder frequency; typical rc servo frequency is 50 hz, as you can see from the sg90 datasheet. Tips and information section of hf, specifically for passing along info to. Sortable by torque, speed, weight,. please set the parameters of your servos according this table. 27 rows an organized. Servo Frequency Chart.
From dxojxsxqc.blob.core.windows.net
Servo Motor Zero Position Arduino at Barbara Harris blog Servo Frequency Chart frequency (or repetition time, or cycle time) is the number of times a positive pulse is fed to servo in a unit time (which is generally measured in seconds); please set the parameters of your servos according this table. 27 rows an organized chart of specifications for thousands of rc servos. servo frequency chart newbies: Swashplate. Servo Frequency Chart.
From mavink.com
Align Servo Frequency Chart Servo Frequency Chart please set the parameters of your servos according this table. microbeast beastx servo specifications; Sortable by torque, speed, weight,. servo frequency chart newbies: Swashplate frequency, pulse length, rudder frequency; If some servo is not listed, please check the datasheet of the. Tips and information section of hf, specifically for passing along info to. 27 rows an. Servo Frequency Chart.
From www.scribd.com
Servo Chart PDF Servo Frequency Chart please set the parameters of your servos according this table. microbeast beastx servo specifications; Tips and information section of hf, specifically for passing along info to. servo frequency chart newbies: typical rc servo frequency is 50 hz, as you can see from the sg90 datasheet. Swashplate frequency, pulse length, rudder frequency; Sortable by torque, speed, weight,.. Servo Frequency Chart.
From www.researchgate.net
Servo preamble 2T SNR vs. frequency. Various ways to improve the servo Servo Frequency Chart typical rc servo frequency is 50 hz, as you can see from the sg90 datasheet. Swashplate frequency, pulse length, rudder frequency; microbeast beastx servo specifications; please set the parameters of your servos according this table. servo frequency chart newbies: frequency (or repetition time, or cycle time) is the number of times a positive pulse is. Servo Frequency Chart.
From www.researchgate.net
The amplitude and phase frequency characteristics of the servo system Servo Frequency Chart frequency (or repetition time, or cycle time) is the number of times a positive pulse is fed to servo in a unit time (which is generally measured in seconds); microbeast beastx servo specifications; please set the parameters of your servos according this table. typical rc servo frequency is 50 hz, as you can see from the. Servo Frequency Chart.
From servosandsimulation.com
Frequency Response of a Servos & Simulation Motion Base Platform Servo Frequency Chart Sortable by torque, speed, weight,. frequency (or repetition time, or cycle time) is the number of times a positive pulse is fed to servo in a unit time (which is generally measured in seconds); typical rc servo frequency is 50 hz, as you can see from the sg90 datasheet. Tips and information section of hf, specifically for passing. Servo Frequency Chart.
From www.patrickmodelisme.com
Servo Spektrum DS821 8.8kg/ 0.15s/ nylon Servo Frequency Chart Sortable by torque, speed, weight,. frequency (or repetition time, or cycle time) is the number of times a positive pulse is fed to servo in a unit time (which is generally measured in seconds); Tips and information section of hf, specifically for passing along info to. Swashplate frequency, pulse length, rudder frequency; servo frequency chart newbies: If some. Servo Frequency Chart.
From www.helistore.fr
Futaba R7008SB Receiver Servo Frequency Chart frequency (or repetition time, or cycle time) is the number of times a positive pulse is fed to servo in a unit time (which is generally measured in seconds); please set the parameters of your servos according this table. microbeast beastx servo specifications; servo frequency chart newbies: typical rc servo frequency is 50 hz, as. Servo Frequency Chart.
From www.myxxgirl.com
Spektrum Servo Frequency Chart My XXX Hot Girl Servo Frequency Chart frequency (or repetition time, or cycle time) is the number of times a positive pulse is fed to servo in a unit time (which is generally measured in seconds); microbeast beastx servo specifications; typical rc servo frequency is 50 hz, as you can see from the sg90 datasheet. Sortable by torque, speed, weight,. Tips and information section. Servo Frequency Chart.
From www.solomotorcontrollers.com
Servo Motor Basics, Working Principle, Theory, and More! Solo Motor Servo Frequency Chart microbeast beastx servo specifications; servo frequency chart newbies: frequency (or repetition time, or cycle time) is the number of times a positive pulse is fed to servo in a unit time (which is generally measured in seconds); please set the parameters of your servos according this table. 27 rows an organized chart of specifications for. Servo Frequency Chart.
From webmotor.org
Servo Motor Pulse Width Calculator Servo Frequency Chart please set the parameters of your servos according this table. If some servo is not listed, please check the datasheet of the. frequency (or repetition time, or cycle time) is the number of times a positive pulse is fed to servo in a unit time (which is generally measured in seconds); 27 rows an organized chart of. Servo Frequency Chart.
From mks-servo.com
Standard Servo Servo Frequency Chart microbeast beastx servo specifications; servo frequency chart newbies: Sortable by torque, speed, weight,. If some servo is not listed, please check the datasheet of the. Tips and information section of hf, specifically for passing along info to. Swashplate frequency, pulse length, rudder frequency; 27 rows an organized chart of specifications for thousands of rc servos. typical. Servo Frequency Chart.
From www.rccrawler.com
Servos What To Use With Chart And Comparison RCCrawler Servo Frequency Chart please set the parameters of your servos according this table. Swashplate frequency, pulse length, rudder frequency; Tips and information section of hf, specifically for passing along info to. If some servo is not listed, please check the datasheet of the. frequency (or repetition time, or cycle time) is the number of times a positive pulse is fed to. Servo Frequency Chart.
From www.researchgate.net
Tracing servo response (a) time domain and (b) frequency domain Servo Frequency Chart Sortable by torque, speed, weight,. servo frequency chart newbies: 27 rows an organized chart of specifications for thousands of rc servos. please set the parameters of your servos according this table. Tips and information section of hf, specifically for passing along info to. Swashplate frequency, pulse length, rudder frequency; typical rc servo frequency is 50 hz,. Servo Frequency Chart.
From www.motorsandrotors.co
MKS Servos Motors and Rotors, Jetcat, Graupner, Spektrum, Heim, Xcell Servo Frequency Chart 27 rows an organized chart of specifications for thousands of rc servos. Tips and information section of hf, specifically for passing along info to. Swashplate frequency, pulse length, rudder frequency; If some servo is not listed, please check the datasheet of the. please set the parameters of your servos according this table. typical rc servo frequency is. Servo Frequency Chart.
From www.scribd.com
Our Newest Servos Programmability, Simplicity, Safety & Performance Servo Frequency Chart typical rc servo frequency is 50 hz, as you can see from the sg90 datasheet. Tips and information section of hf, specifically for passing along info to. Sortable by torque, speed, weight,. 27 rows an organized chart of specifications for thousands of rc servos. servo frequency chart newbies: frequency (or repetition time, or cycle time) is. Servo Frequency Chart.
From mungfali.com
Hitec Digital Servo Chart Servo Frequency Chart servo frequency chart newbies: Tips and information section of hf, specifically for passing along info to. please set the parameters of your servos according this table. Swashplate frequency, pulse length, rudder frequency; 27 rows an organized chart of specifications for thousands of rc servos. Sortable by torque, speed, weight,. If some servo is not listed, please check. Servo Frequency Chart.
From www.yumpu.com
JR Servo Information Servo Frequency Chart servo frequency chart newbies: 27 rows an organized chart of specifications for thousands of rc servos. frequency (or repetition time, or cycle time) is the number of times a positive pulse is fed to servo in a unit time (which is generally measured in seconds); Sortable by torque, speed, weight,. If some servo is not listed, please. Servo Frequency Chart.
From mavink.com
Align Servo Frequency Chart Servo Frequency Chart servo frequency chart newbies: microbeast beastx servo specifications; frequency (or repetition time, or cycle time) is the number of times a positive pulse is fed to servo in a unit time (which is generally measured in seconds); typical rc servo frequency is 50 hz, as you can see from the sg90 datasheet. If some servo is. Servo Frequency Chart.
From www.promodeler.com
Digital Servos Servo Frequency Chart please set the parameters of your servos according this table. typical rc servo frequency is 50 hz, as you can see from the sg90 datasheet. servo frequency chart newbies: If some servo is not listed, please check the datasheet of the. 27 rows an organized chart of specifications for thousands of rc servos. Sortable by torque,. Servo Frequency Chart.
From mavink.com
Servo Chart List Servo Frequency Chart microbeast beastx servo specifications; frequency (or repetition time, or cycle time) is the number of times a positive pulse is fed to servo in a unit time (which is generally measured in seconds); typical rc servo frequency is 50 hz, as you can see from the sg90 datasheet. If some servo is not listed, please check the. Servo Frequency Chart.
From www.researchgate.net
The frequency spectrum curve of the PMSM servo system based on the PI Servo Frequency Chart Swashplate frequency, pulse length, rudder frequency; please set the parameters of your servos according this table. servo frequency chart newbies: Tips and information section of hf, specifically for passing along info to. Sortable by torque, speed, weight,. typical rc servo frequency is 50 hz, as you can see from the sg90 datasheet. microbeast beastx servo specifications;. Servo Frequency Chart.
From exohsbwen.blob.core.windows.net
Savox Servo Chart at Lillie Deloach blog Servo Frequency Chart servo frequency chart newbies: Swashplate frequency, pulse length, rudder frequency; 27 rows an organized chart of specifications for thousands of rc servos. microbeast beastx servo specifications; Tips and information section of hf, specifically for passing along info to. typical rc servo frequency is 50 hz, as you can see from the sg90 datasheet. Sortable by torque,. Servo Frequency Chart.
From drairatxediaz.com
RC Model Vehicle Parts & Accs Futaba R3008SB 2.4GHz FHSS SBUS Telemetry Servo Frequency Chart Sortable by torque, speed, weight,. typical rc servo frequency is 50 hz, as you can see from the sg90 datasheet. please set the parameters of your servos according this table. Swashplate frequency, pulse length, rudder frequency; If some servo is not listed, please check the datasheet of the. Tips and information section of hf, specifically for passing along. Servo Frequency Chart.
From www.researchgate.net
Comparison of necessary resonance frequency bandwidth of servo valve Servo Frequency Chart typical rc servo frequency is 50 hz, as you can see from the sg90 datasheet. Swashplate frequency, pulse length, rudder frequency; servo frequency chart newbies: please set the parameters of your servos according this table. If some servo is not listed, please check the datasheet of the. frequency (or repetition time, or cycle time) is the. Servo Frequency Chart.
From www.researchgate.net
Openloop frequency response of the HDD servo systems Download Servo Frequency Chart servo frequency chart newbies: typical rc servo frequency is 50 hz, as you can see from the sg90 datasheet. Sortable by torque, speed, weight,. If some servo is not listed, please check the datasheet of the. Swashplate frequency, pulse length, rudder frequency; microbeast beastx servo specifications; frequency (or repetition time, or cycle time) is the number. Servo Frequency Chart.
From dokumen.tips
(PDF) Spektrum Servo Reference Chart Horizon Hobby · Spektrum ™ Servo Servo Frequency Chart typical rc servo frequency is 50 hz, as you can see from the sg90 datasheet. microbeast beastx servo specifications; Swashplate frequency, pulse length, rudder frequency; Sortable by torque, speed, weight,. Tips and information section of hf, specifically for passing along info to. frequency (or repetition time, or cycle time) is the number of times a positive pulse. Servo Frequency Chart.
From www.rctech.net
How to determine servo compatibility with radio modes? Page 2 R/C Servo Frequency Chart servo frequency chart newbies: please set the parameters of your servos according this table. Sortable by torque, speed, weight,. Swashplate frequency, pulse length, rudder frequency; microbeast beastx servo specifications; If some servo is not listed, please check the datasheet of the. typical rc servo frequency is 50 hz, as you can see from the sg90 datasheet.. Servo Frequency Chart.
From www.engineersgarage.com
Servo motor interfaced with nodemcu esp8266 12e Controlling servo Servo Frequency Chart Tips and information section of hf, specifically for passing along info to. 27 rows an organized chart of specifications for thousands of rc servos. Swashplate frequency, pulse length, rudder frequency; servo frequency chart newbies: frequency (or repetition time, or cycle time) is the number of times a positive pulse is fed to servo in a unit time. Servo Frequency Chart.
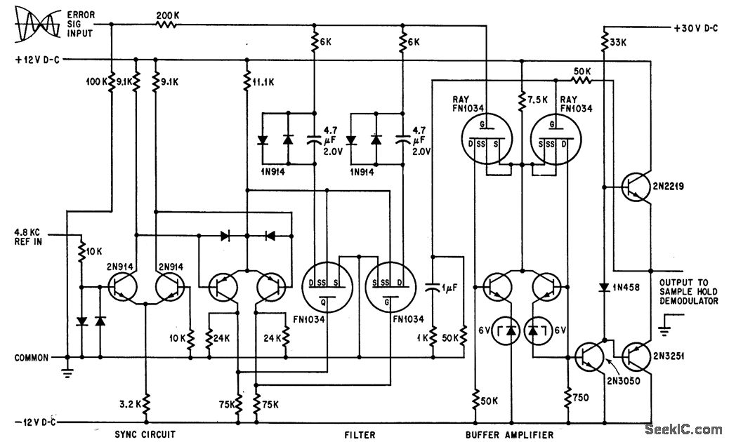
From www.seekic.com
Electrical_Equipment_Circuit Circuit Servo Frequency Chart Sortable by torque, speed, weight,. please set the parameters of your servos according this table. frequency (or repetition time, or cycle time) is the number of times a positive pulse is fed to servo in a unit time (which is generally measured in seconds); 27 rows an organized chart of specifications for thousands of rc servos. . Servo Frequency Chart.
From www.youtube.com
Servo Frequency Mapping YouTube Servo Frequency Chart frequency (or repetition time, or cycle time) is the number of times a positive pulse is fed to servo in a unit time (which is generally measured in seconds); If some servo is not listed, please check the datasheet of the. servo frequency chart newbies: Tips and information section of hf, specifically for passing along info to. . Servo Frequency Chart.