Radio And Dashboard Lights Not Working . One of the most common reasons. Here’s a look at some of the most common reasons why your dashboard lights might not be working properly: When the radio, dash lights, headlights,. If your car won't start but the lights and radio work fine, it could be one of several problems. It can also be caused by bad spark plugs or a faulty fuel pump. For example, your car battery could be dead. There can be many reasons why your vehicle’s infotainment system is not working. The most common reasons why a car won’t start, but the radio and lights work, are due to a bad starter motor, blown fuse or broken ignition switch. While it is not as common as a singular gauge failing, it is also possible for all of the dashboard gauges to suddenly stop working while you are driving. Here’s our guide to infotainment system problems, their causes, and how to fix.
from repairfixtommy77.z21.web.core.windows.net
Here’s a look at some of the most common reasons why your dashboard lights might not be working properly: It can also be caused by bad spark plugs or a faulty fuel pump. There can be many reasons why your vehicle’s infotainment system is not working. For example, your car battery could be dead. One of the most common reasons. Here’s our guide to infotainment system problems, their causes, and how to fix. While it is not as common as a singular gauge failing, it is also possible for all of the dashboard gauges to suddenly stop working while you are driving. The most common reasons why a car won’t start, but the radio and lights work, are due to a bad starter motor, blown fuse or broken ignition switch. If your car won't start but the lights and radio work fine, it could be one of several problems. When the radio, dash lights, headlights,.
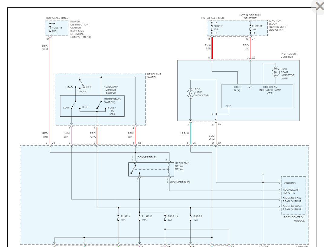
2013 Ford Focus Dash Display Not Working
Radio And Dashboard Lights Not Working When the radio, dash lights, headlights,. When the radio, dash lights, headlights,. Here’s a look at some of the most common reasons why your dashboard lights might not be working properly: For example, your car battery could be dead. Here’s our guide to infotainment system problems, their causes, and how to fix. While it is not as common as a singular gauge failing, it is also possible for all of the dashboard gauges to suddenly stop working while you are driving. There can be many reasons why your vehicle’s infotainment system is not working. The most common reasons why a car won’t start, but the radio and lights work, are due to a bad starter motor, blown fuse or broken ignition switch. One of the most common reasons. If your car won't start but the lights and radio work fine, it could be one of several problems. It can also be caused by bad spark plugs or a faulty fuel pump.
From shellysavonlea.net
Vw Polo Dashboard Lights Not Working Shelly Lighting Radio And Dashboard Lights Not Working It can also be caused by bad spark plugs or a faulty fuel pump. There can be many reasons why your vehicle’s infotainment system is not working. When the radio, dash lights, headlights,. Here’s our guide to infotainment system problems, their causes, and how to fix. Here’s a look at some of the most common reasons why your dashboard lights. Radio And Dashboard Lights Not Working.
From shellysavonlea.net
2003 Nissan Altima Dashboard Lights Not Working Shelly Lighting Radio And Dashboard Lights Not Working Here’s our guide to infotainment system problems, their causes, and how to fix. While it is not as common as a singular gauge failing, it is also possible for all of the dashboard gauges to suddenly stop working while you are driving. If your car won't start but the lights and radio work fine, it could be one of several. Radio And Dashboard Lights Not Working.
From shellysavonlea.net
2004 Toyota Prius Dash Lights Not Working Shelly Lighting Radio And Dashboard Lights Not Working For example, your car battery could be dead. While it is not as common as a singular gauge failing, it is also possible for all of the dashboard gauges to suddenly stop working while you are driving. If your car won't start but the lights and radio work fine, it could be one of several problems. The most common reasons. Radio And Dashboard Lights Not Working.
From psoriasisguru.com
Trans Am Dash Lights Not Working Radio And Dashboard Lights Not Working The most common reasons why a car won’t start, but the radio and lights work, are due to a bad starter motor, blown fuse or broken ignition switch. It can also be caused by bad spark plugs or a faulty fuel pump. For example, your car battery could be dead. If your car won't start but the lights and radio. Radio And Dashboard Lights Not Working.
From exoqqzsoc.blob.core.windows.net
Gu Dash Lights Not Working at Kelly Taylor blog Radio And Dashboard Lights Not Working Here’s a look at some of the most common reasons why your dashboard lights might not be working properly: Here’s our guide to infotainment system problems, their causes, and how to fix. The most common reasons why a car won’t start, but the radio and lights work, are due to a bad starter motor, blown fuse or broken ignition switch.. Radio And Dashboard Lights Not Working.
From www.youtube.com
indica V2 dashboard light not working YouTube Radio And Dashboard Lights Not Working For example, your car battery could be dead. It can also be caused by bad spark plugs or a faulty fuel pump. One of the most common reasons. The most common reasons why a car won’t start, but the radio and lights work, are due to a bad starter motor, blown fuse or broken ignition switch. If your car won't. Radio And Dashboard Lights Not Working.
From vehq.com
Dashboard Lights Not Working What To Do? Radio And Dashboard Lights Not Working For example, your car battery could be dead. If your car won't start but the lights and radio work fine, it could be one of several problems. Here’s a look at some of the most common reasons why your dashboard lights might not be working properly: The most common reasons why a car won’t start, but the radio and lights. Radio And Dashboard Lights Not Working.
From drivecruise.com
Toyota Prius Dashboard Light Not Working Troubleshooting Tips Drive Cruise Radio And Dashboard Lights Not Working For example, your car battery could be dead. One of the most common reasons. Here’s our guide to infotainment system problems, their causes, and how to fix. It can also be caused by bad spark plugs or a faulty fuel pump. There can be many reasons why your vehicle’s infotainment system is not working. When the radio, dash lights, headlights,.. Radio And Dashboard Lights Not Working.
From www.dubizzle.com
Car Dashboard Lights Not Working Causes, Fixes & More Radio And Dashboard Lights Not Working For example, your car battery could be dead. The most common reasons why a car won’t start, but the radio and lights work, are due to a bad starter motor, blown fuse or broken ignition switch. One of the most common reasons. It can also be caused by bad spark plugs or a faulty fuel pump. If your car won't. Radio And Dashboard Lights Not Working.
From repairfixtommy77.z21.web.core.windows.net
2013 Ford Focus Dash Display Not Working Radio And Dashboard Lights Not Working If your car won't start but the lights and radio work fine, it could be one of several problems. There can be many reasons why your vehicle’s infotainment system is not working. It can also be caused by bad spark plugs or a faulty fuel pump. For example, your car battery could be dead. When the radio, dash lights, headlights,.. Radio And Dashboard Lights Not Working.
From www.wikihow.com
3 Ways to Fix Dashboard Lights That Won't Light wikiHow Radio And Dashboard Lights Not Working The most common reasons why a car won’t start, but the radio and lights work, are due to a bad starter motor, blown fuse or broken ignition switch. When the radio, dash lights, headlights,. There can be many reasons why your vehicle’s infotainment system is not working. One of the most common reasons. While it is not as common as. Radio And Dashboard Lights Not Working.
From garageburhaveftn.z21.web.core.windows.net
Dashboard Lights Not Working When Headlights On Radio And Dashboard Lights Not Working When the radio, dash lights, headlights,. The most common reasons why a car won’t start, but the radio and lights work, are due to a bad starter motor, blown fuse or broken ignition switch. It can also be caused by bad spark plugs or a faulty fuel pump. There can be many reasons why your vehicle’s infotainment system is not. Radio And Dashboard Lights Not Working.
From mechanicdbtorquated.z21.web.core.windows.net
Ford Focus Won't Start No Dash Lights Radio And Dashboard Lights Not Working There can be many reasons why your vehicle’s infotainment system is not working. When the radio, dash lights, headlights,. Here’s a look at some of the most common reasons why your dashboard lights might not be working properly: The most common reasons why a car won’t start, but the radio and lights work, are due to a bad starter motor,. Radio And Dashboard Lights Not Working.
From workshopfixzibet.z21.web.core.windows.net
What Do Honda Dashboard Lights Mean Radio And Dashboard Lights Not Working It can also be caused by bad spark plugs or a faulty fuel pump. If your car won't start but the lights and radio work fine, it could be one of several problems. When the radio, dash lights, headlights,. While it is not as common as a singular gauge failing, it is also possible for all of the dashboard gauges. Radio And Dashboard Lights Not Working.
From gioazwywa.blob.core.windows.net
Indicator Dash Lights Not Working at James Collins blog Radio And Dashboard Lights Not Working While it is not as common as a singular gauge failing, it is also possible for all of the dashboard gauges to suddenly stop working while you are driving. Here’s a look at some of the most common reasons why your dashboard lights might not be working properly: For example, your car battery could be dead. There can be many. Radio And Dashboard Lights Not Working.
From www.2carpros.com
Dashboard Lights Not Working Properly Having Problems with My Radio And Dashboard Lights Not Working For example, your car battery could be dead. When the radio, dash lights, headlights,. There can be many reasons why your vehicle’s infotainment system is not working. If your car won't start but the lights and radio work fine, it could be one of several problems. The most common reasons why a car won’t start, but the radio and lights. Radio And Dashboard Lights Not Working.
From www.chevyhhr.net
dashboard lights not working Page 2 Chevy HHR Network Radio And Dashboard Lights Not Working When the radio, dash lights, headlights,. If your car won't start but the lights and radio work fine, it could be one of several problems. The most common reasons why a car won’t start, but the radio and lights work, are due to a bad starter motor, blown fuse or broken ignition switch. Here’s our guide to infotainment system problems,. Radio And Dashboard Lights Not Working.
From shellysavonlea.net
Scion Tc Dash Lights Not Working Shelly Lighting Radio And Dashboard Lights Not Working The most common reasons why a car won’t start, but the radio and lights work, are due to a bad starter motor, blown fuse or broken ignition switch. When the radio, dash lights, headlights,. Here’s our guide to infotainment system problems, their causes, and how to fix. It can also be caused by bad spark plugs or a faulty fuel. Radio And Dashboard Lights Not Working.
From workshopsanora123.z19.web.core.windows.net
2008 Toyota Prius Dashboard Lights Not Working Radio And Dashboard Lights Not Working When the radio, dash lights, headlights,. One of the most common reasons. While it is not as common as a singular gauge failing, it is also possible for all of the dashboard gauges to suddenly stop working while you are driving. If your car won't start but the lights and radio work fine, it could be one of several problems.. Radio And Dashboard Lights Not Working.
From ranwhenparked.net
Dashboard Lights Not Working Common Causes and Solutions Ran When Parked Car, Vehicle Radio And Dashboard Lights Not Working If your car won't start but the lights and radio work fine, it could be one of several problems. The most common reasons why a car won’t start, but the radio and lights work, are due to a bad starter motor, blown fuse or broken ignition switch. When the radio, dash lights, headlights,. Here’s a look at some of the. Radio And Dashboard Lights Not Working.
From americanwarmoms.org
1995 Nissan Altima Dash Lights Not Working Radio And Dashboard Lights Not Working The most common reasons why a car won’t start, but the radio and lights work, are due to a bad starter motor, blown fuse or broken ignition switch. Here’s our guide to infotainment system problems, their causes, and how to fix. Here’s a look at some of the most common reasons why your dashboard lights might not be working properly:. Radio And Dashboard Lights Not Working.
From ranwhenparked.net
Dashboard Lights Not Working Common Causes and Solutions Ran When Parked Car, Vehicle Radio And Dashboard Lights Not Working While it is not as common as a singular gauge failing, it is also possible for all of the dashboard gauges to suddenly stop working while you are driving. If your car won't start but the lights and radio work fine, it could be one of several problems. It can also be caused by bad spark plugs or a faulty. Radio And Dashboard Lights Not Working.
From gomechanic.in
A Comprehensive Guide To Dashboard Warning Lights Radio And Dashboard Lights Not Working Here’s our guide to infotainment system problems, their causes, and how to fix. While it is not as common as a singular gauge failing, it is also possible for all of the dashboard gauges to suddenly stop working while you are driving. If your car won't start but the lights and radio work fine, it could be one of several. Radio And Dashboard Lights Not Working.
From shellysavonlea.net
Vw T5 Dashboard Lights Not Working Shelly Lighting Radio And Dashboard Lights Not Working If your car won't start but the lights and radio work fine, it could be one of several problems. There can be many reasons why your vehicle’s infotainment system is not working. While it is not as common as a singular gauge failing, it is also possible for all of the dashboard gauges to suddenly stop working while you are. Radio And Dashboard Lights Not Working.
From repairmachinescersuawske.z22.web.core.windows.net
Toyota Prius Dashboard Lights Not Working Radio And Dashboard Lights Not Working Here’s a look at some of the most common reasons why your dashboard lights might not be working properly: One of the most common reasons. Here’s our guide to infotainment system problems, their causes, and how to fix. The most common reasons why a car won’t start, but the radio and lights work, are due to a bad starter motor,. Radio And Dashboard Lights Not Working.
From www.yourmechanic.com
How to Repair Dashboard Lights YourMechanic Advice Radio And Dashboard Lights Not Working When the radio, dash lights, headlights,. There can be many reasons why your vehicle’s infotainment system is not working. Here’s our guide to infotainment system problems, their causes, and how to fix. Here’s a look at some of the most common reasons why your dashboard lights might not be working properly: While it is not as common as a singular. Radio And Dashboard Lights Not Working.
From ranwhenparked.net
Dashboard Lights Not Working Common Causes and Solutions Ran When Parked Car, Vehicle Radio And Dashboard Lights Not Working While it is not as common as a singular gauge failing, it is also possible for all of the dashboard gauges to suddenly stop working while you are driving. When the radio, dash lights, headlights,. It can also be caused by bad spark plugs or a faulty fuel pump. There can be many reasons why your vehicle’s infotainment system is. Radio And Dashboard Lights Not Working.
From www.northamericanmotoring.com
R56 Dashboard / Radio Button Lights Not Working? North American Motoring Radio And Dashboard Lights Not Working For example, your car battery could be dead. The most common reasons why a car won’t start, but the radio and lights work, are due to a bad starter motor, blown fuse or broken ignition switch. It can also be caused by bad spark plugs or a faulty fuel pump. If your car won't start but the lights and radio. Radio And Dashboard Lights Not Working.
From ranwhenparked.net
Dashboard Lights Not Working Common Causes and Solutions Ran When Parked Car, Vehicle Radio And Dashboard Lights Not Working The most common reasons why a car won’t start, but the radio and lights work, are due to a bad starter motor, blown fuse or broken ignition switch. Here’s a look at some of the most common reasons why your dashboard lights might not be working properly: It can also be caused by bad spark plugs or a faulty fuel. Radio And Dashboard Lights Not Working.
From ranwhenparked.net
Dashboard Lights Not Working Common Causes and Solutions Ran When Parked Car, Vehicle Radio And Dashboard Lights Not Working The most common reasons why a car won’t start, but the radio and lights work, are due to a bad starter motor, blown fuse or broken ignition switch. There can be many reasons why your vehicle’s infotainment system is not working. One of the most common reasons. If your car won't start but the lights and radio work fine, it. Radio And Dashboard Lights Not Working.
From americanwarmoms.org
2007 Toyota Corolla Dashboard Lights Not Working Radio And Dashboard Lights Not Working Here’s a look at some of the most common reasons why your dashboard lights might not be working properly: The most common reasons why a car won’t start, but the radio and lights work, are due to a bad starter motor, blown fuse or broken ignition switch. There can be many reasons why your vehicle’s infotainment system is not working.. Radio And Dashboard Lights Not Working.
From www.dubizzle.com
Car Dashboard Lights Not Working Causes, Fixes & More Radio And Dashboard Lights Not Working It can also be caused by bad spark plugs or a faulty fuel pump. The most common reasons why a car won’t start, but the radio and lights work, are due to a bad starter motor, blown fuse or broken ignition switch. Here’s a look at some of the most common reasons why your dashboard lights might not be working. Radio And Dashboard Lights Not Working.
From torquetrip.com
How To Fix My Dashboard Lights A Comprehensive Guide! Torque Trip Radio And Dashboard Lights Not Working The most common reasons why a car won’t start, but the radio and lights work, are due to a bad starter motor, blown fuse or broken ignition switch. While it is not as common as a singular gauge failing, it is also possible for all of the dashboard gauges to suddenly stop working while you are driving. If your car. Radio And Dashboard Lights Not Working.
From www.youtube.com
Maruti Suzuki swift dashboard lights not working?? YouTube Radio And Dashboard Lights Not Working Here’s our guide to infotainment system problems, their causes, and how to fix. For example, your car battery could be dead. If your car won't start but the lights and radio work fine, it could be one of several problems. One of the most common reasons. While it is not as common as a singular gauge failing, it is also. Radio And Dashboard Lights Not Working.
From vehq.com
Dashboard Lights Not Working What To Do? Radio And Dashboard Lights Not Working While it is not as common as a singular gauge failing, it is also possible for all of the dashboard gauges to suddenly stop working while you are driving. The most common reasons why a car won’t start, but the radio and lights work, are due to a bad starter motor, blown fuse or broken ignition switch. It can also. Radio And Dashboard Lights Not Working.