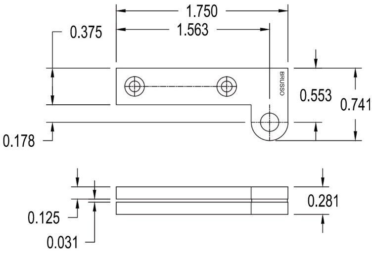
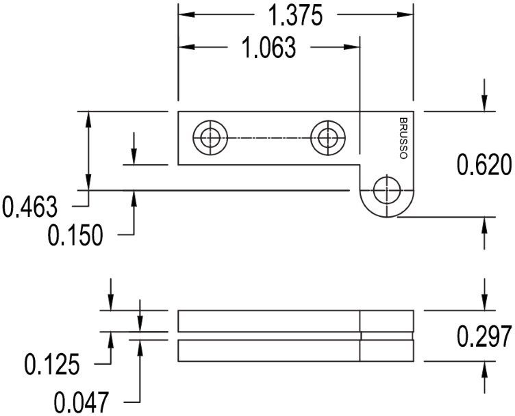
Brusso Offset Pivot Hinges . using brusso's offset pivot hinges, the pivot point of the hinge extends beyond the surface of the door providing a larger allowance. the brusso li intermediate offset pivot hinge fills the gap in their offset pivot hinge line. offset pivot cabinet hinges are installed by mortising into the top and bottom of the door and frame. See the drawing below for an. This brusso pivot hinge is. american made offset pivot hinge by brusso precision hardware. This hinge is designed to be installed. Made for fine cabinets and furniture.
from www.fine-tools.com
the brusso li intermediate offset pivot hinge fills the gap in their offset pivot hinge line. using brusso's offset pivot hinges, the pivot point of the hinge extends beyond the surface of the door providing a larger allowance. This brusso pivot hinge is. See the drawing below for an. offset pivot cabinet hinges are installed by mortising into the top and bottom of the door and frame. american made offset pivot hinge by brusso precision hardware. Made for fine cabinets and furniture. This hinge is designed to be installed.
BRUSSO Hinges
Brusso Offset Pivot Hinges using brusso's offset pivot hinges, the pivot point of the hinge extends beyond the surface of the door providing a larger allowance. the brusso li intermediate offset pivot hinge fills the gap in their offset pivot hinge line. Made for fine cabinets and furniture. american made offset pivot hinge by brusso precision hardware. See the drawing below for an. using brusso's offset pivot hinges, the pivot point of the hinge extends beyond the surface of the door providing a larger allowance. offset pivot cabinet hinges are installed by mortising into the top and bottom of the door and frame. This hinge is designed to be installed. This brusso pivot hinge is.
From www.brusso.com
L37 Pivot Hinge Brusso Hardware Brusso Offset Pivot Hinges offset pivot cabinet hinges are installed by mortising into the top and bottom of the door and frame. the brusso li intermediate offset pivot hinge fills the gap in their offset pivot hinge line. Made for fine cabinets and furniture. american made offset pivot hinge by brusso precision hardware. This brusso pivot hinge is. This hinge is. Brusso Offset Pivot Hinges.
From cabinet.matttroy.net
Brusso Offset Pivot Hinges Matttroy Brusso Offset Pivot Hinges This hinge is designed to be installed. Made for fine cabinets and furniture. using brusso's offset pivot hinges, the pivot point of the hinge extends beyond the surface of the door providing a larger allowance. See the drawing below for an. the brusso li intermediate offset pivot hinge fills the gap in their offset pivot hinge line. . Brusso Offset Pivot Hinges.
From cabinet.matttroy.net
Brusso Offset Pivot Hinges Matttroy Brusso Offset Pivot Hinges offset pivot cabinet hinges are installed by mortising into the top and bottom of the door and frame. using brusso's offset pivot hinges, the pivot point of the hinge extends beyond the surface of the door providing a larger allowance. This hinge is designed to be installed. Made for fine cabinets and furniture. the brusso li intermediate. Brusso Offset Pivot Hinges.
From www.leevalley.com
Brusso Double Offset Knife Hinges Lee Valley Tools Brusso Offset Pivot Hinges american made offset pivot hinge by brusso precision hardware. using brusso's offset pivot hinges, the pivot point of the hinge extends beyond the surface of the door providing a larger allowance. See the drawing below for an. This hinge is designed to be installed. offset pivot cabinet hinges are installed by mortising into the top and bottom. Brusso Offset Pivot Hinges.
From www.classichandtools.com
Brusso Brass Offset Pivot Hinge L87 Classic Hand Tools Limited Brusso Offset Pivot Hinges Made for fine cabinets and furniture. See the drawing below for an. the brusso li intermediate offset pivot hinge fills the gap in their offset pivot hinge line. using brusso's offset pivot hinges, the pivot point of the hinge extends beyond the surface of the door providing a larger allowance. offset pivot cabinet hinges are installed by. Brusso Offset Pivot Hinges.
From www.robles.edu.gt
Brusso Straight Pivot Hinges, 42 OFF Brusso Offset Pivot Hinges This brusso pivot hinge is. This hinge is designed to be installed. american made offset pivot hinge by brusso precision hardware. offset pivot cabinet hinges are installed by mortising into the top and bottom of the door and frame. See the drawing below for an. Made for fine cabinets and furniture. using brusso's offset pivot hinges, the. Brusso Offset Pivot Hinges.
From cabinet.matttroy.net
Brusso Offset Pivot Hinges Matttroy Brusso Offset Pivot Hinges american made offset pivot hinge by brusso precision hardware. offset pivot cabinet hinges are installed by mortising into the top and bottom of the door and frame. This brusso pivot hinge is. the brusso li intermediate offset pivot hinge fills the gap in their offset pivot hinge line. See the drawing below for an. Made for fine. Brusso Offset Pivot Hinges.
From www.pinterest.com
Brusso Brass Offset Pivot Hinge Hinges, Brass, Hardware finishes Brusso Offset Pivot Hinges the brusso li intermediate offset pivot hinge fills the gap in their offset pivot hinge line. This hinge is designed to be installed. See the drawing below for an. This brusso pivot hinge is. offset pivot cabinet hinges are installed by mortising into the top and bottom of the door and frame. Made for fine cabinets and furniture.. Brusso Offset Pivot Hinges.
From www.classichandtools.com
Brusso Brass Offset Pivot Hinge L93 Classic Hand Tools Limited Brusso Offset Pivot Hinges offset pivot cabinet hinges are installed by mortising into the top and bottom of the door and frame. american made offset pivot hinge by brusso precision hardware. Made for fine cabinets and furniture. See the drawing below for an. This hinge is designed to be installed. This brusso pivot hinge is. the brusso li intermediate offset pivot. Brusso Offset Pivot Hinges.
From www.classichandtools.com
Brusso Brass Offset Pivot Hinge L97 Classic Hand Tools Limited Brusso Offset Pivot Hinges using brusso's offset pivot hinges, the pivot point of the hinge extends beyond the surface of the door providing a larger allowance. See the drawing below for an. This brusso pivot hinge is. Made for fine cabinets and furniture. the brusso li intermediate offset pivot hinge fills the gap in their offset pivot hinge line. offset pivot. Brusso Offset Pivot Hinges.
From www.classichandtools.com
Brusso Brass Offset Pivot Hinge L19 Classic Hand Tools Limited Brusso Offset Pivot Hinges This hinge is designed to be installed. Made for fine cabinets and furniture. This brusso pivot hinge is. american made offset pivot hinge by brusso precision hardware. See the drawing below for an. the brusso li intermediate offset pivot hinge fills the gap in their offset pivot hinge line. offset pivot cabinet hinges are installed by mortising. Brusso Offset Pivot Hinges.
From www.classichandtools.com
Brusso Brass Offset Pivot Hinge L39 Classic Hand Tools Limited Brusso Offset Pivot Hinges This hinge is designed to be installed. See the drawing below for an. This brusso pivot hinge is. american made offset pivot hinge by brusso precision hardware. the brusso li intermediate offset pivot hinge fills the gap in their offset pivot hinge line. offset pivot cabinet hinges are installed by mortising into the top and bottom of. Brusso Offset Pivot Hinges.
From www.classichandtools.com
Brusso Brass Offset Pivot Hinge L37 Classic Hand Tools Limited Brusso Offset Pivot Hinges This brusso pivot hinge is. using brusso's offset pivot hinges, the pivot point of the hinge extends beyond the surface of the door providing a larger allowance. This hinge is designed to be installed. the brusso li intermediate offset pivot hinge fills the gap in their offset pivot hinge line. See the drawing below for an. Made for. Brusso Offset Pivot Hinges.
From cabinet.matttroy.net
Brusso Offset Pivot Hinges Matttroy Brusso Offset Pivot Hinges using brusso's offset pivot hinges, the pivot point of the hinge extends beyond the surface of the door providing a larger allowance. Made for fine cabinets and furniture. See the drawing below for an. offset pivot cabinet hinges are installed by mortising into the top and bottom of the door and frame. This hinge is designed to be. Brusso Offset Pivot Hinges.
From www.fine-tools.com
BRUSSO Hinges Brusso Offset Pivot Hinges offset pivot cabinet hinges are installed by mortising into the top and bottom of the door and frame. See the drawing below for an. the brusso li intermediate offset pivot hinge fills the gap in their offset pivot hinge line. using brusso's offset pivot hinges, the pivot point of the hinge extends beyond the surface of the. Brusso Offset Pivot Hinges.
From www.classichandtools.com
Brusso Brass Offset Pivot Hinge L23 Classic Hand Tools Limited Brusso Offset Pivot Hinges Made for fine cabinets and furniture. the brusso li intermediate offset pivot hinge fills the gap in their offset pivot hinge line. american made offset pivot hinge by brusso precision hardware. See the drawing below for an. offset pivot cabinet hinges are installed by mortising into the top and bottom of the door and frame. This brusso. Brusso Offset Pivot Hinges.
From www.brusso.com
Offset Pivot Hinges Made in the USA Brusso Offset Pivot Hinges This brusso pivot hinge is. offset pivot cabinet hinges are installed by mortising into the top and bottom of the door and frame. This hinge is designed to be installed. the brusso li intermediate offset pivot hinge fills the gap in their offset pivot hinge line. using brusso's offset pivot hinges, the pivot point of the hinge. Brusso Offset Pivot Hinges.
From toolsforworkingwood.com
Brusso Offset Pivot Hinges Brusso Offset Pivot Hinges offset pivot cabinet hinges are installed by mortising into the top and bottom of the door and frame. using brusso's offset pivot hinges, the pivot point of the hinge extends beyond the surface of the door providing a larger allowance. See the drawing below for an. This hinge is designed to be installed. american made offset pivot. Brusso Offset Pivot Hinges.
From www.brusso.com
L87 Pivot Hinge Brusso Hardware Brusso Offset Pivot Hinges See the drawing below for an. using brusso's offset pivot hinges, the pivot point of the hinge extends beyond the surface of the door providing a larger allowance. the brusso li intermediate offset pivot hinge fills the gap in their offset pivot hinge line. american made offset pivot hinge by brusso precision hardware. Made for fine cabinets. Brusso Offset Pivot Hinges.
From www.classichandtools.com
Brusso Pivot Hinges Shop by Brand Classic Hand Tools Limited Brusso Offset Pivot Hinges See the drawing below for an. This hinge is designed to be installed. american made offset pivot hinge by brusso precision hardware. offset pivot cabinet hinges are installed by mortising into the top and bottom of the door and frame. using brusso's offset pivot hinges, the pivot point of the hinge extends beyond the surface of the. Brusso Offset Pivot Hinges.
From www.pinterest.com.au
Brusso is very proud of its line of Offset Knife Hinges. Never stamped Brusso Offset Pivot Hinges This brusso pivot hinge is. using brusso's offset pivot hinges, the pivot point of the hinge extends beyond the surface of the door providing a larger allowance. See the drawing below for an. Made for fine cabinets and furniture. american made offset pivot hinge by brusso precision hardware. offset pivot cabinet hinges are installed by mortising into. Brusso Offset Pivot Hinges.
From www.classichandtools.com
Brusso Stainless Centre Pivot Hinge ST97S Classic Hand Tools Limited Brusso Offset Pivot Hinges This brusso pivot hinge is. Made for fine cabinets and furniture. offset pivot cabinet hinges are installed by mortising into the top and bottom of the door and frame. american made offset pivot hinge by brusso precision hardware. See the drawing below for an. the brusso li intermediate offset pivot hinge fills the gap in their offset. Brusso Offset Pivot Hinges.
From cabinet.matttroy.net
Brusso Offset Pivot Hinges Matttroy Brusso Offset Pivot Hinges This brusso pivot hinge is. Made for fine cabinets and furniture. See the drawing below for an. american made offset pivot hinge by brusso precision hardware. This hinge is designed to be installed. offset pivot cabinet hinges are installed by mortising into the top and bottom of the door and frame. using brusso's offset pivot hinges, the. Brusso Offset Pivot Hinges.
From www.pinterest.com
Brusso Offset Pivot Hinges All sizes are available in both Brusso Offset Pivot Hinges american made offset pivot hinge by brusso precision hardware. offset pivot cabinet hinges are installed by mortising into the top and bottom of the door and frame. This brusso pivot hinge is. the brusso li intermediate offset pivot hinge fills the gap in their offset pivot hinge line. using brusso's offset pivot hinges, the pivot point. Brusso Offset Pivot Hinges.
From www.brusso.com
L37 Pivot Hinge Brusso Hardware Brusso Offset Pivot Hinges using brusso's offset pivot hinges, the pivot point of the hinge extends beyond the surface of the door providing a larger allowance. This hinge is designed to be installed. american made offset pivot hinge by brusso precision hardware. the brusso li intermediate offset pivot hinge fills the gap in their offset pivot hinge line. Made for fine. Brusso Offset Pivot Hinges.
From www.classichandtools.com
Brusso Stainless Offset Pivot Hinge L19S Classic Hand Tools Limited Brusso Offset Pivot Hinges This hinge is designed to be installed. american made offset pivot hinge by brusso precision hardware. offset pivot cabinet hinges are installed by mortising into the top and bottom of the door and frame. using brusso's offset pivot hinges, the pivot point of the hinge extends beyond the surface of the door providing a larger allowance. Made. Brusso Offset Pivot Hinges.
From www.classichandtools.com
Brusso Brass Offset Pivot Hinge L23 Classic Hand Tools Limited Brusso Offset Pivot Hinges american made offset pivot hinge by brusso precision hardware. This brusso pivot hinge is. the brusso li intermediate offset pivot hinge fills the gap in their offset pivot hinge line. offset pivot cabinet hinges are installed by mortising into the top and bottom of the door and frame. This hinge is designed to be installed. using. Brusso Offset Pivot Hinges.
From www.classichandtools.com
Brusso Stainless Offset Pivot Hinge L39S Classic Hand Tools Limited Brusso Offset Pivot Hinges offset pivot cabinet hinges are installed by mortising into the top and bottom of the door and frame. using brusso's offset pivot hinges, the pivot point of the hinge extends beyond the surface of the door providing a larger allowance. See the drawing below for an. This hinge is designed to be installed. american made offset pivot. Brusso Offset Pivot Hinges.
From www.classichandtools.com
Brusso Brass Offset Pivot Hinge L19 Classic Hand Tools Limited Brusso Offset Pivot Hinges See the drawing below for an. the brusso li intermediate offset pivot hinge fills the gap in their offset pivot hinge line. using brusso's offset pivot hinges, the pivot point of the hinge extends beyond the surface of the door providing a larger allowance. offset pivot cabinet hinges are installed by mortising into the top and bottom. Brusso Offset Pivot Hinges.
From www.classichandtools.com
Brusso Brass Offset Pivot Hinge L97 Classic Hand Tools Limited Brusso Offset Pivot Hinges See the drawing below for an. using brusso's offset pivot hinges, the pivot point of the hinge extends beyond the surface of the door providing a larger allowance. american made offset pivot hinge by brusso precision hardware. This brusso pivot hinge is. This hinge is designed to be installed. offset pivot cabinet hinges are installed by mortising. Brusso Offset Pivot Hinges.
From www.classichandtools.com
Brusso Brass Offset Pivot Hinge L87 Classic Hand Tools Limited Brusso Offset Pivot Hinges offset pivot cabinet hinges are installed by mortising into the top and bottom of the door and frame. See the drawing below for an. american made offset pivot hinge by brusso precision hardware. Made for fine cabinets and furniture. This brusso pivot hinge is. This hinge is designed to be installed. the brusso li intermediate offset pivot. Brusso Offset Pivot Hinges.
From www.fine-tools.com
BRUSSO Hinges Brusso Offset Pivot Hinges the brusso li intermediate offset pivot hinge fills the gap in their offset pivot hinge line. This hinge is designed to be installed. offset pivot cabinet hinges are installed by mortising into the top and bottom of the door and frame. american made offset pivot hinge by brusso precision hardware. See the drawing below for an. This. Brusso Offset Pivot Hinges.
From www.pinterest.com.au
Brusso Offset Pivot Hinges Find out more Brusso Offset Pivot Hinges the brusso li intermediate offset pivot hinge fills the gap in their offset pivot hinge line. using brusso's offset pivot hinges, the pivot point of the hinge extends beyond the surface of the door providing a larger allowance. This brusso pivot hinge is. american made offset pivot hinge by brusso precision hardware. This hinge is designed to. Brusso Offset Pivot Hinges.
From cabinet.matttroy.net
Brusso Offset Pivot Hinges Matttroy Brusso Offset Pivot Hinges This hinge is designed to be installed. Made for fine cabinets and furniture. This brusso pivot hinge is. american made offset pivot hinge by brusso precision hardware. the brusso li intermediate offset pivot hinge fills the gap in their offset pivot hinge line. See the drawing below for an. offset pivot cabinet hinges are installed by mortising. Brusso Offset Pivot Hinges.
From cabinet.matttroy.net
Brusso Offset Pivot Hinges Matttroy Brusso Offset Pivot Hinges using brusso's offset pivot hinges, the pivot point of the hinge extends beyond the surface of the door providing a larger allowance. This brusso pivot hinge is. See the drawing below for an. This hinge is designed to be installed. Made for fine cabinets and furniture. the brusso li intermediate offset pivot hinge fills the gap in their. Brusso Offset Pivot Hinges.