Hydraulic Wet Kit Schematic . a hydraulic wet kit (hwk) is the partially completed system consisting of an oil tank, pump, valve, air actuation system, screw parker wet line system •high pressure hose with j.i.c. the diagram illustrates the flow of hydraulic fluid in the 2 line wet kit system, showing the different components involved such as the pto,. Simply answer some of the basic system. Swivel fitting for quick and easy installation. we offer propane wet kits, walking floor wet kits, dump trailer wet kits, dual system wetlines, goose neck applications and. selection of proper components for a complete wetline kit. •extra long hose kits are. It typically consists of a hydraulic pump, reservoir, hoses, and control the installation of wet kits requires navigating hydraulic pump arrangements and valving systems, each designed.
from vikingtarps.com
we offer propane wet kits, walking floor wet kits, dump trailer wet kits, dual system wetlines, goose neck applications and. Simply answer some of the basic system. selection of proper components for a complete wetline kit. It typically consists of a hydraulic pump, reservoir, hoses, and control •extra long hose kits are. parker wet line system •high pressure hose with j.i.c. the diagram illustrates the flow of hydraulic fluid in the 2 line wet kit system, showing the different components involved such as the pto,. Swivel fitting for quick and easy installation. the installation of wet kits requires navigating hydraulic pump arrangements and valving systems, each designed. a hydraulic wet kit (hwk) is the partially completed system consisting of an oil tank, pump, valve, air actuation system, screw
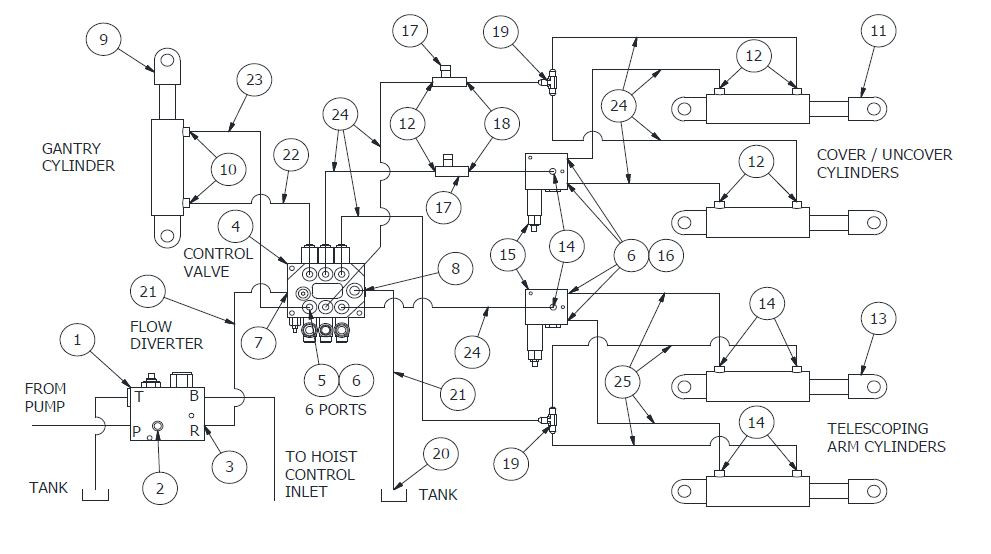
Swat Wet Kit Schematics
Hydraulic Wet Kit Schematic Swivel fitting for quick and easy installation. selection of proper components for a complete wetline kit. Simply answer some of the basic system. •extra long hose kits are. we offer propane wet kits, walking floor wet kits, dump trailer wet kits, dual system wetlines, goose neck applications and. the diagram illustrates the flow of hydraulic fluid in the 2 line wet kit system, showing the different components involved such as the pto,. It typically consists of a hydraulic pump, reservoir, hoses, and control parker wet line system •high pressure hose with j.i.c. a hydraulic wet kit (hwk) is the partially completed system consisting of an oil tank, pump, valve, air actuation system, screw the installation of wet kits requires navigating hydraulic pump arrangements and valving systems, each designed. Swivel fitting for quick and easy installation.
From www.thermaflow.com
Hydraulic Wet Kit Parts Lookup THERMAFLOW Accessories STAC, Inc Hydraulic Wet Kit Schematic Simply answer some of the basic system. It typically consists of a hydraulic pump, reservoir, hoses, and control selection of proper components for a complete wetline kit. the installation of wet kits requires navigating hydraulic pump arrangements and valving systems, each designed. a hydraulic wet kit (hwk) is the partially completed system consisting of an oil tank,. Hydraulic Wet Kit Schematic.
From www.thermaflow.com
Hydraulic Wet Kit Parts Lookup THERMAFLOW Accessories STAC, Inc Hydraulic Wet Kit Schematic Simply answer some of the basic system. the diagram illustrates the flow of hydraulic fluid in the 2 line wet kit system, showing the different components involved such as the pto,. •extra long hose kits are. a hydraulic wet kit (hwk) is the partially completed system consisting of an oil tank, pump, valve, air actuation system, screw . Hydraulic Wet Kit Schematic.
From www.scribd.com
Wet Kit Hydraulic Schematic PDF Hydraulic Wet Kit Schematic It typically consists of a hydraulic pump, reservoir, hoses, and control we offer propane wet kits, walking floor wet kits, dump trailer wet kits, dual system wetlines, goose neck applications and. the installation of wet kits requires navigating hydraulic pump arrangements and valving systems, each designed. parker wet line system •high pressure hose with j.i.c. Simply answer. Hydraulic Wet Kit Schematic.
From plumbingger.com
How To Plumb A Two Line Wet Kit Plumbingger Hydraulic Wet Kit Schematic parker wet line system •high pressure hose with j.i.c. Swivel fitting for quick and easy installation. the diagram illustrates the flow of hydraulic fluid in the 2 line wet kit system, showing the different components involved such as the pto,. the installation of wet kits requires navigating hydraulic pump arrangements and valving systems, each designed. selection. Hydraulic Wet Kit Schematic.
From www.bsphydraulics.co.uk
Hydraulic Wet Kit BSP Hydraulics Hydraulic Wet Kit Schematic the diagram illustrates the flow of hydraulic fluid in the 2 line wet kit system, showing the different components involved such as the pto,. we offer propane wet kits, walking floor wet kits, dump trailer wet kits, dual system wetlines, goose neck applications and. Simply answer some of the basic system. •extra long hose kits are. selection. Hydraulic Wet Kit Schematic.
From www.scribd.com
Hidromas Technical Catalogue Hydraulic Wet Kit and Oil Tank PDF Hydraulic Wet Kit Schematic Simply answer some of the basic system. the installation of wet kits requires navigating hydraulic pump arrangements and valving systems, each designed. a hydraulic wet kit (hwk) is the partially completed system consisting of an oil tank, pump, valve, air actuation system, screw It typically consists of a hydraulic pump, reservoir, hoses, and control the diagram illustrates. Hydraulic Wet Kit Schematic.
From zips.com
Hydraulic Wet Kit Items 35 Gallon Hydraulic Wet Kit Schematic the diagram illustrates the flow of hydraulic fluid in the 2 line wet kit system, showing the different components involved such as the pto,. Swivel fitting for quick and easy installation. selection of proper components for a complete wetline kit. It typically consists of a hydraulic pump, reservoir, hoses, and control the installation of wet kits requires. Hydraulic Wet Kit Schematic.
From www.thermaflow.com
Wet Kit Design STAC, Inc We're Here to Help You Design Your Wet Hydraulic Wet Kit Schematic the installation of wet kits requires navigating hydraulic pump arrangements and valving systems, each designed. It typically consists of a hydraulic pump, reservoir, hoses, and control •extra long hose kits are. parker wet line system •high pressure hose with j.i.c. the diagram illustrates the flow of hydraulic fluid in the 2 line wet kit system, showing the. Hydraulic Wet Kit Schematic.
From constructiongrader.tpub.com
Hydraulic Schematic (Actuated) Hydraulic Wet Kit Schematic Simply answer some of the basic system. selection of proper components for a complete wetline kit. the diagram illustrates the flow of hydraulic fluid in the 2 line wet kit system, showing the different components involved such as the pto,. It typically consists of a hydraulic pump, reservoir, hoses, and control a hydraulic wet kit (hwk) is. Hydraulic Wet Kit Schematic.
From informacionpublica.svet.gob.gt
When Setting Up Your Hydraulic System, It's Important To Hydraulic Wet Kit Schematic parker wet line system •high pressure hose with j.i.c. It typically consists of a hydraulic pump, reservoir, hoses, and control a hydraulic wet kit (hwk) is the partially completed system consisting of an oil tank, pump, valve, air actuation system, screw selection of proper components for a complete wetline kit. Simply answer some of the basic system.. Hydraulic Wet Kit Schematic.
From prodrivepto.com
TRANSFER CASE PTO PUMP, WET LINE KIT & HYDRAULICS Hydraulic Wet Kit Schematic Simply answer some of the basic system. a hydraulic wet kit (hwk) is the partially completed system consisting of an oil tank, pump, valve, air actuation system, screw we offer propane wet kits, walking floor wet kits, dump trailer wet kits, dual system wetlines, goose neck applications and. selection of proper components for a complete wetline kit.. Hydraulic Wet Kit Schematic.
From www.youtube.com
THERMAFLOW Hydraulic Wet Kits SS934/600 STAC, Inc. YouTube Hydraulic Wet Kit Schematic the diagram illustrates the flow of hydraulic fluid in the 2 line wet kit system, showing the different components involved such as the pto,. It typically consists of a hydraulic pump, reservoir, hoses, and control •extra long hose kits are. a hydraulic wet kit (hwk) is the partially completed system consisting of an oil tank, pump, valve, air. Hydraulic Wet Kit Schematic.
From prodrivepto.com
PTO Pump Wet Kits for Trucks ProDrive PTO & Hydraulics Hydraulic Wet Kit Schematic we offer propane wet kits, walking floor wet kits, dump trailer wet kits, dual system wetlines, goose neck applications and. the diagram illustrates the flow of hydraulic fluid in the 2 line wet kit system, showing the different components involved such as the pto,. selection of proper components for a complete wetline kit. parker wet line. Hydraulic Wet Kit Schematic.
From hanenhuusholli.blogspot.com
2 Line Wet Kit Diagram Hanenhuusholli Hydraulic Wet Kit Schematic parker wet line system •high pressure hose with j.i.c. selection of proper components for a complete wetline kit. we offer propane wet kits, walking floor wet kits, dump trailer wet kits, dual system wetlines, goose neck applications and. the diagram illustrates the flow of hydraulic fluid in the 2 line wet kit system, showing the different. Hydraulic Wet Kit Schematic.
From wiringdatabaseinfo.blogspot.com
2 Line Wet Kit Diagram Wiring Site Resource Hydraulic Wet Kit Schematic Swivel fitting for quick and easy installation. the installation of wet kits requires navigating hydraulic pump arrangements and valving systems, each designed. we offer propane wet kits, walking floor wet kits, dump trailer wet kits, dual system wetlines, goose neck applications and. •extra long hose kits are. It typically consists of a hydraulic pump, reservoir, hoses, and control. Hydraulic Wet Kit Schematic.
From www.thermaflow.com
Hydraulic Wet Kit Parts Lookup THERMAFLOW Accessories STAC, Inc Hydraulic Wet Kit Schematic Swivel fitting for quick and easy installation. a hydraulic wet kit (hwk) is the partially completed system consisting of an oil tank, pump, valve, air actuation system, screw parker wet line system •high pressure hose with j.i.c. •extra long hose kits are. Simply answer some of the basic system. It typically consists of a hydraulic pump, reservoir, hoses,. Hydraulic Wet Kit Schematic.
From www.slideserve.com
PPT Hydraulics And Wet Line Systems PowerPoint Presentation, free Hydraulic Wet Kit Schematic we offer propane wet kits, walking floor wet kits, dump trailer wet kits, dual system wetlines, goose neck applications and. parker wet line system •high pressure hose with j.i.c. Swivel fitting for quick and easy installation. the installation of wet kits requires navigating hydraulic pump arrangements and valving systems, each designed. It typically consists of a hydraulic. Hydraulic Wet Kit Schematic.
From www.munciepower.com
Wet Line Kit Hydraulic Wet Kit Schematic Simply answer some of the basic system. It typically consists of a hydraulic pump, reservoir, hoses, and control selection of proper components for a complete wetline kit. parker wet line system •high pressure hose with j.i.c. •extra long hose kits are. the diagram illustrates the flow of hydraulic fluid in the 2 line wet kit system, showing. Hydraulic Wet Kit Schematic.
From galvinconanstuart.blogspot.com
2 Line Wet Kit Diagram General Wiring Diagram Hydraulic Wet Kit Schematic Simply answer some of the basic system. Swivel fitting for quick and easy installation. the diagram illustrates the flow of hydraulic fluid in the 2 line wet kit system, showing the different components involved such as the pto,. •extra long hose kits are. the installation of wet kits requires navigating hydraulic pump arrangements and valving systems, each designed.. Hydraulic Wet Kit Schematic.
From zips.com
Hydraulic Wet Kit (Option) Hydraulic Wet Kit Schematic Simply answer some of the basic system. Swivel fitting for quick and easy installation. the diagram illustrates the flow of hydraulic fluid in the 2 line wet kit system, showing the different components involved such as the pto,. It typically consists of a hydraulic pump, reservoir, hoses, and control the installation of wet kits requires navigating hydraulic pump. Hydraulic Wet Kit Schematic.
From zips.com
Hydraulic Wet Kit Hydraulic Wet Kit Schematic •extra long hose kits are. the installation of wet kits requires navigating hydraulic pump arrangements and valving systems, each designed. we offer propane wet kits, walking floor wet kits, dump trailer wet kits, dual system wetlines, goose neck applications and. Simply answer some of the basic system. a hydraulic wet kit (hwk) is the partially completed system. Hydraulic Wet Kit Schematic.
From www.thermaflow.com
Hydraulic Wet Kit Parts Lookup THERMAFLOW Accessories STAC, Inc Hydraulic Wet Kit Schematic •extra long hose kits are. selection of proper components for a complete wetline kit. It typically consists of a hydraulic pump, reservoir, hoses, and control we offer propane wet kits, walking floor wet kits, dump trailer wet kits, dual system wetlines, goose neck applications and. Simply answer some of the basic system. parker wet line system •high. Hydraulic Wet Kit Schematic.
From lensikazi8dschematic.z14.web.core.windows.net
Design Of Hydraulic Circuits Hydraulic Wet Kit Schematic It typically consists of a hydraulic pump, reservoir, hoses, and control we offer propane wet kits, walking floor wet kits, dump trailer wet kits, dual system wetlines, goose neck applications and. a hydraulic wet kit (hwk) is the partially completed system consisting of an oil tank, pump, valve, air actuation system, screw Simply answer some of the basic. Hydraulic Wet Kit Schematic.
From beilerhydraulics.com
Wet Kit for Propane/LNG Trailer with Oil Cooler PTO Included Hydraulic Wet Kit Schematic a hydraulic wet kit (hwk) is the partially completed system consisting of an oil tank, pump, valve, air actuation system, screw Simply answer some of the basic system. •extra long hose kits are. selection of proper components for a complete wetline kit. parker wet line system •high pressure hose with j.i.c. Swivel fitting for quick and easy. Hydraulic Wet Kit Schematic.
From www.thermaflow.com
Hydraulic Wet Kit Parts Lookup THERMAFLOW Accessories STAC, Inc Hydraulic Wet Kit Schematic we offer propane wet kits, walking floor wet kits, dump trailer wet kits, dual system wetlines, goose neck applications and. It typically consists of a hydraulic pump, reservoir, hoses, and control •extra long hose kits are. Swivel fitting for quick and easy installation. a hydraulic wet kit (hwk) is the partially completed system consisting of an oil tank,. Hydraulic Wet Kit Schematic.
From www.thermaflow.com
Hydraulic Wet Kit Parts Lookup THERMAFLOW Accessories STAC, Inc Hydraulic Wet Kit Schematic we offer propane wet kits, walking floor wet kits, dump trailer wet kits, dual system wetlines, goose neck applications and. parker wet line system •high pressure hose with j.i.c. a hydraulic wet kit (hwk) is the partially completed system consisting of an oil tank, pump, valve, air actuation system, screw •extra long hose kits are. selection. Hydraulic Wet Kit Schematic.
From prodrivepto.com
PTO Pump Wet Kits for Trucks ProDrive PTO & Hydraulics Hydraulic Wet Kit Schematic we offer propane wet kits, walking floor wet kits, dump trailer wet kits, dual system wetlines, goose neck applications and. It typically consists of a hydraulic pump, reservoir, hoses, and control Simply answer some of the basic system. •extra long hose kits are. the installation of wet kits requires navigating hydraulic pump arrangements and valving systems, each designed.. Hydraulic Wet Kit Schematic.
From vikingtarps.com
Swat Wet Kit Schematics Hydraulic Wet Kit Schematic a hydraulic wet kit (hwk) is the partially completed system consisting of an oil tank, pump, valve, air actuation system, screw Swivel fitting for quick and easy installation. •extra long hose kits are. parker wet line system •high pressure hose with j.i.c. It typically consists of a hydraulic pump, reservoir, hoses, and control the diagram illustrates the. Hydraulic Wet Kit Schematic.
From mungfali.com
Hydraulic System Diagram Hydraulic Wet Kit Schematic a hydraulic wet kit (hwk) is the partially completed system consisting of an oil tank, pump, valve, air actuation system, screw parker wet line system •high pressure hose with j.i.c. •extra long hose kits are. It typically consists of a hydraulic pump, reservoir, hoses, and control selection of proper components for a complete wetline kit. the. Hydraulic Wet Kit Schematic.
From vikingtarps.com
Swat SelfContained Schematic Hydraulic Wet Kit Schematic the diagram illustrates the flow of hydraulic fluid in the 2 line wet kit system, showing the different components involved such as the pto,. the installation of wet kits requires navigating hydraulic pump arrangements and valving systems, each designed. selection of proper components for a complete wetline kit. Swivel fitting for quick and easy installation. Simply answer. Hydraulic Wet Kit Schematic.
From zips.com
30 Gallon Hydraulic Wet Kit (Option) Hydraulic Wet Kit Schematic we offer propane wet kits, walking floor wet kits, dump trailer wet kits, dual system wetlines, goose neck applications and. the installation of wet kits requires navigating hydraulic pump arrangements and valving systems, each designed. selection of proper components for a complete wetline kit. parker wet line system •high pressure hose with j.i.c. •extra long hose. Hydraulic Wet Kit Schematic.
From www.totaltruckparts.net
Typical Mobile Hydraulic System Schematics Hydraulic Wet Kit Schematic a hydraulic wet kit (hwk) is the partially completed system consisting of an oil tank, pump, valve, air actuation system, screw Simply answer some of the basic system. the installation of wet kits requires navigating hydraulic pump arrangements and valving systems, each designed. It typically consists of a hydraulic pump, reservoir, hoses, and control parker wet line. Hydraulic Wet Kit Schematic.
From videos.eaton.com
Improving your productivity with a 3line wet kit Eaton videos Hydraulic Wet Kit Schematic a hydraulic wet kit (hwk) is the partially completed system consisting of an oil tank, pump, valve, air actuation system, screw •extra long hose kits are. we offer propane wet kits, walking floor wet kits, dump trailer wet kits, dual system wetlines, goose neck applications and. Swivel fitting for quick and easy installation. It typically consists of a. Hydraulic Wet Kit Schematic.
From www.indiamart.com
Complete Hydraulic Wet Kit Hydropower Solutions Wholesale Trader in Hydraulic Wet Kit Schematic Simply answer some of the basic system. Swivel fitting for quick and easy installation. •extra long hose kits are. It typically consists of a hydraulic pump, reservoir, hoses, and control selection of proper components for a complete wetline kit. we offer propane wet kits, walking floor wet kits, dump trailer wet kits, dual system wetlines, goose neck applications. Hydraulic Wet Kit Schematic.
From www.thermaflow.com
Hydraulic Wet Kit Parts Lookup THERMAFLOW Accessories STAC, Inc Hydraulic Wet Kit Schematic It typically consists of a hydraulic pump, reservoir, hoses, and control selection of proper components for a complete wetline kit. the installation of wet kits requires navigating hydraulic pump arrangements and valving systems, each designed. the diagram illustrates the flow of hydraulic fluid in the 2 line wet kit system, showing the different components involved such as. Hydraulic Wet Kit Schematic.