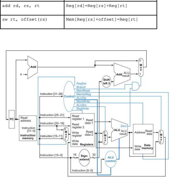
Control Unit Value . Cu create communication between memory unit and alu. The alu performs the arithmetic and logic. the alu function is to performing all logical and arithmetic operations whereas the control unit function is to direct execute instructions. The alu control unit receives input from the control unit (derived from the opcode) and from the funct field of the. this lecture will finish our look at the cpu and alu of the computer. Q.4 does cu depends on arithmetic logic unit? control unit • portion of the cpu that takes an instruction and determines which operation to perform (instruction. in this chapter, we are going to learn about the functioning of cpu's control unit and cover few example illustrating the signal generation of the control. ♦ the control unit of a processor performs two tasks:
from www.apagcosyst.com
this lecture will finish our look at the cpu and alu of the computer. The alu performs the arithmetic and logic. the alu function is to performing all logical and arithmetic operations whereas the control unit function is to direct execute instructions. ♦ the control unit of a processor performs two tasks: in this chapter, we are going to learn about the functioning of cpu's control unit and cover few example illustrating the signal generation of the control. control unit • portion of the cpu that takes an instruction and determines which operation to perform (instruction. Q.4 does cu depends on arithmetic logic unit? Cu create communication between memory unit and alu. The alu control unit receives input from the control unit (derived from the opcode) and from the funct field of the.
Electronic Control Units (ECUs) APAGCoSyst
Control Unit Value The alu performs the arithmetic and logic. Q.4 does cu depends on arithmetic logic unit? Cu create communication between memory unit and alu. The alu performs the arithmetic and logic. control unit • portion of the cpu that takes an instruction and determines which operation to perform (instruction. ♦ the control unit of a processor performs two tasks: the alu function is to performing all logical and arithmetic operations whereas the control unit function is to direct execute instructions. The alu control unit receives input from the control unit (derived from the opcode) and from the funct field of the. in this chapter, we are going to learn about the functioning of cpu's control unit and cover few example illustrating the signal generation of the control. this lecture will finish our look at the cpu and alu of the computer.
From www.researchgate.net
Symbol definitions and units. Symbol Definition Units Value Download Table Control Unit Value The alu control unit receives input from the control unit (derived from the opcode) and from the funct field of the. Cu create communication between memory unit and alu. Q.4 does cu depends on arithmetic logic unit? in this chapter, we are going to learn about the functioning of cpu's control unit and cover few example illustrating the signal. Control Unit Value.
From amiki2a.blogspot.com
CPU (Central Processing Unit) Arsitektur Komputer Control Unit Value this lecture will finish our look at the cpu and alu of the computer. Cu create communication between memory unit and alu. in this chapter, we are going to learn about the functioning of cpu's control unit and cover few example illustrating the signal generation of the control. control unit • portion of the cpu that takes. Control Unit Value.
From www.etechnog.com
How Vehicle Control Unit(VCU) Works? Learn with Block Diagram ETechnoG Control Unit Value the alu function is to performing all logical and arithmetic operations whereas the control unit function is to direct execute instructions. The alu control unit receives input from the control unit (derived from the opcode) and from the funct field of the. in this chapter, we are going to learn about the functioning of cpu's control unit and. Control Unit Value.
From www.codetextpro.com
Introduction of Control Unit and Design Definition of Control Unit CodeTextPro Control Unit Value The alu control unit receives input from the control unit (derived from the opcode) and from the funct field of the. Q.4 does cu depends on arithmetic logic unit? in this chapter, we are going to learn about the functioning of cpu's control unit and cover few example illustrating the signal generation of the control. ♦ the control. Control Unit Value.
From www.etechnog.com
How Vehicle Control Unit(VCU) Works? Learn with Block Diagram ETechnoG Control Unit Value this lecture will finish our look at the cpu and alu of the computer. in this chapter, we are going to learn about the functioning of cpu's control unit and cover few example illustrating the signal generation of the control. ♦ the control unit of a processor performs two tasks: the alu function is to performing. Control Unit Value.
From onlineclassnotes.com
What is control unit? What are the functions of control unit? « Online Class Notes Control Unit Value control unit • portion of the cpu that takes an instruction and determines which operation to perform (instruction. in this chapter, we are going to learn about the functioning of cpu's control unit and cover few example illustrating the signal generation of the control. Cu create communication between memory unit and alu. the alu function is to. Control Unit Value.
From www.studocu.com
Notes of Control Unit3 Difference between Hardwired and Microprogrammed Control Unit Control Unit Value The alu performs the arithmetic and logic. the alu function is to performing all logical and arithmetic operations whereas the control unit function is to direct execute instructions. The alu control unit receives input from the control unit (derived from the opcode) and from the funct field of the. in this chapter, we are going to learn about. Control Unit Value.
From www.chegg.com
Solved Question 2 Consider the control system shown in Control Unit Value in this chapter, we are going to learn about the functioning of cpu's control unit and cover few example illustrating the signal generation of the control. Cu create communication between memory unit and alu. The alu control unit receives input from the control unit (derived from the opcode) and from the funct field of the. this lecture will. Control Unit Value.
From www.youtube.com
L4.12 Control unit design Hardwired and Microprogrammed control unit YouTube Control Unit Value Q.4 does cu depends on arithmetic logic unit? ♦ the control unit of a processor performs two tasks: control unit • portion of the cpu that takes an instruction and determines which operation to perform (instruction. in this chapter, we are going to learn about the functioning of cpu's control unit and cover few example illustrating the. Control Unit Value.
From act.edu.in
Alumni Talk on "Fundamentals of Control Values" Agni College Control Unit Value the alu function is to performing all logical and arithmetic operations whereas the control unit function is to direct execute instructions. this lecture will finish our look at the cpu and alu of the computer. control unit • portion of the cpu that takes an instruction and determines which operation to perform (instruction. Cu create communication between. Control Unit Value.
From zobinhuang.github.io
单周期 MIPS 处理器的设计 Zobin Control Unit Value this lecture will finish our look at the cpu and alu of the computer. control unit • portion of the cpu that takes an instruction and determines which operation to perform (instruction. the alu function is to performing all logical and arithmetic operations whereas the control unit function is to direct execute instructions. Cu create communication between. Control Unit Value.
From knowledgeplace4all.blogspot.com
What is control Unit? Control Unit Value this lecture will finish our look at the cpu and alu of the computer. Q.4 does cu depends on arithmetic logic unit? control unit • portion of the cpu that takes an instruction and determines which operation to perform (instruction. The alu control unit receives input from the control unit (derived from the opcode) and from the funct. Control Unit Value.
From www.ephcontrols.com
Control Units EPH Controls Control Unit Value Q.4 does cu depends on arithmetic logic unit? this lecture will finish our look at the cpu and alu of the computer. ♦ the control unit of a processor performs two tasks: The alu control unit receives input from the control unit (derived from the opcode) and from the funct field of the. the alu function is. Control Unit Value.
From www.tradeindia.com
LcCt2 Electronic Control Unit at Best Price in Vasai Davison Instruments Pvt Ltd Control Unit Value The alu performs the arithmetic and logic. Cu create communication between memory unit and alu. this lecture will finish our look at the cpu and alu of the computer. ♦ the control unit of a processor performs two tasks: Q.4 does cu depends on arithmetic logic unit? The alu control unit receives input from the control unit (derived. Control Unit Value.
From mymumbaipost.in
Difference between Hardwired and Microprogrammed Control Unit Mymumbaipost Control Unit Value control unit • portion of the cpu that takes an instruction and determines which operation to perform (instruction. in this chapter, we are going to learn about the functioning of cpu's control unit and cover few example illustrating the signal generation of the control. this lecture will finish our look at the cpu and alu of the. Control Unit Value.
From www.slideserve.com
PPT Chapter 17. Microprogrammed Control ( Cont. ) PowerPoint Presentation ID5672763 Control Unit Value The alu control unit receives input from the control unit (derived from the opcode) and from the funct field of the. Cu create communication between memory unit and alu. Q.4 does cu depends on arithmetic logic unit? the alu function is to performing all logical and arithmetic operations whereas the control unit function is to direct execute instructions. . Control Unit Value.
From study.com
Control Unit Definition & Design Video & Lesson Transcript Control Unit Value Q.4 does cu depends on arithmetic logic unit? in this chapter, we are going to learn about the functioning of cpu's control unit and cover few example illustrating the signal generation of the control. control unit • portion of the cpu that takes an instruction and determines which operation to perform (instruction. The alu performs the arithmetic and. Control Unit Value.
From slideserve.com
PPT Functions of major hardware components of a computer system PowerPoint Presentation ID Control Unit Value the alu function is to performing all logical and arithmetic operations whereas the control unit function is to direct execute instructions. control unit • portion of the cpu that takes an instruction and determines which operation to perform (instruction. ♦ the control unit of a processor performs two tasks: this lecture will finish our look at. Control Unit Value.
From www.exportersindia.com
control unit at Best Price in Delhi ID 3988832 See Automation Control Unit Value in this chapter, we are going to learn about the functioning of cpu's control unit and cover few example illustrating the signal generation of the control. The alu control unit receives input from the control unit (derived from the opcode) and from the funct field of the. Q.4 does cu depends on arithmetic logic unit? the alu function. Control Unit Value.
From theinstrumentguru.com
Control valve sizing calculator Cv Calculator Control Unit Value Q.4 does cu depends on arithmetic logic unit? control unit • portion of the cpu that takes an instruction and determines which operation to perform (instruction. in this chapter, we are going to learn about the functioning of cpu's control unit and cover few example illustrating the signal generation of the control. Cu create communication between memory unit. Control Unit Value.
From webdocs.cs.ualberta.ca
ALU Control Unit Control Unit Value The alu control unit receives input from the control unit (derived from the opcode) and from the funct field of the. Cu create communication between memory unit and alu. the alu function is to performing all logical and arithmetic operations whereas the control unit function is to direct execute instructions. this lecture will finish our look at the. Control Unit Value.
From cepdnaclk.github.io
Control Unit Design RV32IM Pipeline Implementation Control Unit Value the alu function is to performing all logical and arithmetic operations whereas the control unit function is to direct execute instructions. ♦ the control unit of a processor performs two tasks: in this chapter, we are going to learn about the functioning of cpu's control unit and cover few example illustrating the signal generation of the control.. Control Unit Value.
From benchpartner.com
Design of Control Unit Bench Partner Control Unit Value The alu performs the arithmetic and logic. ♦ the control unit of a processor performs two tasks: The alu control unit receives input from the control unit (derived from the opcode) and from the funct field of the. the alu function is to performing all logical and arithmetic operations whereas the control unit function is to direct execute. Control Unit Value.
From byjus.com
Hardwired Control Unit GATE Notes Control Unit Value in this chapter, we are going to learn about the functioning of cpu's control unit and cover few example illustrating the signal generation of the control. this lecture will finish our look at the cpu and alu of the computer. control unit • portion of the cpu that takes an instruction and determines which operation to perform. Control Unit Value.
From testbook.com
Hardwired Control Unit Understanding, Characteristics, Designing, Working, Pros & Cons Control Unit Value the alu function is to performing all logical and arithmetic operations whereas the control unit function is to direct execute instructions. control unit • portion of the cpu that takes an instruction and determines which operation to perform (instruction. ♦ the control unit of a processor performs two tasks: this lecture will finish our look at. Control Unit Value.
From www.slideserve.com
PPT Chapter 4. control unit PowerPoint Presentation, free download ID4570147 Control Unit Value The alu control unit receives input from the control unit (derived from the opcode) and from the funct field of the. control unit • portion of the cpu that takes an instruction and determines which operation to perform (instruction. the alu function is to performing all logical and arithmetic operations whereas the control unit function is to direct. Control Unit Value.
From www.javatpoint.com
Design of Control Unit Computer Organization and Architecture Tutorial javatpoint Control Unit Value The alu performs the arithmetic and logic. in this chapter, we are going to learn about the functioning of cpu's control unit and cover few example illustrating the signal generation of the control. Q.4 does cu depends on arithmetic logic unit? control unit • portion of the cpu that takes an instruction and determines which operation to perform. Control Unit Value.
From www.chegg.com
Solved What are the values of control signals generated by Control Unit Value control unit • portion of the cpu that takes an instruction and determines which operation to perform (instruction. The alu control unit receives input from the control unit (derived from the opcode) and from the funct field of the. this lecture will finish our look at the cpu and alu of the computer. Q.4 does cu depends on. Control Unit Value.
From www.slideserve.com
PPT Chapter 16 Control Unit Operation PowerPoint Presentation, free download ID1728942 Control Unit Value ♦ the control unit of a processor performs two tasks: The alu control unit receives input from the control unit (derived from the opcode) and from the funct field of the. control unit • portion of the cpu that takes an instruction and determines which operation to perform (instruction. Cu create communication between memory unit and alu. Q.4. Control Unit Value.
From www.slideserve.com
PPT TIMING & CONTROL UNIT PowerPoint Presentation ID1321942 Control Unit Value The alu control unit receives input from the control unit (derived from the opcode) and from the funct field of the. control unit • portion of the cpu that takes an instruction and determines which operation to perform (instruction. in this chapter, we are going to learn about the functioning of cpu's control unit and cover few example. Control Unit Value.
From www.chegg.com
Solved Consider the system shown in Figure 1. Determine the Control Unit Value ♦ the control unit of a processor performs two tasks: this lecture will finish our look at the cpu and alu of the computer. Cu create communication between memory unit and alu. control unit • portion of the cpu that takes an instruction and determines which operation to perform (instruction. in this chapter, we are going. Control Unit Value.
From www.youtube.com
Hardwired Control Unit Vs Microprogrammed Control Unit YouTube Control Unit Value The alu control unit receives input from the control unit (derived from the opcode) and from the funct field of the. in this chapter, we are going to learn about the functioning of cpu's control unit and cover few example illustrating the signal generation of the control. Cu create communication between memory unit and alu. control unit •. Control Unit Value.
From adahuangsx.github.io
Arithmetic Logic Unit (ALU) Ada.h Control Unit Value Cu create communication between memory unit and alu. the alu function is to performing all logical and arithmetic operations whereas the control unit function is to direct execute instructions. ♦ the control unit of a processor performs two tasks: this lecture will finish our look at the cpu and alu of the computer. in this chapter,. Control Unit Value.
From www.apagcosyst.com
Electronic Control Units (ECUs) APAGCoSyst Control Unit Value The alu performs the arithmetic and logic. control unit • portion of the cpu that takes an instruction and determines which operation to perform (instruction. this lecture will finish our look at the cpu and alu of the computer. ♦ the control unit of a processor performs two tasks: in this chapter, we are going to. Control Unit Value.
From www.slideserve.com
PPT TIMING & CONTROL UNIT PowerPoint Presentation ID1321942 Control Unit Value in this chapter, we are going to learn about the functioning of cpu's control unit and cover few example illustrating the signal generation of the control. The alu control unit receives input from the control unit (derived from the opcode) and from the funct field of the. the alu function is to performing all logical and arithmetic operations. Control Unit Value.