What Are Analog Controls . In this paper, we will explain how microcontroller devices can replace analog. An analog system is a system that represents data using a direct conversion from one form to another. Analog control refers to a method of controlling devices using continuous signals that vary over time, allowing for smooth and precise. A plc collects data from the field process it as. In other words, an analog system. Analog controllers are used where there is no need for very high accuracy, and where the required features of the controller, such as its. Can digital devices provide the same control as analog, and are there practical reasons to choose digital over analog?
from www.researchgate.net
Analog control refers to a method of controlling devices using continuous signals that vary over time, allowing for smooth and precise. A plc collects data from the field process it as. Can digital devices provide the same control as analog, and are there practical reasons to choose digital over analog? An analog system is a system that represents data using a direct conversion from one form to another. In other words, an analog system. Analog controllers are used where there is no need for very high accuracy, and where the required features of the controller, such as its. In this paper, we will explain how microcontroller devices can replace analog.
Principle of analog and digital controllers Download Scientific Diagram
What Are Analog Controls In this paper, we will explain how microcontroller devices can replace analog. In other words, an analog system. Analog controllers are used where there is no need for very high accuracy, and where the required features of the controller, such as its. In this paper, we will explain how microcontroller devices can replace analog. Can digital devices provide the same control as analog, and are there practical reasons to choose digital over analog? Analog control refers to a method of controlling devices using continuous signals that vary over time, allowing for smooth and precise. An analog system is a system that represents data using a direct conversion from one form to another. A plc collects data from the field process it as.
From www.plcacademy.com
All About PLC Analog Input and Output Programming What Are Analog Controls In this paper, we will explain how microcontroller devices can replace analog. A plc collects data from the field process it as. Analog controllers are used where there is no need for very high accuracy, and where the required features of the controller, such as its. An analog system is a system that represents data using a direct conversion from. What Are Analog Controls.
From control.com
Troubleshooting Current Loops Understanding Analog Instrumentation What Are Analog Controls In this paper, we will explain how microcontroller devices can replace analog. In other words, an analog system. Can digital devices provide the same control as analog, and are there practical reasons to choose digital over analog? An analog system is a system that represents data using a direct conversion from one form to another. A plc collects data from. What Are Analog Controls.
From www.researchgate.net
Electronic circuit implementation of an analog PID controller What Are Analog Controls Can digital devices provide the same control as analog, and are there practical reasons to choose digital over analog? In other words, an analog system. In this paper, we will explain how microcontroller devices can replace analog. A plc collects data from the field process it as. An analog system is a system that represents data using a direct conversion. What Are Analog Controls.
From powerindustrialcontrols.com
Analog Controls Power Industrial Controls What Are Analog Controls In other words, an analog system. Analog control refers to a method of controlling devices using continuous signals that vary over time, allowing for smooth and precise. Can digital devices provide the same control as analog, and are there practical reasons to choose digital over analog? In this paper, we will explain how microcontroller devices can replace analog. An analog. What Are Analog Controls.
From electronics.stackexchange.com
switches Analog Switch IC controlled with logic input Electrical What Are Analog Controls An analog system is a system that represents data using a direct conversion from one form to another. In this paper, we will explain how microcontroller devices can replace analog. Can digital devices provide the same control as analog, and are there practical reasons to choose digital over analog? Analog control refers to a method of controlling devices using continuous. What Are Analog Controls.
From www.youtube.com
PLC Analog Inputs and Signals YouTube What Are Analog Controls In this paper, we will explain how microcontroller devices can replace analog. An analog system is a system that represents data using a direct conversion from one form to another. Can digital devices provide the same control as analog, and are there practical reasons to choose digital over analog? Analog controllers are used where there is no need for very. What Are Analog Controls.
From www.pinterest.com
DCS with analog signals Ladder logic, Process control, Piping and What Are Analog Controls Analog control refers to a method of controlling devices using continuous signals that vary over time, allowing for smooth and precise. In other words, an analog system. Can digital devices provide the same control as analog, and are there practical reasons to choose digital over analog? In this paper, we will explain how microcontroller devices can replace analog. A plc. What Are Analog Controls.
From www.youtube.com
a look at the new Analog controls from Designs By Phil, LLC! YouTube What Are Analog Controls An analog system is a system that represents data using a direct conversion from one form to another. Can digital devices provide the same control as analog, and are there practical reasons to choose digital over analog? Analog controllers are used where there is no need for very high accuracy, and where the required features of the controller, such as. What Are Analog Controls.
From www.analogictips.com
Analog switch vs. digital switch ICs What Are Analog Controls In other words, an analog system. An analog system is a system that represents data using a direct conversion from one form to another. In this paper, we will explain how microcontroller devices can replace analog. Analog controllers are used where there is no need for very high accuracy, and where the required features of the controller, such as its.. What Are Analog Controls.
From www.plcacademy.com
All About PLC Analog Input and Output Programming What Are Analog Controls An analog system is a system that represents data using a direct conversion from one form to another. A plc collects data from the field process it as. Can digital devices provide the same control as analog, and are there practical reasons to choose digital over analog? Analog control refers to a method of controlling devices using continuous signals that. What Are Analog Controls.
From control.com
Examples of Analog Signals in Control Systems Technical Articles What Are Analog Controls In other words, an analog system. Analog control refers to a method of controlling devices using continuous signals that vary over time, allowing for smooth and precise. A plc collects data from the field process it as. Can digital devices provide the same control as analog, and are there practical reasons to choose digital over analog? An analog system is. What Are Analog Controls.
From www.youtube.com
Digital vs Analog Control signals types [ Automation Basics] YouTube What Are Analog Controls Can digital devices provide the same control as analog, and are there practical reasons to choose digital over analog? In this paper, we will explain how microcontroller devices can replace analog. A plc collects data from the field process it as. In other words, an analog system. An analog system is a system that represents data using a direct conversion. What Are Analog Controls.
From www.youtube.com
Analog Circuits Introduction YouTube What Are Analog Controls In other words, an analog system. Can digital devices provide the same control as analog, and are there practical reasons to choose digital over analog? An analog system is a system that represents data using a direct conversion from one form to another. Analog control refers to a method of controlling devices using continuous signals that vary over time, allowing. What Are Analog Controls.
From www.dreamstime.com
Analog Electronics Controls Stock Photo Image of laboratory, loud What Are Analog Controls A plc collects data from the field process it as. Can digital devices provide the same control as analog, and are there practical reasons to choose digital over analog? In other words, an analog system. In this paper, we will explain how microcontroller devices can replace analog. Analog control refers to a method of controlling devices using continuous signals that. What Are Analog Controls.
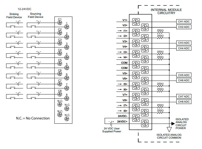
From instrumentationtools.com
PLC Analog Signals Wiring Techniques PLC Wiring PLC Circuits What Are Analog Controls Analog controllers are used where there is no need for very high accuracy, and where the required features of the controller, such as its. In other words, an analog system. In this paper, we will explain how microcontroller devices can replace analog. Can digital devices provide the same control as analog, and are there practical reasons to choose digital over. What Are Analog Controls.
From dynamatic.com
Eddy Current Analog Controls Adjustable Speed Drive Controls What Are Analog Controls In this paper, we will explain how microcontroller devices can replace analog. An analog system is a system that represents data using a direct conversion from one form to another. Analog controllers are used where there is no need for very high accuracy, and where the required features of the controller, such as its. Analog control refers to a method. What Are Analog Controls.
From www.dreamstime.com
Analog controls dashboard stock photo. Image of control 18372020 What Are Analog Controls Analog control refers to a method of controlling devices using continuous signals that vary over time, allowing for smooth and precise. In this paper, we will explain how microcontroller devices can replace analog. A plc collects data from the field process it as. Can digital devices provide the same control as analog, and are there practical reasons to choose digital. What Are Analog Controls.
From www.instructables.com
Read a Potentiometer With Arduino's Analog Input 6 Steps (with Pictures) What Are Analog Controls In other words, an analog system. Analog control refers to a method of controlling devices using continuous signals that vary over time, allowing for smooth and precise. In this paper, we will explain how microcontroller devices can replace analog. Analog controllers are used where there is no need for very high accuracy, and where the required features of the controller,. What Are Analog Controls.
From www.gamerguides.com
Controls Controls Basics and Tips Getting Started The Last of What Are Analog Controls In this paper, we will explain how microcontroller devices can replace analog. In other words, an analog system. Analog control refers to a method of controlling devices using continuous signals that vary over time, allowing for smooth and precise. A plc collects data from the field process it as. An analog system is a system that represents data using a. What Are Analog Controls.
From collegedunia.com
Difference between Analog and Digital Signals What Are Analog Controls Analog control refers to a method of controlling devices using continuous signals that vary over time, allowing for smooth and precise. In this paper, we will explain how microcontroller devices can replace analog. Can digital devices provide the same control as analog, and are there practical reasons to choose digital over analog? An analog system is a system that represents. What Are Analog Controls.
From www.etechnog.com
Analog Communication Block Diagram and Working Principle ETechnoG What Are Analog Controls A plc collects data from the field process it as. Analog controllers are used where there is no need for very high accuracy, and where the required features of the controller, such as its. In this paper, we will explain how microcontroller devices can replace analog. Can digital devices provide the same control as analog, and are there practical reasons. What Are Analog Controls.
From www.youtube.com
What is Analog Computer?, Features of analog computers, Computer What Are Analog Controls A plc collects data from the field process it as. In this paper, we will explain how microcontroller devices can replace analog. Analog controllers are used where there is no need for very high accuracy, and where the required features of the controller, such as its. Can digital devices provide the same control as analog, and are there practical reasons. What Are Analog Controls.
From www.dreamstime.com
Analog Controls Interface and Element Set Stock Illustration What Are Analog Controls Can digital devices provide the same control as analog, and are there practical reasons to choose digital over analog? Analog control refers to a method of controlling devices using continuous signals that vary over time, allowing for smooth and precise. In this paper, we will explain how microcontroller devices can replace analog. Analog controllers are used where there is no. What Are Analog Controls.
From eduinput.com
Difference between Analog signal and Digital signal What Are Analog Controls Analog controllers are used where there is no need for very high accuracy, and where the required features of the controller, such as its. An analog system is a system that represents data using a direct conversion from one form to another. Analog control refers to a method of controlling devices using continuous signals that vary over time, allowing for. What Are Analog Controls.
From www.vectorstock.com
Analog controls interface elements set Royalty Free Vector What Are Analog Controls A plc collects data from the field process it as. Analog controllers are used where there is no need for very high accuracy, and where the required features of the controller, such as its. In this paper, we will explain how microcontroller devices can replace analog. An analog system is a system that represents data using a direct conversion from. What Are Analog Controls.
From itecnotes.com
Analog PID Controller When to Use Analog PID Valuable Tech Notes What Are Analog Controls Analog control refers to a method of controlling devices using continuous signals that vary over time, allowing for smooth and precise. Can digital devices provide the same control as analog, and are there practical reasons to choose digital over analog? Analog controllers are used where there is no need for very high accuracy, and where the required features of the. What Are Analog Controls.
From powerindustrialcontrols.com
Analog Controls Power Industrial Controls What Are Analog Controls In this paper, we will explain how microcontroller devices can replace analog. In other words, an analog system. An analog system is a system that represents data using a direct conversion from one form to another. Analog controllers are used where there is no need for very high accuracy, and where the required features of the controller, such as its.. What Are Analog Controls.
From www.slideserve.com
PPT Analog and Digital Signals PowerPoint Presentation, free download What Are Analog Controls Can digital devices provide the same control as analog, and are there practical reasons to choose digital over analog? A plc collects data from the field process it as. Analog controllers are used where there is no need for very high accuracy, and where the required features of the controller, such as its. Analog control refers to a method of. What Are Analog Controls.
From skill-lync.com
Analog Control Systems SkillLync What Are Analog Controls In this paper, we will explain how microcontroller devices can replace analog. An analog system is a system that represents data using a direct conversion from one form to another. Analog controllers are used where there is no need for very high accuracy, and where the required features of the controller, such as its. Can digital devices provide the same. What Are Analog Controls.
From powerindustrialcontrols.com
Analog Controls Power Industrial Controls What Are Analog Controls An analog system is a system that represents data using a direct conversion from one form to another. Analog control refers to a method of controlling devices using continuous signals that vary over time, allowing for smooth and precise. In this paper, we will explain how microcontroller devices can replace analog. Can digital devices provide the same control as analog,. What Are Analog Controls.
From www.electronicsandyou.com
Basic Analog Circuit Tutorial and Overview Electronics and You What Are Analog Controls Can digital devices provide the same control as analog, and are there practical reasons to choose digital over analog? A plc collects data from the field process it as. In this paper, we will explain how microcontroller devices can replace analog. In other words, an analog system. Analog control refers to a method of controlling devices using continuous signals that. What Are Analog Controls.
From www.motioncontroltips.com
Basics of analog servo drives What Are Analog Controls In other words, an analog system. Can digital devices provide the same control as analog, and are there practical reasons to choose digital over analog? Analog control refers to a method of controlling devices using continuous signals that vary over time, allowing for smooth and precise. Analog controllers are used where there is no need for very high accuracy, and. What Are Analog Controls.
From www.researchgate.net
Principle of analog and digital controllers Download Scientific Diagram What Are Analog Controls Can digital devices provide the same control as analog, and are there practical reasons to choose digital over analog? In this paper, we will explain how microcontroller devices can replace analog. In other words, an analog system. Analog controllers are used where there is no need for very high accuracy, and where the required features of the controller, such as. What Are Analog Controls.
From www.vectorstock.com
Analog controls interface elements set Royalty Free Vector What Are Analog Controls Analog controllers are used where there is no need for very high accuracy, and where the required features of the controller, such as its. In other words, an analog system. An analog system is a system that represents data using a direct conversion from one form to another. In this paper, we will explain how microcontroller devices can replace analog.. What Are Analog Controls.
From www.dreamstime.com
Analog controls dashboard stock image. Image of recorder 18372011 What Are Analog Controls An analog system is a system that represents data using a direct conversion from one form to another. Analog control refers to a method of controlling devices using continuous signals that vary over time, allowing for smooth and precise. Analog controllers are used where there is no need for very high accuracy, and where the required features of the controller,. What Are Analog Controls.