Relay Switch Vibrating . To fix the issue, swap out a working switch connected to a different relay and wire it to the buzzing relay. When attiny activates the relay, lamp on, the noise disappears. One of the relays continuously switches the contacts very fast, without me giving any commands. Most likely you are not providing enough power to hold the relay in whatever state it's in when powered. Control relay switch chattering noises or chattering at contactor switches in air conditioners, heat pumps, water pumps. Most of the buzzing will be solved by adding a capacitor to the power supply. It starts, vibrates for 4s, stops, waits 15 seconds and does it again. This article discusses control relay switch chattering or rapid, repeated. Rule of thumb is 2200µf/a drawn by the load, so order magnitude 470µf should be sufficient,. If it's close to the correct. When attiny switch the relay off, it starts to make. If the buzzing sound stops, then. I'm testing it with just a normal 220v lamp, nothing crazy.
from no.rs-online.com
When attiny activates the relay, lamp on, the noise disappears. This article discusses control relay switch chattering or rapid, repeated. One of the relays continuously switches the contacts very fast, without me giving any commands. When attiny switch the relay off, it starts to make. Control relay switch chattering noises or chattering at contactor switches in air conditioners, heat pumps, water pumps. If it's close to the correct. Rule of thumb is 2200µf/a drawn by the load, so order magnitude 470µf should be sufficient,. Most likely you are not providing enough power to hold the relay in whatever state it's in when powered. If the buzzing sound stops, then. I'm testing it with just a normal 220v lamp, nothing crazy.
VB61.XXAGDRKMX Vega VEGAVIB 61 Series Vibrating Rod Level Switch, Relay Output, Free, Plastic
Relay Switch Vibrating Most of the buzzing will be solved by adding a capacitor to the power supply. When attiny switch the relay off, it starts to make. This article discusses control relay switch chattering or rapid, repeated. When attiny activates the relay, lamp on, the noise disappears. I'm testing it with just a normal 220v lamp, nothing crazy. Control relay switch chattering noises or chattering at contactor switches in air conditioners, heat pumps, water pumps. One of the relays continuously switches the contacts very fast, without me giving any commands. Most of the buzzing will be solved by adding a capacitor to the power supply. Rule of thumb is 2200µf/a drawn by the load, so order magnitude 470µf should be sufficient,. If it's close to the correct. To fix the issue, swap out a working switch connected to a different relay and wire it to the buzzing relay. If the buzzing sound stops, then. Most likely you are not providing enough power to hold the relay in whatever state it's in when powered. It starts, vibrates for 4s, stops, waits 15 seconds and does it again.
From www.tradeindia.com
Vibrating Tuning Fork Horizontal Vertical Mounting Level Switch Relay Output at Best Price in Relay Switch Vibrating If the buzzing sound stops, then. When attiny switch the relay off, it starts to make. Control relay switch chattering noises or chattering at contactor switches in air conditioners, heat pumps, water pumps. One of the relays continuously switches the contacts very fast, without me giving any commands. When attiny activates the relay, lamp on, the noise disappears. This article. Relay Switch Vibrating.
From uk.rs-online.com
VB61.XXAGDRKMX Vega VEGAVIB 61 Series Vibrating Rod Level Switch, Relay Output, Free, Plastic Relay Switch Vibrating I'm testing it with just a normal 220v lamp, nothing crazy. Most likely you are not providing enough power to hold the relay in whatever state it's in when powered. Most of the buzzing will be solved by adding a capacitor to the power supply. One of the relays continuously switches the contacts very fast, without me giving any commands.. Relay Switch Vibrating.
From export.rsdelivers.com
WAVES61.EEJ2RC Vega Vega VEGAWAVE 61 Series Vibrating Level Switch Vibrating Level Switch Relay Switch Vibrating If it's close to the correct. When attiny activates the relay, lamp on, the noise disappears. When attiny switch the relay off, it starts to make. If the buzzing sound stops, then. To fix the issue, swap out a working switch connected to a different relay and wire it to the buzzing relay. It starts, vibrates for 4s, stops, waits. Relay Switch Vibrating.
From www.indiamart.com
Relay Or Pnp Vibrating Fork Level Switches, Pole And Throw Specification SPDT or,PNP, Up To 10 Relay Switch Vibrating When attiny activates the relay, lamp on, the noise disappears. When attiny switch the relay off, it starts to make. I'm testing it with just a normal 220v lamp, nothing crazy. If it's close to the correct. Rule of thumb is 2200µf/a drawn by the load, so order magnitude 470µf should be sufficient,. To fix the issue, swap out a. Relay Switch Vibrating.
From www.scribd.com
Vegavib 63 Relay (DPDT) Vibrating Level Switch With Tube Extension For Granuled Bulk Solids Relay Switch Vibrating If the buzzing sound stops, then. Most of the buzzing will be solved by adding a capacitor to the power supply. Rule of thumb is 2200µf/a drawn by the load, so order magnitude 470µf should be sufficient,. Most likely you are not providing enough power to hold the relay in whatever state it's in when powered. When attiny switch the. Relay Switch Vibrating.
From ewelinkstore.com
SmartWise 5V32V 4gang smart relay switch, with dry contact and momentary switch, Zigbee + RF Relay Switch Vibrating If it's close to the correct. Control relay switch chattering noises or chattering at contactor switches in air conditioners, heat pumps, water pumps. It starts, vibrates for 4s, stops, waits 15 seconds and does it again. Rule of thumb is 2200µf/a drawn by the load, so order magnitude 470µf should be sufficient,. When attiny activates the relay, lamp on, the. Relay Switch Vibrating.
From in.rsdelivers.com
LBV311XXAGCRKMX Sick Sick LBV311 Series Vibrating Level Switch Vibrating Level Switch, DPDT Relay Switch Vibrating Rule of thumb is 2200µf/a drawn by the load, so order magnitude 470µf should be sufficient,. If the buzzing sound stops, then. To fix the issue, swap out a working switch connected to a different relay and wire it to the buzzing relay. I'm testing it with just a normal 220v lamp, nothing crazy. When attiny activates the relay, lamp. Relay Switch Vibrating.
From www.youtube.com
How To Make Automatic Transfer Switch Using Power Relay For Generator & Wapda Single Phase Relay Switch Vibrating When attiny switch the relay off, it starts to make. It starts, vibrates for 4s, stops, waits 15 seconds and does it again. Most likely you are not providing enough power to hold the relay in whatever state it's in when powered. I'm testing it with just a normal 220v lamp, nothing crazy. One of the relays continuously switches the. Relay Switch Vibrating.
From www.circuitdiagram.co
5v Relay Switching Circuit Circuit Diagram Relay Switch Vibrating Most of the buzzing will be solved by adding a capacitor to the power supply. Control relay switch chattering noises or chattering at contactor switches in air conditioners, heat pumps, water pumps. Rule of thumb is 2200µf/a drawn by the load, so order magnitude 470µf should be sufficient,. When attiny activates the relay, lamp on, the noise disappears. Most likely. Relay Switch Vibrating.
From in.rsdelivers.com
LBV310XXAGDRAMX Sick Sick LBV310 Series Vibrating Level Switch Vibrating Level Switch, DPDT Relay Switch Vibrating Control relay switch chattering noises or chattering at contactor switches in air conditioners, heat pumps, water pumps. I'm testing it with just a normal 220v lamp, nothing crazy. Rule of thumb is 2200µf/a drawn by the load, so order magnitude 470µf should be sufficient,. If the buzzing sound stops, then. Most likely you are not providing enough power to hold. Relay Switch Vibrating.
From www.electricaldesks.com
What is relay? Its Working, Construction & Types Relay Switch Vibrating Most of the buzzing will be solved by adding a capacitor to the power supply. To fix the issue, swap out a working switch connected to a different relay and wire it to the buzzing relay. If the buzzing sound stops, then. Most likely you are not providing enough power to hold the relay in whatever state it's in when. Relay Switch Vibrating.
From tronicspro.com
Remote Relay Switch DIY Circuit Diagram TRONICSpro Relay Switch Vibrating If the buzzing sound stops, then. Most of the buzzing will be solved by adding a capacitor to the power supply. When attiny switch the relay off, it starts to make. Most likely you are not providing enough power to hold the relay in whatever state it's in when powered. This article discusses control relay switch chattering or rapid, repeated.. Relay Switch Vibrating.
From se.rs-online.com
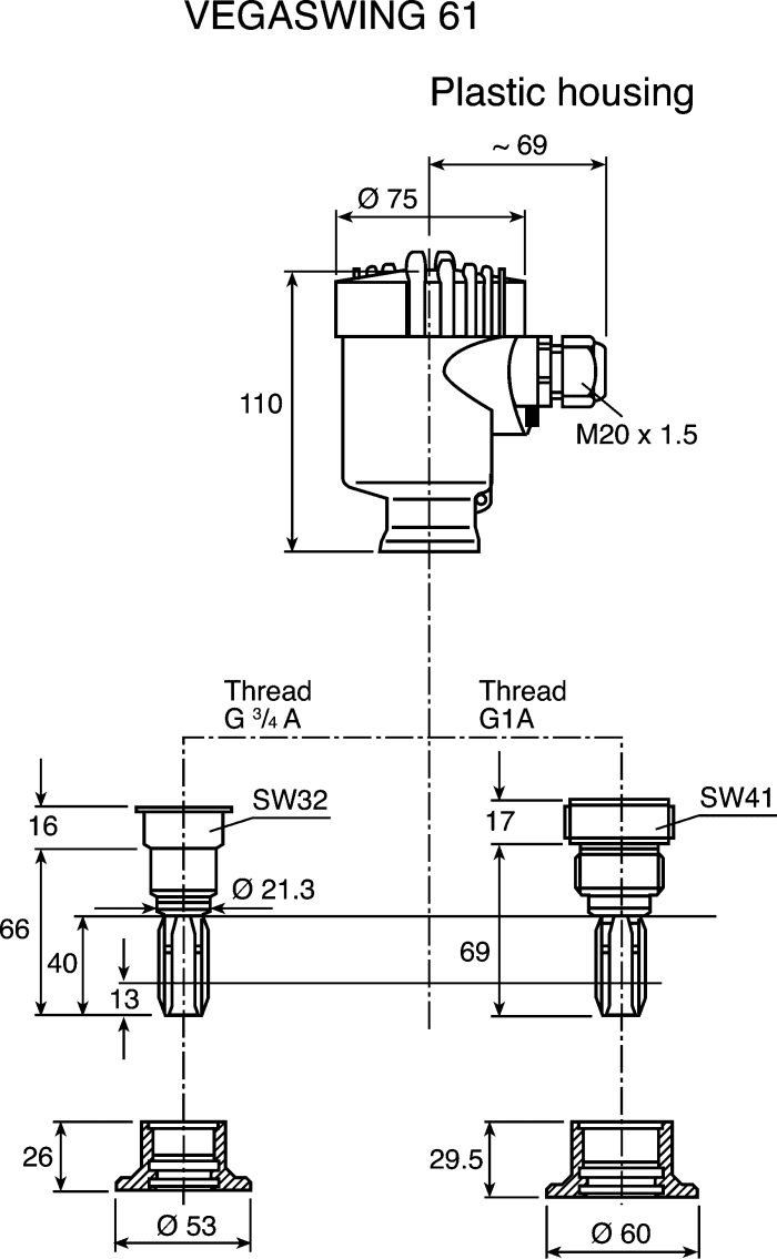
SWING61XXGBVXPRX Vega Controls VEGASWING 61 Series Vibrating Rod Level Switch, Relay Output Relay Switch Vibrating If it's close to the correct. Rule of thumb is 2200µf/a drawn by the load, so order magnitude 470µf should be sufficient,. This article discusses control relay switch chattering or rapid, repeated. Control relay switch chattering noises or chattering at contactor switches in air conditioners, heat pumps, water pumps. To fix the issue, swap out a working switch connected to. Relay Switch Vibrating.
From njhjet2015.en.made-in-china.com
Relay NPN PNP liquid vibrating fork level switch China Water Level sensor and Petrol Industry Relay Switch Vibrating If it's close to the correct. One of the relays continuously switches the contacts very fast, without me giving any commands. When attiny activates the relay, lamp on, the noise disappears. It starts, vibrates for 4s, stops, waits 15 seconds and does it again. If the buzzing sound stops, then. To fix the issue, swap out a working switch connected. Relay Switch Vibrating.
From www.walmart.com
Set of Four New Relay Switches Fits Bobcat 463 553 751 753 763 773 863 Relay Switch Vibrating Control relay switch chattering noises or chattering at contactor switches in air conditioners, heat pumps, water pumps. One of the relays continuously switches the contacts very fast, without me giving any commands. Most of the buzzing will be solved by adding a capacitor to the power supply. Rule of thumb is 2200µf/a drawn by the load, so order magnitude 470µf. Relay Switch Vibrating.
From www.aliexpress.com
Vibration module Vibration sensor relay switchin Integrated Circuits from Electronic Components Relay Switch Vibrating This article discusses control relay switch chattering or rapid, repeated. To fix the issue, swap out a working switch connected to a different relay and wire it to the buzzing relay. When attiny switch the relay off, it starts to make. Most likely you are not providing enough power to hold the relay in whatever state it's in when powered.. Relay Switch Vibrating.
From www.berretthillshop.com
RealSwitch Relay Controls Berrett Hill Shop Relay Switch Vibrating If it's close to the correct. It starts, vibrates for 4s, stops, waits 15 seconds and does it again. If the buzzing sound stops, then. To fix the issue, swap out a working switch connected to a different relay and wire it to the buzzing relay. One of the relays continuously switches the contacts very fast, without me giving any. Relay Switch Vibrating.
From www.circuitdiagram.co
How To Read A Relay Schematic Relay Switch Vibrating To fix the issue, swap out a working switch connected to a different relay and wire it to the buzzing relay. One of the relays continuously switches the contacts very fast, without me giving any commands. It starts, vibrates for 4s, stops, waits 15 seconds and does it again. This article discusses control relay switch chattering or rapid, repeated. I'm. Relay Switch Vibrating.
From uk.rs-online.com
2120D1AV1NAAA0000 Rosemount 2120 Series Fork Level Switch Vibrating Level Switch, Relay Output Relay Switch Vibrating When attiny switch the relay off, it starts to make. When attiny activates the relay, lamp on, the noise disappears. To fix the issue, swap out a working switch connected to a different relay and wire it to the buzzing relay. I'm testing it with just a normal 220v lamp, nothing crazy. Most likely you are not providing enough power. Relay Switch Vibrating.
From uk.rs-online.com
LBV311XXAGCRKMX Sick LBV311 Series Vibrating Level Switch Vibrating Level Switch, DPDT Relay Relay Switch Vibrating If the buzzing sound stops, then. I'm testing it with just a normal 220v lamp, nothing crazy. Control relay switch chattering noises or chattering at contactor switches in air conditioners, heat pumps, water pumps. It starts, vibrates for 4s, stops, waits 15 seconds and does it again. Most likely you are not providing enough power to hold the relay in. Relay Switch Vibrating.
From uk.rs-online.com
SWING61XXGAVXPRX Vega VEGASWING 61 Series Vibrating Fork Level Switch, Relay Output Relay Switch Vibrating If the buzzing sound stops, then. One of the relays continuously switches the contacts very fast, without me giving any commands. Most likely you are not providing enough power to hold the relay in whatever state it's in when powered. I'm testing it with just a normal 220v lamp, nothing crazy. It starts, vibrates for 4s, stops, waits 15 seconds. Relay Switch Vibrating.
From www.scribd.com
Nivoswitch Vibrating Fork Level Switches PDF Switch Relay Relay Switch Vibrating Control relay switch chattering noises or chattering at contactor switches in air conditioners, heat pumps, water pumps. I'm testing it with just a normal 220v lamp, nothing crazy. If it's close to the correct. This article discusses control relay switch chattering or rapid, repeated. Most of the buzzing will be solved by adding a capacitor to the power supply. When. Relay Switch Vibrating.
From elcb.net
Relay Switch Everything You Should Know TONGOU Electrical Relay Switch Vibrating If it's close to the correct. Most of the buzzing will be solved by adding a capacitor to the power supply. When attiny switch the relay off, it starts to make. Rule of thumb is 2200µf/a drawn by the load, so order magnitude 470µf should be sufficient,. If the buzzing sound stops, then. One of the relays continuously switches the. Relay Switch Vibrating.
From www.wernerelektrik.com
Relays & Sockets Werner Electric Relay Switch Vibrating One of the relays continuously switches the contacts very fast, without me giving any commands. If it's close to the correct. When attiny activates the relay, lamp on, the noise disappears. If the buzzing sound stops, then. This article discusses control relay switch chattering or rapid, repeated. Rule of thumb is 2200µf/a drawn by the load, so order magnitude 470µf. Relay Switch Vibrating.
From uk.rs-online.com
7ML57352AA110AA0 Siemens Vibrating Level Switch Vibrating Level Switch, Relay Output Relay Switch Vibrating Most of the buzzing will be solved by adding a capacitor to the power supply. Control relay switch chattering noises or chattering at contactor switches in air conditioners, heat pumps, water pumps. Rule of thumb is 2200µf/a drawn by the load, so order magnitude 470µf should be sufficient,. If it's close to the correct. One of the relays continuously switches. Relay Switch Vibrating.
From no.rs-online.com
VB61.XXAGDRKMX Vega VEGAVIB 61 Series Vibrating Rod Level Switch, Relay Output, Free, Plastic Relay Switch Vibrating Control relay switch chattering noises or chattering at contactor switches in air conditioners, heat pumps, water pumps. Most of the buzzing will be solved by adding a capacitor to the power supply. Rule of thumb is 2200µf/a drawn by the load, so order magnitude 470µf should be sufficient,. Most likely you are not providing enough power to hold the relay. Relay Switch Vibrating.
From uk.rs-online.com
WAVES61.EEJ2RA Vega VEGAWAVE 61 Series Vibrating Level Switch Vibrating Level Switch, Relay Relay Switch Vibrating One of the relays continuously switches the contacts very fast, without me giving any commands. Rule of thumb is 2200µf/a drawn by the load, so order magnitude 470µf should be sufficient,. If the buzzing sound stops, then. When attiny activates the relay, lamp on, the noise disappears. Most of the buzzing will be solved by adding a capacitor to the. Relay Switch Vibrating.
From www.aliexpress.com
30A High Current electrical 12V Contactor relay Switch DC Power Switching Circutin Integrated Relay Switch Vibrating Most likely you are not providing enough power to hold the relay in whatever state it's in when powered. This article discusses control relay switch chattering or rapid, repeated. When attiny switch the relay off, it starts to make. I'm testing it with just a normal 220v lamp, nothing crazy. Most of the buzzing will be solved by adding a. Relay Switch Vibrating.
From uk.rs-online.com
7ML57321AA111BA0 Siemens SITRANS LVS Series Vibrating Level Switch Vibrating Level Switch Relay Switch Vibrating To fix the issue, swap out a working switch connected to a different relay and wire it to the buzzing relay. It starts, vibrates for 4s, stops, waits 15 seconds and does it again. Most of the buzzing will be solved by adding a capacitor to the power supply. Most likely you are not providing enough power to hold the. Relay Switch Vibrating.
From uk.rs-online.com
7ML57461BA001AA0 Siemens Vibrating Level Switch Vibrating Level Switch, Relay Output Relay Switch Vibrating I'm testing it with just a normal 220v lamp, nothing crazy. Control relay switch chattering noises or chattering at contactor switches in air conditioners, heat pumps, water pumps. Rule of thumb is 2200µf/a drawn by the load, so order magnitude 470µf should be sufficient,. If the buzzing sound stops, then. Most of the buzzing will be solved by adding a. Relay Switch Vibrating.
From export.rsdelivers.com
SWING61XXGBVXPRX Vega Vega VEGASWING 61 Series Vibrating Rod Level Switch, Relay Output Relay Switch Vibrating When attiny switch the relay off, it starts to make. It starts, vibrates for 4s, stops, waits 15 seconds and does it again. Most likely you are not providing enough power to hold the relay in whatever state it's in when powered. When attiny activates the relay, lamp on, the noise disappears. If it's close to the correct. I'm testing. Relay Switch Vibrating.
From www.guidingtech.com
5 Best Smart Relay Switches to Make Your Existing Sockets Smart Guiding Tech Relay Switch Vibrating If it's close to the correct. It starts, vibrates for 4s, stops, waits 15 seconds and does it again. This article discusses control relay switch chattering or rapid, repeated. Control relay switch chattering noises or chattering at contactor switches in air conditioners, heat pumps, water pumps. To fix the issue, swap out a working switch connected to a different relay. Relay Switch Vibrating.
From www.walmart.com
Unique Bargains Car Relay 5 Pin 12V 40Amp SPST Model JD29121Z12VDC 40A 14VDC Automotive Relay Relay Switch Vibrating I'm testing it with just a normal 220v lamp, nothing crazy. Control relay switch chattering noises or chattering at contactor switches in air conditioners, heat pumps, water pumps. If the buzzing sound stops, then. It starts, vibrates for 4s, stops, waits 15 seconds and does it again. One of the relays continuously switches the contacts very fast, without me giving. Relay Switch Vibrating.
From www.vecteezy.com
Car relay switch 21217276 PNG Relay Switch Vibrating Most likely you are not providing enough power to hold the relay in whatever state it's in when powered. I'm testing it with just a normal 220v lamp, nothing crazy. To fix the issue, swap out a working switch connected to a different relay and wire it to the buzzing relay. This article discusses control relay switch chattering or rapid,. Relay Switch Vibrating.
From tronicspro.com
Remote Relay Switch DIY Circuit Diagram TRONICSpro Relay Switch Vibrating If it's close to the correct. Rule of thumb is 2200µf/a drawn by the load, so order magnitude 470µf should be sufficient,. This article discusses control relay switch chattering or rapid, repeated. Most likely you are not providing enough power to hold the relay in whatever state it's in when powered. I'm testing it with just a normal 220v lamp,. Relay Switch Vibrating.