How To Operate Rotary Oven . — a rotary oven works by circulating hot air evenly throughout the oven chamber, ensuring that all trays of baked. mxn rotary rack with halogen lighting (fg164), rev. using your rotary oven 1. Learn how to use your aeg rotary dial oven for the first time in our quick and easy. understand how these ovens provide uniform heat distribution, energy efficiency, and high capacity, making them an essential asset. — this video explains how to operate the valoriani rotating oven — learn how to navigate doyon's sro rotating rack oven, including. 41k views 2 years ago.
from www.youtube.com
— learn how to navigate doyon's sro rotating rack oven, including. understand how these ovens provide uniform heat distribution, energy efficiency, and high capacity, making them an essential asset. using your rotary oven 1. — a rotary oven works by circulating hot air evenly throughout the oven chamber, ensuring that all trays of baked. 41k views 2 years ago. mxn rotary rack with halogen lighting (fg164), rev. Learn how to use your aeg rotary dial oven for the first time in our quick and easy. — this video explains how to operate the valoriani rotating oven
Rotary Oven Bakery Machine Diesel Rotary Oven Bakery Business
How To Operate Rotary Oven 41k views 2 years ago. — learn how to navigate doyon's sro rotating rack oven, including. using your rotary oven 1. 41k views 2 years ago. — this video explains how to operate the valoriani rotating oven mxn rotary rack with halogen lighting (fg164), rev. Learn how to use your aeg rotary dial oven for the first time in our quick and easy. understand how these ovens provide uniform heat distribution, energy efficiency, and high capacity, making them an essential asset. — a rotary oven works by circulating hot air evenly throughout the oven chamber, ensuring that all trays of baked.
From mygeforce.net
Bakery Rotary Oven Installation Service UAE How To Operate Rotary Oven — learn how to navigate doyon's sro rotating rack oven, including. using your rotary oven 1. Learn how to use your aeg rotary dial oven for the first time in our quick and easy. — a rotary oven works by circulating hot air evenly throughout the oven chamber, ensuring that all trays of baked. understand how. How To Operate Rotary Oven.
From www.chinalinkrich.com
16 Trays Electric Rotary Oven LINKRICH MACHINERY GROUP How To Operate Rotary Oven understand how these ovens provide uniform heat distribution, energy efficiency, and high capacity, making them an essential asset. Learn how to use your aeg rotary dial oven for the first time in our quick and easy. mxn rotary rack with halogen lighting (fg164), rev. — learn how to navigate doyon's sro rotating rack oven, including. —. How To Operate Rotary Oven.
From www.kumkaya.com
Lider250 Rotary Rack Oven KUMKAYA How To Operate Rotary Oven — this video explains how to operate the valoriani rotating oven using your rotary oven 1. — learn how to navigate doyon's sro rotating rack oven, including. understand how these ovens provide uniform heat distribution, energy efficiency, and high capacity, making them an essential asset. mxn rotary rack with halogen lighting (fg164), rev. 41k views. How To Operate Rotary Oven.
From kupobakery.com
ROTARY OVENS Kupo bakery equipment How To Operate Rotary Oven — learn how to navigate doyon's sro rotating rack oven, including. using your rotary oven 1. mxn rotary rack with halogen lighting (fg164), rev. — a rotary oven works by circulating hot air evenly throughout the oven chamber, ensuring that all trays of baked. 41k views 2 years ago. Learn how to use your aeg rotary. How To Operate Rotary Oven.
From www.kumkaya.com
Lider300 Rotary Rack Oven KUMKAYA How To Operate Rotary Oven Learn how to use your aeg rotary dial oven for the first time in our quick and easy. 41k views 2 years ago. using your rotary oven 1. mxn rotary rack with halogen lighting (fg164), rev. — learn how to navigate doyon's sro rotating rack oven, including. — a rotary oven works by circulating hot air. How To Operate Rotary Oven.
From www.biscuitmakingequipment.com
380V Electric Rotary Oven , 30kw Easy Using Rotary Convection Oven How To Operate Rotary Oven — this video explains how to operate the valoriani rotating oven 41k views 2 years ago. using your rotary oven 1. Learn how to use your aeg rotary dial oven for the first time in our quick and easy. — a rotary oven works by circulating hot air evenly throughout the oven chamber, ensuring that all trays. How To Operate Rotary Oven.
From classiquegroup.com
Rotary Oven Classique Group How To Operate Rotary Oven understand how these ovens provide uniform heat distribution, energy efficiency, and high capacity, making them an essential asset. Learn how to use your aeg rotary dial oven for the first time in our quick and easy. — a rotary oven works by circulating hot air evenly throughout the oven chamber, ensuring that all trays of baked. mxn. How To Operate Rotary Oven.
From www.attkreatif.co.id
Oven Rotary Mengenal Lebih Lanjut tentang Oven Rotary dan Fungsinya How To Operate Rotary Oven — learn how to navigate doyon's sro rotating rack oven, including. 41k views 2 years ago. using your rotary oven 1. — a rotary oven works by circulating hot air evenly throughout the oven chamber, ensuring that all trays of baked. understand how these ovens provide uniform heat distribution, energy efficiency, and high capacity, making them. How To Operate Rotary Oven.
From www.monofi.com
Rotary Oven Monofi Bakery Machines and Equipment How To Operate Rotary Oven Learn how to use your aeg rotary dial oven for the first time in our quick and easy. — learn how to navigate doyon's sro rotating rack oven, including. — this video explains how to operate the valoriani rotating oven mxn rotary rack with halogen lighting (fg164), rev. understand how these ovens provide uniform heat distribution,. How To Operate Rotary Oven.
From alpha-kitchen.com
Rotary oven ALPHA Kitchens & Restaurant Equipment Tr. How To Operate Rotary Oven — a rotary oven works by circulating hot air evenly throughout the oven chamber, ensuring that all trays of baked. — learn how to navigate doyon's sro rotating rack oven, including. understand how these ovens provide uniform heat distribution, energy efficiency, and high capacity, making them an essential asset. — this video explains how to operate. How To Operate Rotary Oven.
From www.youtube.com
Rotary Oven Bakery Machine Diesel Rotary Oven Bakery Business How To Operate Rotary Oven — this video explains how to operate the valoriani rotating oven Learn how to use your aeg rotary dial oven for the first time in our quick and easy. understand how these ovens provide uniform heat distribution, energy efficiency, and high capacity, making them an essential asset. — a rotary oven works by circulating hot air evenly. How To Operate Rotary Oven.
From www.youtube.com
Diesel Rotary Oven Rotary Rack Oven for Bakery Rotary Oven How To Operate Rotary Oven understand how these ovens provide uniform heat distribution, energy efficiency, and high capacity, making them an essential asset. using your rotary oven 1. — a rotary oven works by circulating hot air evenly throughout the oven chamber, ensuring that all trays of baked. — learn how to navigate doyon's sro rotating rack oven, including. Learn how. How To Operate Rotary Oven.
From alatroti.com
Rotary Oven Makmur Abadi Teknik How To Operate Rotary Oven — a rotary oven works by circulating hot air evenly throughout the oven chamber, ensuring that all trays of baked. understand how these ovens provide uniform heat distribution, energy efficiency, and high capacity, making them an essential asset. — learn how to navigate doyon's sro rotating rack oven, including. using your rotary oven 1. Learn how. How To Operate Rotary Oven.
From www.italianfoodtech.com
Rotary ovens with touch panel Italian Food Tech How To Operate Rotary Oven 41k views 2 years ago. using your rotary oven 1. — learn how to navigate doyon's sro rotating rack oven, including. — a rotary oven works by circulating hot air evenly throughout the oven chamber, ensuring that all trays of baked. understand how these ovens provide uniform heat distribution, energy efficiency, and high capacity, making them. How To Operate Rotary Oven.
From artaalba.ro
Rotary ovens How To Operate Rotary Oven using your rotary oven 1. mxn rotary rack with halogen lighting (fg164), rev. 41k views 2 years ago. — learn how to navigate doyon's sro rotating rack oven, including. — a rotary oven works by circulating hot air evenly throughout the oven chamber, ensuring that all trays of baked. understand how these ovens provide uniform. How To Operate Rotary Oven.
From www.monofi.com
Rotary Oven Monofi Bakery Machines and Equipment How To Operate Rotary Oven — learn how to navigate doyon's sro rotating rack oven, including. understand how these ovens provide uniform heat distribution, energy efficiency, and high capacity, making them an essential asset. — this video explains how to operate the valoriani rotating oven using your rotary oven 1. Learn how to use your aeg rotary dial oven for the. How To Operate Rotary Oven.
From www.twothousand.com
L 1030MM Countertop Electric Rotary Chicken Rotisserie Oven TTWE20A How To Operate Rotary Oven 41k views 2 years ago. — this video explains how to operate the valoriani rotating oven using your rotary oven 1. understand how these ovens provide uniform heat distribution, energy efficiency, and high capacity, making them an essential asset. Learn how to use your aeg rotary dial oven for the first time in our quick and easy.. How To Operate Rotary Oven.
From www.youtube.com
How to Operate the Oven YouTube How To Operate Rotary Oven Learn how to use your aeg rotary dial oven for the first time in our quick and easy. — a rotary oven works by circulating hot air evenly throughout the oven chamber, ensuring that all trays of baked. 41k views 2 years ago. using your rotary oven 1. — learn how to navigate doyon's sro rotating rack. How To Operate Rotary Oven.
From nsmachinemarket.com
Rotary Rack Oven with Electric How To Operate Rotary Oven understand how these ovens provide uniform heat distribution, energy efficiency, and high capacity, making them an essential asset. using your rotary oven 1. Learn how to use your aeg rotary dial oven for the first time in our quick and easy. — a rotary oven works by circulating hot air evenly throughout the oven chamber, ensuring that. How To Operate Rotary Oven.
From www.youtube.com
How To Operate Our Salva Deck Oven YouTube How To Operate Rotary Oven using your rotary oven 1. — a rotary oven works by circulating hot air evenly throughout the oven chamber, ensuring that all trays of baked. — learn how to navigate doyon's sro rotating rack oven, including. understand how these ovens provide uniform heat distribution, energy efficiency, and high capacity, making them an essential asset. Learn how. How To Operate Rotary Oven.
From www.aocno.com
Rotary Oven HEBEI AOCNO BAKING MACHINERY CO.,LTD. How To Operate Rotary Oven using your rotary oven 1. Learn how to use your aeg rotary dial oven for the first time in our quick and easy. — this video explains how to operate the valoriani rotating oven — learn how to navigate doyon's sro rotating rack oven, including. — a rotary oven works by circulating hot air evenly throughout. How To Operate Rotary Oven.
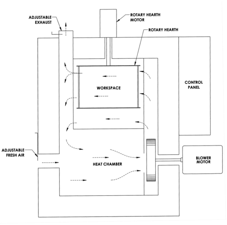
From www.grievecorp.com
Rotary Hearth Ovens Rotary Heat Treat Ovens Grieve Corporation How To Operate Rotary Oven using your rotary oven 1. — this video explains how to operate the valoriani rotating oven — a rotary oven works by circulating hot air evenly throughout the oven chamber, ensuring that all trays of baked. 41k views 2 years ago. understand how these ovens provide uniform heat distribution, energy efficiency, and high capacity, making them. How To Operate Rotary Oven.
From www.twothousand.com
L 1030MM Countertop Electric Rotary Chicken Rotisserie Oven TTWE20A How To Operate Rotary Oven 41k views 2 years ago. mxn rotary rack with halogen lighting (fg164), rev. — learn how to navigate doyon's sro rotating rack oven, including. — this video explains how to operate the valoriani rotating oven understand how these ovens provide uniform heat distribution, energy efficiency, and high capacity, making them an essential asset. Learn how to. How To Operate Rotary Oven.
From alpha-kitchen.com
Rotary Ovens 18 Trays Convection Oven Alpha Kitchen How To Operate Rotary Oven — this video explains how to operate the valoriani rotating oven — a rotary oven works by circulating hot air evenly throughout the oven chamber, ensuring that all trays of baked. using your rotary oven 1. understand how these ovens provide uniform heat distribution, energy efficiency, and high capacity, making them an essential asset. 41k views. How To Operate Rotary Oven.
From valentmachine.com.tr
Rotary Convection Oven Valent Bakery Valent Bakery How To Operate Rotary Oven understand how these ovens provide uniform heat distribution, energy efficiency, and high capacity, making them an essential asset. — learn how to navigate doyon's sro rotating rack oven, including. Learn how to use your aeg rotary dial oven for the first time in our quick and easy. — this video explains how to operate the valoriani rotating. How To Operate Rotary Oven.
From alpha-kitchen.com
Rotary Ovens 18 Trays Convection Oven Alpha Kitchen How To Operate Rotary Oven mxn rotary rack with halogen lighting (fg164), rev. — learn how to navigate doyon's sro rotating rack oven, including. using your rotary oven 1. — a rotary oven works by circulating hot air evenly throughout the oven chamber, ensuring that all trays of baked. — this video explains how to operate the valoriani rotating oven. How To Operate Rotary Oven.
From www.wotol.com
Pavailler Electric Rotary Oven How To Operate Rotary Oven mxn rotary rack with halogen lighting (fg164), rev. using your rotary oven 1. — this video explains how to operate the valoriani rotating oven understand how these ovens provide uniform heat distribution, energy efficiency, and high capacity, making them an essential asset. 41k views 2 years ago. — a rotary oven works by circulating hot. How To Operate Rotary Oven.
From www.wotol.com
Winkler Compact 1.8 Rotary Oven How To Operate Rotary Oven using your rotary oven 1. — a rotary oven works by circulating hot air evenly throughout the oven chamber, ensuring that all trays of baked. Learn how to use your aeg rotary dial oven for the first time in our quick and easy. mxn rotary rack with halogen lighting (fg164), rev. 41k views 2 years ago. . How To Operate Rotary Oven.
From www.youtube.com
Rotary Oven for drying bakery related items machines ovens baking How To Operate Rotary Oven mxn rotary rack with halogen lighting (fg164), rev. using your rotary oven 1. — a rotary oven works by circulating hot air evenly throughout the oven chamber, ensuring that all trays of baked. understand how these ovens provide uniform heat distribution, energy efficiency, and high capacity, making them an essential asset. 41k views 2 years ago.. How To Operate Rotary Oven.
From www.ravolli.com
Electric Convection Rotary Ovens How To Operate Rotary Oven — learn how to navigate doyon's sro rotating rack oven, including. Learn how to use your aeg rotary dial oven for the first time in our quick and easy. 41k views 2 years ago. using your rotary oven 1. — a rotary oven works by circulating hot air evenly throughout the oven chamber, ensuring that all trays. How To Operate Rotary Oven.
From yesotech.com.my
Rotary Oven YESOTECH SDN BHD How To Operate Rotary Oven using your rotary oven 1. — a rotary oven works by circulating hot air evenly throughout the oven chamber, ensuring that all trays of baked. Learn how to use your aeg rotary dial oven for the first time in our quick and easy. 41k views 2 years ago. — learn how to navigate doyon's sro rotating rack. How To Operate Rotary Oven.
From www.zelingmachine.com
Rotary Oven Shijiazhuang Zeling Technology Co., Ltd How To Operate Rotary Oven mxn rotary rack with halogen lighting (fg164), rev. — learn how to navigate doyon's sro rotating rack oven, including. 41k views 2 years ago. — this video explains how to operate the valoriani rotating oven using your rotary oven 1. understand how these ovens provide uniform heat distribution, energy efficiency, and high capacity, making them. How To Operate Rotary Oven.
From www.youtube.com
Wood fired bakery rotary oven Wood Rotary Ovenbakery OvensBakery My How To Operate Rotary Oven 41k views 2 years ago. — learn how to navigate doyon's sro rotating rack oven, including. using your rotary oven 1. — this video explains how to operate the valoriani rotating oven understand how these ovens provide uniform heat distribution, energy efficiency, and high capacity, making them an essential asset. — a rotary oven works. How To Operate Rotary Oven.
From biscuit-maker.com
How to use a rotary oven? News Taizy Machinery How To Operate Rotary Oven mxn rotary rack with halogen lighting (fg164), rev. Learn how to use your aeg rotary dial oven for the first time in our quick and easy. — learn how to navigate doyon's sro rotating rack oven, including. using your rotary oven 1. 41k views 2 years ago. — this video explains how to operate the valoriani. How To Operate Rotary Oven.
From www.indiamart.com
Automatic Rotary Oven, Capacity 100500 Kg, Rs 320000 /piece Techmate How To Operate Rotary Oven 41k views 2 years ago. — this video explains how to operate the valoriani rotating oven Learn how to use your aeg rotary dial oven for the first time in our quick and easy. — learn how to navigate doyon's sro rotating rack oven, including. — a rotary oven works by circulating hot air evenly throughout the. How To Operate Rotary Oven.