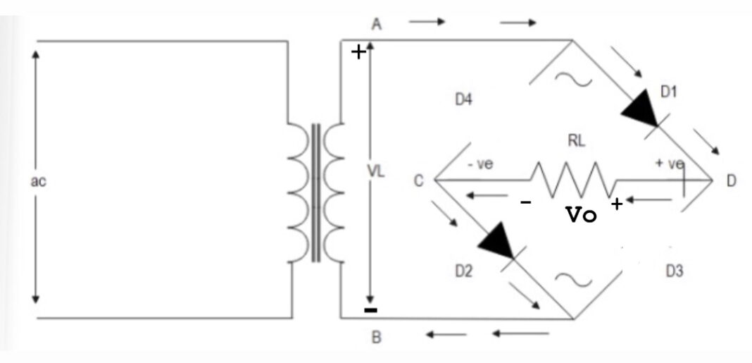
Bridge Rectifier Schematic Diagram . the diode bridge rectifier circuit is a very simple circuit made up of just four rectifier diodes connected in a square shape. The bridge rectifier consists of four diodes arranged in a bridge configuration, hence its name. the bridge rectifier schematic diagram is a graphical representation of how the circuit components are connected together to form the rectifier circuit. the circuit diagrams and waveforms we have given below will help you understand the operation of a bridge rectifier perfectly. a simple explanation of bridge rectifiers. In the circuit diagram, 4 diodes are arranged in the form of a bridge. The following figure shows the circuit diagram of the bridge rectifier: The transformer secondary is connected to two diametrically opposite points of the bridge at points a & c. Learn what a bridge rectifier is, the working principle &.
from www.electronicsforu.com
Learn what a bridge rectifier is, the working principle &. The following figure shows the circuit diagram of the bridge rectifier: the bridge rectifier schematic diagram is a graphical representation of how the circuit components are connected together to form the rectifier circuit. the diode bridge rectifier circuit is a very simple circuit made up of just four rectifier diodes connected in a square shape. a simple explanation of bridge rectifiers. The transformer secondary is connected to two diametrically opposite points of the bridge at points a & c. the circuit diagrams and waveforms we have given below will help you understand the operation of a bridge rectifier perfectly. The bridge rectifier consists of four diodes arranged in a bridge configuration, hence its name. In the circuit diagram, 4 diodes are arranged in the form of a bridge.
Bridge Rectifier Circuit, Construction, Working, and Types
Bridge Rectifier Schematic Diagram In the circuit diagram, 4 diodes are arranged in the form of a bridge. the diode bridge rectifier circuit is a very simple circuit made up of just four rectifier diodes connected in a square shape. In the circuit diagram, 4 diodes are arranged in the form of a bridge. Learn what a bridge rectifier is, the working principle &. the bridge rectifier schematic diagram is a graphical representation of how the circuit components are connected together to form the rectifier circuit. The bridge rectifier consists of four diodes arranged in a bridge configuration, hence its name. The following figure shows the circuit diagram of the bridge rectifier: a simple explanation of bridge rectifiers. the circuit diagrams and waveforms we have given below will help you understand the operation of a bridge rectifier perfectly. The transformer secondary is connected to two diametrically opposite points of the bridge at points a & c.
From schematiclistgaur55.z22.web.core.windows.net
Bridge Rectifier Circuit Diagram Explanation Bridge Rectifier Schematic Diagram The bridge rectifier consists of four diodes arranged in a bridge configuration, hence its name. The transformer secondary is connected to two diametrically opposite points of the bridge at points a & c. the circuit diagrams and waveforms we have given below will help you understand the operation of a bridge rectifier perfectly. a simple explanation of bridge. Bridge Rectifier Schematic Diagram.
From exyxhkpdp.blob.core.windows.net
Full Wave Rectifier Bridge Circuit Diagram at James Rayl blog Bridge Rectifier Schematic Diagram The transformer secondary is connected to two diametrically opposite points of the bridge at points a & c. Learn what a bridge rectifier is, the working principle &. the bridge rectifier schematic diagram is a graphical representation of how the circuit components are connected together to form the rectifier circuit. The following figure shows the circuit diagram of the. Bridge Rectifier Schematic Diagram.
From mungfali.com
Full Wave Bridge Rectifier Schematic Bridge Rectifier Schematic Diagram the diode bridge rectifier circuit is a very simple circuit made up of just four rectifier diodes connected in a square shape. a simple explanation of bridge rectifiers. The bridge rectifier consists of four diodes arranged in a bridge configuration, hence its name. the circuit diagrams and waveforms we have given below will help you understand the. Bridge Rectifier Schematic Diagram.
From www.thegeekpub.com
Bridge Rectifier Circuit Electronics Basics The Geek Pub Bridge Rectifier Schematic Diagram The following figure shows the circuit diagram of the bridge rectifier: the circuit diagrams and waveforms we have given below will help you understand the operation of a bridge rectifier perfectly. In the circuit diagram, 4 diodes are arranged in the form of a bridge. the bridge rectifier schematic diagram is a graphical representation of how the circuit. Bridge Rectifier Schematic Diagram.
From exyxhkpdp.blob.core.windows.net
Full Wave Rectifier Bridge Circuit Diagram at James Rayl blog Bridge Rectifier Schematic Diagram Learn what a bridge rectifier is, the working principle &. the diode bridge rectifier circuit is a very simple circuit made up of just four rectifier diodes connected in a square shape. The transformer secondary is connected to two diametrically opposite points of the bridge at points a & c. The bridge rectifier consists of four diodes arranged in. Bridge Rectifier Schematic Diagram.
From www.techblade.ph
Rectification Explained Electronics for novices Bridge Rectifier Schematic Diagram the diode bridge rectifier circuit is a very simple circuit made up of just four rectifier diodes connected in a square shape. the bridge rectifier schematic diagram is a graphical representation of how the circuit components are connected together to form the rectifier circuit. Learn what a bridge rectifier is, the working principle &. the circuit diagrams. Bridge Rectifier Schematic Diagram.
From www.circuitdiagram.co
bridge rectifier circuit diagram pdf Circuit Diagram Bridge Rectifier Schematic Diagram Learn what a bridge rectifier is, the working principle &. The bridge rectifier consists of four diodes arranged in a bridge configuration, hence its name. the circuit diagrams and waveforms we have given below will help you understand the operation of a bridge rectifier perfectly. The transformer secondary is connected to two diametrically opposite points of the bridge at. Bridge Rectifier Schematic Diagram.
From www.electronicshub.org
Full Wave Bridge Rectifier Circuit Working and Applications Bridge Rectifier Schematic Diagram The transformer secondary is connected to two diametrically opposite points of the bridge at points a & c. The bridge rectifier consists of four diodes arranged in a bridge configuration, hence its name. Learn what a bridge rectifier is, the working principle &. In the circuit diagram, 4 diodes are arranged in the form of a bridge. The following figure. Bridge Rectifier Schematic Diagram.
From www.engineersgarage.com
Simple AC to DC converter using bridge rectifier Bridge Rectifier Schematic Diagram a simple explanation of bridge rectifiers. Learn what a bridge rectifier is, the working principle &. The following figure shows the circuit diagram of the bridge rectifier: the circuit diagrams and waveforms we have given below will help you understand the operation of a bridge rectifier perfectly. the diode bridge rectifier circuit is a very simple circuit. Bridge Rectifier Schematic Diagram.
From robhosking.com
13+ Bridge Rectifier Schematic Robhosking Diagram Bridge Rectifier Schematic Diagram Learn what a bridge rectifier is, the working principle &. a simple explanation of bridge rectifiers. In the circuit diagram, 4 diodes are arranged in the form of a bridge. the bridge rectifier schematic diagram is a graphical representation of how the circuit components are connected together to form the rectifier circuit. the circuit diagrams and waveforms. Bridge Rectifier Schematic Diagram.
From www.watelectrical.com
Bridge Rectifier Working Principle, Circuit Diagram, Types & Benefits Bridge Rectifier Schematic Diagram In the circuit diagram, 4 diodes are arranged in the form of a bridge. the diode bridge rectifier circuit is a very simple circuit made up of just four rectifier diodes connected in a square shape. The following figure shows the circuit diagram of the bridge rectifier: the bridge rectifier schematic diagram is a graphical representation of how. Bridge Rectifier Schematic Diagram.
From www.thegeekpub.com
Bridge Rectifier Circuit Electronics Basics The Geek Pub Bridge Rectifier Schematic Diagram a simple explanation of bridge rectifiers. the diode bridge rectifier circuit is a very simple circuit made up of just four rectifier diodes connected in a square shape. the bridge rectifier schematic diagram is a graphical representation of how the circuit components are connected together to form the rectifier circuit. In the circuit diagram, 4 diodes are. Bridge Rectifier Schematic Diagram.
From www.circuits-diy.com
FullWave Bridge Rectifier Circuit Bridge Rectifier Schematic Diagram In the circuit diagram, 4 diodes are arranged in the form of a bridge. a simple explanation of bridge rectifiers. the diode bridge rectifier circuit is a very simple circuit made up of just four rectifier diodes connected in a square shape. Learn what a bridge rectifier is, the working principle &. The transformer secondary is connected to. Bridge Rectifier Schematic Diagram.
From electricalworkbook.com
What is Bridge Rectifier? Working, Circuit Diagram & Waveforms Bridge Rectifier Schematic Diagram a simple explanation of bridge rectifiers. The following figure shows the circuit diagram of the bridge rectifier: the bridge rectifier schematic diagram is a graphical representation of how the circuit components are connected together to form the rectifier circuit. the diode bridge rectifier circuit is a very simple circuit made up of just four rectifier diodes connected. Bridge Rectifier Schematic Diagram.
From diyburbank.blogspot.com
3 Phase Bridge Rectifier Circuit Diagram / Rectifier Theory 3 Phase Bridge Rectifier Schematic Diagram the diode bridge rectifier circuit is a very simple circuit made up of just four rectifier diodes connected in a square shape. The bridge rectifier consists of four diodes arranged in a bridge configuration, hence its name. the bridge rectifier schematic diagram is a graphical representation of how the circuit components are connected together to form the rectifier. Bridge Rectifier Schematic Diagram.
From schematiclistbagartner.z13.web.core.windows.net
Rectifier Bridge Circuit Diagram Bridge Rectifier Schematic Diagram The transformer secondary is connected to two diametrically opposite points of the bridge at points a & c. In the circuit diagram, 4 diodes are arranged in the form of a bridge. the circuit diagrams and waveforms we have given below will help you understand the operation of a bridge rectifier perfectly. The bridge rectifier consists of four diodes. Bridge Rectifier Schematic Diagram.
From schematicenginedrechsler.z19.web.core.windows.net
Circuit Diagram For Bridge Rectifier Bridge Rectifier Schematic Diagram The following figure shows the circuit diagram of the bridge rectifier: the circuit diagrams and waveforms we have given below will help you understand the operation of a bridge rectifier perfectly. a simple explanation of bridge rectifiers. the bridge rectifier schematic diagram is a graphical representation of how the circuit components are connected together to form the. Bridge Rectifier Schematic Diagram.
From giooxkwqt.blob.core.windows.net
What Is A Bridge Rectifier Circuit at June Conover blog Bridge Rectifier Schematic Diagram a simple explanation of bridge rectifiers. Learn what a bridge rectifier is, the working principle &. The transformer secondary is connected to two diametrically opposite points of the bridge at points a & c. the circuit diagrams and waveforms we have given below will help you understand the operation of a bridge rectifier perfectly. the diode bridge. Bridge Rectifier Schematic Diagram.
From circuitfixmatthew.z6.web.core.windows.net
3 Phase Bridge Rectifier Circuit Diagram Bridge Rectifier Schematic Diagram The bridge rectifier consists of four diodes arranged in a bridge configuration, hence its name. a simple explanation of bridge rectifiers. Learn what a bridge rectifier is, the working principle &. the diode bridge rectifier circuit is a very simple circuit made up of just four rectifier diodes connected in a square shape. the circuit diagrams and. Bridge Rectifier Schematic Diagram.
From circuitenginewroken.z13.web.core.windows.net
3 Phase Bridge Rectifier Circuit Diagram Bridge Rectifier Schematic Diagram The transformer secondary is connected to two diametrically opposite points of the bridge at points a & c. The bridge rectifier consists of four diodes arranged in a bridge configuration, hence its name. the bridge rectifier schematic diagram is a graphical representation of how the circuit components are connected together to form the rectifier circuit. the diode bridge. Bridge Rectifier Schematic Diagram.
From electricalworkbook.com
What is Bridge Rectifier? Working, Circuit Diagram & Waveforms Bridge Rectifier Schematic Diagram a simple explanation of bridge rectifiers. The bridge rectifier consists of four diodes arranged in a bridge configuration, hence its name. the bridge rectifier schematic diagram is a graphical representation of how the circuit components are connected together to form the rectifier circuit. The following figure shows the circuit diagram of the bridge rectifier: the circuit diagrams. Bridge Rectifier Schematic Diagram.
From manuallibrene.z13.web.core.windows.net
Full Bridge Rectifier Circuit Bridge Rectifier Schematic Diagram the circuit diagrams and waveforms we have given below will help you understand the operation of a bridge rectifier perfectly. the diode bridge rectifier circuit is a very simple circuit made up of just four rectifier diodes connected in a square shape. the bridge rectifier schematic diagram is a graphical representation of how the circuit components are. Bridge Rectifier Schematic Diagram.
From fyowodumd.blob.core.windows.net
Bridge Rectifier Circuit Diagram With Explanation at Cindy Evans blog Bridge Rectifier Schematic Diagram Learn what a bridge rectifier is, the working principle &. the diode bridge rectifier circuit is a very simple circuit made up of just four rectifier diodes connected in a square shape. the circuit diagrams and waveforms we have given below will help you understand the operation of a bridge rectifier perfectly. the bridge rectifier schematic diagram. Bridge Rectifier Schematic Diagram.
From www.youtube.com
Full Wave Bridge Rectifier Circuit diagram / Step by Step Tutorial Bridge Rectifier Schematic Diagram The transformer secondary is connected to two diametrically opposite points of the bridge at points a & c. The bridge rectifier consists of four diodes arranged in a bridge configuration, hence its name. the diode bridge rectifier circuit is a very simple circuit made up of just four rectifier diodes connected in a square shape. the bridge rectifier. Bridge Rectifier Schematic Diagram.
From mavink.com
Full Wave Bridge Rectifier Diagram Bridge Rectifier Schematic Diagram the circuit diagrams and waveforms we have given below will help you understand the operation of a bridge rectifier perfectly. the bridge rectifier schematic diagram is a graphical representation of how the circuit components are connected together to form the rectifier circuit. In the circuit diagram, 4 diodes are arranged in the form of a bridge. The following. Bridge Rectifier Schematic Diagram.
From organicic4.blogspot.com
Bridge Rectifier Wiring Diagram Organicic Bridge Rectifier Schematic Diagram In the circuit diagram, 4 diodes are arranged in the form of a bridge. Learn what a bridge rectifier is, the working principle &. the bridge rectifier schematic diagram is a graphical representation of how the circuit components are connected together to form the rectifier circuit. The bridge rectifier consists of four diodes arranged in a bridge configuration, hence. Bridge Rectifier Schematic Diagram.
From userguidezgonzz.z21.web.core.windows.net
Circuit Diagram Of Full Wave Bridge Rectifier Bridge Rectifier Schematic Diagram the circuit diagrams and waveforms we have given below will help you understand the operation of a bridge rectifier perfectly. The transformer secondary is connected to two diametrically opposite points of the bridge at points a & c. The bridge rectifier consists of four diodes arranged in a bridge configuration, hence its name. Learn what a bridge rectifier is,. Bridge Rectifier Schematic Diagram.
From hxemcbdwi.blob.core.windows.net
Half Bridge Rectifier Diagram at Kelly Irvine blog Bridge Rectifier Schematic Diagram The transformer secondary is connected to two diametrically opposite points of the bridge at points a & c. the diode bridge rectifier circuit is a very simple circuit made up of just four rectifier diodes connected in a square shape. The following figure shows the circuit diagram of the bridge rectifier: In the circuit diagram, 4 diodes are arranged. Bridge Rectifier Schematic Diagram.
From exyxhkpdp.blob.core.windows.net
Full Wave Rectifier Bridge Circuit Diagram at James Rayl blog Bridge Rectifier Schematic Diagram the diode bridge rectifier circuit is a very simple circuit made up of just four rectifier diodes connected in a square shape. the bridge rectifier schematic diagram is a graphical representation of how the circuit components are connected together to form the rectifier circuit. In the circuit diagram, 4 diodes are arranged in the form of a bridge.. Bridge Rectifier Schematic Diagram.
From www.alamy.com
schematic diagram of 3 phase bridge rectifier Stock Vector Image & Art Bridge Rectifier Schematic Diagram Learn what a bridge rectifier is, the working principle &. the diode bridge rectifier circuit is a very simple circuit made up of just four rectifier diodes connected in a square shape. a simple explanation of bridge rectifiers. The bridge rectifier consists of four diodes arranged in a bridge configuration, hence its name. The following figure shows the. Bridge Rectifier Schematic Diagram.
From diagramsybylne.z13.web.core.windows.net
Bridge Rectifier Circuit Diagram Explanation Bridge Rectifier Schematic Diagram The transformer secondary is connected to two diametrically opposite points of the bridge at points a & c. In the circuit diagram, 4 diodes are arranged in the form of a bridge. the diode bridge rectifier circuit is a very simple circuit made up of just four rectifier diodes connected in a square shape. the circuit diagrams and. Bridge Rectifier Schematic Diagram.
From fyowodumd.blob.core.windows.net
Bridge Rectifier Circuit Diagram With Explanation at Cindy Evans blog Bridge Rectifier Schematic Diagram the circuit diagrams and waveforms we have given below will help you understand the operation of a bridge rectifier perfectly. The following figure shows the circuit diagram of the bridge rectifier: In the circuit diagram, 4 diodes are arranged in the form of a bridge. Learn what a bridge rectifier is, the working principle &. The bridge rectifier consists. Bridge Rectifier Schematic Diagram.
From wiredatajestuno.z21.web.core.windows.net
Full Bridge Rectifier Circuit Diagram Bridge Rectifier Schematic Diagram The following figure shows the circuit diagram of the bridge rectifier: In the circuit diagram, 4 diodes are arranged in the form of a bridge. a simple explanation of bridge rectifiers. the circuit diagrams and waveforms we have given below will help you understand the operation of a bridge rectifier perfectly. the diode bridge rectifier circuit is. Bridge Rectifier Schematic Diagram.
From www.electronicsforu.com
Bridge Rectifier Circuit, Construction, Working, and Types Bridge Rectifier Schematic Diagram The bridge rectifier consists of four diodes arranged in a bridge configuration, hence its name. the diode bridge rectifier circuit is a very simple circuit made up of just four rectifier diodes connected in a square shape. The transformer secondary is connected to two diametrically opposite points of the bridge at points a & c. the circuit diagrams. Bridge Rectifier Schematic Diagram.
From organicic4.blogspot.com
Bridge Rectifier Wiring Diagram Organicic Bridge Rectifier Schematic Diagram Learn what a bridge rectifier is, the working principle &. the bridge rectifier schematic diagram is a graphical representation of how the circuit components are connected together to form the rectifier circuit. The following figure shows the circuit diagram of the bridge rectifier: The bridge rectifier consists of four diodes arranged in a bridge configuration, hence its name. . Bridge Rectifier Schematic Diagram.