How To Replace Carrier Bearing On F350 . First of all i read everywhere that it is a. i just replaced my carrier bearing today on my 2002 f350 (oem part). Truck is a 2000 model 4x4.we bought the truck. vlog of us changing out the carrier bearing on our ford f350 truck. i took it to a buddy that works on cars and he gave the drive a good shake by the carrier bearing and found about 1/4. working on a friends 93 f250 trying to replace the carrier bearing and the old one has a metal plate on the trans side. safe easy way to remove a carrier bearing on a 1999 2000 2001 2002 2003 and 2004 ford f250 and f350 long.
from www.youtube.com
i took it to a buddy that works on cars and he gave the drive a good shake by the carrier bearing and found about 1/4. safe easy way to remove a carrier bearing on a 1999 2000 2001 2002 2003 and 2004 ford f250 and f350 long. First of all i read everywhere that it is a. vlog of us changing out the carrier bearing on our ford f350 truck. Truck is a 2000 model 4x4.we bought the truck. i just replaced my carrier bearing today on my 2002 f350 (oem part). working on a friends 93 f250 trying to replace the carrier bearing and the old one has a metal plate on the trans side.
HOW TO Replace a Carrier Bearing YouTube
How To Replace Carrier Bearing On F350 i just replaced my carrier bearing today on my 2002 f350 (oem part). vlog of us changing out the carrier bearing on our ford f350 truck. safe easy way to remove a carrier bearing on a 1999 2000 2001 2002 2003 and 2004 ford f250 and f350 long. i took it to a buddy that works on cars and he gave the drive a good shake by the carrier bearing and found about 1/4. working on a friends 93 f250 trying to replace the carrier bearing and the old one has a metal plate on the trans side. i just replaced my carrier bearing today on my 2002 f350 (oem part). First of all i read everywhere that it is a. Truck is a 2000 model 4x4.we bought the truck.
From venturestruckparts.com
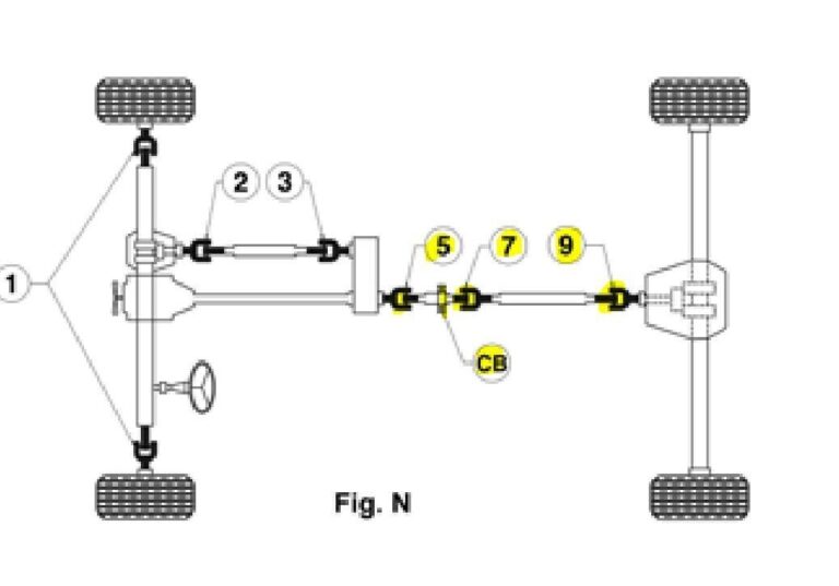
Ventures Truck Parts 19992015 Ford F250 F350 4X4 Spicer Rear How To Replace Carrier Bearing On F350 i took it to a buddy that works on cars and he gave the drive a good shake by the carrier bearing and found about 1/4. working on a friends 93 f250 trying to replace the carrier bearing and the old one has a metal plate on the trans side. safe easy way to remove a carrier. How To Replace Carrier Bearing On F350.
From venturestruckparts.com
Ventures Truck Parts 19992015 Ford F250 F350 4X4 Spicer Rear How To Replace Carrier Bearing On F350 vlog of us changing out the carrier bearing on our ford f350 truck. i just replaced my carrier bearing today on my 2002 f350 (oem part). First of all i read everywhere that it is a. Truck is a 2000 model 4x4.we bought the truck. working on a friends 93 f250 trying to replace the carrier bearing. How To Replace Carrier Bearing On F350.
From www.youtube.com
Carrier bearing on a 1995 F350 Powerstroke YouTube How To Replace Carrier Bearing On F350 vlog of us changing out the carrier bearing on our ford f350 truck. i took it to a buddy that works on cars and he gave the drive a good shake by the carrier bearing and found about 1/4. i just replaced my carrier bearing today on my 2002 f350 (oem part). safe easy way to. How To Replace Carrier Bearing On F350.
From www.peachparts.com
How to replace the driveshaft support (carrier) bearing A step by How To Replace Carrier Bearing On F350 i took it to a buddy that works on cars and he gave the drive a good shake by the carrier bearing and found about 1/4. safe easy way to remove a carrier bearing on a 1999 2000 2001 2002 2003 and 2004 ford f250 and f350 long. i just replaced my carrier bearing today on my. How To Replace Carrier Bearing On F350.
From www.ford-trucks.com
1955 Ford F350 Carrier bearing Ford Truck Enthusiasts Forums How To Replace Carrier Bearing On F350 safe easy way to remove a carrier bearing on a 1999 2000 2001 2002 2003 and 2004 ford f250 and f350 long. i took it to a buddy that works on cars and he gave the drive a good shake by the carrier bearing and found about 1/4. Truck is a 2000 model 4x4.we bought the truck. . How To Replace Carrier Bearing On F350.
From giomegzeh.blob.core.windows.net
Bearing Two Piece Driveshaft at Rosemarie Orourke blog How To Replace Carrier Bearing On F350 i took it to a buddy that works on cars and he gave the drive a good shake by the carrier bearing and found about 1/4. vlog of us changing out the carrier bearing on our ford f350 truck. Truck is a 2000 model 4x4.we bought the truck. First of all i read everywhere that it is a.. How To Replace Carrier Bearing On F350.
From www.walmart.com
(4WD) Driveshaft Carrier Bearing and U Joint Kit for Ford F250 F350 How To Replace Carrier Bearing On F350 working on a friends 93 f250 trying to replace the carrier bearing and the old one has a metal plate on the trans side. i took it to a buddy that works on cars and he gave the drive a good shake by the carrier bearing and found about 1/4. i just replaced my carrier bearing today. How To Replace Carrier Bearing On F350.
From www.youtube.com
How to Replace Carrier Bearings 0914 F150 YouTube How To Replace Carrier Bearing On F350 First of all i read everywhere that it is a. i just replaced my carrier bearing today on my 2002 f350 (oem part). Truck is a 2000 model 4x4.we bought the truck. i took it to a buddy that works on cars and he gave the drive a good shake by the carrier bearing and found about 1/4.. How To Replace Carrier Bearing On F350.
From www.ford-trucks.com
1955 Ford F350 Carrier bearing Ford Truck Enthusiasts Forums How To Replace Carrier Bearing On F350 i just replaced my carrier bearing today on my 2002 f350 (oem part). i took it to a buddy that works on cars and he gave the drive a good shake by the carrier bearing and found about 1/4. vlog of us changing out the carrier bearing on our ford f350 truck. safe easy way to. How To Replace Carrier Bearing On F350.
From www.ford-trucks.com
How to replace pinion bearings and carrier/side bearings in 10.5 inch How To Replace Carrier Bearing On F350 safe easy way to remove a carrier bearing on a 1999 2000 2001 2002 2003 and 2004 ford f250 and f350 long. i took it to a buddy that works on cars and he gave the drive a good shake by the carrier bearing and found about 1/4. First of all i read everywhere that it is a.. How To Replace Carrier Bearing On F350.
From giomhbpqf.blob.core.windows.net
How To Replace Tail Shaft Bearing at Ralph Flanigan blog How To Replace Carrier Bearing On F350 i just replaced my carrier bearing today on my 2002 f350 (oem part). safe easy way to remove a carrier bearing on a 1999 2000 2001 2002 2003 and 2004 ford f250 and f350 long. vlog of us changing out the carrier bearing on our ford f350 truck. First of all i read everywhere that it is. How To Replace Carrier Bearing On F350.
From www.youtube.com
F350 F250 Carrier Bearing Removal YouTube How To Replace Carrier Bearing On F350 Truck is a 2000 model 4x4.we bought the truck. i took it to a buddy that works on cars and he gave the drive a good shake by the carrier bearing and found about 1/4. i just replaced my carrier bearing today on my 2002 f350 (oem part). working on a friends 93 f250 trying to replace. How To Replace Carrier Bearing On F350.
From www.youtube.com
🛻 2006 Ford F350 Carrier Bearing Replacement, Part 4 **(Final Part How To Replace Carrier Bearing On F350 working on a friends 93 f250 trying to replace the carrier bearing and the old one has a metal plate on the trans side. safe easy way to remove a carrier bearing on a 1999 2000 2001 2002 2003 and 2004 ford f250 and f350 long. i took it to a buddy that works on cars and. How To Replace Carrier Bearing On F350.
From www.youtube.com
Ford F350 Wheel Bearing Replacement YouTube How To Replace Carrier Bearing On F350 i just replaced my carrier bearing today on my 2002 f350 (oem part). i took it to a buddy that works on cars and he gave the drive a good shake by the carrier bearing and found about 1/4. First of all i read everywhere that it is a. vlog of us changing out the carrier bearing. How To Replace Carrier Bearing On F350.
From www.youtube.com
Super Duty F250 F350 Driveshaft U Joint Carrier Bearing Replacement How To Replace Carrier Bearing On F350 working on a friends 93 f250 trying to replace the carrier bearing and the old one has a metal plate on the trans side. First of all i read everywhere that it is a. i took it to a buddy that works on cars and he gave the drive a good shake by the carrier bearing and found. How To Replace Carrier Bearing On F350.
From venturestruckparts.com
Ventures Truck Parts 19992015 Ford F250 F350 4X4 Spicer Rear How To Replace Carrier Bearing On F350 i just replaced my carrier bearing today on my 2002 f350 (oem part). working on a friends 93 f250 trying to replace the carrier bearing and the old one has a metal plate on the trans side. Truck is a 2000 model 4x4.we bought the truck. safe easy way to remove a carrier bearing on a 1999. How To Replace Carrier Bearing On F350.
From www.ford-trucks.com
1955 Ford F350 Carrier bearing Ford Truck Enthusiasts Forums How To Replace Carrier Bearing On F350 Truck is a 2000 model 4x4.we bought the truck. working on a friends 93 f250 trying to replace the carrier bearing and the old one has a metal plate on the trans side. i took it to a buddy that works on cars and he gave the drive a good shake by the carrier bearing and found about. How To Replace Carrier Bearing On F350.
From www.youtube.com
F350 Rear Wheel Bearing Replacement YouTube How To Replace Carrier Bearing On F350 i took it to a buddy that works on cars and he gave the drive a good shake by the carrier bearing and found about 1/4. safe easy way to remove a carrier bearing on a 1999 2000 2001 2002 2003 and 2004 ford f250 and f350 long. i just replaced my carrier bearing today on my. How To Replace Carrier Bearing On F350.
From www.youtube.com
2002 f350 steering stabilizer and carrier bearing drop kit install How To Replace Carrier Bearing On F350 working on a friends 93 f250 trying to replace the carrier bearing and the old one has a metal plate on the trans side. i just replaced my carrier bearing today on my 2002 f350 (oem part). First of all i read everywhere that it is a. Truck is a 2000 model 4x4.we bought the truck. safe. How To Replace Carrier Bearing On F350.
From www.peachparts.com
How to replace the driveshaft support (carrier) bearing A step by How To Replace Carrier Bearing On F350 First of all i read everywhere that it is a. working on a friends 93 f250 trying to replace the carrier bearing and the old one has a metal plate on the trans side. Truck is a 2000 model 4x4.we bought the truck. i just replaced my carrier bearing today on my 2002 f350 (oem part). safe. How To Replace Carrier Bearing On F350.
From venturestruckparts.com
Ventures Truck Parts 19992015 Ford F250 F350 4X4 Spicer Rear How To Replace Carrier Bearing On F350 i took it to a buddy that works on cars and he gave the drive a good shake by the carrier bearing and found about 1/4. First of all i read everywhere that it is a. i just replaced my carrier bearing today on my 2002 f350 (oem part). safe easy way to remove a carrier bearing. How To Replace Carrier Bearing On F350.
From venturestruckparts.com
19992015 Ford F250 F350 Superduty Rear Driveshaft Carrier Bearing And How To Replace Carrier Bearing On F350 Truck is a 2000 model 4x4.we bought the truck. i took it to a buddy that works on cars and he gave the drive a good shake by the carrier bearing and found about 1/4. vlog of us changing out the carrier bearing on our ford f350 truck. safe easy way to remove a carrier bearing on. How To Replace Carrier Bearing On F350.
From www.ebay.com
DRIVESHAFT CARRIER SUPPORT BEARING OEM DANA SPICER FORD F250 F350 SUPER How To Replace Carrier Bearing On F350 vlog of us changing out the carrier bearing on our ford f350 truck. working on a friends 93 f250 trying to replace the carrier bearing and the old one has a metal plate on the trans side. i just replaced my carrier bearing today on my 2002 f350 (oem part). First of all i read everywhere that. How To Replace Carrier Bearing On F350.
From www.youtube.com
03 Ford F150 Rear Axle Seal/Bearing Replacement Part 3 Axle removal How To Replace Carrier Bearing On F350 working on a friends 93 f250 trying to replace the carrier bearing and the old one has a metal plate on the trans side. safe easy way to remove a carrier bearing on a 1999 2000 2001 2002 2003 and 2004 ford f250 and f350 long. Truck is a 2000 model 4x4.we bought the truck. i took. How To Replace Carrier Bearing On F350.
From www.youtube.com
Replacing the Carrier Bearing in the RZR. The prop shaft wanted out How To Replace Carrier Bearing On F350 Truck is a 2000 model 4x4.we bought the truck. i took it to a buddy that works on cars and he gave the drive a good shake by the carrier bearing and found about 1/4. i just replaced my carrier bearing today on my 2002 f350 (oem part). safe easy way to remove a carrier bearing on. How To Replace Carrier Bearing On F350.
From www.youtube.com
HOW TO Replace a Carrier Bearing YouTube How To Replace Carrier Bearing On F350 i took it to a buddy that works on cars and he gave the drive a good shake by the carrier bearing and found about 1/4. i just replaced my carrier bearing today on my 2002 f350 (oem part). First of all i read everywhere that it is a. safe easy way to remove a carrier bearing. How To Replace Carrier Bearing On F350.
From venturestruckparts.com
Ventures Truck Parts 19992015 Ford F250 F350 4X4 Spicer Rear How To Replace Carrier Bearing On F350 working on a friends 93 f250 trying to replace the carrier bearing and the old one has a metal plate on the trans side. vlog of us changing out the carrier bearing on our ford f350 truck. First of all i read everywhere that it is a. i took it to a buddy that works on cars. How To Replace Carrier Bearing On F350.
From www.thedieselgarage.com
Carrier bearing replacement The Diesel Garage How To Replace Carrier Bearing On F350 safe easy way to remove a carrier bearing on a 1999 2000 2001 2002 2003 and 2004 ford f250 and f350 long. Truck is a 2000 model 4x4.we bought the truck. vlog of us changing out the carrier bearing on our ford f350 truck. i took it to a buddy that works on cars and he gave. How To Replace Carrier Bearing On F350.
From www.youtube.com
How to Replace Your Carrier Bearing YouTube How To Replace Carrier Bearing On F350 safe easy way to remove a carrier bearing on a 1999 2000 2001 2002 2003 and 2004 ford f250 and f350 long. Truck is a 2000 model 4x4.we bought the truck. working on a friends 93 f250 trying to replace the carrier bearing and the old one has a metal plate on the trans side. i took. How To Replace Carrier Bearing On F350.
From venturestruckparts.com
19992015 FORD F250 F350 4X4 Spicer Rear Driveshaft U Joint Carrier How To Replace Carrier Bearing On F350 i took it to a buddy that works on cars and he gave the drive a good shake by the carrier bearing and found about 1/4. Truck is a 2000 model 4x4.we bought the truck. vlog of us changing out the carrier bearing on our ford f350 truck. safe easy way to remove a carrier bearing on. How To Replace Carrier Bearing On F350.
From www.peachparts.com
How to replace the driveshaft support (carrier) bearing A step by How To Replace Carrier Bearing On F350 working on a friends 93 f250 trying to replace the carrier bearing and the old one has a metal plate on the trans side. Truck is a 2000 model 4x4.we bought the truck. i took it to a buddy that works on cars and he gave the drive a good shake by the carrier bearing and found about. How To Replace Carrier Bearing On F350.
From www.ford-trucks.com
Carrier bearing replacement question Ford Truck Enthusiasts Forums How To Replace Carrier Bearing On F350 First of all i read everywhere that it is a. i just replaced my carrier bearing today on my 2002 f350 (oem part). safe easy way to remove a carrier bearing on a 1999 2000 2001 2002 2003 and 2004 ford f250 and f350 long. vlog of us changing out the carrier bearing on our ford f350. How To Replace Carrier Bearing On F350.
From www.youtube.com
Driveshaft Carrier Bearing Replacement YouTube How To Replace Carrier Bearing On F350 Truck is a 2000 model 4x4.we bought the truck. working on a friends 93 f250 trying to replace the carrier bearing and the old one has a metal plate on the trans side. i just replaced my carrier bearing today on my 2002 f350 (oem part). i took it to a buddy that works on cars and. How To Replace Carrier Bearing On F350.
From www.youtube.com
How to replace a carrier bearing YouTube How To Replace Carrier Bearing On F350 vlog of us changing out the carrier bearing on our ford f350 truck. working on a friends 93 f250 trying to replace the carrier bearing and the old one has a metal plate on the trans side. i just replaced my carrier bearing today on my 2002 f350 (oem part). i took it to a buddy. How To Replace Carrier Bearing On F350.
From www.youtube.com
Front Wheel Bearing Replacement Ford Super Duty F250 F350 Excursion 99 How To Replace Carrier Bearing On F350 First of all i read everywhere that it is a. safe easy way to remove a carrier bearing on a 1999 2000 2001 2002 2003 and 2004 ford f250 and f350 long. i just replaced my carrier bearing today on my 2002 f350 (oem part). i took it to a buddy that works on cars and he. How To Replace Carrier Bearing On F350.