Commodity Code For Fuel Tank Assembly . the applicable subheading for the fuel tank assembly will be 8708.99.8080, htsus, which provides for other automotive parts. this publication, prepared by the national commodity specialist division of regulations and rulings is entitled. commodity codes (class and subclass list) 005. among classification systems, harmonized system (hs) codes are commonly used throughout the import and export process. otm prepared data using harmonized tariff system codes, schedule b codes, and north american industry classification schedule. the code above is a complete taric code. use freightos’ free hs code lookup & finder to find the 6 digit hs or hts code needed to classify your goods in global trade and international freight. This means it can be used for import declarations for the eu.
from abe2010.weebly.com
otm prepared data using harmonized tariff system codes, schedule b codes, and north american industry classification schedule. the code above is a complete taric code. use freightos’ free hs code lookup & finder to find the 6 digit hs or hts code needed to classify your goods in global trade and international freight. this publication, prepared by the national commodity specialist division of regulations and rulings is entitled. This means it can be used for import declarations for the eu. among classification systems, harmonized system (hs) codes are commonly used throughout the import and export process. the applicable subheading for the fuel tank assembly will be 8708.99.8080, htsus, which provides for other automotive parts. commodity codes (class and subclass list) 005.
ISO Container codes A.B.E.2010 Alpha Best Education
Commodity Code For Fuel Tank Assembly the code above is a complete taric code. commodity codes (class and subclass list) 005. use freightos’ free hs code lookup & finder to find the 6 digit hs or hts code needed to classify your goods in global trade and international freight. the code above is a complete taric code. among classification systems, harmonized system (hs) codes are commonly used throughout the import and export process. the applicable subheading for the fuel tank assembly will be 8708.99.8080, htsus, which provides for other automotive parts. otm prepared data using harmonized tariff system codes, schedule b codes, and north american industry classification schedule. This means it can be used for import declarations for the eu. this publication, prepared by the national commodity specialist division of regulations and rulings is entitled.
From www.highlandtank.com
aboveground vertical tanks Highland Tank Commodity Code For Fuel Tank Assembly commodity codes (class and subclass list) 005. the code above is a complete taric code. This means it can be used for import declarations for the eu. otm prepared data using harmonized tariff system codes, schedule b codes, and north american industry classification schedule. use freightos’ free hs code lookup & finder to find the 6. Commodity Code For Fuel Tank Assembly.
From pdfslide.net
Fuel Storage Tank Color Code Commodity Code For Fuel Tank Assembly use freightos’ free hs code lookup & finder to find the 6 digit hs or hts code needed to classify your goods in global trade and international freight. otm prepared data using harmonized tariff system codes, schedule b codes, and north american industry classification schedule. among classification systems, harmonized system (hs) codes are commonly used throughout the. Commodity Code For Fuel Tank Assembly.
From www.youtube.com
Color Code for Gas Cylinders and color code use for identification and Commodity Code For Fuel Tank Assembly commodity codes (class and subclass list) 005. use freightos’ free hs code lookup & finder to find the 6 digit hs or hts code needed to classify your goods in global trade and international freight. the applicable subheading for the fuel tank assembly will be 8708.99.8080, htsus, which provides for other automotive parts. this publication, prepared. Commodity Code For Fuel Tank Assembly.
From abe2010.weebly.com
ISO Container codes A.B.E.2010 Alpha Best Education Commodity Code For Fuel Tank Assembly this publication, prepared by the national commodity specialist division of regulations and rulings is entitled. otm prepared data using harmonized tariff system codes, schedule b codes, and north american industry classification schedule. the code above is a complete taric code. use freightos’ free hs code lookup & finder to find the 6 digit hs or hts. Commodity Code For Fuel Tank Assembly.
From www.oilybits.com
4 Litre Closed Circuit Aviation Fuel Sampler 'CCS' Visijar to Commodity Code For Fuel Tank Assembly use freightos’ free hs code lookup & finder to find the 6 digit hs or hts code needed to classify your goods in global trade and international freight. the code above is a complete taric code. otm prepared data using harmonized tariff system codes, schedule b codes, and north american industry classification schedule. commodity codes (class. Commodity Code For Fuel Tank Assembly.
From storagenstuff.co.uk
Gas Cylinder Colour Codes How Do Compressed Gas Cylinder Colour Commodity Code For Fuel Tank Assembly use freightos’ free hs code lookup & finder to find the 6 digit hs or hts code needed to classify your goods in global trade and international freight. this publication, prepared by the national commodity specialist division of regulations and rulings is entitled. This means it can be used for import declarations for the eu. otm prepared. Commodity Code For Fuel Tank Assembly.
From dxobghxoe.blob.core.windows.net
Chemical Storage Tank Color Code at Sonja Thorne blog Commodity Code For Fuel Tank Assembly the applicable subheading for the fuel tank assembly will be 8708.99.8080, htsus, which provides for other automotive parts. This means it can be used for import declarations for the eu. this publication, prepared by the national commodity specialist division of regulations and rulings is entitled. commodity codes (class and subclass list) 005. among classification systems, harmonized. Commodity Code For Fuel Tank Assembly.
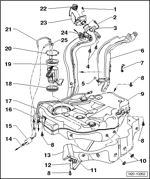
From workshop-manuals.com
Volkswagen Service and Repair Manuals > Golf Mk6 > Power unit Commodity Code For Fuel Tank Assembly this publication, prepared by the national commodity specialist division of regulations and rulings is entitled. the code above is a complete taric code. commodity codes (class and subclass list) 005. among classification systems, harmonized system (hs) codes are commonly used throughout the import and export process. use freightos’ free hs code lookup & finder to. Commodity Code For Fuel Tank Assembly.
From tms.wildapricot.org
Tank Management Services, Inc. AST Commodity Code For Fuel Tank Assembly commodity codes (class and subclass list) 005. the applicable subheading for the fuel tank assembly will be 8708.99.8080, htsus, which provides for other automotive parts. the code above is a complete taric code. This means it can be used for import declarations for the eu. this publication, prepared by the national commodity specialist division of regulations. Commodity Code For Fuel Tank Assembly.
From nowlearn.net
Glossary & Videos Glossaries Search NowLearn Commodity Code For Fuel Tank Assembly the applicable subheading for the fuel tank assembly will be 8708.99.8080, htsus, which provides for other automotive parts. This means it can be used for import declarations for the eu. otm prepared data using harmonized tariff system codes, schedule b codes, and north american industry classification schedule. commodity codes (class and subclass list) 005. among classification. Commodity Code For Fuel Tank Assembly.
From gascylinderssenkei.blogspot.com
Gas Cylinders Colour Coding Of Gas Cylinders Commodity Code For Fuel Tank Assembly This means it can be used for import declarations for the eu. the applicable subheading for the fuel tank assembly will be 8708.99.8080, htsus, which provides for other automotive parts. this publication, prepared by the national commodity specialist division of regulations and rulings is entitled. among classification systems, harmonized system (hs) codes are commonly used throughout the. Commodity Code For Fuel Tank Assembly.
From www.scribd.com
Guidelines for the Safe Installation and Placement of LPG Tanks Commodity Code For Fuel Tank Assembly the code above is a complete taric code. This means it can be used for import declarations for the eu. the applicable subheading for the fuel tank assembly will be 8708.99.8080, htsus, which provides for other automotive parts. commodity codes (class and subclass list) 005. use freightos’ free hs code lookup & finder to find the. Commodity Code For Fuel Tank Assembly.
From gascylinderssenkei.blogspot.com
Gas Cylinders Gas Cylinders Colour Codes India Commodity Code For Fuel Tank Assembly use freightos’ free hs code lookup & finder to find the 6 digit hs or hts code needed to classify your goods in global trade and international freight. among classification systems, harmonized system (hs) codes are commonly used throughout the import and export process. commodity codes (class and subclass list) 005. this publication, prepared by the. Commodity Code For Fuel Tank Assembly.
From reviewmotors.co
Hs Code For Car Automotive Parts Reviewmotors.co Commodity Code For Fuel Tank Assembly this publication, prepared by the national commodity specialist division of regulations and rulings is entitled. the code above is a complete taric code. use freightos’ free hs code lookup & finder to find the 6 digit hs or hts code needed to classify your goods in global trade and international freight. among classification systems, harmonized system. Commodity Code For Fuel Tank Assembly.
From www.buyautoparts.com
1994 Chevrolet S10 Truck Fuel Tank and Pump Assembly Combination 4.3L Commodity Code For Fuel Tank Assembly this publication, prepared by the national commodity specialist division of regulations and rulings is entitled. This means it can be used for import declarations for the eu. the applicable subheading for the fuel tank assembly will be 8708.99.8080, htsus, which provides for other automotive parts. the code above is a complete taric code. use freightos’ free. Commodity Code For Fuel Tank Assembly.
From www.pinterest.com
Comparison of various lpg tank codes and standards Coding, Tank Commodity Code For Fuel Tank Assembly This means it can be used for import declarations for the eu. the code above is a complete taric code. this publication, prepared by the national commodity specialist division of regulations and rulings is entitled. use freightos’ free hs code lookup & finder to find the 6 digit hs or hts code needed to classify your goods. Commodity Code For Fuel Tank Assembly.
From www.ecmweb.com
Understanding Requirements for Commercial Garages and FuelDispensing Commodity Code For Fuel Tank Assembly otm prepared data using harmonized tariff system codes, schedule b codes, and north american industry classification schedule. use freightos’ free hs code lookup & finder to find the 6 digit hs or hts code needed to classify your goods in global trade and international freight. the applicable subheading for the fuel tank assembly will be 8708.99.8080, htsus,. Commodity Code For Fuel Tank Assembly.
From storagenstuff.co.uk
Gas Cylinder Colour Codes How Do Compressed Gas Cylinder Colour Commodity Code For Fuel Tank Assembly otm prepared data using harmonized tariff system codes, schedule b codes, and north american industry classification schedule. commodity codes (class and subclass list) 005. the code above is a complete taric code. this publication, prepared by the national commodity specialist division of regulations and rulings is entitled. This means it can be used for import declarations. Commodity Code For Fuel Tank Assembly.
From www.sclubricants.com
Enhance Product Integrity With the API Color Coding System Commodity Code For Fuel Tank Assembly This means it can be used for import declarations for the eu. among classification systems, harmonized system (hs) codes are commonly used throughout the import and export process. otm prepared data using harmonized tariff system codes, schedule b codes, and north american industry classification schedule. use freightos’ free hs code lookup & finder to find the 6. Commodity Code For Fuel Tank Assembly.
From www.aircraftsystemstech.com
Types of Aviation Fuel Commodity Code For Fuel Tank Assembly commodity codes (class and subclass list) 005. among classification systems, harmonized system (hs) codes are commonly used throughout the import and export process. use freightos’ free hs code lookup & finder to find the 6 digit hs or hts code needed to classify your goods in global trade and international freight. otm prepared data using harmonized. Commodity Code For Fuel Tank Assembly.
From www.buyautoparts.com
1994 Chevrolet S10 Truck Fuel Tank and Pump Assembly Combination 2.2L Commodity Code For Fuel Tank Assembly otm prepared data using harmonized tariff system codes, schedule b codes, and north american industry classification schedule. the code above is a complete taric code. commodity codes (class and subclass list) 005. the applicable subheading for the fuel tank assembly will be 8708.99.8080, htsus, which provides for other automotive parts. This means it can be used. Commodity Code For Fuel Tank Assembly.
From fueltankhongamo.blogspot.com
Fuel Tank Fuel Tank Pressure Sensor Code Commodity Code For Fuel Tank Assembly commodity codes (class and subclass list) 005. otm prepared data using harmonized tariff system codes, schedule b codes, and north american industry classification schedule. the code above is a complete taric code. use freightos’ free hs code lookup & finder to find the 6 digit hs or hts code needed to classify your goods in global. Commodity Code For Fuel Tank Assembly.
From www.affordabletanks.com
Buying A Propane Tank The Ultimate Guide Commodity Code For Fuel Tank Assembly This means it can be used for import declarations for the eu. otm prepared data using harmonized tariff system codes, schedule b codes, and north american industry classification schedule. this publication, prepared by the national commodity specialist division of regulations and rulings is entitled. the applicable subheading for the fuel tank assembly will be 8708.99.8080, htsus, which. Commodity Code For Fuel Tank Assembly.
From www.youtube.com
Gas cylinder colour coding industrial cylinder color code Learn Commodity Code For Fuel Tank Assembly the applicable subheading for the fuel tank assembly will be 8708.99.8080, htsus, which provides for other automotive parts. commodity codes (class and subclass list) 005. otm prepared data using harmonized tariff system codes, schedule b codes, and north american industry classification schedule. among classification systems, harmonized system (hs) codes are commonly used throughout the import and. Commodity Code For Fuel Tank Assembly.
From www.researchgate.net
The categories of renewable energy products (REPs) and their Harmonized Commodity Code For Fuel Tank Assembly this publication, prepared by the national commodity specialist division of regulations and rulings is entitled. the code above is a complete taric code. otm prepared data using harmonized tariff system codes, schedule b codes, and north american industry classification schedule. the applicable subheading for the fuel tank assembly will be 8708.99.8080, htsus, which provides for other. Commodity Code For Fuel Tank Assembly.
From wiringdbshouffchoibss.z14.web.core.windows.net
Gm Fuel Pump Wires Color Codes Commodity Code For Fuel Tank Assembly this publication, prepared by the national commodity specialist division of regulations and rulings is entitled. commodity codes (class and subclass list) 005. the code above is a complete taric code. otm prepared data using harmonized tariff system codes, schedule b codes, and north american industry classification schedule. use freightos’ free hs code lookup & finder. Commodity Code For Fuel Tank Assembly.
From www.siggases.com
Gas Packing, Supply Method & Gases Cylinder Commodity Code For Fuel Tank Assembly the applicable subheading for the fuel tank assembly will be 8708.99.8080, htsus, which provides for other automotive parts. this publication, prepared by the national commodity specialist division of regulations and rulings is entitled. otm prepared data using harmonized tariff system codes, schedule b codes, and north american industry classification schedule. among classification systems, harmonized system (hs). Commodity Code For Fuel Tank Assembly.
From truenorthsteel.com
Commercial and Industrial Bulk Fuel Storage Tanks Commodity Code For Fuel Tank Assembly among classification systems, harmonized system (hs) codes are commonly used throughout the import and export process. the code above is a complete taric code. otm prepared data using harmonized tariff system codes, schedule b codes, and north american industry classification schedule. use freightos’ free hs code lookup & finder to find the 6 digit hs or. Commodity Code For Fuel Tank Assembly.
From dxozuxypj.blob.core.windows.net
Diesel Fuel Storage Tank Regulations at John Clark blog Commodity Code For Fuel Tank Assembly This means it can be used for import declarations for the eu. the code above is a complete taric code. use freightos’ free hs code lookup & finder to find the 6 digit hs or hts code needed to classify your goods in global trade and international freight. commodity codes (class and subclass list) 005. among. Commodity Code For Fuel Tank Assembly.
From codes.iccsafe.org
Digital Codes Commodity Code For Fuel Tank Assembly the code above is a complete taric code. commodity codes (class and subclass list) 005. This means it can be used for import declarations for the eu. use freightos’ free hs code lookup & finder to find the 6 digit hs or hts code needed to classify your goods in global trade and international freight. otm. Commodity Code For Fuel Tank Assembly.
From www.shutterstock.com
Gas Cylinder New Color Coding Identification Stock Vector 178278326 Commodity Code For Fuel Tank Assembly among classification systems, harmonized system (hs) codes are commonly used throughout the import and export process. commodity codes (class and subclass list) 005. the code above is a complete taric code. otm prepared data using harmonized tariff system codes, schedule b codes, and north american industry classification schedule. use freightos’ free hs code lookup &. Commodity Code For Fuel Tank Assembly.
From twitter.com
Robust Tanks & Vessels on Twitter "ROBUST BUNDED FUEL STEEL TANKS Commodity Code For Fuel Tank Assembly the code above is a complete taric code. among classification systems, harmonized system (hs) codes are commonly used throughout the import and export process. this publication, prepared by the national commodity specialist division of regulations and rulings is entitled. otm prepared data using harmonized tariff system codes, schedule b codes, and north american industry classification schedule.. Commodity Code For Fuel Tank Assembly.
From www.slideshare.net
Natural gascodes Commodity Code For Fuel Tank Assembly among classification systems, harmonized system (hs) codes are commonly used throughout the import and export process. the code above is a complete taric code. commodity codes (class and subclass list) 005. the applicable subheading for the fuel tank assembly will be 8708.99.8080, htsus, which provides for other automotive parts. this publication, prepared by the national. Commodity Code For Fuel Tank Assembly.
From www.youtube.com
gas cylinder color code YouTube Commodity Code For Fuel Tank Assembly the code above is a complete taric code. use freightos’ free hs code lookup & finder to find the 6 digit hs or hts code needed to classify your goods in global trade and international freight. commodity codes (class and subclass list) 005. this publication, prepared by the national commodity specialist division of regulations and rulings. Commodity Code For Fuel Tank Assembly.
From isotanksupply.blogspot.com
ISOTANK SUPPLY ISO tank type Commodity Code For Fuel Tank Assembly the applicable subheading for the fuel tank assembly will be 8708.99.8080, htsus, which provides for other automotive parts. the code above is a complete taric code. this publication, prepared by the national commodity specialist division of regulations and rulings is entitled. use freightos’ free hs code lookup & finder to find the 6 digit hs or. Commodity Code For Fuel Tank Assembly.