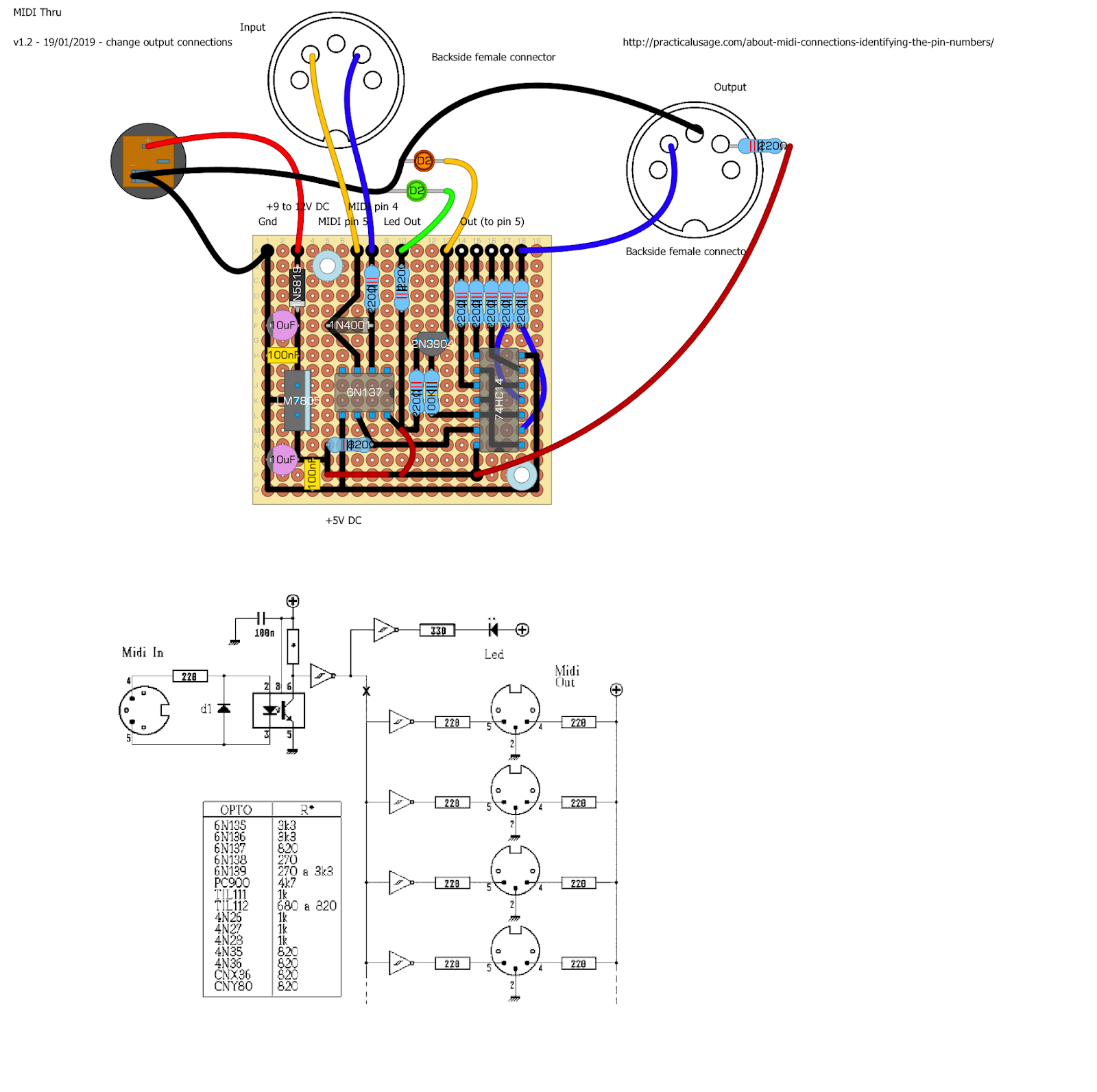
Midi Thru Schematic . here is the schematic of the midi interface electronics. here are the parts used to make the board, along with links to mouser to purchase them. I would like to start from this schematic (thanks to. i took the basic schematic from the very good papareil synth lab midi page (sorry for the french). midi thru box 1 to n. R* value depend of the optocoupler , see table. all the schematics i have found so far are for midi thru boxes which need an external psu. #diy #midi i began my electronics studies and diy adventures 11. You'll find schematics and layout at. The edirol midi interface i used here has a out/thru switch for each of. is it possible to just add a midi signal from the arduino tx (from uart) to the midi thru (parallel to the midi in) or do. 6n138 and a pic , r*=1k work fine.
from www.midiphy.com
6n138 and a pic , r*=1k work fine. here are the parts used to make the board, along with links to mouser to purchase them. i took the basic schematic from the very good papareil synth lab midi page (sorry for the french). midi thru box 1 to n. You'll find schematics and layout at. The edirol midi interface i used here has a out/thru switch for each of. is it possible to just add a midi signal from the arduino tx (from uart) to the midi thru (parallel to the midi in) or do. #diy #midi i began my electronics studies and diy adventures 11. R* value depend of the optocoupler , see table. all the schematics i have found so far are for midi thru boxes which need an external psu.
midiphy MULTI MIDI THRU PCB MIDIbox shop, DIY MIDI sequencer
Midi Thru Schematic R* value depend of the optocoupler , see table. all the schematics i have found so far are for midi thru boxes which need an external psu. #diy #midi i began my electronics studies and diy adventures 11. You'll find schematics and layout at. here is the schematic of the midi interface electronics. i took the basic schematic from the very good papareil synth lab midi page (sorry for the french). R* value depend of the optocoupler , see table. here are the parts used to make the board, along with links to mouser to purchase them. 6n138 and a pic , r*=1k work fine. I would like to start from this schematic (thanks to. The edirol midi interface i used here has a out/thru switch for each of. midi thru box 1 to n. is it possible to just add a midi signal from the arduino tx (from uart) to the midi thru (parallel to the midi in) or do.
From miditech.de
MIDI Thru 7 v2 Miditech Midi Thru Schematic i took the basic schematic from the very good papareil synth lab midi page (sorry for the french). here is the schematic of the midi interface electronics. all the schematics i have found so far are for midi thru boxes which need an external psu. R* value depend of the optocoupler , see table. here are. Midi Thru Schematic.
From donniediode.com
Donnie Diode MIDI Thru Midi Thru Schematic is it possible to just add a midi signal from the arduino tx (from uart) to the midi thru (parallel to the midi in) or do. I would like to start from this schematic (thanks to. You'll find schematics and layout at. all the schematics i have found so far are for midi thru boxes which need an. Midi Thru Schematic.
From www.youtube.com
Tutoriales Midi Thru Box. Conexión de Hardware MIDI con Kenton Thru 5 Midi Thru Schematic midi thru box 1 to n. here are the parts used to make the board, along with links to mouser to purchase them. You'll find schematics and layout at. I would like to start from this schematic (thanks to. The edirol midi interface i used here has a out/thru switch for each of. 6n138 and a pic ,. Midi Thru Schematic.
From www.reddit.com
Adding MIDIthru to an MS20 mini r/synthesizers Midi Thru Schematic all the schematics i have found so far are for midi thru boxes which need an external psu. is it possible to just add a midi signal from the arduino tx (from uart) to the midi thru (parallel to the midi in) or do. The edirol midi interface i used here has a out/thru switch for each of.. Midi Thru Schematic.
From snw.lonningdal.no
Still Not Working Midi Thru Schematic here is the schematic of the midi interface electronics. I would like to start from this schematic (thanks to. i took the basic schematic from the very good papareil synth lab midi page (sorry for the french). midi thru box 1 to n. The edirol midi interface i used here has a out/thru switch for each of.. Midi Thru Schematic.
From donniediode.com
Donnie Diode MIDI Filter Midi Thru Schematic here is the schematic of the midi interface electronics. midi thru box 1 to n. I would like to start from this schematic (thanks to. #diy #midi i began my electronics studies and diy adventures 11. The edirol midi interface i used here has a out/thru switch for each of. R* value depend of the optocoupler ,. Midi Thru Schematic.
From www.wikiaudio.org
MIDI Connecting Devices WikiAudio Midi Thru Schematic You'll find schematics and layout at. R* value depend of the optocoupler , see table. here is the schematic of the midi interface electronics. #diy #midi i began my electronics studies and diy adventures 11. The edirol midi interface i used here has a out/thru switch for each of. is it possible to just add a midi. Midi Thru Schematic.
From www.notesandvolts.com
Notes and Volts Fun with Arduino Midi Input Basics Midi Thru Schematic R* value depend of the optocoupler , see table. #diy #midi i began my electronics studies and diy adventures 11. I would like to start from this schematic (thanks to. all the schematics i have found so far are for midi thru boxes which need an external psu. You'll find schematics and layout at. midi thru box. Midi Thru Schematic.
From diy.usfokus.com
Diy Midi Splitter Cable Do It Your Self Midi Thru Schematic here are the parts used to make the board, along with links to mouser to purchase them. here is the schematic of the midi interface electronics. 6n138 and a pic , r*=1k work fine. midi thru box 1 to n. The edirol midi interface i used here has a out/thru switch for each of. is it. Midi Thru Schematic.
From tinturesoftech.blogspot.com
Tinctures of Technology Arduino Multiple USB MIDI IN MIDI DIN Out Midi Thru Schematic I would like to start from this schematic (thanks to. all the schematics i have found so far are for midi thru boxes which need an external psu. midi thru box 1 to n. here is the schematic of the midi interface electronics. 6n138 and a pic , r*=1k work fine. R* value depend of the optocoupler. Midi Thru Schematic.
From gomiboy99.blogspot.com
Messing with stuff I don't understand Quick MIDI Thru box Midi Thru Schematic here are the parts used to make the board, along with links to mouser to purchase them. You'll find schematics and layout at. The edirol midi interface i used here has a out/thru switch for each of. here is the schematic of the midi interface electronics. is it possible to just add a midi signal from the. Midi Thru Schematic.
From oshwlab.com
MIDI Thru Box OSHWLab Midi Thru Schematic I would like to start from this schematic (thanks to. here is the schematic of the midi interface electronics. The edirol midi interface i used here has a out/thru switch for each of. is it possible to just add a midi signal from the arduino tx (from uart) to the midi thru (parallel to the midi in) or. Midi Thru Schematic.
From modwiggler.com
DIY MIDI thru box powered by MIDI In ? MOD WIGGLER Midi Thru Schematic midi thru box 1 to n. You'll find schematics and layout at. i took the basic schematic from the very good papareil synth lab midi page (sorry for the french). R* value depend of the optocoupler , see table. all the schematics i have found so far are for midi thru boxes which need an external psu.. Midi Thru Schematic.
From electrongen.blogspot.com
Making a simple 1 MIDI IN + 1 arduino MIDI OUT merger (MIDI THRU + TX) Midi Thru Schematic 6n138 and a pic , r*=1k work fine. i took the basic schematic from the very good papareil synth lab midi page (sorry for the french). I would like to start from this schematic (thanks to. midi thru box 1 to n. R* value depend of the optocoupler , see table. is it possible to just add. Midi Thru Schematic.
From www.midiphy.com
midiphy MULTI MIDI THRU PCB MIDIbox shop, DIY MIDI sequencer Midi Thru Schematic R* value depend of the optocoupler , see table. I would like to start from this schematic (thanks to. here are the parts used to make the board, along with links to mouser to purchase them. midi thru box 1 to n. #diy #midi i began my electronics studies and diy adventures 11. is it possible. Midi Thru Schematic.
From chipmusic.org
Midi Thru Box kits? (Page 1) Other Hardware Forums Midi Thru Schematic is it possible to just add a midi signal from the arduino tx (from uart) to the midi thru (parallel to the midi in) or do. The edirol midi interface i used here has a out/thru switch for each of. I would like to start from this schematic (thanks to. 6n138 and a pic , r*=1k work fine. . Midi Thru Schematic.
From forum.arduino.cc
Midi thru with multipe arduinos Interfacing Arduino Forum Midi Thru Schematic here is the schematic of the midi interface electronics. is it possible to just add a midi signal from the arduino tx (from uart) to the midi thru (parallel to the midi in) or do. midi thru box 1 to n. 6n138 and a pic , r*=1k work fine. I would like to start from this schematic. Midi Thru Schematic.
From retrop.wordpress.com
Creating a MIDI thru box retrop Midi Thru Schematic I would like to start from this schematic (thanks to. The edirol midi interface i used here has a out/thru switch for each of. i took the basic schematic from the very good papareil synth lab midi page (sorry for the french). is it possible to just add a midi signal from the arduino tx (from uart) to. Midi Thru Schematic.
From kentonuk.com
MIDI Lead Wiring Kenton Electronics Midi Thru Schematic The edirol midi interface i used here has a out/thru switch for each of. midi thru box 1 to n. i took the basic schematic from the very good papareil synth lab midi page (sorry for the french). I would like to start from this schematic (thanks to. R* value depend of the optocoupler , see table. 6n138. Midi Thru Schematic.
From forum.allaboutcircuits.com
Simple midi switch All About Circuits Midi Thru Schematic i took the basic schematic from the very good papareil synth lab midi page (sorry for the french). You'll find schematics and layout at. here are the parts used to make the board, along with links to mouser to purchase them. R* value depend of the optocoupler , see table. midi thru box 1 to n. . Midi Thru Schematic.
From homspace.nl
Serial MIDI (DIN) Midi Thru Schematic midi thru box 1 to n. I would like to start from this schematic (thanks to. is it possible to just add a midi signal from the arduino tx (from uart) to the midi thru (parallel to the midi in) or do. all the schematics i have found so far are for midi thru boxes which need. Midi Thru Schematic.
From www.notesandvolts.com
Notes and Volts Midi for the Arduino Build a Midi Input Circuit Midi Thru Schematic here are the parts used to make the board, along with links to mouser to purchase them. i took the basic schematic from the very good papareil synth lab midi page (sorry for the french). 6n138 and a pic , r*=1k work fine. is it possible to just add a midi signal from the arduino tx (from. Midi Thru Schematic.
From www.midiphy.com
midiphy MULTI MIDI THRU PCB MIDIbox shop, DIY MIDI sequencer Midi Thru Schematic here is the schematic of the midi interface electronics. is it possible to just add a midi signal from the arduino tx (from uart) to the midi thru (parallel to the midi in) or do. midi thru box 1 to n. i took the basic schematic from the very good papareil synth lab midi page (sorry. Midi Thru Schematic.
From miditech.de
MIDI Thru 7 v2 Miditech Midi Thru Schematic i took the basic schematic from the very good papareil synth lab midi page (sorry for the french). all the schematics i have found so far are for midi thru boxes which need an external psu. midi thru box 1 to n. here is the schematic of the midi interface electronics. R* value depend of the. Midi Thru Schematic.
From snw.lonningdal.no
Still Not Working Midi Thru Schematic here is the schematic of the midi interface electronics. 6n138 and a pic , r*=1k work fine. here are the parts used to make the board, along with links to mouser to purchase them. I would like to start from this schematic (thanks to. all the schematics i have found so far are for midi thru boxes. Midi Thru Schematic.
From www.bosleymusic.com
Don Bosley Hardware Midi Thru Schematic I would like to start from this schematic (thanks to. #diy #midi i began my electronics studies and diy adventures 11. here are the parts used to make the board, along with links to mouser to purchase them. R* value depend of the optocoupler , see table. You'll find schematics and layout at. midi thru box 1. Midi Thru Schematic.
From sergiosena.com
8 Way MIDI Thru/Splitter Board Home Studio Midi Thru Schematic all the schematics i have found so far are for midi thru boxes which need an external psu. The edirol midi interface i used here has a out/thru switch for each of. here are the parts used to make the board, along with links to mouser to purchase them. #diy #midi i began my electronics studies and. Midi Thru Schematic.
From electricdruid.net
MIDI In/Out/Thru PCB Electric Druid Midi Thru Schematic i took the basic schematic from the very good papareil synth lab midi page (sorry for the french). R* value depend of the optocoupler , see table. You'll find schematics and layout at. The edirol midi interface i used here has a out/thru switch for each of. I would like to start from this schematic (thanks to. all. Midi Thru Schematic.
From growyoursynth.blogspot.com
Growing your modular synthesizer for dummies MIDI Thru Box Midi Thru Schematic I would like to start from this schematic (thanks to. midi thru box 1 to n. #diy #midi i began my electronics studies and diy adventures 11. The edirol midi interface i used here has a out/thru switch for each of. here are the parts used to make the board, along with links to mouser to purchase. Midi Thru Schematic.
From pomax.github.io
Creating a MIDI passthrough recorder arduinomidirecorder Midi Thru Schematic You'll find schematics and layout at. i took the basic schematic from the very good papareil synth lab midi page (sorry for the french). The edirol midi interface i used here has a out/thru switch for each of. here are the parts used to make the board, along with links to mouser to purchase them. here is. Midi Thru Schematic.
From electronics.stackexchange.com
MIDI out / thru circuit questions Electrical Engineering Stack Exchange Midi Thru Schematic The edirol midi interface i used here has a out/thru switch for each of. I would like to start from this schematic (thanks to. is it possible to just add a midi signal from the arduino tx (from uart) to the midi thru (parallel to the midi in) or do. all the schematics i have found so far. Midi Thru Schematic.
From enginepartisidro.z21.web.core.windows.net
Midi Controller Circuit Diagram Midi Thru Schematic is it possible to just add a midi signal from the arduino tx (from uart) to the midi thru (parallel to the midi in) or do. I would like to start from this schematic (thanks to. #diy #midi i began my electronics studies and diy adventures 11. The edirol midi interface i used here has a out/thru switch. Midi Thru Schematic.
From datapoint.uk
MIDI Serial Interface (with Thru & LED) DataPoint Midi Thru Schematic here is the schematic of the midi interface electronics. I would like to start from this schematic (thanks to. all the schematics i have found so far are for midi thru boxes which need an external psu. The edirol midi interface i used here has a out/thru switch for each of. R* value depend of the optocoupler ,. Midi Thru Schematic.
From www.midiphy.com
midiphy MULTI MIDI THRU PCB (Revision A) MIDIbox shop, DIY MIDI Midi Thru Schematic The edirol midi interface i used here has a out/thru switch for each of. R* value depend of the optocoupler , see table. is it possible to just add a midi signal from the arduino tx (from uart) to the midi thru (parallel to the midi in) or do. I would like to start from this schematic (thanks to.. Midi Thru Schematic.
From create.arduino.cc
Midi thru and merge with Arduino interface MIDIUSB Arduino Project Hub Midi Thru Schematic is it possible to just add a midi signal from the arduino tx (from uart) to the midi thru (parallel to the midi in) or do. here is the schematic of the midi interface electronics. The edirol midi interface i used here has a out/thru switch for each of. midi thru box 1 to n. 6n138 and. Midi Thru Schematic.