Where Is The Intake Plenum Gasket Located . This is located on the left side directly below the intake and throttle body and directly next to that hose i told you not to remove. Its held on by two 12mm bolts. The intake manifold gasket seals the intake manifold to the engine’s cylinder heads. The original lower intake manifold gaskets will leak and then the gaskets must be replaced. Air is drawn from the plenum into a set of passageways called runners. This is a difficult job, so i took detailed notes and digital pictures to help. Air exits the throttle body and enters the intake manifold plenum, or main body, connected to the throttle body housing. It’s vital for maintaining intake manifold vacuum, ensuring that the pressures your engine requires. The intake manifold gasket sits between the bottom of the intake manifold and the. Also, where the cork gaskets will go on the block area, there are 2 little holes on. Here's everything you need to know before replacing an intake manifold gasket.
from www.carid.com
This is a difficult job, so i took detailed notes and digital pictures to help. Its held on by two 12mm bolts. Air exits the throttle body and enters the intake manifold plenum, or main body, connected to the throttle body housing. Also, where the cork gaskets will go on the block area, there are 2 little holes on. Here's everything you need to know before replacing an intake manifold gasket. The original lower intake manifold gaskets will leak and then the gaskets must be replaced. The intake manifold gasket seals the intake manifold to the engine’s cylinder heads. The intake manifold gasket sits between the bottom of the intake manifold and the. Air is drawn from the plenum into a set of passageways called runners. This is located on the left side directly below the intake and throttle body and directly next to that hose i told you not to remove.
Genuine® 14075AA210 Intake Plenum Gasket
Where Is The Intake Plenum Gasket Located It’s vital for maintaining intake manifold vacuum, ensuring that the pressures your engine requires. The intake manifold gasket sits between the bottom of the intake manifold and the. This is located on the left side directly below the intake and throttle body and directly next to that hose i told you not to remove. Its held on by two 12mm bolts. Also, where the cork gaskets will go on the block area, there are 2 little holes on. Here's everything you need to know before replacing an intake manifold gasket. The intake manifold gasket seals the intake manifold to the engine’s cylinder heads. The original lower intake manifold gaskets will leak and then the gaskets must be replaced. This is a difficult job, so i took detailed notes and digital pictures to help. It’s vital for maintaining intake manifold vacuum, ensuring that the pressures your engine requires. Air exits the throttle body and enters the intake manifold plenum, or main body, connected to the throttle body housing. Air is drawn from the plenum into a set of passageways called runners.
From www.autozone.com
Mahle Original Intake Plenum Gasket MS19726 Where Is The Intake Plenum Gasket Located Here's everything you need to know before replacing an intake manifold gasket. Also, where the cork gaskets will go on the block area, there are 2 little holes on. The original lower intake manifold gaskets will leak and then the gaskets must be replaced. This is a difficult job, so i took detailed notes and digital pictures to help. Its. Where Is The Intake Plenum Gasket Located.
From www.walmart.com
Genuine Intake Plenum Gasket Where Is The Intake Plenum Gasket Located The intake manifold gasket seals the intake manifold to the engine’s cylinder heads. This is a difficult job, so i took detailed notes and digital pictures to help. Air is drawn from the plenum into a set of passageways called runners. Air exits the throttle body and enters the intake manifold plenum, or main body, connected to the throttle body. Where Is The Intake Plenum Gasket Located.
From store.mopar.com
20192024 Ram Intake Plenum Gasket 68444746AA Mopar eStore Where Is The Intake Plenum Gasket Located Air exits the throttle body and enters the intake manifold plenum, or main body, connected to the throttle body housing. Air is drawn from the plenum into a set of passageways called runners. Also, where the cork gaskets will go on the block area, there are 2 little holes on. Here's everything you need to know before replacing an intake. Where Is The Intake Plenum Gasket Located.
From www.jegs.com
JEGS 210915 Intake Plenum Gasket Upper JEGS Where Is The Intake Plenum Gasket Located This is located on the left side directly below the intake and throttle body and directly next to that hose i told you not to remove. Also, where the cork gaskets will go on the block area, there are 2 little holes on. Air is drawn from the plenum into a set of passageways called runners. This is a difficult. Where Is The Intake Plenum Gasket Located.
From store.mopar.com
20172024 Mopar Intake Plenum Gasket 5281823AA Mopar eStore Where Is The Intake Plenum Gasket Located The intake manifold gasket seals the intake manifold to the engine’s cylinder heads. The intake manifold gasket sits between the bottom of the intake manifold and the. Its held on by two 12mm bolts. This is located on the left side directly below the intake and throttle body and directly next to that hose i told you not to remove.. Where Is The Intake Plenum Gasket Located.
From axleaddict.com
The Performance Benefits of Phenolic Intake Gaskets AxleAddict Where Is The Intake Plenum Gasket Located Here's everything you need to know before replacing an intake manifold gasket. Air exits the throttle body and enters the intake manifold plenum, or main body, connected to the throttle body housing. This is located on the left side directly below the intake and throttle body and directly next to that hose i told you not to remove. The intake. Where Is The Intake Plenum Gasket Located.
From 209yota1.com
5VZ 3.4L Upper Intake Plenum Gasket OEM 19952004 Yota1 Performance, Inc. Where Is The Intake Plenum Gasket Located This is a difficult job, so i took detailed notes and digital pictures to help. Also, where the cork gaskets will go on the block area, there are 2 little holes on. Its held on by two 12mm bolts. Here's everything you need to know before replacing an intake manifold gasket. The intake manifold gasket seals the intake manifold to. Where Is The Intake Plenum Gasket Located.
From axleaddict.com
Intake Manifold Gasket Replacement A DIY Guide AxleAddict Where Is The Intake Plenum Gasket Located The intake manifold gasket sits between the bottom of the intake manifold and the. This is located on the left side directly below the intake and throttle body and directly next to that hose i told you not to remove. The original lower intake manifold gaskets will leak and then the gaskets must be replaced. The intake manifold gasket seals. Where Is The Intake Plenum Gasket Located.
From www.autozone.com
DNJ Intake Plenum Gasket MG616 Where Is The Intake Plenum Gasket Located Air is drawn from the plenum into a set of passageways called runners. This is located on the left side directly below the intake and throttle body and directly next to that hose i told you not to remove. The intake manifold gasket seals the intake manifold to the engine’s cylinder heads. Also, where the cork gaskets will go on. Where Is The Intake Plenum Gasket Located.
From www.carid.com
Genuine® XF2Z9H486AA Intake Plenum Gasket Where Is The Intake Plenum Gasket Located Air exits the throttle body and enters the intake manifold plenum, or main body, connected to the throttle body housing. Its held on by two 12mm bolts. The original lower intake manifold gaskets will leak and then the gaskets must be replaced. Also, where the cork gaskets will go on the block area, there are 2 little holes on. Here's. Where Is The Intake Plenum Gasket Located.
From shop.rpw.com.au
Intake Manifold Gasket Upper Thermal Spacer Racing Performance Works Where Is The Intake Plenum Gasket Located Air exits the throttle body and enters the intake manifold plenum, or main body, connected to the throttle body housing. This is a difficult job, so i took detailed notes and digital pictures to help. The intake manifold gasket seals the intake manifold to the engine’s cylinder heads. Here's everything you need to know before replacing an intake manifold gasket.. Where Is The Intake Plenum Gasket Located.
From www.carid.com
Mahle® MS16206 Plenum Intake Plenum Gasket Where Is The Intake Plenum Gasket Located This is a difficult job, so i took detailed notes and digital pictures to help. The original lower intake manifold gaskets will leak and then the gaskets must be replaced. The intake manifold gasket sits between the bottom of the intake manifold and the. Its held on by two 12mm bolts. Also, where the cork gaskets will go on the. Where Is The Intake Plenum Gasket Located.
From www.yourmechanic.com
How to Replace an Intake Manifold Gasket YourMechanic Advice Where Is The Intake Plenum Gasket Located The original lower intake manifold gaskets will leak and then the gaskets must be replaced. Its held on by two 12mm bolts. The intake manifold gasket seals the intake manifold to the engine’s cylinder heads. This is a difficult job, so i took detailed notes and digital pictures to help. Here's everything you need to know before replacing an intake. Where Is The Intake Plenum Gasket Located.
From www.yourmechanic.com
How to Replace an Intake Manifold Gasket YourMechanic Advice Where Is The Intake Plenum Gasket Located The intake manifold gasket seals the intake manifold to the engine’s cylinder heads. Air is drawn from the plenum into a set of passageways called runners. This is located on the left side directly below the intake and throttle body and directly next to that hose i told you not to remove. Here's everything you need to know before replacing. Where Is The Intake Plenum Gasket Located.
From www.dieseltuff.com
Cummins 4BT Intake Plate/Plenum & Gasket Where Is The Intake Plenum Gasket Located Its held on by two 12mm bolts. Air exits the throttle body and enters the intake manifold plenum, or main body, connected to the throttle body housing. The intake manifold gasket seals the intake manifold to the engine’s cylinder heads. This is a difficult job, so i took detailed notes and digital pictures to help. Also, where the cork gaskets. Where Is The Intake Plenum Gasket Located.
From www.carid.com
Genuine® 14075AA210 Intake Plenum Gasket Where Is The Intake Plenum Gasket Located It’s vital for maintaining intake manifold vacuum, ensuring that the pressures your engine requires. Air is drawn from the plenum into a set of passageways called runners. Air exits the throttle body and enters the intake manifold plenum, or main body, connected to the throttle body housing. The intake manifold gasket seals the intake manifold to the engine’s cylinder heads.. Where Is The Intake Plenum Gasket Located.
From www.atkinsrotary.com
8688 N/A Rx7 Upper Intake Plenum Gasket (N32613135A) Where Is The Intake Plenum Gasket Located This is a difficult job, so i took detailed notes and digital pictures to help. Air is drawn from the plenum into a set of passageways called runners. The intake manifold gasket seals the intake manifold to the engine’s cylinder heads. Also, where the cork gaskets will go on the block area, there are 2 little holes on. This is. Where Is The Intake Plenum Gasket Located.
From www.walmart.com
ACDelco Genuine GM Intake Plenum Gasket Where Is The Intake Plenum Gasket Located The intake manifold gasket seals the intake manifold to the engine’s cylinder heads. This is located on the left side directly below the intake and throttle body and directly next to that hose i told you not to remove. Here's everything you need to know before replacing an intake manifold gasket. Air is drawn from the plenum into a set. Where Is The Intake Plenum Gasket Located.
From www.carid.com
Mahle® MS16284 Plenum Intake Plenum Gasket Where Is The Intake Plenum Gasket Located The original lower intake manifold gaskets will leak and then the gaskets must be replaced. Air is drawn from the plenum into a set of passageways called runners. Here's everything you need to know before replacing an intake manifold gasket. This is a difficult job, so i took detailed notes and digital pictures to help. Air exits the throttle body. Where Is The Intake Plenum Gasket Located.
From www.autozone.com
FELPRO Intake Plenum Gasket MS96410 Where Is The Intake Plenum Gasket Located It’s vital for maintaining intake manifold vacuum, ensuring that the pressures your engine requires. This is a difficult job, so i took detailed notes and digital pictures to help. The original lower intake manifold gaskets will leak and then the gaskets must be replaced. Here's everything you need to know before replacing an intake manifold gasket. The intake manifold gasket. Where Is The Intake Plenum Gasket Located.
From autoricambi.us
Intake Plenum Gasket Auto Ricambi, LLC Where Is The Intake Plenum Gasket Located This is located on the left side directly below the intake and throttle body and directly next to that hose i told you not to remove. It’s vital for maintaining intake manifold vacuum, ensuring that the pressures your engine requires. The original lower intake manifold gaskets will leak and then the gaskets must be replaced. Air exits the throttle body. Where Is The Intake Plenum Gasket Located.
From www.atkinsrotary.com
9395 Rx7 Intake Plenum Gasket (N3A113112) Where Is The Intake Plenum Gasket Located Also, where the cork gaskets will go on the block area, there are 2 little holes on. Its held on by two 12mm bolts. The intake manifold gasket sits between the bottom of the intake manifold and the. Air is drawn from the plenum into a set of passageways called runners. The intake manifold gasket seals the intake manifold to. Where Is The Intake Plenum Gasket Located.
From www.autozone.com
Mahle Original Intake Plenum Gasket MS19475 Where Is The Intake Plenum Gasket Located The intake manifold gasket seals the intake manifold to the engine’s cylinder heads. The intake manifold gasket sits between the bottom of the intake manifold and the. This is a difficult job, so i took detailed notes and digital pictures to help. Air is drawn from the plenum into a set of passageways called runners. Its held on by two. Where Is The Intake Plenum Gasket Located.
From www.walmart.com
FelPro Intake Plenum Gasket Set Where Is The Intake Plenum Gasket Located Air exits the throttle body and enters the intake manifold plenum, or main body, connected to the throttle body housing. This is located on the left side directly below the intake and throttle body and directly next to that hose i told you not to remove. Its held on by two 12mm bolts. Air is drawn from the plenum into. Where Is The Intake Plenum Gasket Located.
From www.carid.com
Mr. Gasket® 148 Upper Intake Plenum Gasket Where Is The Intake Plenum Gasket Located The intake manifold gasket sits between the bottom of the intake manifold and the. This is located on the left side directly below the intake and throttle body and directly next to that hose i told you not to remove. The original lower intake manifold gaskets will leak and then the gaskets must be replaced. It’s vital for maintaining intake. Where Is The Intake Plenum Gasket Located.
From www.carid.com
Nippon Reinz® MD143791 Intake Plenum Gasket Where Is The Intake Plenum Gasket Located Here's everything you need to know before replacing an intake manifold gasket. The original lower intake manifold gaskets will leak and then the gaskets must be replaced. It’s vital for maintaining intake manifold vacuum, ensuring that the pressures your engine requires. This is located on the left side directly below the intake and throttle body and directly next to that. Where Is The Intake Plenum Gasket Located.
From www.walmart.com
Mahle Intake Plenum Gasket Set Where Is The Intake Plenum Gasket Located The intake manifold gasket seals the intake manifold to the engine’s cylinder heads. The intake manifold gasket sits between the bottom of the intake manifold and the. This is located on the left side directly below the intake and throttle body and directly next to that hose i told you not to remove. Its held on by two 12mm bolts.. Where Is The Intake Plenum Gasket Located.
From www.youtube.com
How to change the Intake Manifold Plenum Gasket replace Chrysler Town and Country 20082012 Where Is The Intake Plenum Gasket Located It’s vital for maintaining intake manifold vacuum, ensuring that the pressures your engine requires. The intake manifold gasket sits between the bottom of the intake manifold and the. Here's everything you need to know before replacing an intake manifold gasket. This is a difficult job, so i took detailed notes and digital pictures to help. Air is drawn from the. Where Is The Intake Plenum Gasket Located.
From www.autozone.com
Cometic Intake Plenum Gasket C5186 Where Is The Intake Plenum Gasket Located Its held on by two 12mm bolts. It’s vital for maintaining intake manifold vacuum, ensuring that the pressures your engine requires. The intake manifold gasket seals the intake manifold to the engine’s cylinder heads. Air is drawn from the plenum into a set of passageways called runners. Here's everything you need to know before replacing an intake manifold gasket. The. Where Is The Intake Plenum Gasket Located.
From www.carid.com
Genuine® GY0113135A Intake Plenum Gasket Where Is The Intake Plenum Gasket Located Also, where the cork gaskets will go on the block area, there are 2 little holes on. Air exits the throttle body and enters the intake manifold plenum, or main body, connected to the throttle body housing. It’s vital for maintaining intake manifold vacuum, ensuring that the pressures your engine requires. Its held on by two 12mm bolts. This is. Where Is The Intake Plenum Gasket Located.
From www.carid.com
Mahle® MS16236 Plenum Intake Plenum Gasket Set Where Is The Intake Plenum Gasket Located Air is drawn from the plenum into a set of passageways called runners. This is located on the left side directly below the intake and throttle body and directly next to that hose i told you not to remove. The original lower intake manifold gaskets will leak and then the gaskets must be replaced. Here's everything you need to know. Where Is The Intake Plenum Gasket Located.
From www.youtube.com
How to Replace Intake Plenum Gaskets 0618 Jeep Wrangler YouTube Where Is The Intake Plenum Gasket Located Its held on by two 12mm bolts. Here's everything you need to know before replacing an intake manifold gasket. The intake manifold gasket sits between the bottom of the intake manifold and the. It’s vital for maintaining intake manifold vacuum, ensuring that the pressures your engine requires. The original lower intake manifold gaskets will leak and then the gaskets must. Where Is The Intake Plenum Gasket Located.
From www.dieseltuff.com
Cummins 6BT Intake Plate/Plenum & Gasket Where Is The Intake Plenum Gasket Located Its held on by two 12mm bolts. The intake manifold gasket seals the intake manifold to the engine’s cylinder heads. Air exits the throttle body and enters the intake manifold plenum, or main body, connected to the throttle body housing. This is located on the left side directly below the intake and throttle body and directly next to that hose. Where Is The Intake Plenum Gasket Located.
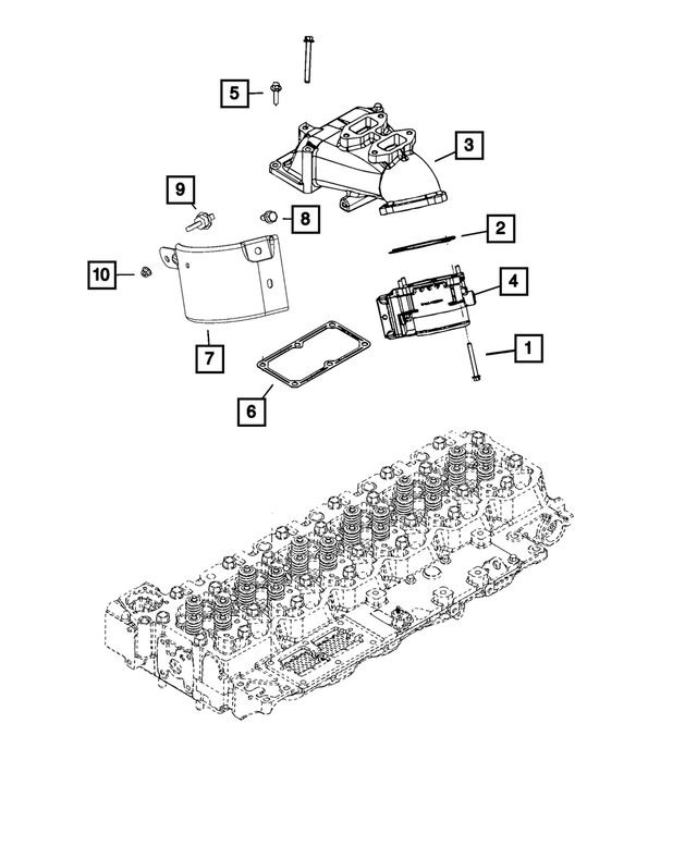
From www.cumminsforum.com
Intake plenum gasket. Cummins Diesel Forum Where Is The Intake Plenum Gasket Located Air exits the throttle body and enters the intake manifold plenum, or main body, connected to the throttle body housing. Air is drawn from the plenum into a set of passageways called runners. Here's everything you need to know before replacing an intake manifold gasket. Also, where the cork gaskets will go on the block area, there are 2 little. Where Is The Intake Plenum Gasket Located.
From 22reperformance.com
intake gasket and intake plenum gasket — 22RE Performance Where Is The Intake Plenum Gasket Located This is a difficult job, so i took detailed notes and digital pictures to help. Here's everything you need to know before replacing an intake manifold gasket. The original lower intake manifold gaskets will leak and then the gaskets must be replaced. Air exits the throttle body and enters the intake manifold plenum, or main body, connected to the throttle. Where Is The Intake Plenum Gasket Located.