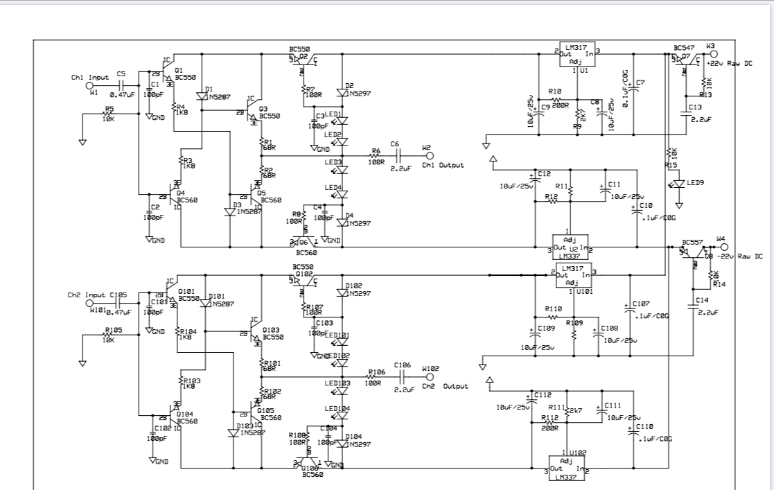
Buffer Preamp Schematic . This is a quick entry to demonstrate a simple topology used in this ecc88 preamplifier. Figure 1 shows the full schematic of the b1 buffered passive preamp. Learn how to build simple and effective buffers for guitar effects pedals using jfet, bipolar, mosfet and opamp transistors. It seems like the term “preamp” is not quite. There are two channels shown with a common power supply. See schematics, input and output impedances, biasing methods. Learn how to build a preamp using the korg nutube dual triode, a glass tube with adjustable distortion character. A passive preamp is just a simple switch to change between sources and a volume pot (or stepped attenuator).
from www.diyaudio.com
It seems like the term “preamp” is not quite. See schematics, input and output impedances, biasing methods. A passive preamp is just a simple switch to change between sources and a volume pot (or stepped attenuator). Learn how to build a preamp using the korg nutube dual triode, a glass tube with adjustable distortion character. There are two channels shown with a common power supply. This is a quick entry to demonstrate a simple topology used in this ecc88 preamplifier. Learn how to build simple and effective buffers for guitar effects pedals using jfet, bipolar, mosfet and opamp transistors. Figure 1 shows the full schematic of the b1 buffered passive preamp.
B1 Buffer Preamp Page 441 diyAudio
Buffer Preamp Schematic There are two channels shown with a common power supply. This is a quick entry to demonstrate a simple topology used in this ecc88 preamplifier. See schematics, input and output impedances, biasing methods. There are two channels shown with a common power supply. A passive preamp is just a simple switch to change between sources and a volume pot (or stepped attenuator). Learn how to build simple and effective buffers for guitar effects pedals using jfet, bipolar, mosfet and opamp transistors. It seems like the term “preamp” is not quite. Learn how to build a preamp using the korg nutube dual triode, a glass tube with adjustable distortion character. Figure 1 shows the full schematic of the b1 buffered passive preamp.
From www.diyaudio.com
B1 Buffer Preamp Page 441 diyAudio Buffer Preamp Schematic See schematics, input and output impedances, biasing methods. It seems like the term “preamp” is not quite. Learn how to build a preamp using the korg nutube dual triode, a glass tube with adjustable distortion character. This is a quick entry to demonstrate a simple topology used in this ecc88 preamplifier. A passive preamp is just a simple switch to. Buffer Preamp Schematic.
From andiha.no
Voltage Amplifier & Current Buffer DIY Buffer Preamp Schematic See schematics, input and output impedances, biasing methods. There are two channels shown with a common power supply. It seems like the term “preamp” is not quite. Learn how to build simple and effective buffers for guitar effects pedals using jfet, bipolar, mosfet and opamp transistors. Figure 1 shows the full schematic of the b1 buffered passive preamp. A passive. Buffer Preamp Schematic.
From electronics.stackexchange.com
op amp Triode preamp with TL072 phase inverter buffer? Electrical Buffer Preamp Schematic A passive preamp is just a simple switch to change between sources and a volume pot (or stepped attenuator). There are two channels shown with a common power supply. Figure 1 shows the full schematic of the b1 buffered passive preamp. See schematics, input and output impedances, biasing methods. Learn how to build a preamp using the korg nutube dual. Buffer Preamp Schematic.
From community.klipsch.com
Cornwalls with tubes Page 4 2Channel Home Audio The Klipsch Buffer Preamp Schematic Learn how to build a preamp using the korg nutube dual triode, a glass tube with adjustable distortion character. See schematics, input and output impedances, biasing methods. Learn how to build simple and effective buffers for guitar effects pedals using jfet, bipolar, mosfet and opamp transistors. A passive preamp is just a simple switch to change between sources and a. Buffer Preamp Schematic.
From oshwlab.com
lm358 buffer preamp EasyEDA open source hardware lab Buffer Preamp Schematic See schematics, input and output impedances, biasing methods. Learn how to build a preamp using the korg nutube dual triode, a glass tube with adjustable distortion character. A passive preamp is just a simple switch to change between sources and a volume pot (or stepped attenuator). This is a quick entry to demonstrate a simple topology used in this ecc88. Buffer Preamp Schematic.
From www.allaboutcircuits.com
How to Boost the Output Current Drive Capability of an OpAmp Buffer Preamp Schematic This is a quick entry to demonstrate a simple topology used in this ecc88 preamplifier. A passive preamp is just a simple switch to change between sources and a volume pot (or stepped attenuator). It seems like the term “preamp” is not quite. Figure 1 shows the full schematic of the b1 buffered passive preamp. See schematics, input and output. Buffer Preamp Schematic.
From www.pinterest.co.kr
Tube Buffer Preamplifier 6dj8/6n11/e88cc/6922 Preamp Board Buffer Preamp Schematic Learn how to build a preamp using the korg nutube dual triode, a glass tube with adjustable distortion character. Learn how to build simple and effective buffers for guitar effects pedals using jfet, bipolar, mosfet and opamp transistors. This is a quick entry to demonstrate a simple topology used in this ecc88 preamplifier. It seems like the term “preamp” is. Buffer Preamp Schematic.
From www.bartola.co.uk
JFET Buffer Bartola® Valves Buffer Preamp Schematic It seems like the term “preamp” is not quite. This is a quick entry to demonstrate a simple topology used in this ecc88 preamplifier. There are two channels shown with a common power supply. See schematics, input and output impedances, biasing methods. Learn how to build a preamp using the korg nutube dual triode, a glass tube with adjustable distortion. Buffer Preamp Schematic.
From www.keith-snook.info
Triode Valve Amplifier / Buffer PCB to fit QUAD 22 Buffer Preamp Schematic There are two channels shown with a common power supply. See schematics, input and output impedances, biasing methods. Figure 1 shows the full schematic of the b1 buffered passive preamp. A passive preamp is just a simple switch to change between sources and a volume pot (or stepped attenuator). It seems like the term “preamp” is not quite. Learn how. Buffer Preamp Schematic.
From www.bartola.co.uk
Differential buffer and preamp Bartola® Valves Buffer Preamp Schematic Learn how to build a preamp using the korg nutube dual triode, a glass tube with adjustable distortion character. See schematics, input and output impedances, biasing methods. Learn how to build simple and effective buffers for guitar effects pedals using jfet, bipolar, mosfet and opamp transistors. A passive preamp is just a simple switch to change between sources and a. Buffer Preamp Schematic.
From www.diyaudio.com
B1 Buffer Preamp diyAudio Buffer Preamp Schematic See schematics, input and output impedances, biasing methods. There are two channels shown with a common power supply. This is a quick entry to demonstrate a simple topology used in this ecc88 preamplifier. Figure 1 shows the full schematic of the b1 buffered passive preamp. A passive preamp is just a simple switch to change between sources and a volume. Buffer Preamp Schematic.
From www.researchgate.net
Schematic of the broadband buffer amplifier. Download Scientific Diagram Buffer Preamp Schematic Learn how to build simple and effective buffers for guitar effects pedals using jfet, bipolar, mosfet and opamp transistors. This is a quick entry to demonstrate a simple topology used in this ecc88 preamplifier. It seems like the term “preamp” is not quite. There are two channels shown with a common power supply. See schematics, input and output impedances, biasing. Buffer Preamp Schematic.
From guitarwiring.blogspot.com
The Guitar Wiring Blog diagrams and tips New Guitar Preamp Project Buffer Preamp Schematic A passive preamp is just a simple switch to change between sources and a volume pot (or stepped attenuator). It seems like the term “preamp” is not quite. See schematics, input and output impedances, biasing methods. Learn how to build a preamp using the korg nutube dual triode, a glass tube with adjustable distortion character. Learn how to build simple. Buffer Preamp Schematic.
From www.ebay.com
HIFI NE5534 DC Buffer Stereo OPAMP Preamp Preamplifier Circuit Board Buffer Preamp Schematic Learn how to build a preamp using the korg nutube dual triode, a glass tube with adjustable distortion character. See schematics, input and output impedances, biasing methods. Figure 1 shows the full schematic of the b1 buffered passive preamp. This is a quick entry to demonstrate a simple topology used in this ecc88 preamplifier. A passive preamp is just a. Buffer Preamp Schematic.
From stompville.co.uk
JFET guitar/instrument buffer pedal Stompville Buffer Preamp Schematic It seems like the term “preamp” is not quite. This is a quick entry to demonstrate a simple topology used in this ecc88 preamplifier. A passive preamp is just a simple switch to change between sources and a volume pot (or stepped attenuator). See schematics, input and output impedances, biasing methods. There are two channels shown with a common power. Buffer Preamp Schematic.
From pinkfishmedia.net
B4 Bootstrap Buffer Preamp schematic pink fish media Buffer Preamp Schematic See schematics, input and output impedances, biasing methods. There are two channels shown with a common power supply. Learn how to build a preamp using the korg nutube dual triode, a glass tube with adjustable distortion character. A passive preamp is just a simple switch to change between sources and a volume pot (or stepped attenuator). It seems like the. Buffer Preamp Schematic.
From www.free-electronic-circuits.com
Buffer Amplifier Buffer Preamp Schematic Learn how to build simple and effective buffers for guitar effects pedals using jfet, bipolar, mosfet and opamp transistors. Figure 1 shows the full schematic of the b1 buffered passive preamp. A passive preamp is just a simple switch to change between sources and a volume pot (or stepped attenuator). Learn how to build a preamp using the korg nutube. Buffer Preamp Schematic.
From another-electronics.blogspot.com
Bootstrap Buffer Based Preamp Another Electronics Circuit Schematics Buffer Preamp Schematic This is a quick entry to demonstrate a simple topology used in this ecc88 preamplifier. There are two channels shown with a common power supply. Figure 1 shows the full schematic of the b1 buffered passive preamp. Learn how to build simple and effective buffers for guitar effects pedals using jfet, bipolar, mosfet and opamp transistors. A passive preamp is. Buffer Preamp Schematic.
From tube4audio.blogspot.com
Tube4Audio Line Buffer Preamp 6SN7 Buffer Preamp Schematic Learn how to build simple and effective buffers for guitar effects pedals using jfet, bipolar, mosfet and opamp transistors. A passive preamp is just a simple switch to change between sources and a volume pot (or stepped attenuator). It seems like the term “preamp” is not quite. This is a quick entry to demonstrate a simple topology used in this. Buffer Preamp Schematic.
From manualdiagramausterlitz.z19.web.core.windows.net
Diy 6n3 Preamp Schematic Buffer Preamp Schematic See schematics, input and output impedances, biasing methods. Learn how to build simple and effective buffers for guitar effects pedals using jfet, bipolar, mosfet and opamp transistors. This is a quick entry to demonstrate a simple topology used in this ecc88 preamplifier. There are two channels shown with a common power supply. It seems like the term “preamp” is not. Buffer Preamp Schematic.
From www.diyaudio.com
tube preamp buffer with distorted sound Page 2 diyAudio Buffer Preamp Schematic See schematics, input and output impedances, biasing methods. Learn how to build simple and effective buffers for guitar effects pedals using jfet, bipolar, mosfet and opamp transistors. This is a quick entry to demonstrate a simple topology used in this ecc88 preamplifier. Learn how to build a preamp using the korg nutube dual triode, a glass tube with adjustable distortion. Buffer Preamp Schematic.
From www.ebay.com
HIFI NE5534 DC Buffer Stereo OPAMP Preamp Preamplifier Circuit Board Buffer Preamp Schematic There are two channels shown with a common power supply. See schematics, input and output impedances, biasing methods. Learn how to build a preamp using the korg nutube dual triode, a glass tube with adjustable distortion character. It seems like the term “preamp” is not quite. Learn how to build simple and effective buffers for guitar effects pedals using jfet,. Buffer Preamp Schematic.
From electronics.stackexchange.com
op amp how to split audio with buffers? Electrical Engineering Buffer Preamp Schematic Figure 1 shows the full schematic of the b1 buffered passive preamp. Learn how to build simple and effective buffers for guitar effects pedals using jfet, bipolar, mosfet and opamp transistors. It seems like the term “preamp” is not quite. Learn how to build a preamp using the korg nutube dual triode, a glass tube with adjustable distortion character. A. Buffer Preamp Schematic.
From www.next.gr
buffer circuit Page 4 Other Circuits Next.gr Buffer Preamp Schematic See schematics, input and output impedances, biasing methods. Figure 1 shows the full schematic of the b1 buffered passive preamp. There are two channels shown with a common power supply. A passive preamp is just a simple switch to change between sources and a volume pot (or stepped attenuator). Learn how to build simple and effective buffers for guitar effects. Buffer Preamp Schematic.
From davidreaton.com
Phono Preamp Buffer Circuit Buffer Preamp Schematic Learn how to build simple and effective buffers for guitar effects pedals using jfet, bipolar, mosfet and opamp transistors. It seems like the term “preamp” is not quite. There are two channels shown with a common power supply. See schematics, input and output impedances, biasing methods. Figure 1 shows the full schematic of the b1 buffered passive preamp. A passive. Buffer Preamp Schematic.
From hackaday.io
Gallery 12AU7 Stereo Buffer Preamp Hackaday.io Buffer Preamp Schematic Figure 1 shows the full schematic of the b1 buffered passive preamp. Learn how to build a preamp using the korg nutube dual triode, a glass tube with adjustable distortion character. It seems like the term “preamp” is not quite. See schematics, input and output impedances, biasing methods. There are two channels shown with a common power supply. A passive. Buffer Preamp Schematic.
From www.researchgate.net
Schematic of the preamplifier with a voltage buffer. Download Buffer Preamp Schematic Learn how to build a preamp using the korg nutube dual triode, a glass tube with adjustable distortion character. This is a quick entry to demonstrate a simple topology used in this ecc88 preamplifier. A passive preamp is just a simple switch to change between sources and a volume pot (or stepped attenuator). Figure 1 shows the full schematic of. Buffer Preamp Schematic.
From www.planetz.com
Simple JFET Preamp for an iDevice Guitar Interface Z Buffer Preamp Schematic Figure 1 shows the full schematic of the b1 buffered passive preamp. See schematics, input and output impedances, biasing methods. Learn how to build a preamp using the korg nutube dual triode, a glass tube with adjustable distortion character. This is a quick entry to demonstrate a simple topology used in this ecc88 preamplifier. It seems like the term “preamp”. Buffer Preamp Schematic.
From www.trabajando.com.uy
New DIY 6J1 Tube Preamp Amplifier Board Preamp Headphone Amp 6J1 Valve Buffer Preamp Schematic Learn how to build a preamp using the korg nutube dual triode, a glass tube with adjustable distortion character. See schematics, input and output impedances, biasing methods. This is a quick entry to demonstrate a simple topology used in this ecc88 preamplifier. Learn how to build simple and effective buffers for guitar effects pedals using jfet, bipolar, mosfet and opamp. Buffer Preamp Schematic.
From pinkfishmedia.net
B4 Bootstrap Buffer Preamp schematic Page 3 pink fish media Buffer Preamp Schematic There are two channels shown with a common power supply. It seems like the term “preamp” is not quite. This is a quick entry to demonstrate a simple topology used in this ecc88 preamplifier. Figure 1 shows the full schematic of the b1 buffered passive preamp. See schematics, input and output impedances, biasing methods. Learn how to build a preamp. Buffer Preamp Schematic.
From wiringfixtelegraphs.z13.web.core.windows.net
Tube Preamp Schematic 12ax7 Buffer Preamp Schematic It seems like the term “preamp” is not quite. A passive preamp is just a simple switch to change between sources and a volume pot (or stepped attenuator). See schematics, input and output impedances, biasing methods. Learn how to build simple and effective buffers for guitar effects pedals using jfet, bipolar, mosfet and opamp transistors. Figure 1 shows the full. Buffer Preamp Schematic.
From pinkfishmedia.net
B4 Bootstrap Buffer Preamp schematic pink fish media Buffer Preamp Schematic This is a quick entry to demonstrate a simple topology used in this ecc88 preamplifier. There are two channels shown with a common power supply. Learn how to build a preamp using the korg nutube dual triode, a glass tube with adjustable distortion character. Figure 1 shows the full schematic of the b1 buffered passive preamp. It seems like the. Buffer Preamp Schematic.
From www.museweb.com
DIY HiZ Preamp/Buffer Resources Buffer Preamp Schematic Learn how to build simple and effective buffers for guitar effects pedals using jfet, bipolar, mosfet and opamp transistors. It seems like the term “preamp” is not quite. Figure 1 shows the full schematic of the b1 buffered passive preamp. See schematics, input and output impedances, biasing methods. Learn how to build a preamp using the korg nutube dual triode,. Buffer Preamp Schematic.
From www.ebay.co.uk
HIFI NE5534 DC Buffer Stereo OPAMP Preamp Preamplifier Circuit Board ± Buffer Preamp Schematic See schematics, input and output impedances, biasing methods. It seems like the term “preamp” is not quite. This is a quick entry to demonstrate a simple topology used in this ecc88 preamplifier. There are two channels shown with a common power supply. Learn how to build a preamp using the korg nutube dual triode, a glass tube with adjustable distortion. Buffer Preamp Schematic.
From bartolini.net
Buffer Preamp Bartolini Pickups & Electronics Buffer Preamp Schematic See schematics, input and output impedances, biasing methods. There are two channels shown with a common power supply. A passive preamp is just a simple switch to change between sources and a volume pot (or stepped attenuator). It seems like the term “preamp” is not quite. Figure 1 shows the full schematic of the b1 buffered passive preamp. Learn how. Buffer Preamp Schematic.