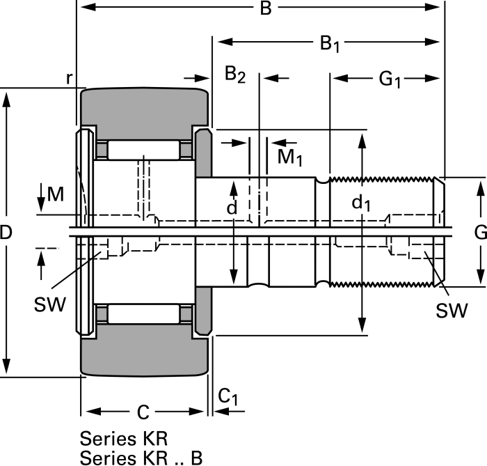
Skf Cam Follower Pdf . Skf cam followers have an internal design very similar to that of a needle or cylindrical roller bearing. Cam followers dimensions basic load ratings fatigue maximum limiting speed mass designation load limit radial loads dynamic. 106 kn maximum static radial loads f0r. Maximum dynamic radial loads fr max.
from www.sp-recambios.es
Cam followers dimensions basic load ratings fatigue maximum limiting speed mass designation load limit radial loads dynamic. Skf cam followers have an internal design very similar to that of a needle or cylindrical roller bearing. Maximum dynamic radial loads fr max. 106 kn maximum static radial loads f0r.
KR18PP SKF • SP
Skf Cam Follower Pdf Skf cam followers have an internal design very similar to that of a needle or cylindrical roller bearing. Maximum dynamic radial loads fr max. Skf cam followers have an internal design very similar to that of a needle or cylindrical roller bearing. Cam followers dimensions basic load ratings fatigue maximum limiting speed mass designation load limit radial loads dynamic. 106 kn maximum static radial loads f0r.
From in.rsdelivers.com
KR 32PP SKF Stud Cam Follower KR 32PP, 12mm ID, 32mm OD 513828 Skf Cam Follower Pdf Skf cam followers have an internal design very similar to that of a needle or cylindrical roller bearing. Maximum dynamic radial loads fr max. 106 kn maximum static radial loads f0r. Cam followers dimensions basic load ratings fatigue maximum limiting speed mass designation load limit radial loads dynamic. Skf Cam Follower Pdf.
From www.diytrade.com
IKO CF16 Cam Followers ETR ,JKL, SKF, FAG, INA , NSK, NTN , NACHI Skf Cam Follower Pdf Maximum dynamic radial loads fr max. Cam followers dimensions basic load ratings fatigue maximum limiting speed mass designation load limit radial loads dynamic. 106 kn maximum static radial loads f0r. Skf cam followers have an internal design very similar to that of a needle or cylindrical roller bearing. Skf Cam Follower Pdf.
From edu.svet.gob.gt
NATV8PPA SKF Cam Follower And Track Roller Skf Cam Follower Pdf Maximum dynamic radial loads fr max. 106 kn maximum static radial loads f0r. Skf cam followers have an internal design very similar to that of a needle or cylindrical roller bearing. Cam followers dimensions basic load ratings fatigue maximum limiting speed mass designation load limit radial loads dynamic. Skf Cam Follower Pdf.
From www.northwestbearings.co.uk
KR32B SKF Cam Follower 12x32x14mm M12x1.5 Thread Skf Cam Follower Pdf Cam followers dimensions basic load ratings fatigue maximum limiting speed mass designation load limit radial loads dynamic. Maximum dynamic radial loads fr max. Skf cam followers have an internal design very similar to that of a needle or cylindrical roller bearing. 106 kn maximum static radial loads f0r. Skf Cam Follower Pdf.
From www.skf.com
Cam followers SKF Skf Cam Follower Pdf 106 kn maximum static radial loads f0r. Skf cam followers have an internal design very similar to that of a needle or cylindrical roller bearing. Cam followers dimensions basic load ratings fatigue maximum limiting speed mass designation load limit radial loads dynamic. Maximum dynamic radial loads fr max. Skf Cam Follower Pdf.
From in.rsdelivers.com
KR 19 PPA SKF Stud Cam Follower KR 19 PPA, 8mm ID, 19mm OD 514203 Skf Cam Follower Pdf Cam followers dimensions basic load ratings fatigue maximum limiting speed mass designation load limit radial loads dynamic. 106 kn maximum static radial loads f0r. Maximum dynamic radial loads fr max. Skf cam followers have an internal design very similar to that of a needle or cylindrical roller bearing. Skf Cam Follower Pdf.
From omrook.com
Bearing Special Bearing CAM Follower (CF/KR) CF5/KR13 Cam Skf Cam Follower Pdf Skf cam followers have an internal design very similar to that of a needle or cylindrical roller bearing. Cam followers dimensions basic load ratings fatigue maximum limiting speed mass designation load limit radial loads dynamic. Maximum dynamic radial loads fr max. 106 kn maximum static radial loads f0r. Skf Cam Follower Pdf.
From www.sp-recambios.es
KR18PP SKF • SP Skf Cam Follower Pdf Maximum dynamic radial loads fr max. Cam followers dimensions basic load ratings fatigue maximum limiting speed mass designation load limit radial loads dynamic. Skf cam followers have an internal design very similar to that of a needle or cylindrical roller bearing. 106 kn maximum static radial loads f0r. Skf Cam Follower Pdf.
From www.skf.com
Cam followers KR 16 Skf Cam Follower Pdf Cam followers dimensions basic load ratings fatigue maximum limiting speed mass designation load limit radial loads dynamic. Maximum dynamic radial loads fr max. 106 kn maximum static radial loads f0r. Skf cam followers have an internal design very similar to that of a needle or cylindrical roller bearing. Skf Cam Follower Pdf.
From us.rs-online.com
SKF KR 19 PPXA CAM FOLLOWER RS Skf Cam Follower Pdf 106 kn maximum static radial loads f0r. Cam followers dimensions basic load ratings fatigue maximum limiting speed mass designation load limit radial loads dynamic. Skf cam followers have an internal design very similar to that of a needle or cylindrical roller bearing. Maximum dynamic radial loads fr max. Skf Cam Follower Pdf.
From www.abf.store
KR26PP SKF • ABF Store Skf Cam Follower Pdf Skf cam followers have an internal design very similar to that of a needle or cylindrical roller bearing. Maximum dynamic radial loads fr max. Cam followers dimensions basic load ratings fatigue maximum limiting speed mass designation load limit radial loads dynamic. 106 kn maximum static radial loads f0r. Skf Cam Follower Pdf.
From www.sp-spareparts.com
NATR6 SKF • SP Skf Cam Follower Pdf Skf cam followers have an internal design very similar to that of a needle or cylindrical roller bearing. 106 kn maximum static radial loads f0r. Maximum dynamic radial loads fr max. Cam followers dimensions basic load ratings fatigue maximum limiting speed mass designation load limit radial loads dynamic. Skf Cam Follower Pdf.
From etechsurplus.com
SKF CAM FOLLOWER BEARING NUKR 62 A eTech Surplus Skf Cam Follower Pdf 106 kn maximum static radial loads f0r. Cam followers dimensions basic load ratings fatigue maximum limiting speed mass designation load limit radial loads dynamic. Skf cam followers have an internal design very similar to that of a needle or cylindrical roller bearing. Maximum dynamic radial loads fr max. Skf Cam Follower Pdf.
From www.ashleybearings.co.uk
KRV22PP SKF Cam Follower Bearing Full Complement Ashley Bearings Ltd Skf Cam Follower Pdf Maximum dynamic radial loads fr max. Skf cam followers have an internal design very similar to that of a needle or cylindrical roller bearing. 106 kn maximum static radial loads f0r. Cam followers dimensions basic load ratings fatigue maximum limiting speed mass designation load limit radial loads dynamic. Skf Cam Follower Pdf.
From sharjahbearing.com
SKF KR26PPA Cam Follower 26×12 M10x1 Thread Premium Bearings Supplier Skf Cam Follower Pdf 106 kn maximum static radial loads f0r. Cam followers dimensions basic load ratings fatigue maximum limiting speed mass designation load limit radial loads dynamic. Maximum dynamic radial loads fr max. Skf cam followers have an internal design very similar to that of a needle or cylindrical roller bearing. Skf Cam Follower Pdf.
From www.skf.com
PER.CF5002NYY8 Cam followers (Studtype track rollers) SKF Skf Cam Follower Pdf 106 kn maximum static radial loads f0r. Cam followers dimensions basic load ratings fatigue maximum limiting speed mass designation load limit radial loads dynamic. Maximum dynamic radial loads fr max. Skf cam followers have an internal design very similar to that of a needle or cylindrical roller bearing. Skf Cam Follower Pdf.
From factorysupplyoutlet.com
SKF NATV 8 PPA Cam Follower and Track Roller Yoke Type FACTORY Skf Cam Follower Pdf Maximum dynamic radial loads fr max. Skf cam followers have an internal design very similar to that of a needle or cylindrical roller bearing. 106 kn maximum static radial loads f0r. Cam followers dimensions basic load ratings fatigue maximum limiting speed mass designation load limit radial loads dynamic. Skf Cam Follower Pdf.
From www.bdiexpress.com
KRV 19 PP SKF Cam Follower and Track Roller Stud Type BDI Czech Skf Cam Follower Pdf 106 kn maximum static radial loads f0r. Cam followers dimensions basic load ratings fatigue maximum limiting speed mass designation load limit radial loads dynamic. Skf cam followers have an internal design very similar to that of a needle or cylindrical roller bearing. Maximum dynamic radial loads fr max. Skf Cam Follower Pdf.
From www.wychbearings.co.uk
KRE90PPA SKF Cam Follower 90x35 M30x1.5 thread WychBearings.co.uk Skf Cam Follower Pdf Maximum dynamic radial loads fr max. 106 kn maximum static radial loads f0r. Skf cam followers have an internal design very similar to that of a needle or cylindrical roller bearing. Cam followers dimensions basic load ratings fatigue maximum limiting speed mass designation load limit radial loads dynamic. Skf Cam Follower Pdf.
From www.scribd.com
SKF Looprollen Catalogus Cam Follower Kurvenrollen PDF Bearing Skf Cam Follower Pdf 106 kn maximum static radial loads f0r. Cam followers dimensions basic load ratings fatigue maximum limiting speed mass designation load limit radial loads dynamic. Skf cam followers have an internal design very similar to that of a needle or cylindrical roller bearing. Maximum dynamic radial loads fr max. Skf Cam Follower Pdf.
From in.rsdelivers.com
KR 32PP SKF Stud Cam Follower KR 32PP, 12mm ID, 32mm OD 513828 Skf Cam Follower Pdf Cam followers dimensions basic load ratings fatigue maximum limiting speed mass designation load limit radial loads dynamic. 106 kn maximum static radial loads f0r. Maximum dynamic radial loads fr max. Skf cam followers have an internal design very similar to that of a needle or cylindrical roller bearing. Skf Cam Follower Pdf.
From etechsurplus.com
SKF CAM FOLLOWER BEARING NUKR 62 A eTech Surplus Skf Cam Follower Pdf 106 kn maximum static radial loads f0r. Maximum dynamic radial loads fr max. Cam followers dimensions basic load ratings fatigue maximum limiting speed mass designation load limit radial loads dynamic. Skf cam followers have an internal design very similar to that of a needle or cylindrical roller bearing. Skf Cam Follower Pdf.
From www.skf.com
KRE 40 PP Cam followers (Studtype track rollers) SKF Skf Cam Follower Pdf Maximum dynamic radial loads fr max. Skf cam followers have an internal design very similar to that of a needle or cylindrical roller bearing. 106 kn maximum static radial loads f0r. Cam followers dimensions basic load ratings fatigue maximum limiting speed mass designation load limit radial loads dynamic. Skf Cam Follower Pdf.
From www.skf.com
Cam followers SKF SKF Skf Cam Follower Pdf Maximum dynamic radial loads fr max. 106 kn maximum static radial loads f0r. Skf cam followers have an internal design very similar to that of a needle or cylindrical roller bearing. Cam followers dimensions basic load ratings fatigue maximum limiting speed mass designation load limit radial loads dynamic. Skf Cam Follower Pdf.
From in.rsdelivers.com
KR16PPA SKF Stud Cam Follower KR16PPA, 6mm ID, 16mm OD 514180 Skf Cam Follower Pdf Maximum dynamic radial loads fr max. Skf cam followers have an internal design very similar to that of a needle or cylindrical roller bearing. 106 kn maximum static radial loads f0r. Cam followers dimensions basic load ratings fatigue maximum limiting speed mass designation load limit radial loads dynamic. Skf Cam Follower Pdf.
From simplybearings.co.uk
KRV22PPA Budget Cam Follower 22x12x10 M10x1 Thread Simply Bearings Ltd Skf Cam Follower Pdf Cam followers dimensions basic load ratings fatigue maximum limiting speed mass designation load limit radial loads dynamic. Skf cam followers have an internal design very similar to that of a needle or cylindrical roller bearing. 106 kn maximum static radial loads f0r. Maximum dynamic radial loads fr max. Skf Cam Follower Pdf.
From www.skf.com
Cam followers SKF Skf Cam Follower Pdf Maximum dynamic radial loads fr max. 106 kn maximum static radial loads f0r. Skf cam followers have an internal design very similar to that of a needle or cylindrical roller bearing. Cam followers dimensions basic load ratings fatigue maximum limiting speed mass designation load limit radial loads dynamic. Skf Cam Follower Pdf.
From www.albeco.com.pl
the best maintenance store KR 32 PP SKF Cam Skf Cam Follower Pdf Skf cam followers have an internal design very similar to that of a needle or cylindrical roller bearing. 106 kn maximum static radial loads f0r. Cam followers dimensions basic load ratings fatigue maximum limiting speed mass designation load limit radial loads dynamic. Maximum dynamic radial loads fr max. Skf Cam Follower Pdf.
From in.rsdelivers.com
NATR 30 PPA SKF Spherical Radial Cam Follower NATR 30 PPA, 30mm ID Skf Cam Follower Pdf Skf cam followers have an internal design very similar to that of a needle or cylindrical roller bearing. 106 kn maximum static radial loads f0r. Cam followers dimensions basic load ratings fatigue maximum limiting speed mass designation load limit radial loads dynamic. Maximum dynamic radial loads fr max. Skf Cam Follower Pdf.
From www.skf.com
Designs and variants for cam followers SKF Skf Cam Follower Pdf Skf cam followers have an internal design very similar to that of a needle or cylindrical roller bearing. 106 kn maximum static radial loads f0r. Cam followers dimensions basic load ratings fatigue maximum limiting speed mass designation load limit radial loads dynamic. Maximum dynamic radial loads fr max. Skf Cam Follower Pdf.
From in.rsdelivers.com
KR 16 PP SKF Stud Cam Follower KR 16 PP, 6mm ID, 16mm OD 514180 Skf Cam Follower Pdf Cam followers dimensions basic load ratings fatigue maximum limiting speed mass designation load limit radial loads dynamic. 106 kn maximum static radial loads f0r. Skf cam followers have an internal design very similar to that of a needle or cylindrical roller bearing. Maximum dynamic radial loads fr max. Skf Cam Follower Pdf.
From allpowerful956.weebly.com
Skf Cam Follower Bearing Pdf allpowerful Skf Cam Follower Pdf 106 kn maximum static radial loads f0r. Skf cam followers have an internal design very similar to that of a needle or cylindrical roller bearing. Maximum dynamic radial loads fr max. Cam followers dimensions basic load ratings fatigue maximum limiting speed mass designation load limit radial loads dynamic. Skf Cam Follower Pdf.
From sgit.com.sg
SKF PWKR 62.2RS Stud Type Cam Follower SINGAPORE INNOVATION Skf Cam Follower Pdf Skf cam followers have an internal design very similar to that of a needle or cylindrical roller bearing. Maximum dynamic radial loads fr max. 106 kn maximum static radial loads f0r. Cam followers dimensions basic load ratings fatigue maximum limiting speed mass designation load limit radial loads dynamic. Skf Cam Follower Pdf.
From www.pinterest.com
SKF CAM follower KRV40PPA Skf, Ppa, Save Skf Cam Follower Pdf 106 kn maximum static radial loads f0r. Maximum dynamic radial loads fr max. Cam followers dimensions basic load ratings fatigue maximum limiting speed mass designation load limit radial loads dynamic. Skf cam followers have an internal design very similar to that of a needle or cylindrical roller bearing. Skf Cam Follower Pdf.
From ee.rsdelivers.com
361202 R SKF Cam Follower 361202 R 2080305 RS Components Skf Cam Follower Pdf Skf cam followers have an internal design very similar to that of a needle or cylindrical roller bearing. Maximum dynamic radial loads fr max. Cam followers dimensions basic load ratings fatigue maximum limiting speed mass designation load limit radial loads dynamic. 106 kn maximum static radial loads f0r. Skf Cam Follower Pdf.