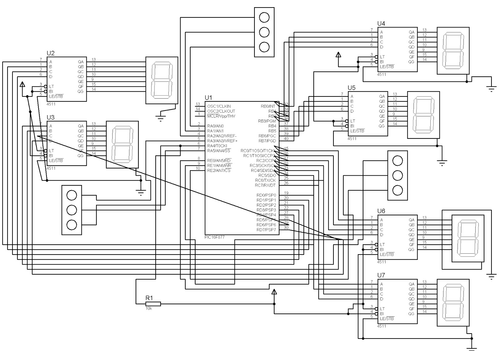
Traffic Light Code For Pic16F877A . Contribute to abhilazh/pic16f877a development by creating an account on github. These ports are used for input/output interfacing. Instantly share code, notes, and snippets. Develop a traffic light control system using the pic16f877a microcontroller, designed to operate in both automatic and manual modes. The pic16877a microcontroller is the central controller used in a traffic light and pedestrian management system. As shown above pic16f877a has 5 basic input/output ports. It controls a total of six led lights (red, green, and yellow) attached to. They are usually denoted by port a (r a), port b (rb), port c (rc), port d (rd), and port e (re). In automatic mode, the traffic lights cycle seamlessly through green, yellow, and red.
from pic-microcontroller.com
The pic16877a microcontroller is the central controller used in a traffic light and pedestrian management system. These ports are used for input/output interfacing. In automatic mode, the traffic lights cycle seamlessly through green, yellow, and red. Contribute to abhilazh/pic16f877a development by creating an account on github. As shown above pic16f877a has 5 basic input/output ports. They are usually denoted by port a (r a), port b (rb), port c (rc), port d (rd), and port e (re). Develop a traffic light control system using the pic16f877a microcontroller, designed to operate in both automatic and manual modes. Instantly share code, notes, and snippets. It controls a total of six led lights (red, green, and yellow) attached to.
Automatic traffic light using PIC16F877A Microcontroller
Traffic Light Code For Pic16F877A In automatic mode, the traffic lights cycle seamlessly through green, yellow, and red. As shown above pic16f877a has 5 basic input/output ports. Contribute to abhilazh/pic16f877a development by creating an account on github. It controls a total of six led lights (red, green, and yellow) attached to. In automatic mode, the traffic lights cycle seamlessly through green, yellow, and red. Instantly share code, notes, and snippets. Develop a traffic light control system using the pic16f877a microcontroller, designed to operate in both automatic and manual modes. These ports are used for input/output interfacing. They are usually denoted by port a (r a), port b (rb), port c (rc), port d (rd), and port e (re). The pic16877a microcontroller is the central controller used in a traffic light and pedestrian management system.
From sltech360.blogspot.com
TRAFFIC LIGHT CONTROL USING PIC16F877A sl technological sevices Traffic Light Code For Pic16F877A Develop a traffic light control system using the pic16f877a microcontroller, designed to operate in both automatic and manual modes. In automatic mode, the traffic lights cycle seamlessly through green, yellow, and red. Contribute to abhilazh/pic16f877a development by creating an account on github. They are usually denoted by port a (r a), port b (rb), port c (rc), port d (rd),. Traffic Light Code For Pic16F877A.
From ccspicc.blogspot.com
PIC16F877A read inputs using CCS C Traffic Light Code For Pic16F877A In automatic mode, the traffic lights cycle seamlessly through green, yellow, and red. Instantly share code, notes, and snippets. The pic16877a microcontroller is the central controller used in a traffic light and pedestrian management system. As shown above pic16f877a has 5 basic input/output ports. Develop a traffic light control system using the pic16f877a microcontroller, designed to operate in both automatic. Traffic Light Code For Pic16F877A.
From microdigisoft.com
PIC16F877A Multiple LED Blinking with PIC Microcontroller Traffic Light Code For Pic16F877A The pic16877a microcontroller is the central controller used in a traffic light and pedestrian management system. Contribute to abhilazh/pic16f877a development by creating an account on github. Instantly share code, notes, and snippets. Develop a traffic light control system using the pic16f877a microcontroller, designed to operate in both automatic and manual modes. They are usually denoted by port a (r a),. Traffic Light Code For Pic16F877A.
From www.tpsearchtool.com
Secuencia Para Dos Leds Con Pic16f877a Ip Microcodestudio Pic Basic Images Traffic Light Code For Pic16F877A Contribute to abhilazh/pic16f877a development by creating an account on github. It controls a total of six led lights (red, green, and yellow) attached to. In automatic mode, the traffic lights cycle seamlessly through green, yellow, and red. They are usually denoted by port a (r a), port b (rb), port c (rc), port d (rd), and port e (re). As. Traffic Light Code For Pic16F877A.
From blog.mazitekgh.com
BASIC TIMING TRAFIC CONTROL USING PIC16F877A MaziTek Electronics Traffic Light Code For Pic16F877A Develop a traffic light control system using the pic16f877a microcontroller, designed to operate in both automatic and manual modes. These ports are used for input/output interfacing. It controls a total of six led lights (red, green, and yellow) attached to. In automatic mode, the traffic lights cycle seamlessly through green, yellow, and red. They are usually denoted by port a. Traffic Light Code For Pic16F877A.
From www.tpsearchtool.com
Secuencia Para Dos Leds Con Pic16f877a Ip Microcodestudio Pic Basic Images Traffic Light Code For Pic16F877A These ports are used for input/output interfacing. Contribute to abhilazh/pic16f877a development by creating an account on github. The pic16877a microcontroller is the central controller used in a traffic light and pedestrian management system. Develop a traffic light control system using the pic16f877a microcontroller, designed to operate in both automatic and manual modes. Instantly share code, notes, and snippets. In automatic. Traffic Light Code For Pic16F877A.
From www.tpsearchtool.com
Pic16f877a Pulse Width Modulation Pwm Using Pic Microcontroller Images Traffic Light Code For Pic16F877A These ports are used for input/output interfacing. The pic16877a microcontroller is the central controller used in a traffic light and pedestrian management system. It controls a total of six led lights (red, green, and yellow) attached to. Contribute to abhilazh/pic16f877a development by creating an account on github. As shown above pic16f877a has 5 basic input/output ports. They are usually denoted. Traffic Light Code For Pic16F877A.
From www.piclearning.net
PIC16F877A and RGB LED example PIC learning Traffic Light Code For Pic16F877A In automatic mode, the traffic lights cycle seamlessly through green, yellow, and red. They are usually denoted by port a (r a), port b (rb), port c (rc), port d (rd), and port e (re). It controls a total of six led lights (red, green, and yellow) attached to. These ports are used for input/output interfacing. The pic16877a microcontroller is. Traffic Light Code For Pic16F877A.
From www.youtube.com
4 way Traffic Light using PIC16F877A YouTube Traffic Light Code For Pic16F877A They are usually denoted by port a (r a), port b (rb), port c (rc), port d (rd), and port e (re). Contribute to abhilazh/pic16f877a development by creating an account on github. As shown above pic16f877a has 5 basic input/output ports. Instantly share code, notes, and snippets. Develop a traffic light control system using the pic16f877a microcontroller, designed to operate. Traffic Light Code For Pic16F877A.
From www.youtube.com
Tutorial Proteus Project traffic lights with mikroC PIC16F877 проект Traffic Light Code For Pic16F877A They are usually denoted by port a (r a), port b (rb), port c (rc), port d (rd), and port e (re). In automatic mode, the traffic lights cycle seamlessly through green, yellow, and red. Develop a traffic light control system using the pic16f877a microcontroller, designed to operate in both automatic and manual modes. Contribute to abhilazh/pic16f877a development by creating. Traffic Light Code For Pic16F877A.
From saeedsolutions.blogspot.com
How to set PIC16F877A configuration bits in code ? Saeed's Blog Traffic Light Code For Pic16F877A The pic16877a microcontroller is the central controller used in a traffic light and pedestrian management system. It controls a total of six led lights (red, green, and yellow) attached to. In automatic mode, the traffic lights cycle seamlessly through green, yellow, and red. Instantly share code, notes, and snippets. As shown above pic16f877a has 5 basic input/output ports. Develop a. Traffic Light Code For Pic16F877A.
From github.com
GitHub Seifhusseinn/PIC16F877ATrafficLightusingPICAssembly Traffic Light Code For Pic16F877A These ports are used for input/output interfacing. It controls a total of six led lights (red, green, and yellow) attached to. The pic16877a microcontroller is the central controller used in a traffic light and pedestrian management system. As shown above pic16f877a has 5 basic input/output ports. Contribute to abhilazh/pic16f877a development by creating an account on github. In automatic mode, the. Traffic Light Code For Pic16F877A.
From www.youtube.com
1. LED BLINKING USING PIC16F877A (Coding MikroC and Simulation Traffic Light Code For Pic16F877A Instantly share code, notes, and snippets. Develop a traffic light control system using the pic16f877a microcontroller, designed to operate in both automatic and manual modes. These ports are used for input/output interfacing. The pic16877a microcontroller is the central controller used in a traffic light and pedestrian management system. In automatic mode, the traffic lights cycle seamlessly through green, yellow, and. Traffic Light Code For Pic16F877A.
From www.vrogue.co
Solution Keypad Interfacing With Pic16f877a Microcontroller Studypool Traffic Light Code For Pic16F877A In automatic mode, the traffic lights cycle seamlessly through green, yellow, and red. The pic16877a microcontroller is the central controller used in a traffic light and pedestrian management system. These ports are used for input/output interfacing. Instantly share code, notes, and snippets. It controls a total of six led lights (red, green, and yellow) attached to. Contribute to abhilazh/pic16f877a development. Traffic Light Code For Pic16F877A.
From embeddedthere.com
How to interface PIC Microcontroller with I2C sensors Example code Traffic Light Code For Pic16F877A They are usually denoted by port a (r a), port b (rb), port c (rc), port d (rd), and port e (re). It controls a total of six led lights (red, green, and yellow) attached to. Contribute to abhilazh/pic16f877a development by creating an account on github. In automatic mode, the traffic lights cycle seamlessly through green, yellow, and red. Develop. Traffic Light Code For Pic16F877A.
From pic-microcontroller.com
Automatic traffic light using PIC16F877A Microcontroller Traffic Light Code For Pic16F877A They are usually denoted by port a (r a), port b (rb), port c (rc), port d (rd), and port e (re). Instantly share code, notes, and snippets. Develop a traffic light control system using the pic16f877a microcontroller, designed to operate in both automatic and manual modes. It controls a total of six led lights (red, green, and yellow) attached. Traffic Light Code For Pic16F877A.
From www.youtube.com
Traffic signal control with pic16f877a YouTube Traffic Light Code For Pic16F877A In automatic mode, the traffic lights cycle seamlessly through green, yellow, and red. Develop a traffic light control system using the pic16f877a microcontroller, designed to operate in both automatic and manual modes. Instantly share code, notes, and snippets. The pic16877a microcontroller is the central controller used in a traffic light and pedestrian management system. These ports are used for input/output. Traffic Light Code For Pic16F877A.
From www.researchgate.net
PIC16F877A and LCD interfacing Download Scientific Diagram Traffic Light Code For Pic16F877A They are usually denoted by port a (r a), port b (rb), port c (rc), port d (rd), and port e (re). The pic16877a microcontroller is the central controller used in a traffic light and pedestrian management system. Instantly share code, notes, and snippets. These ports are used for input/output interfacing. As shown above pic16f877a has 5 basic input/output ports.. Traffic Light Code For Pic16F877A.
From embetronicx.com
LDR Sensor Interfacing with PIC16F877A EmbeTronicX Traffic Light Code For Pic16F877A These ports are used for input/output interfacing. It controls a total of six led lights (red, green, and yellow) attached to. The pic16877a microcontroller is the central controller used in a traffic light and pedestrian management system. Develop a traffic light control system using the pic16f877a microcontroller, designed to operate in both automatic and manual modes. They are usually denoted. Traffic Light Code For Pic16F877A.
From www.youtube.com
Traffic Light Controller with Digital Countdown Timers PIC16F877A YouTube Traffic Light Code For Pic16F877A Develop a traffic light control system using the pic16f877a microcontroller, designed to operate in both automatic and manual modes. These ports are used for input/output interfacing. The pic16877a microcontroller is the central controller used in a traffic light and pedestrian management system. In automatic mode, the traffic lights cycle seamlessly through green, yellow, and red. They are usually denoted by. Traffic Light Code For Pic16F877A.
From www.vrogue.co
Automatic Traffic Light Using Pic16f877a Microcontroller Vrogue Traffic Light Code For Pic16F877A The pic16877a microcontroller is the central controller used in a traffic light and pedestrian management system. In automatic mode, the traffic lights cycle seamlessly through green, yellow, and red. Contribute to abhilazh/pic16f877a development by creating an account on github. They are usually denoted by port a (r a), port b (rb), port c (rc), port d (rd), and port e. Traffic Light Code For Pic16F877A.
From pic-microcontroller.com
Automated Railway Gate Controlled by PIC16F877A Traffic Light Code For Pic16F877A Instantly share code, notes, and snippets. They are usually denoted by port a (r a), port b (rb), port c (rc), port d (rd), and port e (re). As shown above pic16f877a has 5 basic input/output ports. The pic16877a microcontroller is the central controller used in a traffic light and pedestrian management system. Contribute to abhilazh/pic16f877a development by creating an. Traffic Light Code For Pic16F877A.
From www.vrogue.co
Traffic Light Control Using Pic16f877a Youtube vrogue.co Traffic Light Code For Pic16F877A They are usually denoted by port a (r a), port b (rb), port c (rc), port d (rd), and port e (re). As shown above pic16f877a has 5 basic input/output ports. Develop a traffic light control system using the pic16f877a microcontroller, designed to operate in both automatic and manual modes. Instantly share code, notes, and snippets. Contribute to abhilazh/pic16f877a development. Traffic Light Code For Pic16F877A.
From blog.mazitekgh.com
BASIC TIMING TRAFIC CONTROL USING PIC16F877A MaziTek Electronics Traffic Light Code For Pic16F877A Instantly share code, notes, and snippets. In automatic mode, the traffic lights cycle seamlessly through green, yellow, and red. Contribute to abhilazh/pic16f877a development by creating an account on github. They are usually denoted by port a (r a), port b (rb), port c (rc), port d (rd), and port e (re). The pic16877a microcontroller is the central controller used in. Traffic Light Code For Pic16F877A.
From www.youtube.com
PICPIC16F877A đèn giao thông/PIC with TRAFFIC LIGHT YouTube Traffic Light Code For Pic16F877A These ports are used for input/output interfacing. Contribute to abhilazh/pic16f877a development by creating an account on github. Instantly share code, notes, and snippets. In automatic mode, the traffic lights cycle seamlessly through green, yellow, and red. They are usually denoted by port a (r a), port b (rb), port c (rc), port d (rd), and port e (re). Develop a. Traffic Light Code For Pic16F877A.
From www.electronics-talk.com
Traffic light ver2 on based pic 16f877A, can set time for leds via Traffic Light Code For Pic16F877A These ports are used for input/output interfacing. Instantly share code, notes, and snippets. In automatic mode, the traffic lights cycle seamlessly through green, yellow, and red. Develop a traffic light control system using the pic16f877a microcontroller, designed to operate in both automatic and manual modes. It controls a total of six led lights (red, green, and yellow) attached to. Contribute. Traffic Light Code For Pic16F877A.
From saeedsolutions.blogspot.com
Saeed's Blog PIC16F877A LED blinking code + Proteus simulation Traffic Light Code For Pic16F877A In automatic mode, the traffic lights cycle seamlessly through green, yellow, and red. Develop a traffic light control system using the pic16f877a microcontroller, designed to operate in both automatic and manual modes. They are usually denoted by port a (r a), port b (rb), port c (rc), port d (rd), and port e (re). The pic16877a microcontroller is the central. Traffic Light Code For Pic16F877A.
From www.youtube.com
PIC16F877A based 4 lane traffic signal controller. Very detailed, Step Traffic Light Code For Pic16F877A They are usually denoted by port a (r a), port b (rb), port c (rc), port d (rd), and port e (re). It controls a total of six led lights (red, green, and yellow) attached to. As shown above pic16f877a has 5 basic input/output ports. The pic16877a microcontroller is the central controller used in a traffic light and pedestrian management. Traffic Light Code For Pic16F877A.
From simple-circuit.com
PIC16F877A LED blink example with CCS C compiler Traffic Light Code For Pic16F877A In automatic mode, the traffic lights cycle seamlessly through green, yellow, and red. As shown above pic16f877a has 5 basic input/output ports. Contribute to abhilazh/pic16f877a development by creating an account on github. Instantly share code, notes, and snippets. These ports are used for input/output interfacing. Develop a traffic light control system using the pic16f877a microcontroller, designed to operate in both. Traffic Light Code For Pic16F877A.
From embetronicx.com
IR Sensor Interfacing with PIC16F877A ⋆ EmbeTronicX Traffic Light Code For Pic16F877A The pic16877a microcontroller is the central controller used in a traffic light and pedestrian management system. Contribute to abhilazh/pic16f877a development by creating an account on github. Develop a traffic light control system using the pic16f877a microcontroller, designed to operate in both automatic and manual modes. As shown above pic16f877a has 5 basic input/output ports. They are usually denoted by port. Traffic Light Code For Pic16F877A.
From saeedsolutions.blogspot.com
Saeed's Blog PIC16F877A LED blinking code + Proteus simulation Traffic Light Code For Pic16F877A Contribute to abhilazh/pic16f877a development by creating an account on github. The pic16877a microcontroller is the central controller used in a traffic light and pedestrian management system. Develop a traffic light control system using the pic16f877a microcontroller, designed to operate in both automatic and manual modes. Instantly share code, notes, and snippets. They are usually denoted by port a (r a),. Traffic Light Code For Pic16F877A.
From www.youtube.com
Traffic Light Intersection PIC16F877A YouTube Traffic Light Code For Pic16F877A These ports are used for input/output interfacing. Instantly share code, notes, and snippets. Contribute to abhilazh/pic16f877a development by creating an account on github. They are usually denoted by port a (r a), port b (rb), port c (rc), port d (rd), and port e (re). The pic16877a microcontroller is the central controller used in a traffic light and pedestrian management. Traffic Light Code For Pic16F877A.
From www.tpsearchtool.com
Pic16f877a Led Blinking Code Proteus Simulation Saeeds Blog Images Traffic Light Code For Pic16F877A It controls a total of six led lights (red, green, and yellow) attached to. In automatic mode, the traffic lights cycle seamlessly through green, yellow, and red. As shown above pic16f877a has 5 basic input/output ports. They are usually denoted by port a (r a), port b (rb), port c (rc), port d (rd), and port e (re). Instantly share. Traffic Light Code For Pic16F877A.
From www.youtube.com
How to Blink Multi LEDs using PIC16f877A in MPLAB PROTEUS LED Traffic Light Code For Pic16F877A These ports are used for input/output interfacing. Instantly share code, notes, and snippets. In automatic mode, the traffic lights cycle seamlessly through green, yellow, and red. It controls a total of six led lights (red, green, and yellow) attached to. As shown above pic16f877a has 5 basic input/output ports. Contribute to abhilazh/pic16f877a development by creating an account on github. They. Traffic Light Code For Pic16F877A.
From www.piclearning.net
PIC16F877A and RGB LED example PIC learning Traffic Light Code For Pic16F877A These ports are used for input/output interfacing. Contribute to abhilazh/pic16f877a development by creating an account on github. They are usually denoted by port a (r a), port b (rb), port c (rc), port d (rd), and port e (re). It controls a total of six led lights (red, green, and yellow) attached to. As shown above pic16f877a has 5 basic. Traffic Light Code For Pic16F877A.