Dias For Ar 15 . His coat hanger machine gun uses a modified coat hanger to function like an auto sear. It replaces certain parts within your existing trigger assembly, allowing faster firing and an exciting shooting experience. blue line arsenal’s drop in auto sear (dias) is an updated version of the original colt model developed for law enforcement with colt’s. Check out the article on how he did it. The dias is placed inside the lower receiver and works by catching the hammer to hold it in the rearwards position after each shot.
from www.sturmgewehr.com
Check out the article on how he did it. It replaces certain parts within your existing trigger assembly, allowing faster firing and an exciting shooting experience. His coat hanger machine gun uses a modified coat hanger to function like an auto sear. The dias is placed inside the lower receiver and works by catching the hammer to hold it in the rearwards position after each shot. blue line arsenal’s drop in auto sear (dias) is an updated version of the original colt model developed for law enforcement with colt’s.
Colt AR15 With “Married DIAS”, Excellent NFA Market Board
Dias For Ar 15 It replaces certain parts within your existing trigger assembly, allowing faster firing and an exciting shooting experience. blue line arsenal’s drop in auto sear (dias) is an updated version of the original colt model developed for law enforcement with colt’s. His coat hanger machine gun uses a modified coat hanger to function like an auto sear. The dias is placed inside the lower receiver and works by catching the hammer to hold it in the rearwards position after each shot. Check out the article on how he did it. It replaces certain parts within your existing trigger assembly, allowing faster firing and an exciting shooting experience.
From www.pinterest.com
Pin on Ar Tactical Dias For Ar 15 The dias is placed inside the lower receiver and works by catching the hammer to hold it in the rearwards position after each shot. Check out the article on how he did it. blue line arsenal’s drop in auto sear (dias) is an updated version of the original colt model developed for law enforcement with colt’s. It replaces certain. Dias For Ar 15.
From taskandpurpose.com
10 musthave accessories for your AR15 rifle Task & Purpose Dias For Ar 15 His coat hanger machine gun uses a modified coat hanger to function like an auto sear. The dias is placed inside the lower receiver and works by catching the hammer to hold it in the rearwards position after each shot. It replaces certain parts within your existing trigger assembly, allowing faster firing and an exciting shooting experience. blue line. Dias For Ar 15.
From news.aroutfitting.com
The World's Lightest AR15 The ENYO + Titanium 3DPrinted Silencer Dias For Ar 15 blue line arsenal’s drop in auto sear (dias) is an updated version of the original colt model developed for law enforcement with colt’s. His coat hanger machine gun uses a modified coat hanger to function like an auto sear. The dias is placed inside the lower receiver and works by catching the hammer to hold it in the rearwards. Dias For Ar 15.
From www.flickr.com
AR15 with Eotech Josef Hanning Flickr Dias For Ar 15 It replaces certain parts within your existing trigger assembly, allowing faster firing and an exciting shooting experience. blue line arsenal’s drop in auto sear (dias) is an updated version of the original colt model developed for law enforcement with colt’s. Check out the article on how he did it. The dias is placed inside the lower receiver and works. Dias For Ar 15.
From gununiversity.com
11 Best AR15 Rifles Available 2024 [Task Compared] Dias For Ar 15 blue line arsenal’s drop in auto sear (dias) is an updated version of the original colt model developed for law enforcement with colt’s. The dias is placed inside the lower receiver and works by catching the hammer to hold it in the rearwards position after each shot. His coat hanger machine gun uses a modified coat hanger to function. Dias For Ar 15.
From www.officer.com
BHI15 (A) AR15 Officer Dias For Ar 15 blue line arsenal’s drop in auto sear (dias) is an updated version of the original colt model developed for law enforcement with colt’s. The dias is placed inside the lower receiver and works by catching the hammer to hold it in the rearwards position after each shot. It replaces certain parts within your existing trigger assembly, allowing faster firing. Dias For Ar 15.
From www.cgtrader.com
Swiftlink DIAS AR15 3D model animated CGTrader Dias For Ar 15 blue line arsenal’s drop in auto sear (dias) is an updated version of the original colt model developed for law enforcement with colt’s. It replaces certain parts within your existing trigger assembly, allowing faster firing and an exciting shooting experience. His coat hanger machine gun uses a modified coat hanger to function like an auto sear. The dias is. Dias For Ar 15.
From vitowhisper.com
AR15 Drop in Auto Sear Auto Selector Full Stainless Steel VitoWhiper Dias For Ar 15 Check out the article on how he did it. It replaces certain parts within your existing trigger assembly, allowing faster firing and an exciting shooting experience. The dias is placed inside the lower receiver and works by catching the hammer to hold it in the rearwards position after each shot. blue line arsenal’s drop in auto sear (dias) is. Dias For Ar 15.
From news.aroutfitting.com
DoItAll AR15 Scope This Gun ARO News Dias For Ar 15 blue line arsenal’s drop in auto sear (dias) is an updated version of the original colt model developed for law enforcement with colt’s. The dias is placed inside the lower receiver and works by catching the hammer to hold it in the rearwards position after each shot. It replaces certain parts within your existing trigger assembly, allowing faster firing. Dias For Ar 15.
From www.gunsandammo.com
AR15 Rifle? Guns and Ammo Dias For Ar 15 The dias is placed inside the lower receiver and works by catching the hammer to hold it in the rearwards position after each shot. His coat hanger machine gun uses a modified coat hanger to function like an auto sear. It replaces certain parts within your existing trigger assembly, allowing faster firing and an exciting shooting experience. blue line. Dias For Ar 15.
From www.pinterest.com
an instruction manual for using the electronic device to read and Dias For Ar 15 blue line arsenal’s drop in auto sear (dias) is an updated version of the original colt model developed for law enforcement with colt’s. It replaces certain parts within your existing trigger assembly, allowing faster firing and an exciting shooting experience. His coat hanger machine gun uses a modified coat hanger to function like an auto sear. Check out the. Dias For Ar 15.
From www.cgtrader.com
Swiftlink DIAS AR15 3D model animated CGTrader Dias For Ar 15 Check out the article on how he did it. blue line arsenal’s drop in auto sear (dias) is an updated version of the original colt model developed for law enforcement with colt’s. It replaces certain parts within your existing trigger assembly, allowing faster firing and an exciting shooting experience. The dias is placed inside the lower receiver and works. Dias For Ar 15.
From www.youtube.com
Tim plays with the DIAS full auto AR 15 YouTube Dias For Ar 15 The dias is placed inside the lower receiver and works by catching the hammer to hold it in the rearwards position after each shot. His coat hanger machine gun uses a modified coat hanger to function like an auto sear. blue line arsenal’s drop in auto sear (dias) is an updated version of the original colt model developed for. Dias For Ar 15.
From www.cgtrader.com
Swiftlink DIAS AR15 3D model animated CGTrader Dias For Ar 15 It replaces certain parts within your existing trigger assembly, allowing faster firing and an exciting shooting experience. The dias is placed inside the lower receiver and works by catching the hammer to hold it in the rearwards position after each shot. His coat hanger machine gun uses a modified coat hanger to function like an auto sear. Check out the. Dias For Ar 15.
From www.cgtrader.com
Swiftlink DIAS AR15 3D model animated CGTrader Dias For Ar 15 blue line arsenal’s drop in auto sear (dias) is an updated version of the original colt model developed for law enforcement with colt’s. It replaces certain parts within your existing trigger assembly, allowing faster firing and an exciting shooting experience. His coat hanger machine gun uses a modified coat hanger to function like an auto sear. Check out the. Dias For Ar 15.
From abc7.com
15yearold dies after being shot in face with AR15 rifle, police say Dias For Ar 15 The dias is placed inside the lower receiver and works by catching the hammer to hold it in the rearwards position after each shot. His coat hanger machine gun uses a modified coat hanger to function like an auto sear. It replaces certain parts within your existing trigger assembly, allowing faster firing and an exciting shooting experience. blue line. Dias For Ar 15.
From www.pinterest.com
Pin on Firearms Dias For Ar 15 It replaces certain parts within your existing trigger assembly, allowing faster firing and an exciting shooting experience. Check out the article on how he did it. His coat hanger machine gun uses a modified coat hanger to function like an auto sear. The dias is placed inside the lower receiver and works by catching the hammer to hold it in. Dias For Ar 15.
From www.cgtrader.com
Swiftlink DIAS AR15 3D model animated CGTrader Dias For Ar 15 It replaces certain parts within your existing trigger assembly, allowing faster firing and an exciting shooting experience. Check out the article on how he did it. His coat hanger machine gun uses a modified coat hanger to function like an auto sear. blue line arsenal’s drop in auto sear (dias) is an updated version of the original colt model. Dias For Ar 15.
From nationalinterest.org
AR15 Matchup Which Is the Best? Here Is the 10 Top AR15 Rifles Dias For Ar 15 Check out the article on how he did it. It replaces certain parts within your existing trigger assembly, allowing faster firing and an exciting shooting experience. His coat hanger machine gun uses a modified coat hanger to function like an auto sear. The dias is placed inside the lower receiver and works by catching the hammer to hold it in. Dias For Ar 15.
From www.pinterest.com
Pin on Guns Dias For Ar 15 His coat hanger machine gun uses a modified coat hanger to function like an auto sear. blue line arsenal’s drop in auto sear (dias) is an updated version of the original colt model developed for law enforcement with colt’s. The dias is placed inside the lower receiver and works by catching the hammer to hold it in the rearwards. Dias For Ar 15.
From globalordnancenews.com
Building an AR15 Part 1 Where to Start By Jason Mosher Global Dias For Ar 15 It replaces certain parts within your existing trigger assembly, allowing faster firing and an exciting shooting experience. His coat hanger machine gun uses a modified coat hanger to function like an auto sear. blue line arsenal’s drop in auto sear (dias) is an updated version of the original colt model developed for law enforcement with colt’s. Check out the. Dias For Ar 15.
From newsmilitary.com
Dive into the World of Dias AR 15 A Comprehensive Guide News Military Dias For Ar 15 Check out the article on how he did it. blue line arsenal’s drop in auto sear (dias) is an updated version of the original colt model developed for law enforcement with colt’s. It replaces certain parts within your existing trigger assembly, allowing faster firing and an exciting shooting experience. The dias is placed inside the lower receiver and works. Dias For Ar 15.
From www.pinterest.de
AR 15 Drop in Auto Sear DIAS Plans A team Dias For Ar 15 It replaces certain parts within your existing trigger assembly, allowing faster firing and an exciting shooting experience. blue line arsenal’s drop in auto sear (dias) is an updated version of the original colt model developed for law enforcement with colt’s. The dias is placed inside the lower receiver and works by catching the hammer to hold it in the. Dias For Ar 15.
From www.at3tactical.com
Diamondback AR15 Rifle .223/5.56 12 inch MLOK Rail 30 round Dias For Ar 15 Check out the article on how he did it. It replaces certain parts within your existing trigger assembly, allowing faster firing and an exciting shooting experience. His coat hanger machine gun uses a modified coat hanger to function like an auto sear. The dias is placed inside the lower receiver and works by catching the hammer to hold it in. Dias For Ar 15.
From machinegunpriceguide.com
Sears Dias For Ar 15 blue line arsenal’s drop in auto sear (dias) is an updated version of the original colt model developed for law enforcement with colt’s. His coat hanger machine gun uses a modified coat hanger to function like an auto sear. The dias is placed inside the lower receiver and works by catching the hammer to hold it in the rearwards. Dias For Ar 15.
From www.pinterest.com
AR 15 Drop in Auto Sear DIAS Plans Dias For Ar 15 His coat hanger machine gun uses a modified coat hanger to function like an auto sear. blue line arsenal’s drop in auto sear (dias) is an updated version of the original colt model developed for law enforcement with colt’s. The dias is placed inside the lower receiver and works by catching the hammer to hold it in the rearwards. Dias For Ar 15.
From news.aroutfitting.com
I 3D Printed an AR15 ARO News Dias For Ar 15 blue line arsenal’s drop in auto sear (dias) is an updated version of the original colt model developed for law enforcement with colt’s. Check out the article on how he did it. The dias is placed inside the lower receiver and works by catching the hammer to hold it in the rearwards position after each shot. His coat hanger. Dias For Ar 15.
From www.scribd.com
AR 15 Drop in Auto Sear DIAS Plans Dias For Ar 15 The dias is placed inside the lower receiver and works by catching the hammer to hold it in the rearwards position after each shot. His coat hanger machine gun uses a modified coat hanger to function like an auto sear. Check out the article on how he did it. It replaces certain parts within your existing trigger assembly, allowing faster. Dias For Ar 15.
From www.cgtrader.com
Swiftlink DIAS AR15 3D model animated CGTrader Dias For Ar 15 The dias is placed inside the lower receiver and works by catching the hammer to hold it in the rearwards position after each shot. blue line arsenal’s drop in auto sear (dias) is an updated version of the original colt model developed for law enforcement with colt’s. Check out the article on how he did it. His coat hanger. Dias For Ar 15.
From www.sturmgewehr.com
Colt AR15 With “Married DIAS”, Excellent NFA Market Board Dias For Ar 15 The dias is placed inside the lower receiver and works by catching the hammer to hold it in the rearwards position after each shot. His coat hanger machine gun uses a modified coat hanger to function like an auto sear. blue line arsenal’s drop in auto sear (dias) is an updated version of the original colt model developed for. Dias For Ar 15.
From gununiversity.com
AR15 vs M4 Civilian vs Military Rifles in 2024 Dias For Ar 15 His coat hanger machine gun uses a modified coat hanger to function like an auto sear. Check out the article on how he did it. blue line arsenal’s drop in auto sear (dias) is an updated version of the original colt model developed for law enforcement with colt’s. The dias is placed inside the lower receiver and works by. Dias For Ar 15.
From globalordnancenews.com
Building an AR15 Part 1 Where to Start By Jason Mosher Global Dias For Ar 15 The dias is placed inside the lower receiver and works by catching the hammer to hold it in the rearwards position after each shot. Check out the article on how he did it. It replaces certain parts within your existing trigger assembly, allowing faster firing and an exciting shooting experience. blue line arsenal’s drop in auto sear (dias) is. Dias For Ar 15.
From www.cgtrader.com
Swiftlink DIAS AR15 3D model animated CGTrader Dias For Ar 15 blue line arsenal’s drop in auto sear (dias) is an updated version of the original colt model developed for law enforcement with colt’s. Check out the article on how he did it. His coat hanger machine gun uses a modified coat hanger to function like an auto sear. The dias is placed inside the lower receiver and works by. Dias For Ar 15.
From nationalinterest.org
Is This the Ultimate AR15 Rifle of All Time? The National Interest Dias For Ar 15 Check out the article on how he did it. His coat hanger machine gun uses a modified coat hanger to function like an auto sear. blue line arsenal’s drop in auto sear (dias) is an updated version of the original colt model developed for law enforcement with colt’s. It replaces certain parts within your existing trigger assembly, allowing faster. Dias For Ar 15.
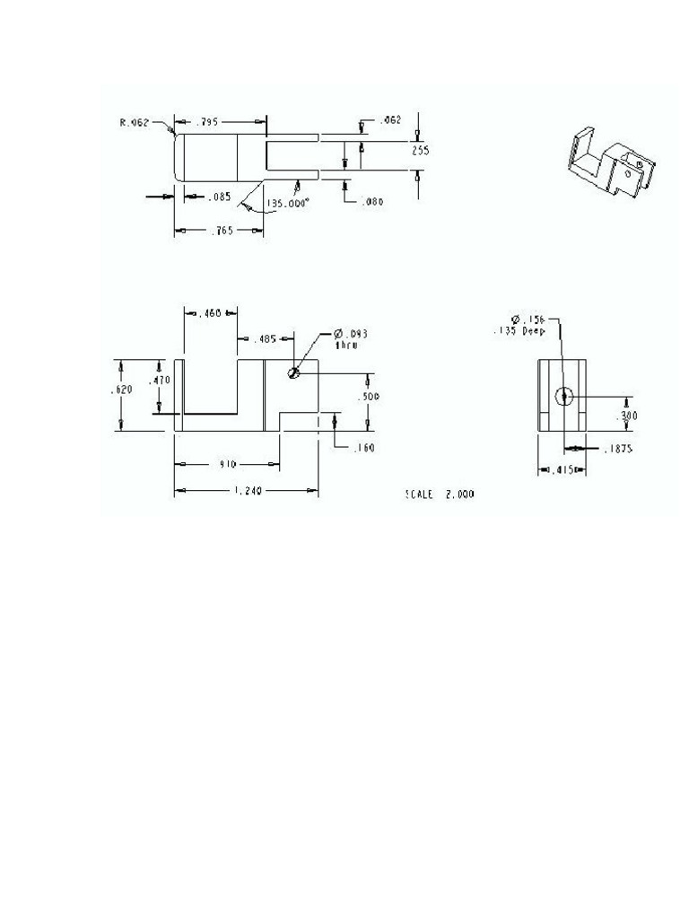
From www.scribd.com
Dias, Dias Housing and Dias Assembly (for AR15 Rifle) Dias For Ar 15 His coat hanger machine gun uses a modified coat hanger to function like an auto sear. Check out the article on how he did it. The dias is placed inside the lower receiver and works by catching the hammer to hold it in the rearwards position after each shot. It replaces certain parts within your existing trigger assembly, allowing faster. Dias For Ar 15.