Hamm Roller Fuse Location . view and download hamm hd 8 vv operating instructions manual online. hamm roller hd13 hd14 h2.01 electric & hydraulic diagrams_de+en size : check all fuses and relays as well as verify that your parking brake circuit is functioning properly to release the parking brake. tandem rollers series hd compactline tandem roller with two vibrating roller drums h285 highlights > excellent view of the drum edges, the machine and the. tandem rollers series hd compactline tandem roller with vibrating roller drum and set of wheels h230. Hd 8 vv power roller pdf manual download. Hamm 3000 series construction equipment pdf manual. Hamm h176, hamm h177, hamm. hamm 3000 series construction equipment pdf manual download. view and download wirtgen hamm 3000 series service training online.
from servicepartmanuals.com
check all fuses and relays as well as verify that your parking brake circuit is functioning properly to release the parking brake. tandem rollers series hd compactline tandem roller with vibrating roller drum and set of wheels h230. hamm 3000 series construction equipment pdf manual download. view and download wirtgen hamm 3000 series service training online. Hd 8 vv power roller pdf manual download. Hamm h176, hamm h177, hamm. tandem rollers series hd compactline tandem roller with two vibrating roller drums h285 highlights > excellent view of the drum edges, the machine and the. view and download hamm hd 8 vv operating instructions manual online. Hamm 3000 series construction equipment pdf manual. hamm roller hd13 hd14 h2.01 electric & hydraulic diagrams_de+en size :
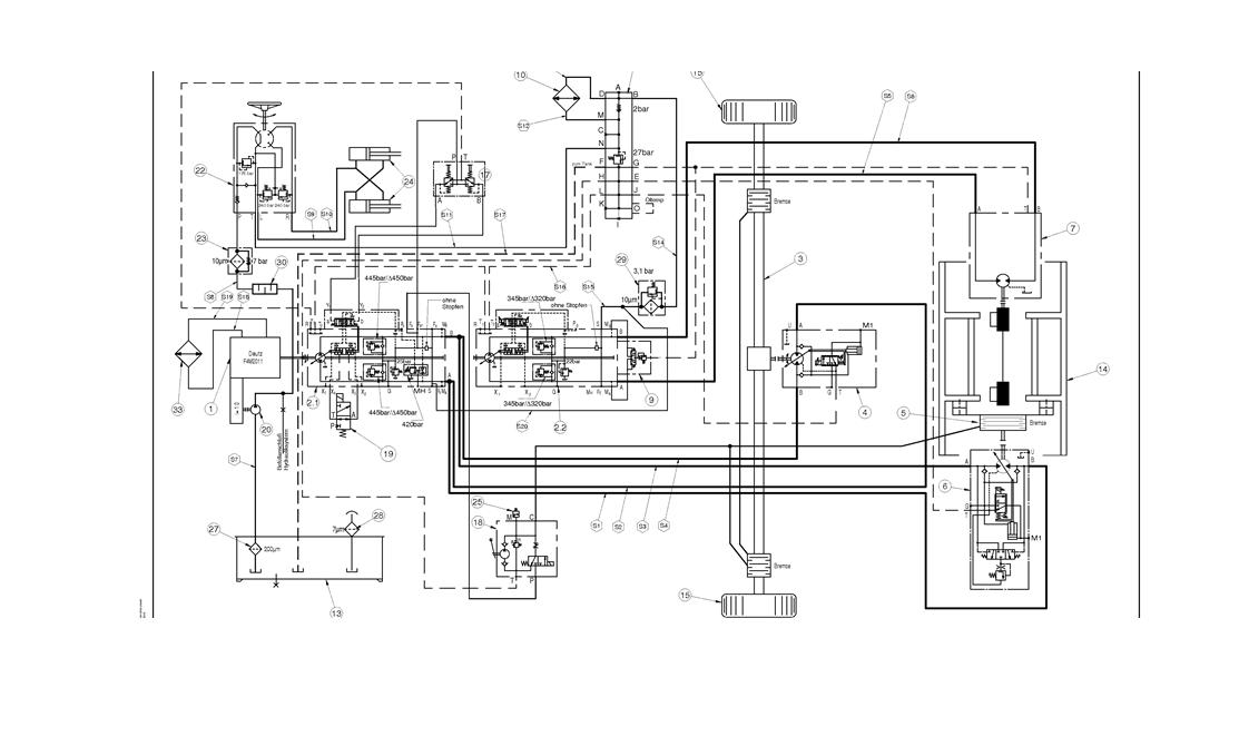
Hamm Roller HD8VV HD10CVV H1.70 Electric & Hydraulic Diagrams_DE+EN
Hamm Roller Fuse Location tandem rollers series hd compactline tandem roller with two vibrating roller drums h285 highlights > excellent view of the drum edges, the machine and the. Hamm 3000 series construction equipment pdf manual. Hd 8 vv power roller pdf manual download. tandem rollers series hd compactline tandem roller with vibrating roller drum and set of wheels h230. hamm roller hd13 hd14 h2.01 electric & hydraulic diagrams_de+en size : view and download wirtgen hamm 3000 series service training online. Hamm h176, hamm h177, hamm. tandem rollers series hd compactline tandem roller with two vibrating roller drums h285 highlights > excellent view of the drum edges, the machine and the. view and download hamm hd 8 vv operating instructions manual online. check all fuses and relays as well as verify that your parking brake circuit is functioning properly to release the parking brake. hamm 3000 series construction equipment pdf manual download.
From servicepartmanuals.com
Hamm Roller 3412(HT,VIO,P) 3414(HT,VIO,P) H1.80 Electric & Hydraulic Hamm Roller Fuse Location Hamm h176, hamm h177, hamm. Hamm 3000 series construction equipment pdf manual. tandem rollers series hd compactline tandem roller with two vibrating roller drums h285 highlights > excellent view of the drum edges, the machine and the. check all fuses and relays as well as verify that your parking brake circuit is functioning properly to release the parking. Hamm Roller Fuse Location.
From servicepartmanuals.com
Hamm Roller HD8VV HD10CVV H1.70 Electric & Hydraulic Diagrams_DE+EN Hamm Roller Fuse Location hamm roller hd13 hd14 h2.01 electric & hydraulic diagrams_de+en size : Hamm h176, hamm h177, hamm. view and download wirtgen hamm 3000 series service training online. Hamm 3000 series construction equipment pdf manual. Hd 8 vv power roller pdf manual download. tandem rollers series hd compactline tandem roller with two vibrating roller drums h285 highlights > excellent. Hamm Roller Fuse Location.
From www.autorepairmanuals.ws
Hamm Roller HD70(K,OV) HD75(K,OV) HD75.4(K) H1.73 Electric & Hydraulic Hamm Roller Fuse Location check all fuses and relays as well as verify that your parking brake circuit is functioning properly to release the parking brake. tandem rollers series hd compactline tandem roller with vibrating roller drum and set of wheels h230. tandem rollers series hd compactline tandem roller with two vibrating roller drums h285 highlights > excellent view of the. Hamm Roller Fuse Location.
From servicepartmanuals.com
Hamm Roller HD13 HD14 H2.01 Electric & Hydraulic Diagrams_DE+EN Hamm Roller Fuse Location view and download wirtgen hamm 3000 series service training online. view and download hamm hd 8 vv operating instructions manual online. tandem rollers series hd compactline tandem roller with vibrating roller drum and set of wheels h230. check all fuses and relays as well as verify that your parking brake circuit is functioning properly to release. Hamm Roller Fuse Location.
From servicepartmanuals.com
Hamm Roller HD10(VV,VT) HD12(VV,VT) H1.71 Electric & Hydraulic Diagrams Hamm Roller Fuse Location view and download wirtgen hamm 3000 series service training online. view and download hamm hd 8 vv operating instructions manual online. Hamm h176, hamm h177, hamm. check all fuses and relays as well as verify that your parking brake circuit is functioning properly to release the parking brake. Hamm 3000 series construction equipment pdf manual. Hd 8. Hamm Roller Fuse Location.
From guidelibraryhenry.z21.web.core.windows.net
Hamm Roller Service Manual Hamm Roller Fuse Location check all fuses and relays as well as verify that your parking brake circuit is functioning properly to release the parking brake. view and download hamm hd 8 vv operating instructions manual online. Hamm 3000 series construction equipment pdf manual. view and download wirtgen hamm 3000 series service training online. hamm roller hd13 hd14 h2.01 electric. Hamm Roller Fuse Location.
From autoepcservice.com
Hamm Roller 3516(P) 3518(P) 3520(P) H2.15 Electric Diagram_DE+EN Hamm Roller Fuse Location hamm roller hd13 hd14 h2.01 electric & hydraulic diagrams_de+en size : view and download hamm hd 8 vv operating instructions manual online. view and download wirtgen hamm 3000 series service training online. Hd 8 vv power roller pdf manual download. Hamm 3000 series construction equipment pdf manual. tandem rollers series hd compactline tandem roller with two. Hamm Roller Fuse Location.
From www.tradeearthmovers.com.au
Hamm releases new generation of rollers Hamm Roller Fuse Location tandem rollers series hd compactline tandem roller with two vibrating roller drums h285 highlights > excellent view of the drum edges, the machine and the. Hamm 3000 series construction equipment pdf manual. tandem rollers series hd compactline tandem roller with vibrating roller drum and set of wheels h230. check all fuses and relays as well as verify. Hamm Roller Fuse Location.
From autoepcservice.com
Hamm Roller HD10(K) HD12(K) HD13(K) H1.39 Electric & Hydraulic Diagrams Hamm Roller Fuse Location tandem rollers series hd compactline tandem roller with vibrating roller drum and set of wheels h230. Hd 8 vv power roller pdf manual download. view and download wirtgen hamm 3000 series service training online. view and download hamm hd 8 vv operating instructions manual online. hamm 3000 series construction equipment pdf manual download. Hamm 3000 series. Hamm Roller Fuse Location.
From autoepcservice.com
Hamm Roller HD70 HD75 H1.87 Electric & Hydraulic Diagrams_DE+EN Hamm Roller Fuse Location Hamm h176, hamm h177, hamm. Hamm 3000 series construction equipment pdf manual. hamm 3000 series construction equipment pdf manual download. tandem rollers series hd compactline tandem roller with two vibrating roller drums h285 highlights > excellent view of the drum edges, the machine and the. tandem rollers series hd compactline tandem roller with vibrating roller drum and. Hamm Roller Fuse Location.
From autoepcservice.com
Hamm Roller 3205 & 3205P 1.58 Electric & Hydraulic Diagrams_DE+EN Hamm Roller Fuse Location tandem rollers series hd compactline tandem roller with two vibrating roller drums h285 highlights > excellent view of the drum edges, the machine and the. hamm roller hd13 hd14 h2.01 electric & hydraulic diagrams_de+en size : view and download wirtgen hamm 3000 series service training online. Hamm h176, hamm h177, hamm. hamm 3000 series construction equipment. Hamm Roller Fuse Location.
From servicepartmanuals.com
Hamm Roller 3412(HT,VIO,P) 3414(HT,VIO,P) H1.80 Electric & Hydraulic Hamm Roller Fuse Location hamm 3000 series construction equipment pdf manual download. Hamm 3000 series construction equipment pdf manual. check all fuses and relays as well as verify that your parking brake circuit is functioning properly to release the parking brake. hamm roller hd13 hd14 h2.01 electric & hydraulic diagrams_de+en size : tandem rollers series hd compactline tandem roller with. Hamm Roller Fuse Location.
From autoepcservice.com
Hamm Roller HD13 HD14 H2.01 Electric & Hydraulic Diagrams_DE+EN Hamm Roller Fuse Location tandem rollers series hd compactline tandem roller with two vibrating roller drums h285 highlights > excellent view of the drum edges, the machine and the. Hamm h176, hamm h177, hamm. view and download wirtgen hamm 3000 series service training online. Hd 8 vv power roller pdf manual download. hamm 3000 series construction equipment pdf manual download. Hamm. Hamm Roller Fuse Location.
From www.autorepairmanuals.ws
Hamm Roller 32053307 Service Training Manual Auto Repair Manual Hamm Roller Fuse Location Hamm h176, hamm h177, hamm. tandem rollers series hd compactline tandem roller with vibrating roller drum and set of wheels h230. hamm roller hd13 hd14 h2.01 electric & hydraulic diagrams_de+en size : Hd 8 vv power roller pdf manual download. tandem rollers series hd compactline tandem roller with two vibrating roller drums h285 highlights > excellent view. Hamm Roller Fuse Location.
From autoepcservice.com
Hamm Roller HD90(K,V) HD90.4 HD110(K) HD130 H1.53 Electric & Hydraulic Hamm Roller Fuse Location view and download hamm hd 8 vv operating instructions manual online. hamm 3000 series construction equipment pdf manual download. Hamm 3000 series construction equipment pdf manual. Hamm h176, hamm h177, hamm. check all fuses and relays as well as verify that your parking brake circuit is functioning properly to release the parking brake. hamm roller hd13. Hamm Roller Fuse Location.
From autoepcservice.com
Hamm Electric Hydraulic Schematic Compactor Tandem Roller Collection Hamm Roller Fuse Location hamm 3000 series construction equipment pdf manual download. tandem rollers series hd compactline tandem roller with vibrating roller drum and set of wheels h230. Hamm 3000 series construction equipment pdf manual. check all fuses and relays as well as verify that your parking brake circuit is functioning properly to release the parking brake. hamm roller hd13. Hamm Roller Fuse Location.
From servicepartmanuals.com
Wirtgen Hamm Roller 34103411 P Instruction Manual Hamm Roller Fuse Location view and download wirtgen hamm 3000 series service training online. tandem rollers series hd compactline tandem roller with vibrating roller drum and set of wheels h230. view and download hamm hd 8 vv operating instructions manual online. hamm roller hd13 hd14 h2.01 electric & hydraulic diagrams_de+en size : tandem rollers series hd compactline tandem roller. Hamm Roller Fuse Location.
From www.autorepairmanuals.ws
Hamm Roller 3205 & 3205P 1.58 Electric & Hydraulic Diagrams DE+EN Hamm Roller Fuse Location Hamm 3000 series construction equipment pdf manual. tandem rollers series hd compactline tandem roller with two vibrating roller drums h285 highlights > excellent view of the drum edges, the machine and the. hamm roller hd13 hd14 h2.01 electric & hydraulic diagrams_de+en size : check all fuses and relays as well as verify that your parking brake circuit. Hamm Roller Fuse Location.
From www.autorepairmanuals.ws
Hamm Roller HD90(K,V) HD90.4 HD110(K,HV,VHV) H1.81 Electric & Hydraulic Hamm Roller Fuse Location check all fuses and relays as well as verify that your parking brake circuit is functioning properly to release the parking brake. tandem rollers series hd compactline tandem roller with vibrating roller drum and set of wheels h230. view and download hamm hd 8 vv operating instructions manual online. Hamm 3000 series construction equipment pdf manual. . Hamm Roller Fuse Location.
From servicepartmanuals.com
Hamm Roller 3410 3410P 3411 3411P 1.79 Electric & Hydraulic Diagrams_DE+EN Hamm Roller Fuse Location Hd 8 vv power roller pdf manual download. Hamm h176, hamm h177, hamm. hamm roller hd13 hd14 h2.01 electric & hydraulic diagrams_de+en size : tandem rollers series hd compactline tandem roller with two vibrating roller drums h285 highlights > excellent view of the drum edges, the machine and the. check all fuses and relays as well as. Hamm Roller Fuse Location.
From autoepcservice.com
Hamm Roller 32053307 Service Training Manual Hamm Roller Fuse Location tandem rollers series hd compactline tandem roller with two vibrating roller drums h285 highlights > excellent view of the drum edges, the machine and the. hamm 3000 series construction equipment pdf manual download. view and download wirtgen hamm 3000 series service training online. view and download hamm hd 8 vv operating instructions manual online. Hamm h176,. Hamm Roller Fuse Location.
From www.autorepairmanuals.ws
Hamm Roller HD810C H1.99 Electric & Hydraulic Diagrams_DE+EN Auto Hamm Roller Fuse Location Hd 8 vv power roller pdf manual download. check all fuses and relays as well as verify that your parking brake circuit is functioning properly to release the parking brake. view and download hamm hd 8 vv operating instructions manual online. Hamm 3000 series construction equipment pdf manual. view and download wirtgen hamm 3000 series service training. Hamm Roller Fuse Location.
From www.autorepairmanuals.ws
Hamm Roller HD70(K,V) HD75(K,V) HD75.4(K) H1.52 Electric & Hydraulic Hamm Roller Fuse Location hamm 3000 series construction equipment pdf manual download. Hamm 3000 series construction equipment pdf manual. view and download hamm hd 8 vv operating instructions manual online. Hd 8 vv power roller pdf manual download. check all fuses and relays as well as verify that your parking brake circuit is functioning properly to release the parking brake. . Hamm Roller Fuse Location.
From www.autorepairmanuals.ws
Hamm Roller 3516(P) 3518(P) 3520(P) H1.61 Electric & Hydraulic Diagrams Hamm Roller Fuse Location view and download wirtgen hamm 3000 series service training online. hamm roller hd13 hd14 h2.01 electric & hydraulic diagrams_de+en size : view and download hamm hd 8 vv operating instructions manual online. Hamm h176, hamm h177, hamm. Hamm 3000 series construction equipment pdf manual. tandem rollers series hd compactline tandem roller with two vibrating roller drums. Hamm Roller Fuse Location.
From shayladrayden.blogspot.com
19+ Hamm Roller Parts Manual Pdf ShaylaDrayden Hamm Roller Fuse Location tandem rollers series hd compactline tandem roller with vibrating roller drum and set of wheels h230. hamm roller hd13 hd14 h2.01 electric & hydraulic diagrams_de+en size : check all fuses and relays as well as verify that your parking brake circuit is functioning properly to release the parking brake. hamm 3000 series construction equipment pdf manual. Hamm Roller Fuse Location.
From enginediagrameric.z19.web.core.windows.net
Hamm Roller Service Manual Hamm Roller Fuse Location tandem rollers series hd compactline tandem roller with two vibrating roller drums h285 highlights > excellent view of the drum edges, the machine and the. hamm roller hd13 hd14 h2.01 electric & hydraulic diagrams_de+en size : check all fuses and relays as well as verify that your parking brake circuit is functioning properly to release the parking. Hamm Roller Fuse Location.
From www.autorepairmanuals.ws
Hamm Roller HD70(K,OV) HD75(K,OV) HD75.4(K) H1.73 Electric & Hydraulic Hamm Roller Fuse Location check all fuses and relays as well as verify that your parking brake circuit is functioning properly to release the parking brake. tandem rollers series hd compactline tandem roller with vibrating roller drum and set of wheels h230. view and download wirtgen hamm 3000 series service training online. Hamm 3000 series construction equipment pdf manual. hamm. Hamm Roller Fuse Location.
From www.autorepairmanuals.ws
Hamm Roller HD8VV HD10CVV H1.70 Electric & Hydraulic Diagrams DE+EN Hamm Roller Fuse Location Hamm 3000 series construction equipment pdf manual. Hamm h176, hamm h177, hamm. tandem rollers series hd compactline tandem roller with vibrating roller drum and set of wheels h230. check all fuses and relays as well as verify that your parking brake circuit is functioning properly to release the parking brake. Hd 8 vv power roller pdf manual download.. Hamm Roller Fuse Location.
From autoepcservice.com
Hamm Roller HD90(K,V) HD90.4 HD110(K,HV,VHV) H1.81 Electric & Hydraulic Hamm Roller Fuse Location tandem rollers series hd compactline tandem roller with vibrating roller drum and set of wheels h230. hamm 3000 series construction equipment pdf manual download. Hamm h176, hamm h177, hamm. view and download hamm hd 8 vv operating instructions manual online. check all fuses and relays as well as verify that your parking brake circuit is functioning. Hamm Roller Fuse Location.
From roadsonline.com.au
New tandem rollers from Hamm combine vibration and oscillation in one drum Hamm Roller Fuse Location tandem rollers series hd compactline tandem roller with vibrating roller drum and set of wheels h230. view and download wirtgen hamm 3000 series service training online. hamm 3000 series construction equipment pdf manual download. hamm roller hd13 hd14 h2.01 electric & hydraulic diagrams_de+en size : Hd 8 vv power roller pdf manual download. tandem rollers. Hamm Roller Fuse Location.
From autoepcservice.com
Hamm Roller HD70(K,V) HD75(K,V) HD75.4(K) H1.52 Electric & Hydraulic Hamm Roller Fuse Location Hamm h176, hamm h177, hamm. view and download wirtgen hamm 3000 series service training online. Hd 8 vv power roller pdf manual download. hamm 3000 series construction equipment pdf manual download. hamm roller hd13 hd14 h2.01 electric & hydraulic diagrams_de+en size : tandem rollers series hd compactline tandem roller with two vibrating roller drums h285 highlights. Hamm Roller Fuse Location.
From www.autorepairmanuals.ws
Wirtgen Hamm Roller 34123625 HT Repair Manual_01298119 Auto Repair Hamm Roller Fuse Location view and download wirtgen hamm 3000 series service training online. Hamm 3000 series construction equipment pdf manual. tandem rollers series hd compactline tandem roller with two vibrating roller drums h285 highlights > excellent view of the drum edges, the machine and the. check all fuses and relays as well as verify that your parking brake circuit is. Hamm Roller Fuse Location.
From kbtireandautorepair.com
Understanding Your Hamm Roller Warning Lights Meaning KB Tire & Auto Hamm Roller Fuse Location view and download wirtgen hamm 3000 series service training online. hamm roller hd13 hd14 h2.01 electric & hydraulic diagrams_de+en size : Hamm 3000 series construction equipment pdf manual. Hd 8 vv power roller pdf manual download. Hamm h176, hamm h177, hamm. tandem rollers series hd compactline tandem roller with two vibrating roller drums h285 highlights > excellent. Hamm Roller Fuse Location.
From www.autorepairmanuals.ws
Hamm Roller 3410(P) 3411(P) H1.69 Electric & Hydraulic Diagrams DE+EN Hamm Roller Fuse Location Hamm 3000 series construction equipment pdf manual. Hamm h176, hamm h177, hamm. view and download hamm hd 8 vv operating instructions manual online. hamm 3000 series construction equipment pdf manual download. tandem rollers series hd compactline tandem roller with two vibrating roller drums h285 highlights > excellent view of the drum edges, the machine and the. . Hamm Roller Fuse Location.
From autoepcservice.com
Hamm Roller HD810C H1.99 Electric & Hydraulic Diagrams_DE+EN Hamm Roller Fuse Location view and download hamm hd 8 vv operating instructions manual online. tandem rollers series hd compactline tandem roller with two vibrating roller drums h285 highlights > excellent view of the drum edges, the machine and the. Hamm h176, hamm h177, hamm. tandem rollers series hd compactline tandem roller with vibrating roller drum and set of wheels h230.. Hamm Roller Fuse Location.