Bobcat Excavator Will Not Start . Found blown fuse and determined in owners manual. A poor connection can lead to. This may occur due to a lack of. Several possible causes for a bobcat that turns over but won’t start, including low rail pressure code. I have a 2015 bobcat e42 excavator. Let’s get into more detail to find out!. Replace the damaged cylinder to restore its function. The engine will turn over but will not start. There could be a problem with the spark plug (condensation, battery, or a simple clog). Keeping your excavator clean can. After 4 days of not running the machine due to inclement weather i attempted to start up the machine and when the motor turned. I have checked battery connections, changed fuel. But how do you determine what’s wrong? Start by checking for loose or corroded connections on the battery, the starter motor, and the ground cable. Bobcat mini excavator quit running and won’t start.
        
         
         
        from autoepcservice.com 
     
        
        The engine will turn over but will not start. This may occur due to a lack of. Several possible causes for a bobcat that turns over but won’t start, including low rail pressure code. Bobcat mini excavator quit running and won’t start. Found blown fuse and determined in owners manual. I have a 2015 bobcat e42 excavator. When the cylinder fails, the excavator will likely not work. There could be a problem with the spark plug (condensation, battery, or a simple clog). Replace the damaged cylinder to restore its function. But how do you determine what’s wrong?
    
    	
            
	
		 
	 
         
    Bobcat Excavator T190 Operation & Maintenance Manual ES 
    Bobcat Excavator Will Not Start  Found blown fuse and determined in owners manual. A poor connection can lead to. There could be a problem with the spark plug (condensation, battery, or a simple clog). This may occur due to a lack of. Bobcat mini excavator quit running and won’t start. After 4 days of not running the machine due to inclement weather i attempted to start up the machine and when the motor turned. Let’s get into more detail to find out!. Replace the damaged cylinder to restore its function. Start by checking for loose or corroded connections on the battery, the starter motor, and the ground cable. When the cylinder fails, the excavator will likely not work. I have a 2015 bobcat e42 excavator. I have checked battery connections, changed fuel. Several possible causes for a bobcat that turns over but won’t start, including low rail pressure code. Keeping your excavator clean can. The engine will turn over but will not start. But how do you determine what’s wrong?
            
	
		 
	 
         
 
    
         
        From www.liveauctionworld.com 
                    BOBCAT 331 HYD EXCAVATOR, (DOES NOT OPERATE) Bobcat Excavator Will Not Start  Start by checking for loose or corroded connections on the battery, the starter motor, and the ground cable. Let’s get into more detail to find out!. Bobcat mini excavator quit running and won’t start. A poor connection can lead to. Found blown fuse and determined in owners manual. But how do you determine what’s wrong? When the cylinder fails, the. Bobcat Excavator Will Not Start.
     
    
         
        From autoepcservice.com 
                    Bobcat Excavator T190 Operation & Maintenance Manual ES Bobcat Excavator Will Not Start  There could be a problem with the spark plug (condensation, battery, or a simple clog). I have a 2015 bobcat e42 excavator. Keeping your excavator clean can. I have checked battery connections, changed fuel. Start by checking for loose or corroded connections on the battery, the starter motor, and the ground cable. Several possible causes for a bobcat that turns. Bobcat Excavator Will Not Start.
     
    
         
        From servicepartmanuals.com 
                    Bobcat Excavator All Models Operation's & Service Manual Schematic 2021 DVD Bobcat Excavator Will Not Start  This may occur due to a lack of. Let’s get into more detail to find out!. But how do you determine what’s wrong? Keeping your excavator clean can. After 4 days of not running the machine due to inclement weather i attempted to start up the machine and when the motor turned. Replace the damaged cylinder to restore its function.. Bobcat Excavator Will Not Start.
     
    
         
        From www.bobcat.com 
                    Excavators (Diggers) Bobcat Company Bobcat Excavator Will Not Start  I have a 2015 bobcat e42 excavator. I have checked battery connections, changed fuel. When the cylinder fails, the excavator will likely not work. Let’s get into more detail to find out!. Found blown fuse and determined in owners manual. Several possible causes for a bobcat that turns over but won’t start, including low rail pressure code. There could be. Bobcat Excavator Will Not Start.
     
    
         
        From autoepcservice.com 
                    Bobcat Excavator E55W Electrical and Hydraulic Schematic Bobcat Excavator Will Not Start  The engine will turn over but will not start. I have a 2015 bobcat e42 excavator. After 4 days of not running the machine due to inclement weather i attempted to start up the machine and when the motor turned. Replace the damaged cylinder to restore its function. Start by checking for loose or corroded connections on the battery, the. Bobcat Excavator Will Not Start.
     
    
         
        From www.agrimanuals.com 
                    Bobcat Excavator E80 Service Manual Bobcat Excavator Will Not Start  Let’s get into more detail to find out!. After 4 days of not running the machine due to inclement weather i attempted to start up the machine and when the motor turned. Found blown fuse and determined in owners manual. A poor connection can lead to. But how do you determine what’s wrong? The engine will turn over but will. Bobcat Excavator Will Not Start.
     
    
         
        From www.autorepairmanuals.ws 
                    Bobcat Excavator E10e Electrical and Hydraulic Schematic Auto Repair Bobcat Excavator Will Not Start  I have a 2015 bobcat e42 excavator. Let’s get into more detail to find out!. When the cylinder fails, the excavator will likely not work. There could be a problem with the spark plug (condensation, battery, or a simple clog). The engine will turn over but will not start. Replace the damaged cylinder to restore its function. Start by checking. Bobcat Excavator Will Not Start.
     
    
         
        From therepairmanual.com 
                    Bobcat X225 Excavator Service Manual Bobcat Excavator Will Not Start  Start by checking for loose or corroded connections on the battery, the starter motor, and the ground cable. The engine will turn over but will not start. Let’s get into more detail to find out!. I have a 2015 bobcat e42 excavator. But how do you determine what’s wrong? I have checked battery connections, changed fuel. Keeping your excavator clean. Bobcat Excavator Will Not Start.
     
    
         
        From www.autorepairmanuals.ws 
                    Bobcat Compact Excavator E26 Operation and Maintenance Manual 2020 Bobcat Excavator Will Not Start  Keeping your excavator clean can. The engine will turn over but will not start. There could be a problem with the spark plug (condensation, battery, or a simple clog). Found blown fuse and determined in owners manual. Start by checking for loose or corroded connections on the battery, the starter motor, and the ground cable. Several possible causes for a. Bobcat Excavator Will Not Start.
     
    
         
        From therepairmanual.com 
                    Bobcat 116 Excavator Service Manual Bobcat Excavator Will Not Start  I have a 2015 bobcat e42 excavator. This may occur due to a lack of. When the cylinder fails, the excavator will likely not work. But how do you determine what’s wrong? After 4 days of not running the machine due to inclement weather i attempted to start up the machine and when the motor turned. Start by checking for. Bobcat Excavator Will Not Start.
     
    
         
        From www.autorepairmanuals.ws 
                    Bobcat Excavator E17 D17 Electrical and Hydraulic Schematic Auto Bobcat Excavator Will Not Start  Several possible causes for a bobcat that turns over but won’t start, including low rail pressure code. I have checked battery connections, changed fuel. When the cylinder fails, the excavator will likely not work. Bobcat mini excavator quit running and won’t start. I have a 2015 bobcat e42 excavator. Keeping your excavator clean can. There could be a problem with. Bobcat Excavator Will Not Start.
     
    
         
        From www.autorepairmanuals.ws 
                    Bobcat Compact Excavator E27 Operation and Maintenance Manual 2020 Bobcat Excavator Will Not Start  There could be a problem with the spark plug (condensation, battery, or a simple clog). A poor connection can lead to. Start by checking for loose or corroded connections on the battery, the starter motor, and the ground cable. When the cylinder fails, the excavator will likely not work. After 4 days of not running the machine due to inclement. Bobcat Excavator Will Not Start.
     
    
         
        From www.autorepairmanuals.ws 
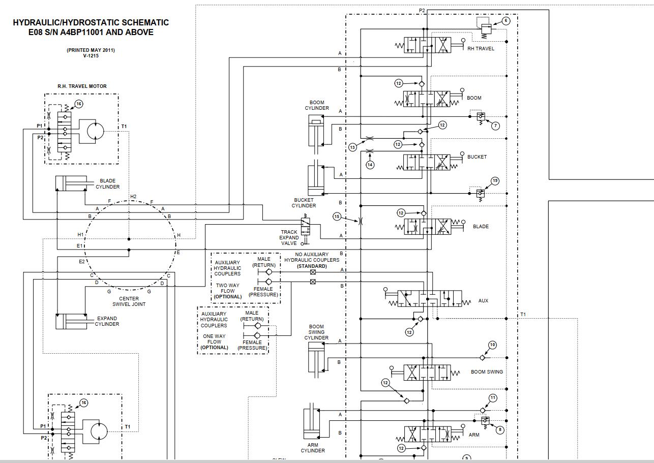
                    Bobcat Compact Excavator E08 Service Manual 6986785 2020 Auto Repair Bobcat Excavator Will Not Start  I have a 2015 bobcat e42 excavator. Start by checking for loose or corroded connections on the battery, the starter motor, and the ground cable. Several possible causes for a bobcat that turns over but won’t start, including low rail pressure code. There could be a problem with the spark plug (condensation, battery, or a simple clog). This may occur. Bobcat Excavator Will Not Start.
     
    
         
        From therepairmanual.com 
                    Bobcat X100 Excavator Service Manual Bobcat Excavator Will Not Start  After 4 days of not running the machine due to inclement weather i attempted to start up the machine and when the motor turned. Bobcat mini excavator quit running and won’t start. Let’s get into more detail to find out!. Keeping your excavator clean can. A poor connection can lead to. The engine will turn over but will not start.. Bobcat Excavator Will Not Start.
     
    
         
        From www.autorepairmanuals.ws 
                    Bobcat Compact Excavator E57w Operation and Maintenance Manual 7280535 Bobcat Excavator Will Not Start  Bobcat mini excavator quit running and won’t start. This may occur due to a lack of. Start by checking for loose or corroded connections on the battery, the starter motor, and the ground cable. Found blown fuse and determined in owners manual. When the cylinder fails, the excavator will likely not work. Keeping your excavator clean can. I have checked. Bobcat Excavator Will Not Start.
     
    
         
        From www.agrimanuals.com 
                    Bobcat Compact Excavator 435 Service Manual Bobcat Excavator Will Not Start  After 4 days of not running the machine due to inclement weather i attempted to start up the machine and when the motor turned. This may occur due to a lack of. Several possible causes for a bobcat that turns over but won’t start, including low rail pressure code. A poor connection can lead to. There could be a problem. Bobcat Excavator Will Not Start.
     
    
         
        From autoepcservice.com 
                    Bobcat Compact Excavator E19 Service Manual 7255013 2020 Bobcat Excavator Will Not Start  Several possible causes for a bobcat that turns over but won’t start, including low rail pressure code. I have a 2015 bobcat e42 excavator. Start by checking for loose or corroded connections on the battery, the starter motor, and the ground cable. When the cylinder fails, the excavator will likely not work. Replace the damaged cylinder to restore its function.. Bobcat Excavator Will Not Start.
     
    
         
        From therepairmanual.com 
                    Bobcat X337 and X341 Excavator Service Manual Bobcat Excavator Will Not Start  Several possible causes for a bobcat that turns over but won’t start, including low rail pressure code. When the cylinder fails, the excavator will likely not work. A poor connection can lead to. I have checked battery connections, changed fuel. Let’s get into more detail to find out!. But how do you determine what’s wrong? After 4 days of not. Bobcat Excavator Will Not Start.
     
    
         
        From www.autorepairmanuals.ws 
                    Bobcat Excavator 320322 Hydraulic & Electrical Schematic Auto Repair Bobcat Excavator Will Not Start  Let’s get into more detail to find out!. Bobcat mini excavator quit running and won’t start. The engine will turn over but will not start. After 4 days of not running the machine due to inclement weather i attempted to start up the machine and when the motor turned. I have checked battery connections, changed fuel. Start by checking for. Bobcat Excavator Will Not Start.
     
    
         
        From www.heydownloads.com 
                    Bobcat E08 Compact Excavator Operation & Maintenance Manual 7349187 (12 Bobcat Excavator Will Not Start  Let’s get into more detail to find out!. Start by checking for loose or corroded connections on the battery, the starter motor, and the ground cable. Replace the damaged cylinder to restore its function. Bobcat mini excavator quit running and won’t start. Several possible causes for a bobcat that turns over but won’t start, including low rail pressure code. There. Bobcat Excavator Will Not Start.
     
    
         
        From www.autorepairmanuals.ws 
                    Bobcat Excavator X331 X331E X334 Operation & Maintenance Manual 6900557 Bobcat Excavator Will Not Start  But how do you determine what’s wrong? Let’s get into more detail to find out!. Several possible causes for a bobcat that turns over but won’t start, including low rail pressure code. The engine will turn over but will not start. Found blown fuse and determined in owners manual. I have checked battery connections, changed fuel. After 4 days of. Bobcat Excavator Will Not Start.
     
    
         
        From www.youtube.com 
                    Bobcat E50 Excavator will not start YouTube Bobcat Excavator Will Not Start  The engine will turn over but will not start. I have checked battery connections, changed fuel. But how do you determine what’s wrong? After 4 days of not running the machine due to inclement weather i attempted to start up the machine and when the motor turned. This may occur due to a lack of. Bobcat mini excavator quit running. Bobcat Excavator Will Not Start.
     
    
         
        From www.digiagrimanuals.com 
                    Bobcat Compact Excavator E14 Service Repair Manual Bobcat Excavator Will Not Start  I have a 2015 bobcat e42 excavator. Several possible causes for a bobcat that turns over but won’t start, including low rail pressure code. Bobcat mini excavator quit running and won’t start. I have checked battery connections, changed fuel. This may occur due to a lack of. When the cylinder fails, the excavator will likely not work. But how do. Bobcat Excavator Will Not Start.
     
    
         
        From shinwasangyo.co.jp 
                    Heavy Equipment Manuals & Books Heavy Equipment, Parts & Attachments Bobcat Excavator Will Not Start  Several possible causes for a bobcat that turns over but won’t start, including low rail pressure code. Found blown fuse and determined in owners manual. The engine will turn over but will not start. But how do you determine what’s wrong? Let’s get into more detail to find out!. A poor connection can lead to. Bobcat mini excavator quit running. Bobcat Excavator Will Not Start.
     
    
         
        From autoepcservice.com 
                    Bobcat Excavator S590 Operation & Maintenance Manual ES Bobcat Excavator Will Not Start  A poor connection can lead to. Replace the damaged cylinder to restore its function. Let’s get into more detail to find out!. Found blown fuse and determined in owners manual. I have a 2015 bobcat e42 excavator. Several possible causes for a bobcat that turns over but won’t start, including low rail pressure code. Keeping your excavator clean can. Start. Bobcat Excavator Will Not Start.
     
    
         
        From www.autorepairmanuals.ws 
                    Bobcat Compact Excavator E42 Operation and Maintenance Manual 7336765 Bobcat Excavator Will Not Start  Found blown fuse and determined in owners manual. When the cylinder fails, the excavator will likely not work. A poor connection can lead to. I have checked battery connections, changed fuel. There could be a problem with the spark plug (condensation, battery, or a simple clog). Let’s get into more detail to find out!. But how do you determine what’s. Bobcat Excavator Will Not Start.
     
    
         
        From www.autorepairmanuals.ws 
                    Bobcat Compact Excavator E62 Operation and Maintenance Manual 6990793 Bobcat Excavator Will Not Start  After 4 days of not running the machine due to inclement weather i attempted to start up the machine and when the motor turned. There could be a problem with the spark plug (condensation, battery, or a simple clog). When the cylinder fails, the excavator will likely not work. Keeping your excavator clean can. But how do you determine what’s. Bobcat Excavator Will Not Start.
     
    
         
        From autoepcservice.com 
                    Bobcat Excavator E08 Electrical and Hydraulic Schematic Bobcat Excavator Will Not Start  I have a 2015 bobcat e42 excavator. The engine will turn over but will not start. Replace the damaged cylinder to restore its function. A poor connection can lead to. After 4 days of not running the machine due to inclement weather i attempted to start up the machine and when the motor turned. Several possible causes for a bobcat. Bobcat Excavator Will Not Start.
     
    
         
        From autoepcservice.com 
                    Bobcat Excavator 341 Electrical and Hydraulic Schematic Bobcat Excavator Will Not Start  Bobcat mini excavator quit running and won’t start. There could be a problem with the spark plug (condensation, battery, or a simple clog). But how do you determine what’s wrong? The engine will turn over but will not start. Start by checking for loose or corroded connections on the battery, the starter motor, and the ground cable. Found blown fuse. Bobcat Excavator Will Not Start.
     
    
         
        From www.youtube.com 
                    Inspect Your Bobcat Compact Excavator YouTube Bobcat Excavator Will Not Start  A poor connection can lead to. But how do you determine what’s wrong? Several possible causes for a bobcat that turns over but won’t start, including low rail pressure code. Found blown fuse and determined in owners manual. After 4 days of not running the machine due to inclement weather i attempted to start up the machine and when the. Bobcat Excavator Will Not Start.
     
    
         
        From www.autorepairmanuals.ws 
                    Bobcat Compact Excavator E17 Operation and Maintenance Manual Auto Bobcat Excavator Will Not Start  Keeping your excavator clean can. After 4 days of not running the machine due to inclement weather i attempted to start up the machine and when the motor turned. Found blown fuse and determined in owners manual. Let’s get into more detail to find out!. Several possible causes for a bobcat that turns over but won’t start, including low rail. Bobcat Excavator Will Not Start.
     
    
         
        From www.youtube.com 
                    Bobcat excavator 435 , error codes 0314, 0921, 2800 YouTube Bobcat Excavator Will Not Start  When the cylinder fails, the excavator will likely not work. Several possible causes for a bobcat that turns over but won’t start, including low rail pressure code. Start by checking for loose or corroded connections on the battery, the starter motor, and the ground cable. The engine will turn over but will not start. Bobcat mini excavator quit running and. Bobcat Excavator Will Not Start.
     
    
         
        From www.autorepairmanuals.ws 
                    Bobcat Compact Excavator E37 Service Manual 7362438 2021 Auto Repair Bobcat Excavator Will Not Start  The engine will turn over but will not start. Found blown fuse and determined in owners manual. Start by checking for loose or corroded connections on the battery, the starter motor, and the ground cable. Keeping your excavator clean can. There could be a problem with the spark plug (condensation, battery, or a simple clog). After 4 days of not. Bobcat Excavator Will Not Start.
     
    
         
        From autoepcservice.com 
                    Bobcat Excavator S750 Operation & Maintenance Manual ES Bobcat Excavator Will Not Start  Replace the damaged cylinder to restore its function. Start by checking for loose or corroded connections on the battery, the starter motor, and the ground cable. Let’s get into more detail to find out!. Found blown fuse and determined in owners manual. After 4 days of not running the machine due to inclement weather i attempted to start up the. Bobcat Excavator Will Not Start.
     
    
         
        From www.autorepairmanuals.ws 
                    Bobcat Excavator 320 320L 322 Electrical and Hydraulic Schematic Auto Bobcat Excavator Will Not Start  Found blown fuse and determined in owners manual. Bobcat mini excavator quit running and won’t start. When the cylinder fails, the excavator will likely not work. Several possible causes for a bobcat that turns over but won’t start, including low rail pressure code. There could be a problem with the spark plug (condensation, battery, or a simple clog). Keeping your. Bobcat Excavator Will Not Start.