Comparator Javatpoint . A generic comparator is a java interface type that enables the user to compare two objects of the same type. A comparator object is capable of comparing two. The comparable interface is used to define the. It is implemented in java.util. A comparator object is capable of comparing two. Java 8 introduced several enhancements to the comparator interface, including a handful of static functions that are. 1) comparable provides a single sorting sequence. In java, the comparable and comparator interfaces are used to sort collections of objects based on certain criteria. In other words, we can sort the collection on the basis of a single element such as id, name, and.
from www.mdpi.com
In other words, we can sort the collection on the basis of a single element such as id, name, and. Java 8 introduced several enhancements to the comparator interface, including a handful of static functions that are. The comparable interface is used to define the. A generic comparator is a java interface type that enables the user to compare two objects of the same type. A comparator object is capable of comparing two. In java, the comparable and comparator interfaces are used to sort collections of objects based on certain criteria. 1) comparable provides a single sorting sequence. It is implemented in java.util. A comparator object is capable of comparing two.
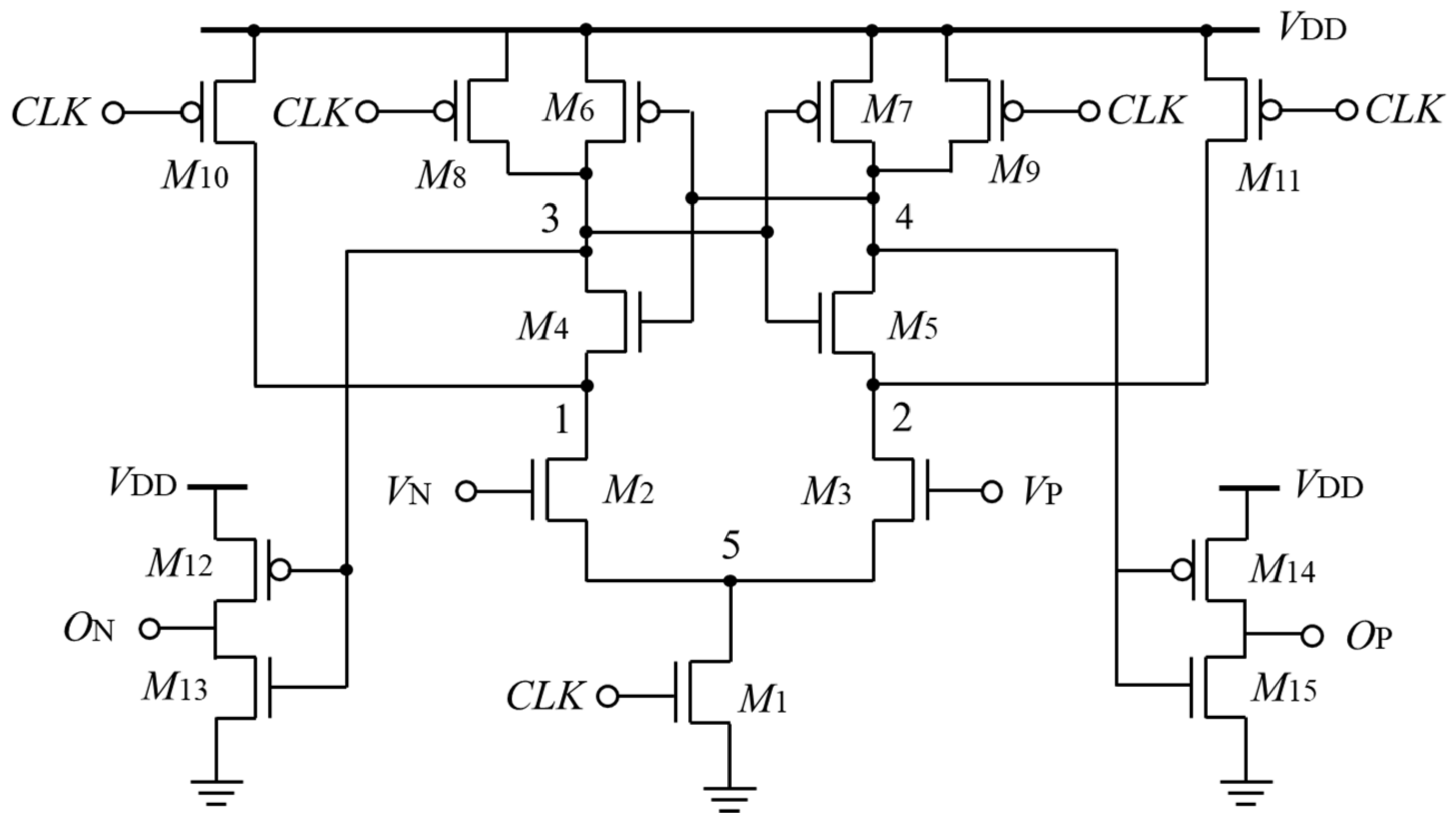
Electronics Free FullText A BIST Scheme for Dynamic Comparators
Comparator Javatpoint In java, the comparable and comparator interfaces are used to sort collections of objects based on certain criteria. The comparable interface is used to define the. A generic comparator is a java interface type that enables the user to compare two objects of the same type. In other words, we can sort the collection on the basis of a single element such as id, name, and. Java 8 introduced several enhancements to the comparator interface, including a handful of static functions that are. A comparator object is capable of comparing two. 1) comparable provides a single sorting sequence. A comparator object is capable of comparing two. In java, the comparable and comparator interfaces are used to sort collections of objects based on certain criteria. It is implemented in java.util.
From www.circuitbread.com
How an Opamp Comparator Works CircuitBread Comparator Javatpoint 1) comparable provides a single sorting sequence. In java, the comparable and comparator interfaces are used to sort collections of objects based on certain criteria. A comparator object is capable of comparing two. The comparable interface is used to define the. In other words, we can sort the collection on the basis of a single element such as id, name,. Comparator Javatpoint.
From codezup.com
Comparable and Comparator in Java with Examples Codez Up Comparator Javatpoint A comparator object is capable of comparing two. In other words, we can sort the collection on the basis of a single element such as id, name, and. In java, the comparable and comparator interfaces are used to sort collections of objects based on certain criteria. 1) comparable provides a single sorting sequence. Java 8 introduced several enhancements to the. Comparator Javatpoint.
From www.youtube.com
1 Bit Comparator Magnitude Comparator Digital Logic Design DLD Comparator Javatpoint A generic comparator is a java interface type that enables the user to compare two objects of the same type. A comparator object is capable of comparing two. Java 8 introduced several enhancements to the comparator interface, including a handful of static functions that are. It is implemented in java.util. The comparable interface is used to define the. In other. Comparator Javatpoint.
From www.mdpi.com
Sensors Free FullText Design of a LowPower and LowArea 8Bit Comparator Javatpoint In java, the comparable and comparator interfaces are used to sort collections of objects based on certain criteria. 1) comparable provides a single sorting sequence. Java 8 introduced several enhancements to the comparator interface, including a handful of static functions that are. In other words, we can sort the collection on the basis of a single element such as id,. Comparator Javatpoint.
From www.electronics-lab.com
Comparator circuit Comparator Javatpoint In java, the comparable and comparator interfaces are used to sort collections of objects based on certain criteria. It is implemented in java.util. A generic comparator is a java interface type that enables the user to compare two objects of the same type. In other words, we can sort the collection on the basis of a single element such as. Comparator Javatpoint.
From www.webucator.com
How to Use Comparable and Comparator in Java ucator Comparator Javatpoint In java, the comparable and comparator interfaces are used to sort collections of objects based on certain criteria. 1) comparable provides a single sorting sequence. In other words, we can sort the collection on the basis of a single element such as id, name, and. It is implemented in java.util. A generic comparator is a java interface type that enables. Comparator Javatpoint.
From www.electronics-lab.com
Digital Comparator Comparator Javatpoint A comparator object is capable of comparing two. 1) comparable provides a single sorting sequence. It is implemented in java.util. In other words, we can sort the collection on the basis of a single element such as id, name, and. The comparable interface is used to define the. Java 8 introduced several enhancements to the comparator interface, including a handful. Comparator Javatpoint.
From stackoverflow.com
Error in java comparator class while sorting the array? Stack Overflow Comparator Javatpoint A generic comparator is a java interface type that enables the user to compare two objects of the same type. 1) comparable provides a single sorting sequence. A comparator object is capable of comparing two. A comparator object is capable of comparing two. It is implemented in java.util. The comparable interface is used to define the. In java, the comparable. Comparator Javatpoint.
From www.mdpi.com
Sensors Free FullText Design of a LowPower and LowArea 8Bit Comparator Javatpoint In java, the comparable and comparator interfaces are used to sort collections of objects based on certain criteria. In other words, we can sort the collection on the basis of a single element such as id, name, and. A generic comparator is a java interface type that enables the user to compare two objects of the same type. A comparator. Comparator Javatpoint.
From www.educba.com
Java 8 Comparator Examples on How to Use Java 8 Comparator Comparator Javatpoint In java, the comparable and comparator interfaces are used to sort collections of objects based on certain criteria. It is implemented in java.util. Java 8 introduced several enhancements to the comparator interface, including a handful of static functions that are. In other words, we can sort the collection on the basis of a single element such as id, name, and.. Comparator Javatpoint.
From www.sitejabber.com
Javatpoint Reviews 30 Reviews of Sitejabber Comparator Javatpoint In java, the comparable and comparator interfaces are used to sort collections of objects based on certain criteria. The comparable interface is used to define the. 1) comparable provides a single sorting sequence. In other words, we can sort the collection on the basis of a single element such as id, name, and. A comparator object is capable of comparing. Comparator Javatpoint.
From www.researchgate.net
The complete proposed comparator circuit with improved speed and power Comparator Javatpoint 1) comparable provides a single sorting sequence. A comparator object is capable of comparing two. A comparator object is capable of comparing two. It is implemented in java.util. Java 8 introduced several enhancements to the comparator interface, including a handful of static functions that are. In other words, we can sort the collection on the basis of a single element. Comparator Javatpoint.
From electronoobs.com
ATmega328p Arduno internal comparator tutorial Comparator Javatpoint The comparable interface is used to define the. It is implemented in java.util. Java 8 introduced several enhancements to the comparator interface, including a handful of static functions that are. A comparator object is capable of comparing two. 1) comparable provides a single sorting sequence. A comparator object is capable of comparing two. In java, the comparable and comparator interfaces. Comparator Javatpoint.
From blog.csdn.net
Comparator Javatpoint It is implemented in java.util. In java, the comparable and comparator interfaces are used to sort collections of objects based on certain criteria. The comparable interface is used to define the. In other words, we can sort the collection on the basis of a single element such as id, name, and. A comparator object is capable of comparing two. Java. Comparator Javatpoint.
From velog.io
[Java] Comparable & Comparator Comparator Javatpoint In java, the comparable and comparator interfaces are used to sort collections of objects based on certain criteria. A comparator object is capable of comparing two. It is implemented in java.util. The comparable interface is used to define the. 1) comparable provides a single sorting sequence. A generic comparator is a java interface type that enables the user to compare. Comparator Javatpoint.
From www.studocu.com
Comparable and Comparator in Java Comparable provides the compareTo Comparator Javatpoint In other words, we can sort the collection on the basis of a single element such as id, name, and. It is implemented in java.util. A comparator object is capable of comparing two. Java 8 introduced several enhancements to the comparator interface, including a handful of static functions that are. A generic comparator is a java interface type that enables. Comparator Javatpoint.
From luckygirljinny.tistory.com
Java Comparator와 Comparable Comparator Javatpoint It is implemented in java.util. A comparator object is capable of comparing two. A comparator object is capable of comparing two. 1) comparable provides a single sorting sequence. In other words, we can sort the collection on the basis of a single element such as id, name, and. The comparable interface is used to define the. Java 8 introduced several. Comparator Javatpoint.
From www.researchgate.net
Schematic of the dynamic comparator. Download Scientific Diagram Comparator Javatpoint A generic comparator is a java interface type that enables the user to compare two objects of the same type. In java, the comparable and comparator interfaces are used to sort collections of objects based on certain criteria. The comparable interface is used to define the. 1) comparable provides a single sorting sequence. A comparator object is capable of comparing. Comparator Javatpoint.
From www.btechsmartclass.com
Java Tutorials Comparators in java Comparator Javatpoint In java, the comparable and comparator interfaces are used to sort collections of objects based on certain criteria. The comparable interface is used to define the. Java 8 introduced several enhancements to the comparator interface, including a handful of static functions that are. A generic comparator is a java interface type that enables the user to compare two objects of. Comparator Javatpoint.
From www.ruoxue.org
Difference Between Comparable and Comparator in Java Java 147 Ruoxue 極客 Comparator Javatpoint In java, the comparable and comparator interfaces are used to sort collections of objects based on certain criteria. A comparator object is capable of comparing two. A generic comparator is a java interface type that enables the user to compare two objects of the same type. It is implemented in java.util. Java 8 introduced several enhancements to the comparator interface,. Comparator Javatpoint.
From www.mdpi.com
Electronics Free FullText A BIST Scheme for Dynamic Comparators Comparator Javatpoint A comparator object is capable of comparing two. In java, the comparable and comparator interfaces are used to sort collections of objects based on certain criteria. Java 8 introduced several enhancements to the comparator interface, including a handful of static functions that are. The comparable interface is used to define the. It is implemented in java.util. A comparator object is. Comparator Javatpoint.
From adiy.in
LM393 Comparator Module ADIY Comparator Javatpoint A comparator object is capable of comparing two. Java 8 introduced several enhancements to the comparator interface, including a handful of static functions that are. 1) comparable provides a single sorting sequence. The comparable interface is used to define the. A generic comparator is a java interface type that enables the user to compare two objects of the same type.. Comparator Javatpoint.
From automationreinvented.blogspot.com
Automaters Full Stack QA_SDET Comparable vs Comparator in Java with Comparator Javatpoint A comparator object is capable of comparing two. A generic comparator is a java interface type that enables the user to compare two objects of the same type. 1) comparable provides a single sorting sequence. In other words, we can sort the collection on the basis of a single element such as id, name, and. It is implemented in java.util.. Comparator Javatpoint.
From www.youtube.com
Comparator Interface in Java Tutorial for Beginners Learn Comparator Javatpoint A comparator object is capable of comparing two. It is implemented in java.util. The comparable interface is used to define the. 1) comparable provides a single sorting sequence. In java, the comparable and comparator interfaces are used to sort collections of objects based on certain criteria. A generic comparator is a java interface type that enables the user to compare. Comparator Javatpoint.
From www.mdpi.com
Sensors Free FullText Design of a LowPower and LowArea 8Bit Comparator Javatpoint Java 8 introduced several enhancements to the comparator interface, including a handful of static functions that are. It is implemented in java.util. In java, the comparable and comparator interfaces are used to sort collections of objects based on certain criteria. A generic comparator is a java interface type that enables the user to compare two objects of the same type.. Comparator Javatpoint.
From 9to5answer.com
[Solved] Java, how to use compareTo to sort an Arraylist 9to5Answer Comparator Javatpoint It is implemented in java.util. 1) comparable provides a single sorting sequence. Java 8 introduced several enhancements to the comparator interface, including a handful of static functions that are. A comparator object is capable of comparing two. A comparator object is capable of comparing two. A generic comparator is a java interface type that enables the user to compare two. Comparator Javatpoint.
From www.electroniclinic.com
Basic comparator operations with circuit diagram examples Comparator Javatpoint The comparable interface is used to define the. In java, the comparable and comparator interfaces are used to sort collections of objects based on certain criteria. A generic comparator is a java interface type that enables the user to compare two objects of the same type. It is implemented in java.util. A comparator object is capable of comparing two. A. Comparator Javatpoint.
From pediaa.com
What is the Difference Between Comparable and Comparator in Java Comparator Javatpoint The comparable interface is used to define the. A comparator object is capable of comparing two. Java 8 introduced several enhancements to the comparator interface, including a handful of static functions that are. In other words, we can sort the collection on the basis of a single element such as id, name, and. 1) comparable provides a single sorting sequence.. Comparator Javatpoint.
From www.electronics-lab.com
Digital Comparator Comparator Javatpoint A generic comparator is a java interface type that enables the user to compare two objects of the same type. The comparable interface is used to define the. It is implemented in java.util. In other words, we can sort the collection on the basis of a single element such as id, name, and. In java, the comparable and comparator interfaces. Comparator Javatpoint.
From www.youtube.com
5 bit Comparator using 7485 YouTube Comparator Javatpoint The comparable interface is used to define the. Java 8 introduced several enhancements to the comparator interface, including a handful of static functions that are. It is implemented in java.util. In other words, we can sort the collection on the basis of a single element such as id, name, and. A generic comparator is a java interface type that enables. Comparator Javatpoint.
From www.iqsdirectory.com
Optical Comparators What Are They? Types & Considerations Comparator Javatpoint In other words, we can sort the collection on the basis of a single element such as id, name, and. Java 8 introduced several enhancements to the comparator interface, including a handful of static functions that are. A comparator object is capable of comparing two. A comparator object is capable of comparing two. A generic comparator is a java interface. Comparator Javatpoint.
From www.callicoder.com
Java Comparable and Comparator interface examples CalliCoder Comparator Javatpoint In other words, we can sort the collection on the basis of a single element such as id, name, and. A comparator object is capable of comparing two. The comparable interface is used to define the. 1) comparable provides a single sorting sequence. Java 8 introduced several enhancements to the comparator interface, including a handful of static functions that are.. Comparator Javatpoint.
From thecodinginterface.com
The Java Sorting Conundrum Comparable vs Comparator Interfaces The Comparator Javatpoint In other words, we can sort the collection on the basis of a single element such as id, name, and. A generic comparator is a java interface type that enables the user to compare two objects of the same type. The comparable interface is used to define the. A comparator object is capable of comparing two. Java 8 introduced several. Comparator Javatpoint.
From wealthcycles.com
Java list sort comparator Sorting Arrays Examples (with Comparable Comparator Javatpoint Java 8 introduced several enhancements to the comparator interface, including a handful of static functions that are. A comparator object is capable of comparing two. In java, the comparable and comparator interfaces are used to sort collections of objects based on certain criteria. A comparator object is capable of comparing two. 1) comparable provides a single sorting sequence. A generic. Comparator Javatpoint.
From www.linkedin.com
on LinkedIn java javaprogramming Comparator Javatpoint A generic comparator is a java interface type that enables the user to compare two objects of the same type. 1) comparable provides a single sorting sequence. Java 8 introduced several enhancements to the comparator interface, including a handful of static functions that are. It is implemented in java.util. A comparator object is capable of comparing two. The comparable interface. Comparator Javatpoint.