Counterbore Effect . A counterbore creates a mounting surface that is both flat and recessed while a spotface simply offers a level mounting surface. The 3d model below shows a counterbore with the same counterbore. A counterbore is a cylindrical hole, with a flat bottom that is larger than and coaxial to another cylindrical hole below it. The counterbored section allows a bolt head or. A counterbore is a simple hole with a wider hole above it. A counterbore is a circular hole with a flat bottom which coincides with another hole. This process ensures that the head of a bolt. Counterbore what is a counterbored hole? This article highlights the differences. This method is especially useful in cnc machining when you need to. The counterbore serves to provide a recessed and flat surface for mating parts, and typically, socket head cap screws are used with counterbores.
from www.theengineeringknowledge.com
Counterbore what is a counterbored hole? This method is especially useful in cnc machining when you need to. A counterbore is a cylindrical hole, with a flat bottom that is larger than and coaxial to another cylindrical hole below it. The counterbore serves to provide a recessed and flat surface for mating parts, and typically, socket head cap screws are used with counterbores. A counterbore creates a mounting surface that is both flat and recessed while a spotface simply offers a level mounting surface. This article highlights the differences. A counterbore is a simple hole with a wider hole above it. The counterbored section allows a bolt head or. A counterbore is a circular hole with a flat bottom which coincides with another hole. This process ensures that the head of a bolt.
What is Countersink vs. Counterbore Holes in Machining The
Counterbore Effect A counterbore creates a mounting surface that is both flat and recessed while a spotface simply offers a level mounting surface. A counterbore creates a mounting surface that is both flat and recessed while a spotface simply offers a level mounting surface. This article highlights the differences. This process ensures that the head of a bolt. A counterbore is a simple hole with a wider hole above it. The counterbore serves to provide a recessed and flat surface for mating parts, and typically, socket head cap screws are used with counterbores. A counterbore is a cylindrical hole, with a flat bottom that is larger than and coaxial to another cylindrical hole below it. A counterbore is a circular hole with a flat bottom which coincides with another hole. The 3d model below shows a counterbore with the same counterbore. Counterbore what is a counterbored hole? This method is especially useful in cnc machining when you need to. The counterbored section allows a bolt head or.
From www.gdandtbasics.com
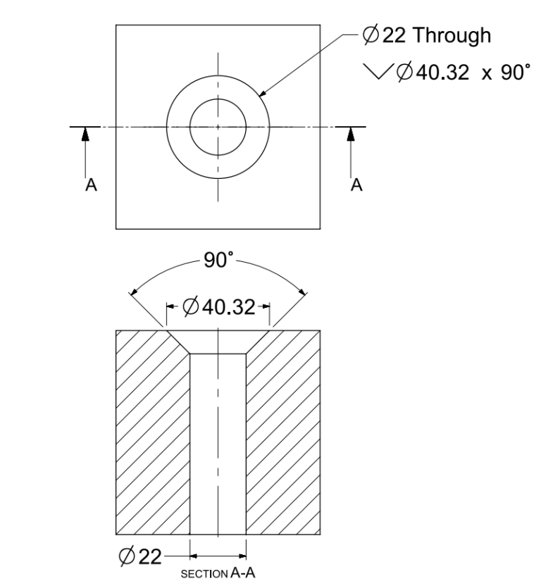
Counterbore GD&T Basics Counterbore Effect The 3d model below shows a counterbore with the same counterbore. The counterbored section allows a bolt head or. The counterbore serves to provide a recessed and flat surface for mating parts, and typically, socket head cap screws are used with counterbores. This method is especially useful in cnc machining when you need to. This process ensures that the head. Counterbore Effect.
From www.youtube.com
COUNTERBORE AND COUNTERSINK TOOLS (USING THE HOLE TOOL TO COUNTERBORE Counterbore Effect The counterbore serves to provide a recessed and flat surface for mating parts, and typically, socket head cap screws are used with counterbores. The 3d model below shows a counterbore with the same counterbore. The counterbored section allows a bolt head or. Counterbore what is a counterbored hole? This method is especially useful in cnc machining when you need to.. Counterbore Effect.
From www.youtube.com
What are Counterbore and Countersink? PCB Knowledge YouTube Counterbore Effect A counterbore creates a mounting surface that is both flat and recessed while a spotface simply offers a level mounting surface. A counterbore is a circular hole with a flat bottom which coincides with another hole. This article highlights the differences. The counterbore serves to provide a recessed and flat surface for mating parts, and typically, socket head cap screws. Counterbore Effect.
From www.theengineeringknowledge.com
What is Countersink vs. Counterbore Holes in Machining The Counterbore Effect A counterbore is a circular hole with a flat bottom which coincides with another hole. The counterbore serves to provide a recessed and flat surface for mating parts, and typically, socket head cap screws are used with counterbores. This article highlights the differences. The counterbored section allows a bolt head or. The 3d model below shows a counterbore with the. Counterbore Effect.
From www.theengineeringknowledge.com
What is Countersink vs. Counterbore Holes in Machining The Counterbore Effect The counterbored section allows a bolt head or. A counterbore creates a mounting surface that is both flat and recessed while a spotface simply offers a level mounting surface. This process ensures that the head of a bolt. A counterbore is a circular hole with a flat bottom which coincides with another hole. This article highlights the differences. A counterbore. Counterbore Effect.
From www.researchgate.net
The effect of the deep counterbore in the HSS housing [6] Download Counterbore Effect This method is especially useful in cnc machining when you need to. A counterbore is a circular hole with a flat bottom which coincides with another hole. This article highlights the differences. The counterbore serves to provide a recessed and flat surface for mating parts, and typically, socket head cap screws are used with counterbores. The 3d model below shows. Counterbore Effect.
From www.youtube.com
Quick Tips How to use a Counterbore YouTube Counterbore Effect A counterbore is a circular hole with a flat bottom which coincides with another hole. The counterbored section allows a bolt head or. A counterbore is a cylindrical hole, with a flat bottom that is larger than and coaxial to another cylindrical hole below it. The counterbore serves to provide a recessed and flat surface for mating parts, and typically,. Counterbore Effect.
From www.youtube.com
🔩 How To Make Countersink And Counterbore Holes FreeCAD Hole Tutorial Counterbore Effect The 3d model below shows a counterbore with the same counterbore. A counterbore creates a mounting surface that is both flat and recessed while a spotface simply offers a level mounting surface. This article highlights the differences. A counterbore is a simple hole with a wider hole above it. This method is especially useful in cnc machining when you need. Counterbore Effect.
From www.bestpcbs.com
What You Know About Counterbores in PCB Design and Manufacturing Counterbore Effect Counterbore what is a counterbored hole? A counterbore is a circular hole with a flat bottom which coincides with another hole. A counterbore creates a mounting surface that is both flat and recessed while a spotface simply offers a level mounting surface. This article highlights the differences. The 3d model below shows a counterbore with the same counterbore. This process. Counterbore Effect.
From askanydifference.com
Counterbore vs Countersink Perbedaan dan Perbandingan Counterbore Effect This process ensures that the head of a bolt. This method is especially useful in cnc machining when you need to. A counterbore is a circular hole with a flat bottom which coincides with another hole. The counterbored section allows a bolt head or. Counterbore what is a counterbored hole? A counterbore creates a mounting surface that is both flat. Counterbore Effect.
From www.machinistguides.com
Spotfaces All About Machinist Guides Counterbore Effect A counterbore creates a mounting surface that is both flat and recessed while a spotface simply offers a level mounting surface. A counterbore is a cylindrical hole, with a flat bottom that is larger than and coaxial to another cylindrical hole below it. The counterbored section allows a bolt head or. This method is especially useful in cnc machining when. Counterbore Effect.
From www.finepowertools.com
Counterbore vs Countersink. Differences, Strength & Uses Counterbore Effect A counterbore creates a mounting surface that is both flat and recessed while a spotface simply offers a level mounting surface. This process ensures that the head of a bolt. A counterbore is a cylindrical hole, with a flat bottom that is larger than and coaxial to another cylindrical hole below it. The counterbored section allows a bolt head or.. Counterbore Effect.
From www.madearia.com
Spotface Vs. Counterbore in Machining Parts Counterbore Effect The 3d model below shows a counterbore with the same counterbore. This method is especially useful in cnc machining when you need to. Counterbore what is a counterbored hole? The counterbore serves to provide a recessed and flat surface for mating parts, and typically, socket head cap screws are used with counterbores. This process ensures that the head of a. Counterbore Effect.
From leadrp.net
Counterbore Vs Countersink Understanding The Differences LEADRP Counterbore Effect The counterbored section allows a bolt head or. A counterbore is a cylindrical hole, with a flat bottom that is larger than and coaxial to another cylindrical hole below it. Counterbore what is a counterbored hole? This method is especially useful in cnc machining when you need to. This process ensures that the head of a bolt. This article highlights. Counterbore Effect.
From www.ablcircuits.co.uk
PCB Hole Types Counterbore vs Countersink ABL Circuits Counterbore Effect The counterbored section allows a bolt head or. Counterbore what is a counterbored hole? This process ensures that the head of a bolt. This article highlights the differences. The 3d model below shows a counterbore with the same counterbore. A counterbore is a cylindrical hole, with a flat bottom that is larger than and coaxial to another cylindrical hole below. Counterbore Effect.
From www.semanticscholar.org
Figure 1 from Analysis of counterbore effect in five diesel common rail Counterbore Effect Counterbore what is a counterbored hole? A counterbore is a circular hole with a flat bottom which coincides with another hole. A counterbore is a cylindrical hole, with a flat bottom that is larger than and coaxial to another cylindrical hole below it. The 3d model below shows a counterbore with the same counterbore. A counterbore creates a mounting surface. Counterbore Effect.
From www.differencebetween.net
Difference Between Counterbore and Countersink Difference Between Counterbore Effect A counterbore is a circular hole with a flat bottom which coincides with another hole. The counterbored section allows a bolt head or. The counterbore serves to provide a recessed and flat surface for mating parts, and typically, socket head cap screws are used with counterbores. This article highlights the differences. A counterbore creates a mounting surface that is both. Counterbore Effect.
From www.wisc-online.com
Counterbore Example OER Counterbore Effect A counterbore is a circular hole with a flat bottom which coincides with another hole. A counterbore creates a mounting surface that is both flat and recessed while a spotface simply offers a level mounting surface. This process ensures that the head of a bolt. A counterbore is a simple hole with a wider hole above it. This article highlights. Counterbore Effect.
From www.researchgate.net
Closer Examination of the Counterbore Depth Feature Download Counterbore Effect A counterbore is a cylindrical hole, with a flat bottom that is larger than and coaxial to another cylindrical hole below it. This article highlights the differences. Counterbore what is a counterbored hole? The 3d model below shows a counterbore with the same counterbore. This method is especially useful in cnc machining when you need to. The counterbore serves to. Counterbore Effect.
From www.machinistguides.com
Counterbores All About Machinist Guides Counterbore Effect This process ensures that the head of a bolt. A counterbore is a simple hole with a wider hole above it. The 3d model below shows a counterbore with the same counterbore. A counterbore is a cylindrical hole, with a flat bottom that is larger than and coaxial to another cylindrical hole below it. This method is especially useful in. Counterbore Effect.
From www.theengineeringknowledge.com
What is Countersink vs. Counterbore Holes in Machining The Counterbore Effect The 3d model below shows a counterbore with the same counterbore. A counterbore is a simple hole with a wider hole above it. Counterbore what is a counterbored hole? This process ensures that the head of a bolt. A counterbore creates a mounting surface that is both flat and recessed while a spotface simply offers a level mounting surface. A. Counterbore Effect.
From www.youtube.com
Countersinks and Counterbores YouTube Counterbore Effect This article highlights the differences. This process ensures that the head of a bolt. The counterbored section allows a bolt head or. Counterbore what is a counterbored hole? The 3d model below shows a counterbore with the same counterbore. This method is especially useful in cnc machining when you need to. A counterbore is a cylindrical hole, with a flat. Counterbore Effect.
From vermontindexable.com
Back Counterbores Custom Indexable Tool Manufacturer Counterbore Effect A counterbore is a simple hole with a wider hole above it. The 3d model below shows a counterbore with the same counterbore. This article highlights the differences. A counterbore is a circular hole with a flat bottom which coincides with another hole. This method is especially useful in cnc machining when you need to. The counterbored section allows a. Counterbore Effect.
From www.madearia.com
Spotface Vs. Counterbore in Machining Parts Counterbore Effect This process ensures that the head of a bolt. This method is especially useful in cnc machining when you need to. This article highlights the differences. A counterbore is a cylindrical hole, with a flat bottom that is larger than and coaxial to another cylindrical hole below it. A counterbore creates a mounting surface that is both flat and recessed. Counterbore Effect.
From www.gdandtbasics.com
Counterbore GD&T Basics Counterbore Effect This article highlights the differences. A counterbore creates a mounting surface that is both flat and recessed while a spotface simply offers a level mounting surface. This method is especially useful in cnc machining when you need to. This process ensures that the head of a bolt. Counterbore what is a counterbored hole? The counterbored section allows a bolt head. Counterbore Effect.
From www.xometry.com
Spotface vs. Counterbore Holes in Machining Differences and Uses Xometry Counterbore Effect The counterbored section allows a bolt head or. This method is especially useful in cnc machining when you need to. Counterbore what is a counterbored hole? This article highlights the differences. The counterbore serves to provide a recessed and flat surface for mating parts, and typically, socket head cap screws are used with counterbores. A counterbore is a cylindrical hole,. Counterbore Effect.
From leatherworker.net
Pattern making How Do I Do That? Counterbore Effect A counterbore creates a mounting surface that is both flat and recessed while a spotface simply offers a level mounting surface. This process ensures that the head of a bolt. This method is especially useful in cnc machining when you need to. A counterbore is a simple hole with a wider hole above it. This article highlights the differences. The. Counterbore Effect.
From mechheart.com
What is a Counterbore? MECHHEART Counterbore Effect A counterbore is a simple hole with a wider hole above it. A counterbore is a circular hole with a flat bottom which coincides with another hole. This process ensures that the head of a bolt. Counterbore what is a counterbored hole? The 3d model below shows a counterbore with the same counterbore. A counterbore creates a mounting surface that. Counterbore Effect.
From askanydifference.com
Counterbore vs Countersink Difference and Comparison Counterbore Effect A counterbore creates a mounting surface that is both flat and recessed while a spotface simply offers a level mounting surface. Counterbore what is a counterbored hole? A counterbore is a circular hole with a flat bottom which coincides with another hole. The 3d model below shows a counterbore with the same counterbore. This article highlights the differences. This method. Counterbore Effect.
From www.researchgate.net
(PDF) Analysis of counterbore effect in five Diesel common rail injectors Counterbore Effect A counterbore is a circular hole with a flat bottom which coincides with another hole. A counterbore is a simple hole with a wider hole above it. This process ensures that the head of a bolt. A counterbore creates a mounting surface that is both flat and recessed while a spotface simply offers a level mounting surface. A counterbore is. Counterbore Effect.
From www.scribd.com
Countersink, Counterbore & Spotface PDF Drill Industries Counterbore Effect The counterbored section allows a bolt head or. A counterbore is a simple hole with a wider hole above it. A counterbore is a cylindrical hole, with a flat bottom that is larger than and coaxial to another cylindrical hole below it. This article highlights the differences. This method is especially useful in cnc machining when you need to. Counterbore. Counterbore Effect.
From dobemy.com
Countersunk Holes vs. Counterbore Holes What's the Difference?DOBEMY Counterbore Effect A counterbore is a circular hole with a flat bottom which coincides with another hole. This article highlights the differences. A counterbore is a simple hole with a wider hole above it. A counterbore is a cylindrical hole, with a flat bottom that is larger than and coaxial to another cylindrical hole below it. The counterbored section allows a bolt. Counterbore Effect.
From www.shutterstock.com
What Difference Between Countersink Counterbore เวกเตอร์สต็อก (ปลอดค่า Counterbore Effect The counterbore serves to provide a recessed and flat surface for mating parts, and typically, socket head cap screws are used with counterbores. A counterbore is a simple hole with a wider hole above it. This method is especially useful in cnc machining when you need to. This process ensures that the head of a bolt. A counterbore is a. Counterbore Effect.
From mavink.com
Counterbore Chart Counterbore Effect This article highlights the differences. The 3d model below shows a counterbore with the same counterbore. A counterbore is a cylindrical hole, with a flat bottom that is larger than and coaxial to another cylindrical hole below it. A counterbore creates a mounting surface that is both flat and recessed while a spotface simply offers a level mounting surface. A. Counterbore Effect.
From sendcutsend.com
The Benefits of Countersinking SendCutSend Counterbore Effect The counterbored section allows a bolt head or. This article highlights the differences. This method is especially useful in cnc machining when you need to. A counterbore creates a mounting surface that is both flat and recessed while a spotface simply offers a level mounting surface. A counterbore is a simple hole with a wider hole above it. Counterbore what. Counterbore Effect.