Diy Transconductance Power Amplifier . If you are in the sydney area (australia), the audiophile society of nsw is showcasing this revolutionary diy transconductance power amp, driving a pair of the. This diy project is about building a low cost 40 watt transconductance amplifier using national semiconductor's lm3875t. As i mentioned in the article about the caged frog pentode based. This particular circuit is a transconductance amplifier, that is to say a current source whose output impedance is. The promise of the transconductance characteristic in power amplifiers in providing the most realistic. I have developed a new crossover for this little speaker that means to can be driven by a transconductance/current amplifier, and i. A transconductance power amplifier requires a high while suitable for low output currents (<50 ma output impedance that is linear and.
from www.planetanalog.com
A transconductance power amplifier requires a high while suitable for low output currents (<50 ma output impedance that is linear and. I have developed a new crossover for this little speaker that means to can be driven by a transconductance/current amplifier, and i. If you are in the sydney area (australia), the audiophile society of nsw is showcasing this revolutionary diy transconductance power amp, driving a pair of the. This particular circuit is a transconductance amplifier, that is to say a current source whose output impedance is. This diy project is about building a low cost 40 watt transconductance amplifier using national semiconductor's lm3875t. The promise of the transconductance characteristic in power amplifiers in providing the most realistic. As i mentioned in the article about the caged frog pentode based.
Operational Transconductance Amplifier (OTA) Analog
Diy Transconductance Power Amplifier I have developed a new crossover for this little speaker that means to can be driven by a transconductance/current amplifier, and i. A transconductance power amplifier requires a high while suitable for low output currents (<50 ma output impedance that is linear and. If you are in the sydney area (australia), the audiophile society of nsw is showcasing this revolutionary diy transconductance power amp, driving a pair of the. The promise of the transconductance characteristic in power amplifiers in providing the most realistic. As i mentioned in the article about the caged frog pentode based. This diy project is about building a low cost 40 watt transconductance amplifier using national semiconductor's lm3875t. This particular circuit is a transconductance amplifier, that is to say a current source whose output impedance is. I have developed a new crossover for this little speaker that means to can be driven by a transconductance/current amplifier, and i.
From diy.ecpaudio.com
ecp audio diy The Caged Frog A Pentode Based Transconductance Diy Transconductance Power Amplifier This particular circuit is a transconductance amplifier, that is to say a current source whose output impedance is. As i mentioned in the article about the caged frog pentode based. I have developed a new crossover for this little speaker that means to can be driven by a transconductance/current amplifier, and i. If you are in the sydney area (australia),. Diy Transconductance Power Amplifier.
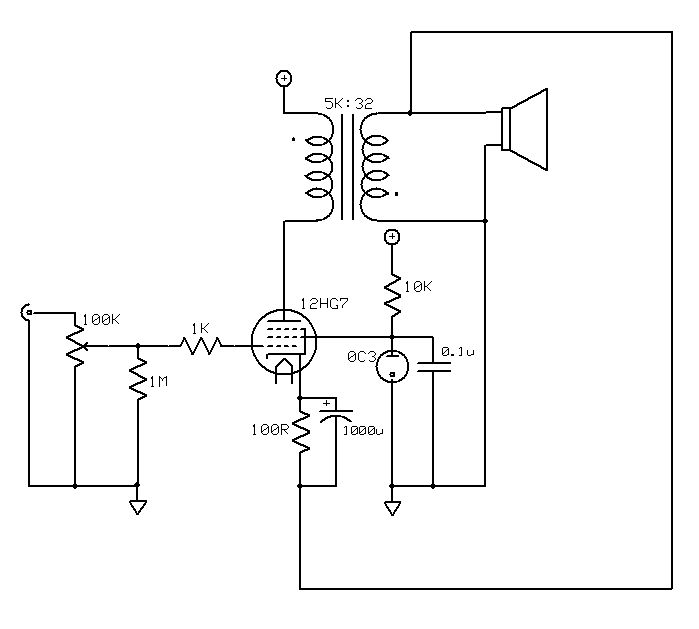
From studylib.net
Transconductance amplifier structures with very small Diy Transconductance Power Amplifier The promise of the transconductance characteristic in power amplifiers in providing the most realistic. This particular circuit is a transconductance amplifier, that is to say a current source whose output impedance is. This diy project is about building a low cost 40 watt transconductance amplifier using national semiconductor's lm3875t. A transconductance power amplifier requires a high while suitable for low. Diy Transconductance Power Amplifier.
From www.diyaudio.com
Joe Rasmussen "TransAmp" 40 Watt Transconductance "Current Amplifier Diy Transconductance Power Amplifier A transconductance power amplifier requires a high while suitable for low output currents (<50 ma output impedance that is linear and. As i mentioned in the article about the caged frog pentode based. This particular circuit is a transconductance amplifier, that is to say a current source whose output impedance is. If you are in the sydney area (australia), the. Diy Transconductance Power Amplifier.
From www.researchgate.net
Schematic of a transconductance amplifier (OTA) and the biasing circuit Diy Transconductance Power Amplifier I have developed a new crossover for this little speaker that means to can be driven by a transconductance/current amplifier, and i. The promise of the transconductance characteristic in power amplifiers in providing the most realistic. This particular circuit is a transconductance amplifier, that is to say a current source whose output impedance is. As i mentioned in the article. Diy Transconductance Power Amplifier.
From leap.tardate.com
LEAP463 Diy Transconductance Power Amplifier If you are in the sydney area (australia), the audiophile society of nsw is showcasing this revolutionary diy transconductance power amp, driving a pair of the. As i mentioned in the article about the caged frog pentode based. This particular circuit is a transconductance amplifier, that is to say a current source whose output impedance is. I have developed a. Diy Transconductance Power Amplifier.
From www.chegg.com
Solved The circuit below is a transconductance amplifier. Diy Transconductance Power Amplifier This particular circuit is a transconductance amplifier, that is to say a current source whose output impedance is. As i mentioned in the article about the caged frog pentode based. The promise of the transconductance characteristic in power amplifiers in providing the most realistic. This diy project is about building a low cost 40 watt transconductance amplifier using national semiconductor's. Diy Transconductance Power Amplifier.
From www.researchgate.net
(a) Schematic of a fully differential operational transconductance Diy Transconductance Power Amplifier This diy project is about building a low cost 40 watt transconductance amplifier using national semiconductor's lm3875t. If you are in the sydney area (australia), the audiophile society of nsw is showcasing this revolutionary diy transconductance power amp, driving a pair of the. I have developed a new crossover for this little speaker that means to can be driven by. Diy Transconductance Power Amplifier.
From www.current-drive.info
Transconductance amplifier project CurrentDrive The Natural Way of Diy Transconductance Power Amplifier This particular circuit is a transconductance amplifier, that is to say a current source whose output impedance is. I have developed a new crossover for this little speaker that means to can be driven by a transconductance/current amplifier, and i. A transconductance power amplifier requires a high while suitable for low output currents (<50 ma output impedance that is linear. Diy Transconductance Power Amplifier.
From www.eetimes.com
Stabilizing buck converters with transconductance amplifiers EE Times Diy Transconductance Power Amplifier As i mentioned in the article about the caged frog pentode based. This diy project is about building a low cost 40 watt transconductance amplifier using national semiconductor's lm3875t. I have developed a new crossover for this little speaker that means to can be driven by a transconductance/current amplifier, and i. If you are in the sydney area (australia), the. Diy Transconductance Power Amplifier.
From www.eeweb.com
Two Stage Operational Transconductance Amplifier Design EE Diy Transconductance Power Amplifier As i mentioned in the article about the caged frog pentode based. The promise of the transconductance characteristic in power amplifiers in providing the most realistic. A transconductance power amplifier requires a high while suitable for low output currents (<50 ma output impedance that is linear and. I have developed a new crossover for this little speaker that means to. Diy Transconductance Power Amplifier.
From www.researchgate.net
Schematic of the operational transconductance amplifier. Download Diy Transconductance Power Amplifier If you are in the sydney area (australia), the audiophile society of nsw is showcasing this revolutionary diy transconductance power amp, driving a pair of the. This diy project is about building a low cost 40 watt transconductance amplifier using national semiconductor's lm3875t. A transconductance power amplifier requires a high while suitable for low output currents (<50 ma output impedance. Diy Transconductance Power Amplifier.
From www.mdpi.com
Chips Free FullText Hybrid InverterBased Fully Differential Diy Transconductance Power Amplifier This diy project is about building a low cost 40 watt transconductance amplifier using national semiconductor's lm3875t. The promise of the transconductance characteristic in power amplifiers in providing the most realistic. If you are in the sydney area (australia), the audiophile society of nsw is showcasing this revolutionary diy transconductance power amp, driving a pair of the. As i mentioned. Diy Transconductance Power Amplifier.
From www.planetanalog.com
Operational Transconductance Amplifier (OTA) Analog Diy Transconductance Power Amplifier The promise of the transconductance characteristic in power amplifiers in providing the most realistic. As i mentioned in the article about the caged frog pentode based. If you are in the sydney area (australia), the audiophile society of nsw is showcasing this revolutionary diy transconductance power amp, driving a pair of the. This diy project is about building a low. Diy Transconductance Power Amplifier.
From www.researchgate.net
Electronic scheme of the transconductance amplifier and its power Diy Transconductance Power Amplifier As i mentioned in the article about the caged frog pentode based. I have developed a new crossover for this little speaker that means to can be driven by a transconductance/current amplifier, and i. This particular circuit is a transconductance amplifier, that is to say a current source whose output impedance is. The promise of the transconductance characteristic in power. Diy Transconductance Power Amplifier.
From www.head-case.org
transconductance amp Page 4 Do It Yourself Diy Transconductance Power Amplifier If you are in the sydney area (australia), the audiophile society of nsw is showcasing this revolutionary diy transconductance power amp, driving a pair of the. I have developed a new crossover for this little speaker that means to can be driven by a transconductance/current amplifier, and i. The promise of the transconductance characteristic in power amplifiers in providing the. Diy Transconductance Power Amplifier.
From www.researchgate.net
Two stage operational transconductance amplifier. Download Scientific Diy Transconductance Power Amplifier The promise of the transconductance characteristic in power amplifiers in providing the most realistic. If you are in the sydney area (australia), the audiophile society of nsw is showcasing this revolutionary diy transconductance power amp, driving a pair of the. I have developed a new crossover for this little speaker that means to can be driven by a transconductance/current amplifier,. Diy Transconductance Power Amplifier.
From schematicpartclaudia.z19.web.core.windows.net
Transconductance Amplifier Circuit Diagram Diy Transconductance Power Amplifier A transconductance power amplifier requires a high while suitable for low output currents (<50 ma output impedance that is linear and. This diy project is about building a low cost 40 watt transconductance amplifier using national semiconductor's lm3875t. As i mentioned in the article about the caged frog pentode based. The promise of the transconductance characteristic in power amplifiers in. Diy Transconductance Power Amplifier.
From www.mdpi.com
Electronics Free FullText SingleStage CMOS Operational Diy Transconductance Power Amplifier A transconductance power amplifier requires a high while suitable for low output currents (<50 ma output impedance that is linear and. This diy project is about building a low cost 40 watt transconductance amplifier using national semiconductor's lm3875t. I have developed a new crossover for this little speaker that means to can be driven by a transconductance/current amplifier, and i.. Diy Transconductance Power Amplifier.
From www.diyaudio.com
Joe Rasmussen "TransAmp" 40 Watt Transconductance "Current Amplifier Diy Transconductance Power Amplifier This diy project is about building a low cost 40 watt transconductance amplifier using national semiconductor's lm3875t. I have developed a new crossover for this little speaker that means to can be driven by a transconductance/current amplifier, and i. The promise of the transconductance characteristic in power amplifiers in providing the most realistic. If you are in the sydney area. Diy Transconductance Power Amplifier.
From www.yumpu.com
Design of Operational Transconductance Amplifier Using 0.35µm Diy Transconductance Power Amplifier A transconductance power amplifier requires a high while suitable for low output currents (<50 ma output impedance that is linear and. I have developed a new crossover for this little speaker that means to can be driven by a transconductance/current amplifier, and i. The promise of the transconductance characteristic in power amplifiers in providing the most realistic. This diy project. Diy Transconductance Power Amplifier.
From diy.ecpaudio.com
ecp audio diy The Caged Frog A Pentode Based Transconductance Diy Transconductance Power Amplifier This diy project is about building a low cost 40 watt transconductance amplifier using national semiconductor's lm3875t. A transconductance power amplifier requires a high while suitable for low output currents (<50 ma output impedance that is linear and. If you are in the sydney area (australia), the audiophile society of nsw is showcasing this revolutionary diy transconductance power amp, driving. Diy Transconductance Power Amplifier.
From studylib.net
Low Power Three Stage Operational Transconductance Amplifier Diy Transconductance Power Amplifier This diy project is about building a low cost 40 watt transconductance amplifier using national semiconductor's lm3875t. This particular circuit is a transconductance amplifier, that is to say a current source whose output impedance is. If you are in the sydney area (australia), the audiophile society of nsw is showcasing this revolutionary diy transconductance power amp, driving a pair of. Diy Transconductance Power Amplifier.
From www.researchgate.net
Operational transconductance amplifier model Download Scientific Diagram Diy Transconductance Power Amplifier This particular circuit is a transconductance amplifier, that is to say a current source whose output impedance is. If you are in the sydney area (australia), the audiophile society of nsw is showcasing this revolutionary diy transconductance power amp, driving a pair of the. A transconductance power amplifier requires a high while suitable for low output currents (<50 ma output. Diy Transconductance Power Amplifier.
From www.planetanalog.com
Operational Transconductance Amplifier (OTA) Analog Diy Transconductance Power Amplifier The promise of the transconductance characteristic in power amplifiers in providing the most realistic. This diy project is about building a low cost 40 watt transconductance amplifier using national semiconductor's lm3875t. This particular circuit is a transconductance amplifier, that is to say a current source whose output impedance is. If you are in the sydney area (australia), the audiophile society. Diy Transconductance Power Amplifier.
From www.diyaudio.com
Transconductance mode (bufferless) hybrid BJT/FET class A amplifier Diy Transconductance Power Amplifier This diy project is about building a low cost 40 watt transconductance amplifier using national semiconductor's lm3875t. A transconductance power amplifier requires a high while suitable for low output currents (<50 ma output impedance that is linear and. This particular circuit is a transconductance amplifier, that is to say a current source whose output impedance is. If you are in. Diy Transconductance Power Amplifier.
From www.diyaudio.com
Hafler transconductance and power diyAudio Diy Transconductance Power Amplifier This diy project is about building a low cost 40 watt transconductance amplifier using national semiconductor's lm3875t. This particular circuit is a transconductance amplifier, that is to say a current source whose output impedance is. The promise of the transconductance characteristic in power amplifiers in providing the most realistic. A transconductance power amplifier requires a high while suitable for low. Diy Transconductance Power Amplifier.
From modularaddict.com
AS3280AD Dual Operational Transconductance Amplifier (SOIC16) Alfa Diy Transconductance Power Amplifier The promise of the transconductance characteristic in power amplifiers in providing the most realistic. A transconductance power amplifier requires a high while suitable for low output currents (<50 ma output impedance that is linear and. I have developed a new crossover for this little speaker that means to can be driven by a transconductance/current amplifier, and i. If you are. Diy Transconductance Power Amplifier.
From www.diyaudio.com
Transconductance mode (bufferless) hybrid BJT/FET class A amplifier Diy Transconductance Power Amplifier I have developed a new crossover for this little speaker that means to can be driven by a transconductance/current amplifier, and i. As i mentioned in the article about the caged frog pentode based. This particular circuit is a transconductance amplifier, that is to say a current source whose output impedance is. If you are in the sydney area (australia),. Diy Transconductance Power Amplifier.
From www.researchgate.net
Operational Transconductance Amplifier Circuit. Symbol (left) and Diy Transconductance Power Amplifier If you are in the sydney area (australia), the audiophile society of nsw is showcasing this revolutionary diy transconductance power amp, driving a pair of the. As i mentioned in the article about the caged frog pentode based. This diy project is about building a low cost 40 watt transconductance amplifier using national semiconductor's lm3875t. This particular circuit is a. Diy Transconductance Power Amplifier.
From www.clarke-hess.com
Transconductance Amplifier Power Amplifier Current Standard Diy Transconductance Power Amplifier This particular circuit is a transconductance amplifier, that is to say a current source whose output impedance is. The promise of the transconductance characteristic in power amplifiers in providing the most realistic. I have developed a new crossover for this little speaker that means to can be driven by a transconductance/current amplifier, and i. A transconductance power amplifier requires a. Diy Transconductance Power Amplifier.
From www.coroflot.com
VCA Transconductance Op Amp LM13700 by Brian Tuley at Diy Transconductance Power Amplifier This particular circuit is a transconductance amplifier, that is to say a current source whose output impedance is. This diy project is about building a low cost 40 watt transconductance amplifier using national semiconductor's lm3875t. If you are in the sydney area (australia), the audiophile society of nsw is showcasing this revolutionary diy transconductance power amp, driving a pair of. Diy Transconductance Power Amplifier.
From ampli.deminasi.com
Draw The Diagram For A Transconductance Amplifier Diy Transconductance Power Amplifier This diy project is about building a low cost 40 watt transconductance amplifier using national semiconductor's lm3875t. The promise of the transconductance characteristic in power amplifiers in providing the most realistic. A transconductance power amplifier requires a high while suitable for low output currents (<50 ma output impedance that is linear and. I have developed a new crossover for this. Diy Transconductance Power Amplifier.
From www.diyaudio.com
Transconductance mode (bufferless) hybrid BJT/FET class A amplifier Diy Transconductance Power Amplifier This diy project is about building a low cost 40 watt transconductance amplifier using national semiconductor's lm3875t. As i mentioned in the article about the caged frog pentode based. The promise of the transconductance characteristic in power amplifiers in providing the most realistic. This particular circuit is a transconductance amplifier, that is to say a current source whose output impedance. Diy Transconductance Power Amplifier.
From www.diyaudio.com
Transconductance mode (bufferless) hybrid BJT/FET class A amplifier Diy Transconductance Power Amplifier As i mentioned in the article about the caged frog pentode based. This particular circuit is a transconductance amplifier, that is to say a current source whose output impedance is. I have developed a new crossover for this little speaker that means to can be driven by a transconductance/current amplifier, and i. If you are in the sydney area (australia),. Diy Transconductance Power Amplifier.
From www.seekic.com
Wideband operational transconductance amplifier buffer circuit OPA660 Diy Transconductance Power Amplifier As i mentioned in the article about the caged frog pentode based. A transconductance power amplifier requires a high while suitable for low output currents (<50 ma output impedance that is linear and. The promise of the transconductance characteristic in power amplifiers in providing the most realistic. If you are in the sydney area (australia), the audiophile society of nsw. Diy Transconductance Power Amplifier.