Inductor Based Equalizer . 2) the turnover point of an inductor. I have read a few statements on it but have not seen them verified: The structure of the nibnde, the equalization principle, theoretical analysis and performance. My favourite eqs are passive ones and inductor based ones. The equalization principle, modeling of. On gearslutz lot of people are completely freaking out about this kinda new lcpq4040 by miad, a polish.
from reverb.com
My favourite eqs are passive ones and inductor based ones. I have read a few statements on it but have not seen them verified: 2) the turnover point of an inductor. The structure of the nibnde, the equalization principle, theoretical analysis and performance. On gearslutz lot of people are completely freaking out about this kinda new lcpq4040 by miad, a polish. The equalization principle, modeling of.
1950's Hycor Cinema Engineering 4201 Inductor based Program Reverb
Inductor Based Equalizer The equalization principle, modeling of. The equalization principle, modeling of. The structure of the nibnde, the equalization principle, theoretical analysis and performance. My favourite eqs are passive ones and inductor based ones. 2) the turnover point of an inductor. On gearslutz lot of people are completely freaking out about this kinda new lcpq4040 by miad, a polish. I have read a few statements on it but have not seen them verified:
From www.don-audio.com
Classi PEQ RM Passive Equalizer Inductor 312mh,155mh,78mh,39mh,26mh, Inductor Based Equalizer The structure of the nibnde, the equalization principle, theoretical analysis and performance. On gearslutz lot of people are completely freaking out about this kinda new lcpq4040 by miad, a polish. My favourite eqs are passive ones and inductor based ones. I have read a few statements on it but have not seen them verified: 2) the turnover point of an. Inductor Based Equalizer.
From www.fivefishstudios.com
FiveFish Audio PEQ503 Equalizer Inductor Based Equalizer The structure of the nibnde, the equalization principle, theoretical analysis and performance. My favourite eqs are passive ones and inductor based ones. On gearslutz lot of people are completely freaking out about this kinda new lcpq4040 by miad, a polish. I have read a few statements on it but have not seen them verified: 2) the turnover point of an. Inductor Based Equalizer.
From www.semanticscholar.org
Figure 5 from Active Cell Equalizer Based on CoupledInductor Cuk Inductor Based Equalizer On gearslutz lot of people are completely freaking out about this kinda new lcpq4040 by miad, a polish. The equalization principle, modeling of. My favourite eqs are passive ones and inductor based ones. I have read a few statements on it but have not seen them verified: The structure of the nibnde, the equalization principle, theoretical analysis and performance. 2). Inductor Based Equalizer.
From www.mdpi.com
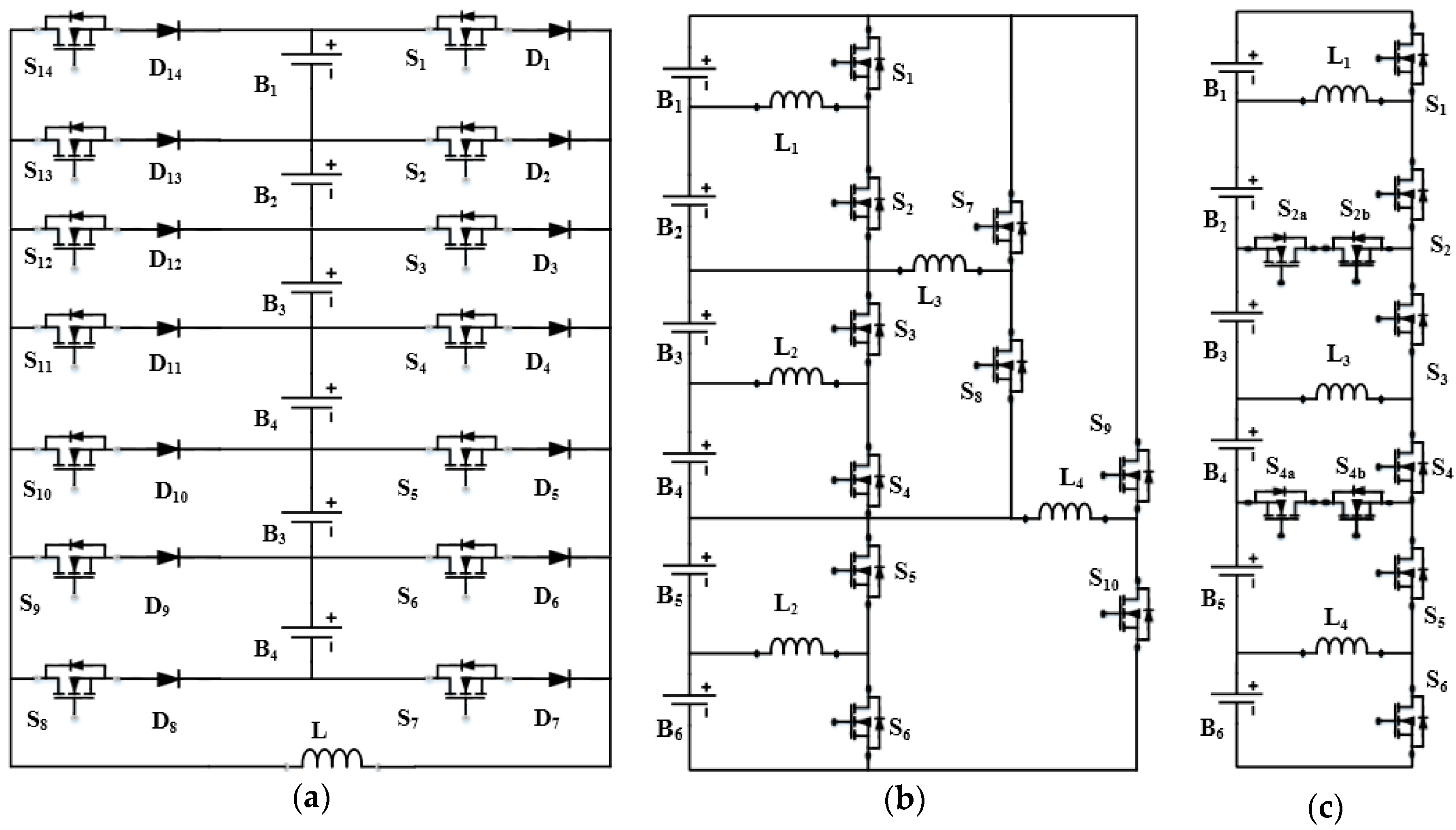
A Novel InductorBased NonDissipative Equalizer Inductor Based Equalizer On gearslutz lot of people are completely freaking out about this kinda new lcpq4040 by miad, a polish. The structure of the nibnde, the equalization principle, theoretical analysis and performance. My favourite eqs are passive ones and inductor based ones. I have read a few statements on it but have not seen them verified: 2) the turnover point of an. Inductor Based Equalizer.
From www.semanticscholar.org
Figure 10 from TappedInductorBased Bidirectional PWM Inductor Based Equalizer I have read a few statements on it but have not seen them verified: The structure of the nibnde, the equalization principle, theoretical analysis and performance. My favourite eqs are passive ones and inductor based ones. 2) the turnover point of an inductor. The equalization principle, modeling of. On gearslutz lot of people are completely freaking out about this kinda. Inductor Based Equalizer.
From reverb.com
NIVICO SEA100 inductor equalizer Reverb Inductor Based Equalizer The structure of the nibnde, the equalization principle, theoretical analysis and performance. On gearslutz lot of people are completely freaking out about this kinda new lcpq4040 by miad, a polish. My favourite eqs are passive ones and inductor based ones. 2) the turnover point of an inductor. I have read a few statements on it but have not seen them. Inductor Based Equalizer.
From www.mdpi.com
A Novel InductorBased NonDissipative Equalizer Inductor Based Equalizer My favourite eqs are passive ones and inductor based ones. The equalization principle, modeling of. 2) the turnover point of an inductor. On gearslutz lot of people are completely freaking out about this kinda new lcpq4040 by miad, a polish. The structure of the nibnde, the equalization principle, theoretical analysis and performance. I have read a few statements on it. Inductor Based Equalizer.
From vintageking.com
Wunder Audio Allotrope 500 Series InductorBased EQ Vintage King Inductor Based Equalizer On gearslutz lot of people are completely freaking out about this kinda new lcpq4040 by miad, a polish. 2) the turnover point of an inductor. The structure of the nibnde, the equalization principle, theoretical analysis and performance. I have read a few statements on it but have not seen them verified: My favourite eqs are passive ones and inductor based. Inductor Based Equalizer.
From www.mdpi.com
Electronics Free FullText An Efficient Equalizing Method for Inductor Based Equalizer The equalization principle, modeling of. 2) the turnover point of an inductor. On gearslutz lot of people are completely freaking out about this kinda new lcpq4040 by miad, a polish. I have read a few statements on it but have not seen them verified: My favourite eqs are passive ones and inductor based ones. The structure of the nibnde, the. Inductor Based Equalizer.
From www.lunchboxaudio.com
Purple Audio Tav InductorBased Graphic EQ Lunchbox Audio Inductor Based Equalizer I have read a few statements on it but have not seen them verified: On gearslutz lot of people are completely freaking out about this kinda new lcpq4040 by miad, a polish. 2) the turnover point of an inductor. The equalization principle, modeling of. The structure of the nibnde, the equalization principle, theoretical analysis and performance. My favourite eqs are. Inductor Based Equalizer.
From reverb.com
CAPI 553F 3Band InductorBased EQ Reverb Inductor Based Equalizer 2) the turnover point of an inductor. On gearslutz lot of people are completely freaking out about this kinda new lcpq4040 by miad, a polish. I have read a few statements on it but have not seen them verified: My favourite eqs are passive ones and inductor based ones. The structure of the nibnde, the equalization principle, theoretical analysis and. Inductor Based Equalizer.
From www.mdpi.com
Electronics Free FullText DualLayer Inductor Active Equalization Inductor Based Equalizer The structure of the nibnde, the equalization principle, theoretical analysis and performance. I have read a few statements on it but have not seen them verified: The equalization principle, modeling of. 2) the turnover point of an inductor. My favourite eqs are passive ones and inductor based ones. On gearslutz lot of people are completely freaking out about this kinda. Inductor Based Equalizer.
From www.economik.com
IGS Audio iQ. Inductor Equalizer ** Studio Economik ProAudio Inductor Based Equalizer I have read a few statements on it but have not seen them verified: 2) the turnover point of an inductor. The structure of the nibnde, the equalization principle, theoretical analysis and performance. My favourite eqs are passive ones and inductor based ones. On gearslutz lot of people are completely freaking out about this kinda new lcpq4040 by miad, a. Inductor Based Equalizer.
From www.mdpi.com
A Novel InductorBased NonDissipative Equalizer Inductor Based Equalizer The structure of the nibnde, the equalization principle, theoretical analysis and performance. My favourite eqs are passive ones and inductor based ones. 2) the turnover point of an inductor. I have read a few statements on it but have not seen them verified: The equalization principle, modeling of. On gearslutz lot of people are completely freaking out about this kinda. Inductor Based Equalizer.
From www.redbeardproaudio.com
Purple Audio ODD Inductor Based EQ Red Beard Pro Audio Inductor Based Equalizer My favourite eqs are passive ones and inductor based ones. 2) the turnover point of an inductor. On gearslutz lot of people are completely freaking out about this kinda new lcpq4040 by miad, a polish. The equalization principle, modeling of. The structure of the nibnde, the equalization principle, theoretical analysis and performance. I have read a few statements on it. Inductor Based Equalizer.
From groupdiy.com
DIY 4Band inductorbased EQ GroupDIY Audio Forum Inductor Based Equalizer The structure of the nibnde, the equalization principle, theoretical analysis and performance. On gearslutz lot of people are completely freaking out about this kinda new lcpq4040 by miad, a polish. I have read a few statements on it but have not seen them verified: 2) the turnover point of an inductor. The equalization principle, modeling of. My favourite eqs are. Inductor Based Equalizer.
From www.mdpi.com
Electronics Free FullText An Efficient Equalizing Method for Inductor Based Equalizer The structure of the nibnde, the equalization principle, theoretical analysis and performance. The equalization principle, modeling of. My favourite eqs are passive ones and inductor based ones. 2) the turnover point of an inductor. On gearslutz lot of people are completely freaking out about this kinda new lcpq4040 by miad, a polish. I have read a few statements on it. Inductor Based Equalizer.
From www.mdpi.com
Energies Free FullText A Novel InductorBased NonDissipative Inductor Based Equalizer On gearslutz lot of people are completely freaking out about this kinda new lcpq4040 by miad, a polish. I have read a few statements on it but have not seen them verified: 2) the turnover point of an inductor. The equalization principle, modeling of. The structure of the nibnde, the equalization principle, theoretical analysis and performance. My favourite eqs are. Inductor Based Equalizer.
From reverb.com
White Instruments 4100A Inductor Equalizer (with input Reverb Inductor Based Equalizer 2) the turnover point of an inductor. The equalization principle, modeling of. My favourite eqs are passive ones and inductor based ones. On gearslutz lot of people are completely freaking out about this kinda new lcpq4040 by miad, a polish. I have read a few statements on it but have not seen them verified: The structure of the nibnde, the. Inductor Based Equalizer.
From www.researchgate.net
Conventional inductorbased equalizer circuit. Download Scientific Inductor Based Equalizer I have read a few statements on it but have not seen them verified: The structure of the nibnde, the equalization principle, theoretical analysis and performance. The equalization principle, modeling of. 2) the turnover point of an inductor. On gearslutz lot of people are completely freaking out about this kinda new lcpq4040 by miad, a polish. My favourite eqs are. Inductor Based Equalizer.
From www.proaudiola.com
IGS Audio Rubber Bands 500 500Series Inductor Equalizer Pro Audio LA Inductor Based Equalizer My favourite eqs are passive ones and inductor based ones. 2) the turnover point of an inductor. On gearslutz lot of people are completely freaking out about this kinda new lcpq4040 by miad, a polish. I have read a few statements on it but have not seen them verified: The structure of the nibnde, the equalization principle, theoretical analysis and. Inductor Based Equalizer.
From reverb.com
1950's Hycor Cinema Engineering 4201 Inductor based Program Reverb Inductor Based Equalizer The structure of the nibnde, the equalization principle, theoretical analysis and performance. The equalization principle, modeling of. On gearslutz lot of people are completely freaking out about this kinda new lcpq4040 by miad, a polish. 2) the turnover point of an inductor. My favourite eqs are passive ones and inductor based ones. I have read a few statements on it. Inductor Based Equalizer.
From www.researchgate.net
(a) Controller RX block diagram, (b) linear equalizer using active Inductor Based Equalizer 2) the turnover point of an inductor. My favourite eqs are passive ones and inductor based ones. I have read a few statements on it but have not seen them verified: The equalization principle, modeling of. On gearslutz lot of people are completely freaking out about this kinda new lcpq4040 by miad, a polish. The structure of the nibnde, the. Inductor Based Equalizer.
From www.lunchboxaudio.com
Wunder Audio Allotrope EQ Classic InductorBased Baxandall Equalizer Inductor Based Equalizer My favourite eqs are passive ones and inductor based ones. 2) the turnover point of an inductor. I have read a few statements on it but have not seen them verified: On gearslutz lot of people are completely freaking out about this kinda new lcpq4040 by miad, a polish. The equalization principle, modeling of. The structure of the nibnde, the. Inductor Based Equalizer.
From theproaudio.com
Rupert Neve Designs 551 500 Series Inductor Equalizer Inductor Based Equalizer I have read a few statements on it but have not seen them verified: The structure of the nibnde, the equalization principle, theoretical analysis and performance. 2) the turnover point of an inductor. On gearslutz lot of people are completely freaking out about this kinda new lcpq4040 by miad, a polish. My favourite eqs are passive ones and inductor based. Inductor Based Equalizer.
From reverb.com
Fivefish Studios PEQ503 inductor based 500 series EQ Reverb Inductor Based Equalizer The equalization principle, modeling of. The structure of the nibnde, the equalization principle, theoretical analysis and performance. On gearslutz lot of people are completely freaking out about this kinda new lcpq4040 by miad, a polish. 2) the turnover point of an inductor. My favourite eqs are passive ones and inductor based ones. I have read a few statements on it. Inductor Based Equalizer.
From www.lunchboxaudio.com
Purple Audio Odd InductorBased EQ Lunchbox Audio Inductor Based Equalizer My favourite eqs are passive ones and inductor based ones. I have read a few statements on it but have not seen them verified: On gearslutz lot of people are completely freaking out about this kinda new lcpq4040 by miad, a polish. The structure of the nibnde, the equalization principle, theoretical analysis and performance. The equalization principle, modeling of. 2). Inductor Based Equalizer.
From www.mdpi.com
Energies Free FullText A Novel InductorBased NonDissipative Inductor Based Equalizer On gearslutz lot of people are completely freaking out about this kinda new lcpq4040 by miad, a polish. 2) the turnover point of an inductor. My favourite eqs are passive ones and inductor based ones. The equalization principle, modeling of. The structure of the nibnde, the equalization principle, theoretical analysis and performance. I have read a few statements on it. Inductor Based Equalizer.
From reverb.com
Vintage Vermona E2010 discrete inductor based Graphic Reverb UK Inductor Based Equalizer 2) the turnover point of an inductor. My favourite eqs are passive ones and inductor based ones. The structure of the nibnde, the equalization principle, theoretical analysis and performance. I have read a few statements on it but have not seen them verified: The equalization principle, modeling of. On gearslutz lot of people are completely freaking out about this kinda. Inductor Based Equalizer.
From www.lunchboxaudio.com
Purple Audio Tav InductorBased Graphic EQ Lunchbox Audio Inductor Based Equalizer My favourite eqs are passive ones and inductor based ones. On gearslutz lot of people are completely freaking out about this kinda new lcpq4040 by miad, a polish. 2) the turnover point of an inductor. The equalization principle, modeling of. I have read a few statements on it but have not seen them verified: The structure of the nibnde, the. Inductor Based Equalizer.
From www.researchgate.net
Generalized tapped inductor cell equalization circuit. Download Inductor Based Equalizer I have read a few statements on it but have not seen them verified: My favourite eqs are passive ones and inductor based ones. The equalization principle, modeling of. 2) the turnover point of an inductor. The structure of the nibnde, the equalization principle, theoretical analysis and performance. On gearslutz lot of people are completely freaking out about this kinda. Inductor Based Equalizer.
From www.dlxmusic.se
IGSAUDIO IQ INDUCTOR EQUALIZER Inductor Based Equalizer 2) the turnover point of an inductor. I have read a few statements on it but have not seen them verified: The equalization principle, modeling of. On gearslutz lot of people are completely freaking out about this kinda new lcpq4040 by miad, a polish. My favourite eqs are passive ones and inductor based ones. The structure of the nibnde, the. Inductor Based Equalizer.
From www.mdpi.com
A Novel InductorBased NonDissipative Equalizer Inductor Based Equalizer The structure of the nibnde, the equalization principle, theoretical analysis and performance. 2) the turnover point of an inductor. The equalization principle, modeling of. I have read a few statements on it but have not seen them verified: On gearslutz lot of people are completely freaking out about this kinda new lcpq4040 by miad, a polish. My favourite eqs are. Inductor Based Equalizer.
From www.researchgate.net
Multiinductor switched equalizer. Download Scientific Diagram Inductor Based Equalizer My favourite eqs are passive ones and inductor based ones. The equalization principle, modeling of. On gearslutz lot of people are completely freaking out about this kinda new lcpq4040 by miad, a polish. The structure of the nibnde, the equalization principle, theoretical analysis and performance. 2) the turnover point of an inductor. I have read a few statements on it. Inductor Based Equalizer.
From reverb.com
Chameleon Labs 560EQ Inductor EQ 500 Series Reverb Inductor Based Equalizer The equalization principle, modeling of. My favourite eqs are passive ones and inductor based ones. The structure of the nibnde, the equalization principle, theoretical analysis and performance. I have read a few statements on it but have not seen them verified: 2) the turnover point of an inductor. On gearslutz lot of people are completely freaking out about this kinda. Inductor Based Equalizer.