Fuel Pump Carburetor Bike . An electrical pump is pretty straight forward. Adding fuel pump to gravity fed carb fuel system. Well, they’re easier on the environment. Drill a 1/16th hole in the solder. A motorcycle running rich is viewed as the opposite as a motorcycle running lean. When there’s too much fuel added and not enough air, you’ll likely notice your motorcycle smelling. Ok i've got a wee project on the got and i want to do. Running rich means that there is too much fuel in the air/fuel ratio inside the carburetor and will, in turn, make the motorcycle run poorly. Connect that tee inline as close to as possible to the junction of the carb lines. Instead of the engine vacuum pulsing a diaphragm, this is. Find the point at which the cam begins to engage the. Hoses and fittings transfer the vacuum of the engine to the fuel pump. Fuel injection does allow for more accurate control of the air/fuel ratio, and in doing so, allows a bike to run cleaner and keep a catalytic converter on board. If you are unsure, modulate the pump linkage back and forth by hand.
from manualrequiescat.z21.web.core.windows.net
Fuel injection does allow for more accurate control of the air/fuel ratio, and in doing so, allows a bike to run cleaner and keep a catalytic converter on board. Ok i've got a wee project on the got and i want to do. Drill a 1/16th hole in the solder. When there’s too much fuel added and not enough air, you’ll likely notice your motorcycle smelling. Hoses and fittings transfer the vacuum of the engine to the fuel pump. Well, they’re easier on the environment. A motorcycle running rich is viewed as the opposite as a motorcycle running lean. Instead of the engine vacuum pulsing a diaphragm, this is. An electrical pump is pretty straight forward. Adding fuel pump to gravity fed carb fuel system.
Polaris Fuel Pump Wiring Diagram
Fuel Pump Carburetor Bike When there’s too much fuel added and not enough air, you’ll likely notice your motorcycle smelling. Running rich means that there is too much fuel in the air/fuel ratio inside the carburetor and will, in turn, make the motorcycle run poorly. If you are unsure, modulate the pump linkage back and forth by hand. Adding fuel pump to gravity fed carb fuel system. Connect that tee inline as close to as possible to the junction of the carb lines. An electrical pump is pretty straight forward. Well, they’re easier on the environment. A motorcycle running rich is viewed as the opposite as a motorcycle running lean. Find the point at which the cam begins to engage the. Hoses and fittings transfer the vacuum of the engine to the fuel pump. Ok i've got a wee project on the got and i want to do. When there’s too much fuel added and not enough air, you’ll likely notice your motorcycle smelling. Instead of the engine vacuum pulsing a diaphragm, this is. Fuel injection does allow for more accurate control of the air/fuel ratio, and in doing so, allows a bike to run cleaner and keep a catalytic converter on board. Drill a 1/16th hole in the solder.
From isminibike.com
28mm Motorcycle Carburetor PE28mm Carburetor 150CC Dirt Bike Carburetor Fuel Pump Carburetor Bike A motorcycle running rich is viewed as the opposite as a motorcycle running lean. If you are unsure, modulate the pump linkage back and forth by hand. When there’s too much fuel added and not enough air, you’ll likely notice your motorcycle smelling. Instead of the engine vacuum pulsing a diaphragm, this is. An electrical pump is pretty straight forward.. Fuel Pump Carburetor Bike.
From wirelistlatinised.z21.web.core.windows.net
Suzuki Quadrunner 250 Fuel Line Diagram Fuel Pump Carburetor Bike Adding fuel pump to gravity fed carb fuel system. Instead of the engine vacuum pulsing a diaphragm, this is. An electrical pump is pretty straight forward. A motorcycle running rich is viewed as the opposite as a motorcycle running lean. Ok i've got a wee project on the got and i want to do. Hoses and fittings transfer the vacuum. Fuel Pump Carburetor Bike.
From kunomgomogtfworkshopfix.z14.web.core.windows.net
Rebuilding A Carb On A Motorized Bike Fuel Pump Carburetor Bike Connect that tee inline as close to as possible to the junction of the carb lines. Adding fuel pump to gravity fed carb fuel system. Hoses and fittings transfer the vacuum of the engine to the fuel pump. An electrical pump is pretty straight forward. Fuel injection does allow for more accurate control of the air/fuel ratio, and in doing. Fuel Pump Carburetor Bike.
From manualrequiescat.z21.web.core.windows.net
Polaris Fuel Pump Wiring Diagram Fuel Pump Carburetor Bike Hoses and fittings transfer the vacuum of the engine to the fuel pump. Well, they’re easier on the environment. Running rich means that there is too much fuel in the air/fuel ratio inside the carburetor and will, in turn, make the motorcycle run poorly. Drill a 1/16th hole in the solder. If you are unsure, modulate the pump linkage back. Fuel Pump Carburetor Bike.
From shopee.ph
For Harley CV Keihin CVK Twin Cam Sportster Carburetor Air Adjusting Fuel Pump Carburetor Bike Instead of the engine vacuum pulsing a diaphragm, this is. Running rich means that there is too much fuel in the air/fuel ratio inside the carburetor and will, in turn, make the motorcycle run poorly. Hoses and fittings transfer the vacuum of the engine to the fuel pump. Find the point at which the cam begins to engage the. If. Fuel Pump Carburetor Bike.
From wirelistlatinised.z21.web.core.windows.net
Suzuki Quadrunner 250 Fuel Line Diagram Fuel Pump Carburetor Bike If you are unsure, modulate the pump linkage back and forth by hand. Fuel injection does allow for more accurate control of the air/fuel ratio, and in doing so, allows a bike to run cleaner and keep a catalytic converter on board. When there’s too much fuel added and not enough air, you’ll likely notice your motorcycle smelling. Adding fuel. Fuel Pump Carburetor Bike.
From shopee.ph
PWM 34 36 38 40 42mm For Keihin Carburetor Universal Shift Karts 2T Fuel Pump Carburetor Bike Find the point at which the cam begins to engage the. Running rich means that there is too much fuel in the air/fuel ratio inside the carburetor and will, in turn, make the motorcycle run poorly. Connect that tee inline as close to as possible to the junction of the carb lines. Fuel injection does allow for more accurate control. Fuel Pump Carburetor Bike.
From www.dirtbikeempire.com
What Year Did They Start Install Fuel Pumps In Dirt Bikes Instead Of Fuel Pump Carburetor Bike Well, they’re easier on the environment. Fuel injection does allow for more accurate control of the air/fuel ratio, and in doing so, allows a bike to run cleaner and keep a catalytic converter on board. Adding fuel pump to gravity fed carb fuel system. When there’s too much fuel added and not enough air, you’ll likely notice your motorcycle smelling.. Fuel Pump Carburetor Bike.
From shopee.ph
PWM 34 36 38 40 42mm For Keihin Carburetor Universal Shift Karts 2T Fuel Pump Carburetor Bike Instead of the engine vacuum pulsing a diaphragm, this is. Drill a 1/16th hole in the solder. When there’s too much fuel added and not enough air, you’ll likely notice your motorcycle smelling. A motorcycle running rich is viewed as the opposite as a motorcycle running lean. If you are unsure, modulate the pump linkage back and forth by hand.. Fuel Pump Carburetor Bike.
From shopee.ph
PWM 34 36 38 40 42mm For Keihin Carburetor Universal Shift Karts 2T Fuel Pump Carburetor Bike Connect that tee inline as close to as possible to the junction of the carb lines. Fuel injection does allow for more accurate control of the air/fuel ratio, and in doing so, allows a bike to run cleaner and keep a catalytic converter on board. An electrical pump is pretty straight forward. Adding fuel pump to gravity fed carb fuel. Fuel Pump Carburetor Bike.
From gioderdid.blob.core.windows.net
Mini Bike No Spark at Katherine Harris blog Fuel Pump Carburetor Bike Ok i've got a wee project on the got and i want to do. Hoses and fittings transfer the vacuum of the engine to the fuel pump. Instead of the engine vacuum pulsing a diaphragm, this is. Fuel injection does allow for more accurate control of the air/fuel ratio, and in doing so, allows a bike to run cleaner and. Fuel Pump Carburetor Bike.
From gioqixrnp.blob.core.windows.net
Carburetor Fuel Needle at Kyle Franklin blog Fuel Pump Carburetor Bike If you are unsure, modulate the pump linkage back and forth by hand. Connect that tee inline as close to as possible to the junction of the carb lines. Hoses and fittings transfer the vacuum of the engine to the fuel pump. An electrical pump is pretty straight forward. Adding fuel pump to gravity fed carb fuel system. Well, they’re. Fuel Pump Carburetor Bike.
From shopee.ph
For Harley CV Keihin CVK Twin Cam Sportster Carburetor Air Adjusting Fuel Pump Carburetor Bike Find the point at which the cam begins to engage the. If you are unsure, modulate the pump linkage back and forth by hand. Connect that tee inline as close to as possible to the junction of the carb lines. Instead of the engine vacuum pulsing a diaphragm, this is. Well, they’re easier on the environment. When there’s too much. Fuel Pump Carburetor Bike.
From www.carburetorhuage.com
chainsawcarburetor Fuel Pump Carburetor Bike When there’s too much fuel added and not enough air, you’ll likely notice your motorcycle smelling. Fuel injection does allow for more accurate control of the air/fuel ratio, and in doing so, allows a bike to run cleaner and keep a catalytic converter on board. Instead of the engine vacuum pulsing a diaphragm, this is. Running rich means that there. Fuel Pump Carburetor Bike.
From gioqixrnp.blob.core.windows.net
Carburetor Fuel Needle at Kyle Franklin blog Fuel Pump Carburetor Bike Well, they’re easier on the environment. An electrical pump is pretty straight forward. Instead of the engine vacuum pulsing a diaphragm, this is. Ok i've got a wee project on the got and i want to do. Fuel injection does allow for more accurate control of the air/fuel ratio, and in doing so, allows a bike to run cleaner and. Fuel Pump Carburetor Bike.
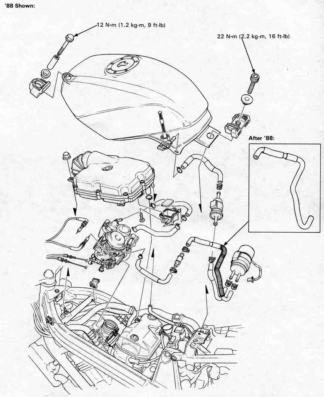
From wiringall.com
Understanding the Motorcycle Fuel Line System Diagram and Components Fuel Pump Carburetor Bike Hoses and fittings transfer the vacuum of the engine to the fuel pump. Drill a 1/16th hole in the solder. An electrical pump is pretty straight forward. Adding fuel pump to gravity fed carb fuel system. Ok i've got a wee project on the got and i want to do. Well, they’re easier on the environment. A motorcycle running rich. Fuel Pump Carburetor Bike.
From manualrequiescat.z21.web.core.windows.net
Carburetor For Onan Engine Fuel Pump Carburetor Bike Instead of the engine vacuum pulsing a diaphragm, this is. Well, they’re easier on the environment. Adding fuel pump to gravity fed carb fuel system. Connect that tee inline as close to as possible to the junction of the carb lines. Running rich means that there is too much fuel in the air/fuel ratio inside the carburetor and will, in. Fuel Pump Carburetor Bike.
From guidedehartmunitioned.z21.web.core.windows.net
How To Tune A Dirt Bike Carburetor Fuel Pump Carburetor Bike Instead of the engine vacuum pulsing a diaphragm, this is. Fuel injection does allow for more accurate control of the air/fuel ratio, and in doing so, allows a bike to run cleaner and keep a catalytic converter on board. When there’s too much fuel added and not enough air, you’ll likely notice your motorcycle smelling. Connect that tee inline as. Fuel Pump Carburetor Bike.
From shopee.ph
For Harley CV Keihin CVK Twin Cam Sportster Carburetor Air Adjusting Fuel Pump Carburetor Bike When there’s too much fuel added and not enough air, you’ll likely notice your motorcycle smelling. Ok i've got a wee project on the got and i want to do. Connect that tee inline as close to as possible to the junction of the carb lines. Drill a 1/16th hole in the solder. If you are unsure, modulate the pump. Fuel Pump Carburetor Bike.
From olivarriafixenginetact.z21.web.core.windows.net
150cc Quad Engine Fuel Pump Carburetor Bike Drill a 1/16th hole in the solder. Connect that tee inline as close to as possible to the junction of the carb lines. Adding fuel pump to gravity fed carb fuel system. Instead of the engine vacuum pulsing a diaphragm, this is. An electrical pump is pretty straight forward. If you are unsure, modulate the pump linkage back and forth. Fuel Pump Carburetor Bike.
From www.aliexpress.com
MotorcycleCarburetorAirAdjustingScrewIdleMixtureFuelRatioScrew Fuel Pump Carburetor Bike Hoses and fittings transfer the vacuum of the engine to the fuel pump. Instead of the engine vacuum pulsing a diaphragm, this is. Connect that tee inline as close to as possible to the junction of the carb lines. Fuel injection does allow for more accurate control of the air/fuel ratio, and in doing so, allows a bike to run. Fuel Pump Carburetor Bike.
From www.wheelsguru.com
Why Do Motorcycles Use Carburetors WHEELSGURU Fuel Pump Carburetor Bike An electrical pump is pretty straight forward. Drill a 1/16th hole in the solder. Find the point at which the cam begins to engage the. Running rich means that there is too much fuel in the air/fuel ratio inside the carburetor and will, in turn, make the motorcycle run poorly. Connect that tee inline as close to as possible to. Fuel Pump Carburetor Bike.
From nirvishatami.blogspot.com
carburetor hoses diagram NirvishaTami Fuel Pump Carburetor Bike Instead of the engine vacuum pulsing a diaphragm, this is. Adding fuel pump to gravity fed carb fuel system. Hoses and fittings transfer the vacuum of the engine to the fuel pump. Connect that tee inline as close to as possible to the junction of the carb lines. An electrical pump is pretty straight forward. Fuel injection does allow for. Fuel Pump Carburetor Bike.
From teroal7dworkshopfix.z13.web.core.windows.net
Rebuilding A Carb On A Motorized Bike Fuel Pump Carburetor Bike Hoses and fittings transfer the vacuum of the engine to the fuel pump. When there’s too much fuel added and not enough air, you’ll likely notice your motorcycle smelling. Connect that tee inline as close to as possible to the junction of the carb lines. Drill a 1/16th hole in the solder. Well, they’re easier on the environment. Instead of. Fuel Pump Carburetor Bike.
From wiredatapakarailak9.z14.web.core.windows.net
50cc Scooter Fuel Line Diagram Fuel Pump Carburetor Bike Connect that tee inline as close to as possible to the junction of the carb lines. Find the point at which the cam begins to engage the. Running rich means that there is too much fuel in the air/fuel ratio inside the carburetor and will, in turn, make the motorcycle run poorly. When there’s too much fuel added and not. Fuel Pump Carburetor Bike.
From shopee.ph
PWM 34 36 38 40 42mm For Keihin Carburetor Universal Shift Karts 2T Fuel Pump Carburetor Bike When there’s too much fuel added and not enough air, you’ll likely notice your motorcycle smelling. A motorcycle running rich is viewed as the opposite as a motorcycle running lean. Ok i've got a wee project on the got and i want to do. Drill a 1/16th hole in the solder. Adding fuel pump to gravity fed carb fuel system.. Fuel Pump Carburetor Bike.
From www.ebay.com
Universal Electric Fuel Pump Carburetor 12V 59 Psi Cars Trucks Fuel Pump Carburetor Bike An electrical pump is pretty straight forward. Drill a 1/16th hole in the solder. When there’s too much fuel added and not enough air, you’ll likely notice your motorcycle smelling. Running rich means that there is too much fuel in the air/fuel ratio inside the carburetor and will, in turn, make the motorcycle run poorly. Connect that tee inline as. Fuel Pump Carburetor Bike.
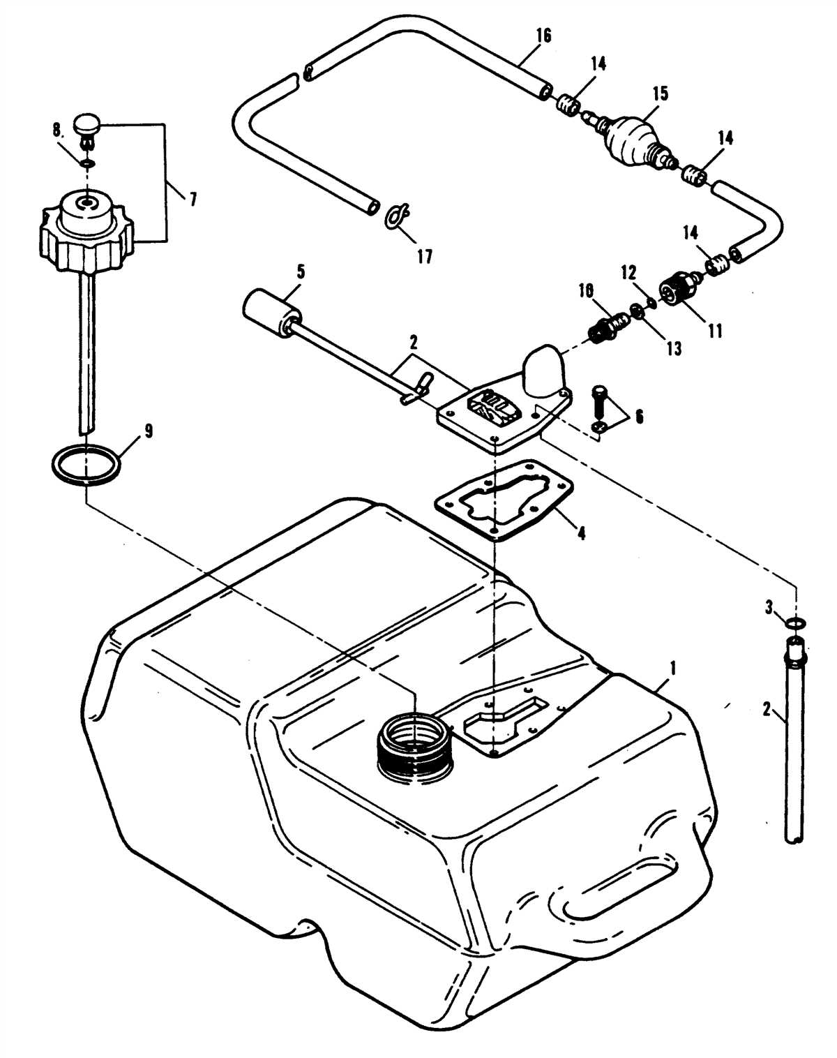
From www.partzilla.com
Honda Motorcycle 2002 OEM Parts Diagram for Fuel Tank + Fuel Pump Fuel Pump Carburetor Bike An electrical pump is pretty straight forward. Running rich means that there is too much fuel in the air/fuel ratio inside the carburetor and will, in turn, make the motorcycle run poorly. Well, they’re easier on the environment. A motorcycle running rich is viewed as the opposite as a motorcycle running lean. When there’s too much fuel added and not. Fuel Pump Carburetor Bike.
From www.alibaba.com
High Quality Motorcycle Carburetor Fuel System Jb581284 Motorcycle Fuel Pump Carburetor Bike Ok i've got a wee project on the got and i want to do. An electrical pump is pretty straight forward. Adding fuel pump to gravity fed carb fuel system. Drill a 1/16th hole in the solder. If you are unsure, modulate the pump linkage back and forth by hand. Running rich means that there is too much fuel in. Fuel Pump Carburetor Bike.
From wiringall.com
Understanding the Motorcycle Fuel Line System Diagram and Components Fuel Pump Carburetor Bike Instead of the engine vacuum pulsing a diaphragm, this is. Drill a 1/16th hole in the solder. Connect that tee inline as close to as possible to the junction of the carb lines. A motorcycle running rich is viewed as the opposite as a motorcycle running lean. Running rich means that there is too much fuel in the air/fuel ratio. Fuel Pump Carburetor Bike.
From www.aliexpress.com
High quality electric fuel pump HEP 02B 12V fuel pump for carburetor Fuel Pump Carburetor Bike Ok i've got a wee project on the got and i want to do. Drill a 1/16th hole in the solder. A motorcycle running rich is viewed as the opposite as a motorcycle running lean. Fuel injection does allow for more accurate control of the air/fuel ratio, and in doing so, allows a bike to run cleaner and keep a. Fuel Pump Carburetor Bike.
From wiringall.com
Understanding the Motorcycle Fuel Line System Diagram and Components Fuel Pump Carburetor Bike Ok i've got a wee project on the got and i want to do. Instead of the engine vacuum pulsing a diaphragm, this is. Running rich means that there is too much fuel in the air/fuel ratio inside the carburetor and will, in turn, make the motorcycle run poorly. Adding fuel pump to gravity fed carb fuel system. A motorcycle. Fuel Pump Carburetor Bike.
From schematicmaxeyshirley.z21.web.core.windows.net
Holley Electric Fuel Pump Parts Fuel Pump Carburetor Bike Fuel injection does allow for more accurate control of the air/fuel ratio, and in doing so, allows a bike to run cleaner and keep a catalytic converter on board. Find the point at which the cam begins to engage the. Hoses and fittings transfer the vacuum of the engine to the fuel pump. Connect that tee inline as close to. Fuel Pump Carburetor Bike.
From mechaniclessoning.z21.web.core.windows.net
Kawasaki Vulcan Fuel Pump Fuel Pump Carburetor Bike Well, they’re easier on the environment. If you are unsure, modulate the pump linkage back and forth by hand. When there’s too much fuel added and not enough air, you’ll likely notice your motorcycle smelling. Running rich means that there is too much fuel in the air/fuel ratio inside the carburetor and will, in turn, make the motorcycle run poorly.. Fuel Pump Carburetor Bike.
From www.mikunioz.com
VM28 Carb Parts Mikunioz Fuel Pump Carburetor Bike Fuel injection does allow for more accurate control of the air/fuel ratio, and in doing so, allows a bike to run cleaner and keep a catalytic converter on board. If you are unsure, modulate the pump linkage back and forth by hand. Instead of the engine vacuum pulsing a diaphragm, this is. Ok i've got a wee project on the. Fuel Pump Carburetor Bike.