Yamaha G1 Gas Pedal Switch . I have it running great now but the issue is at some point the previous. 80's yamaha g1 golf cart worked up until last weekend and then stopped. Stop switch for 1982 to 1986 yamaha g1 and g3 two cycle gas cart +++ note: No power when in forward or reverse. On a 4 stroke you can disconnect the wires and connect the 2 together. Maintaining the yamaha g1’s electrical system is crucial for its operation. And when you turn key on it will start and idle. I recently was given an 81 yamaha g1 that wasn't running. The solenoid, acting as an electronic switch, plays a.
from www.2040-parts.com
I have it running great now but the issue is at some point the previous. On a 4 stroke you can disconnect the wires and connect the 2 together. I recently was given an 81 yamaha g1 that wasn't running. No power when in forward or reverse. The solenoid, acting as an electronic switch, plays a. And when you turn key on it will start and idle. Maintaining the yamaha g1’s electrical system is crucial for its operation. 80's yamaha g1 golf cart worked up until last weekend and then stopped. Stop switch for 1982 to 1986 yamaha g1 and g3 two cycle gas cart +++ note:
Purchase Yamaha Drive Golf Cart gas & brake pedal assembly in Deming
Yamaha G1 Gas Pedal Switch On a 4 stroke you can disconnect the wires and connect the 2 together. I have it running great now but the issue is at some point the previous. No power when in forward or reverse. I recently was given an 81 yamaha g1 that wasn't running. And when you turn key on it will start and idle. 80's yamaha g1 golf cart worked up until last weekend and then stopped. The solenoid, acting as an electronic switch, plays a. Stop switch for 1982 to 1986 yamaha g1 and g3 two cycle gas cart +++ note: Maintaining the yamaha g1’s electrical system is crucial for its operation. On a 4 stroke you can disconnect the wires and connect the 2 together.
From www.bakerscartsupply.com
Key Switch with Wire Harness Yamaha Key Switches & Keys Yamaha G1 Gas Pedal Switch Stop switch for 1982 to 1986 yamaha g1 and g3 two cycle gas cart +++ note: The solenoid, acting as an electronic switch, plays a. And when you turn key on it will start and idle. No power when in forward or reverse. On a 4 stroke you can disconnect the wires and connect the 2 together. Maintaining the yamaha. Yamaha G1 Gas Pedal Switch.
From wiringall.com
Yamaha G1 Gas Golf Cart Wiring Diagram Yamaha G1 Gas Pedal Switch 80's yamaha g1 golf cart worked up until last weekend and then stopped. On a 4 stroke you can disconnect the wires and connect the 2 together. And when you turn key on it will start and idle. I recently was given an 81 yamaha g1 that wasn't running. Stop switch for 1982 to 1986 yamaha g1 and g3 two. Yamaha G1 Gas Pedal Switch.
From manual.imagenes4k.com
Yamaha G2 Electric Wiring Diagram Yamaha G29 Gas Golf Cart Wiring Yamaha G1 Gas Pedal Switch On a 4 stroke you can disconnect the wires and connect the 2 together. The solenoid, acting as an electronic switch, plays a. And when you turn key on it will start and idle. Maintaining the yamaha g1’s electrical system is crucial for its operation. I recently was given an 81 yamaha g1 that wasn't running. No power when in. Yamaha G1 Gas Pedal Switch.
From fixenginesomadossi7p.z4.web.core.windows.net
Yamaha G1 Gas Golf Cart Parts Yamaha G1 Gas Pedal Switch On a 4 stroke you can disconnect the wires and connect the 2 together. Stop switch for 1982 to 1986 yamaha g1 and g3 two cycle gas cart +++ note: I have it running great now but the issue is at some point the previous. The solenoid, acting as an electronic switch, plays a. Maintaining the yamaha g1’s electrical system. Yamaha G1 Gas Pedal Switch.
From www.got2bwireless.com
Yamaha G1 Wiring Diagram For Your Needs Yamaha G1 Gas Pedal Switch I have it running great now but the issue is at some point the previous. I recently was given an 81 yamaha g1 that wasn't running. No power when in forward or reverse. On a 4 stroke you can disconnect the wires and connect the 2 together. Stop switch for 1982 to 1986 yamaha g1 and g3 two cycle gas. Yamaha G1 Gas Pedal Switch.
From www.golfcartking.com
Yamaha G1 Ignition Switch for Electric Models Golf Cart King Yamaha G1 Gas Pedal Switch 80's yamaha g1 golf cart worked up until last weekend and then stopped. No power when in forward or reverse. On a 4 stroke you can disconnect the wires and connect the 2 together. The solenoid, acting as an electronic switch, plays a. I have it running great now but the issue is at some point the previous. Stop switch. Yamaha G1 Gas Pedal Switch.
From everythingpantry.com
Our 10 Best Yamaha G1 Ignition Switches Top Product Reviwed Yamaha G1 Gas Pedal Switch On a 4 stroke you can disconnect the wires and connect the 2 together. The solenoid, acting as an electronic switch, plays a. Maintaining the yamaha g1’s electrical system is crucial for its operation. Stop switch for 1982 to 1986 yamaha g1 and g3 two cycle gas cart +++ note: And when you turn key on it will start and. Yamaha G1 Gas Pedal Switch.
From www.fridayparts.com
buy 3 Terminal Brake Pedal Micro Switch 10606G1 10606G2 17928G1 Yamaha G1 Gas Pedal Switch The solenoid, acting as an electronic switch, plays a. I have it running great now but the issue is at some point the previous. And when you turn key on it will start and idle. Maintaining the yamaha g1’s electrical system is crucial for its operation. On a 4 stroke you can disconnect the wires and connect the 2 together.. Yamaha G1 Gas Pedal Switch.
From www.walmart.com
Yamaha G1 Gas Golf Cart Key Switch with Wire Harness and F/R Switch Yamaha G1 Gas Pedal Switch No power when in forward or reverse. Maintaining the yamaha g1’s electrical system is crucial for its operation. Stop switch for 1982 to 1986 yamaha g1 and g3 two cycle gas cart +++ note: 80's yamaha g1 golf cart worked up until last weekend and then stopped. On a 4 stroke you can disconnect the wires and connect the 2. Yamaha G1 Gas Pedal Switch.
From www.2040-parts.com
Purchase Yamaha Drive Golf Cart gas & brake pedal assembly in Deming Yamaha G1 Gas Pedal Switch Stop switch for 1982 to 1986 yamaha g1 and g3 two cycle gas cart +++ note: The solenoid, acting as an electronic switch, plays a. I recently was given an 81 yamaha g1 that wasn't running. I have it running great now but the issue is at some point the previous. 80's yamaha g1 golf cart worked up until last. Yamaha G1 Gas Pedal Switch.
From aftermarketgolfcartparts.com
NEW Fuel Pump for Yamaha 2 Stroke Gas Golf Cart G1 G1A G3 G3A Replace Yamaha G1 Gas Pedal Switch I have it running great now but the issue is at some point the previous. Maintaining the yamaha g1’s electrical system is crucial for its operation. On a 4 stroke you can disconnect the wires and connect the 2 together. No power when in forward or reverse. And when you turn key on it will start and idle. I recently. Yamaha G1 Gas Pedal Switch.
From isgolfcarts.com
Stop Switch Assembly for Yamaha G1 2Cycle Gas Golf Carts The world's Yamaha G1 Gas Pedal Switch Maintaining the yamaha g1’s electrical system is crucial for its operation. Stop switch for 1982 to 1986 yamaha g1 and g3 two cycle gas cart +++ note: 80's yamaha g1 golf cart worked up until last weekend and then stopped. On a 4 stroke you can disconnect the wires and connect the 2 together. No power when in forward or. Yamaha G1 Gas Pedal Switch.
From golfcarttips.com
Yamaha G1A and G1E Wiring Troubleshooting Diagrams 197989 Yamaha G1 Gas Pedal Switch The solenoid, acting as an electronic switch, plays a. I recently was given an 81 yamaha g1 that wasn't running. I have it running great now but the issue is at some point the previous. No power when in forward or reverse. And when you turn key on it will start and idle. On a 4 stroke you can disconnect. Yamaha G1 Gas Pedal Switch.
From wiringall.com
Yamaha G1 Gas Golf Cart Wiring Diagram Yamaha G1 Gas Pedal Switch Stop switch for 1982 to 1986 yamaha g1 and g3 two cycle gas cart +++ note: I recently was given an 81 yamaha g1 that wasn't running. No power when in forward or reverse. Maintaining the yamaha g1’s electrical system is crucial for its operation. On a 4 stroke you can disconnect the wires and connect the 2 together. The. Yamaha G1 Gas Pedal Switch.
From manual.imagenes4k.com
6 Pin To 7 Pin Wiring Diagram Yamaha Golf G9 Pedal G16 Buggy Ah 1992 Yamaha G1 Gas Pedal Switch And when you turn key on it will start and idle. Stop switch for 1982 to 1986 yamaha g1 and g3 two cycle gas cart +++ note: On a 4 stroke you can disconnect the wires and connect the 2 together. I recently was given an 81 yamaha g1 that wasn't running. Maintaining the yamaha g1’s electrical system is crucial. Yamaha G1 Gas Pedal Switch.
From www.nepal.ubuy.com
Buy Driveup Golf Cart Yamaha Stop Switch G14, G16, G19, G22 G29 Gas Yamaha G1 Gas Pedal Switch I have it running great now but the issue is at some point the previous. No power when in forward or reverse. 80's yamaha g1 golf cart worked up until last weekend and then stopped. Maintaining the yamaha g1’s electrical system is crucial for its operation. I recently was given an 81 yamaha g1 that wasn't running. The solenoid, acting. Yamaha G1 Gas Pedal Switch.
From guidediagramexobiology.z5.web.core.windows.net
Yamaha G1 Gas Golf Cart Wiring Diagram Yamaha G1 Gas Pedal Switch Stop switch for 1982 to 1986 yamaha g1 and g3 two cycle gas cart +++ note: The solenoid, acting as an electronic switch, plays a. Maintaining the yamaha g1’s electrical system is crucial for its operation. 80's yamaha g1 golf cart worked up until last weekend and then stopped. No power when in forward or reverse. And when you turn. Yamaha G1 Gas Pedal Switch.
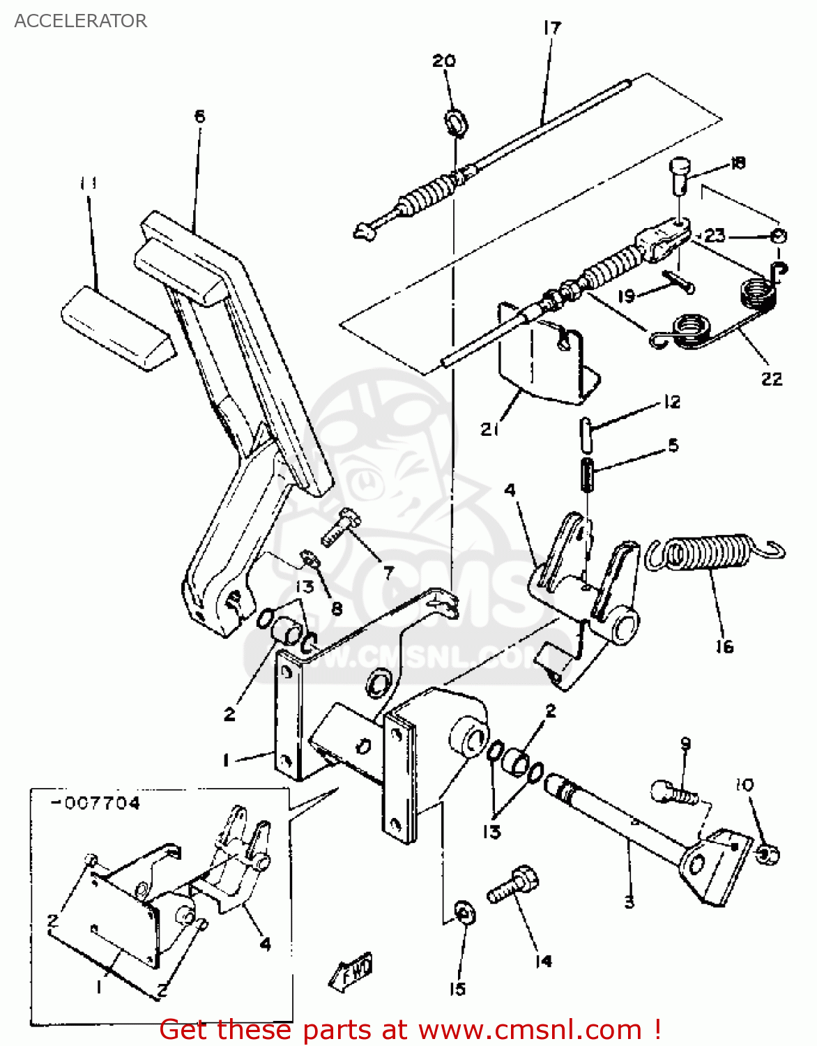
From www.cmsnl.com
Yamaha G1A G1A1 GOLF CAR 19791980 ACCELERATOR buy original Yamaha G1 Gas Pedal Switch Stop switch for 1982 to 1986 yamaha g1 and g3 two cycle gas cart +++ note: And when you turn key on it will start and idle. Maintaining the yamaha g1’s electrical system is crucial for its operation. On a 4 stroke you can disconnect the wires and connect the 2 together. I have it running great now but the. Yamaha G1 Gas Pedal Switch.
From www.salaberlanga.com
Yamaha G1 Golf Cart Brake Pedal Assembly Yamaha G1 Gas Pedal Switch And when you turn key on it will start and idle. I have it running great now but the issue is at some point the previous. The solenoid, acting as an electronic switch, plays a. Stop switch for 1982 to 1986 yamaha g1 and g3 two cycle gas cart +++ note: I recently was given an 81 yamaha g1 that. Yamaha G1 Gas Pedal Switch.
From aftermarketgolfcartparts.com
J102441003 Fuel Pump for Yamaha 2 Stroke Gas Golf Cart G1 G1A G3 G3A Yamaha G1 Gas Pedal Switch 80's yamaha g1 golf cart worked up until last weekend and then stopped. I recently was given an 81 yamaha g1 that wasn't running. I have it running great now but the issue is at some point the previous. Stop switch for 1982 to 1986 yamaha g1 and g3 two cycle gas cart +++ note: And when you turn key. Yamaha G1 Gas Pedal Switch.
From www.salaberlanga.com
Yamaha G1 Golf Cart Brake Pedal Assembly Yamaha G1 Gas Pedal Switch On a 4 stroke you can disconnect the wires and connect the 2 together. 80's yamaha g1 golf cart worked up until last weekend and then stopped. And when you turn key on it will start and idle. I recently was given an 81 yamaha g1 that wasn't running. Stop switch for 1982 to 1986 yamaha g1 and g3 two. Yamaha G1 Gas Pedal Switch.
From www.salaberlanga.com
Yamaha G1 Golf Cart Brake Pedal Assembly Yamaha G1 Gas Pedal Switch I recently was given an 81 yamaha g1 that wasn't running. And when you turn key on it will start and idle. On a 4 stroke you can disconnect the wires and connect the 2 together. 80's yamaha g1 golf cart worked up until last weekend and then stopped. Stop switch for 1982 to 1986 yamaha g1 and g3 two. Yamaha G1 Gas Pedal Switch.
From diygolfcart.com
Yamaha G14, G16, G19, G20, G22 Stop Switch Golf Cart Parts Yamaha G1 Gas Pedal Switch No power when in forward or reverse. Maintaining the yamaha g1’s electrical system is crucial for its operation. The solenoid, acting as an electronic switch, plays a. Stop switch for 1982 to 1986 yamaha g1 and g3 two cycle gas cart +++ note: On a 4 stroke you can disconnect the wires and connect the 2 together. I have it. Yamaha G1 Gas Pedal Switch.
From golfcarttips.com
Yamaha G1A And G1E Wiring Troubleshooting Diagrams 197989 Yamaha G1 Gas Pedal Switch On a 4 stroke you can disconnect the wires and connect the 2 together. No power when in forward or reverse. I recently was given an 81 yamaha g1 that wasn't running. The solenoid, acting as an electronic switch, plays a. Maintaining the yamaha g1’s electrical system is crucial for its operation. 80's yamaha g1 golf cart worked up until. Yamaha G1 Gas Pedal Switch.
From isgolfcarts.com
Ignition Switch for G1 Models Yamaha Gas 2 Cycle Golf Cart The world Yamaha G1 Gas Pedal Switch Stop switch for 1982 to 1986 yamaha g1 and g3 two cycle gas cart +++ note: 80's yamaha g1 golf cart worked up until last weekend and then stopped. The solenoid, acting as an electronic switch, plays a. No power when in forward or reverse. Maintaining the yamaha g1’s electrical system is crucial for its operation. On a 4 stroke. Yamaha G1 Gas Pedal Switch.
From diygolfcart.com
Yamaha Gas G1 Ignition Switch Golf Cart Body Yamaha G1 Gas Pedal Switch I recently was given an 81 yamaha g1 that wasn't running. And when you turn key on it will start and idle. The solenoid, acting as an electronic switch, plays a. 80's yamaha g1 golf cart worked up until last weekend and then stopped. On a 4 stroke you can disconnect the wires and connect the 2 together. Maintaining the. Yamaha G1 Gas Pedal Switch.
From wiringfixunripping.z21.web.core.windows.net
Yamaha G1 Parts Diagram Yamaha G1 Gas Pedal Switch No power when in forward or reverse. The solenoid, acting as an electronic switch, plays a. 80's yamaha g1 golf cart worked up until last weekend and then stopped. I recently was given an 81 yamaha g1 that wasn't running. I have it running great now but the issue is at some point the previous. And when you turn key. Yamaha G1 Gas Pedal Switch.
From www.wiringdigital.com
Wiring Diagram For Yamaha G1 Golf Cart » Wiring Digital And Schematic Yamaha G1 Gas Pedal Switch Stop switch for 1982 to 1986 yamaha g1 and g3 two cycle gas cart +++ note: The solenoid, acting as an electronic switch, plays a. I have it running great now but the issue is at some point the previous. No power when in forward or reverse. And when you turn key on it will start and idle. I recently. Yamaha G1 Gas Pedal Switch.
From diygolfcart.com
Yamaha G1 Golf Cart Stop Switches, Speed & Throttle Sensors Yamaha G1 Gas Pedal Switch Maintaining the yamaha g1’s electrical system is crucial for its operation. On a 4 stroke you can disconnect the wires and connect the 2 together. And when you turn key on it will start and idle. I recently was given an 81 yamaha g1 that wasn't running. The solenoid, acting as an electronic switch, plays a. Stop switch for 1982. Yamaha G1 Gas Pedal Switch.
From wiringall.com
Yamaha G1 Gas Golf Cart Wiring Diagram Yamaha G1 Gas Pedal Switch On a 4 stroke you can disconnect the wires and connect the 2 together. I recently was given an 81 yamaha g1 that wasn't running. And when you turn key on it will start and idle. Stop switch for 1982 to 1986 yamaha g1 and g3 two cycle gas cart +++ note: No power when in forward or reverse. The. Yamaha G1 Gas Pedal Switch.
From www.walmart.com
Standard APS101 Accelerator Pedal Position Sensor Yamaha G1 Gas Pedal Switch Maintaining the yamaha g1’s electrical system is crucial for its operation. The solenoid, acting as an electronic switch, plays a. On a 4 stroke you can disconnect the wires and connect the 2 together. I have it running great now but the issue is at some point the previous. I recently was given an 81 yamaha g1 that wasn't running.. Yamaha G1 Gas Pedal Switch.
From maki-co.ru
Yamaha G1 Golf Cart Brake Pedal Assembly makico.ru Yamaha G1 Gas Pedal Switch And when you turn key on it will start and idle. 80's yamaha g1 golf cart worked up until last weekend and then stopped. Maintaining the yamaha g1’s electrical system is crucial for its operation. Stop switch for 1982 to 1986 yamaha g1 and g3 two cycle gas cart +++ note: No power when in forward or reverse. The solenoid,. Yamaha G1 Gas Pedal Switch.
From www.youtube.com
How to Replace Your Accelerator Pedal Position Sensor Accelerator Yamaha G1 Gas Pedal Switch Maintaining the yamaha g1’s electrical system is crucial for its operation. 80's yamaha g1 golf cart worked up until last weekend and then stopped. I recently was given an 81 yamaha g1 that wasn't running. No power when in forward or reverse. Stop switch for 1982 to 1986 yamaha g1 and g3 two cycle gas cart +++ note: On a. Yamaha G1 Gas Pedal Switch.
From www.ebay.com
OEM GENUINE YAMAHA FOOT/GAS PEDAL STOP SWITCH GOLF BUGGY G11 TO G29 Yamaha G1 Gas Pedal Switch 80's yamaha g1 golf cart worked up until last weekend and then stopped. And when you turn key on it will start and idle. I recently was given an 81 yamaha g1 that wasn't running. Stop switch for 1982 to 1986 yamaha g1 and g3 two cycle gas cart +++ note: Maintaining the yamaha g1’s electrical system is crucial for. Yamaha G1 Gas Pedal Switch.
From golfcarttips.com
Yamaha G1A And G1E Wiring Troubleshooting Diagrams 197989 Yamaha G1 Gas Pedal Switch Maintaining the yamaha g1’s electrical system is crucial for its operation. And when you turn key on it will start and idle. Stop switch for 1982 to 1986 yamaha g1 and g3 two cycle gas cart +++ note: No power when in forward or reverse. I have it running great now but the issue is at some point the previous.. Yamaha G1 Gas Pedal Switch.