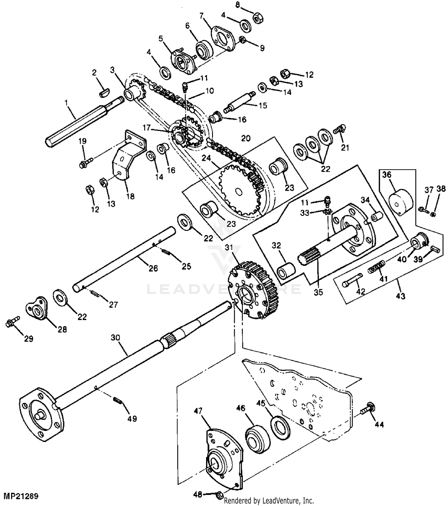
John Deere 46 Snow Blower Parts Diagram . Find parts & diagrams for your john deere equipment. All models of john deere snow blowers & snow throwers. Search our parts catalog, order parts online or contact your john deere dealer. Fix it fast with oem parts list and diagrams. Explore the detailed parts diagram for john deere 46 snow blower, ensuring accurate repairs and maintenance for efficient performance. Find parts for your john deere auger, 47 snowblower with our free parts lookup tool! The diagram for the john deere 46 snowblower provides a visual representation of the machine, making it easier to identify and locate specific. Find parts for your john deere housing (46 snow thrower) with our free parts lookup tool!
from uzabytaodi.blogspot.com
Find parts & diagrams for your john deere equipment. Search our parts catalog, order parts online or contact your john deere dealer. Find parts for your john deere auger, 47 snowblower with our free parts lookup tool! Find parts for your john deere housing (46 snow thrower) with our free parts lookup tool! The diagram for the john deere 46 snowblower provides a visual representation of the machine, making it easier to identify and locate specific. All models of john deere snow blowers & snow throwers. Explore the detailed parts diagram for john deere 46 snow blower, ensuring accurate repairs and maintenance for efficient performance. Fix it fast with oem parts list and diagrams.
39 john deere 726 snowblower parts diagram Wiring Diagrams Manual
John Deere 46 Snow Blower Parts Diagram The diagram for the john deere 46 snowblower provides a visual representation of the machine, making it easier to identify and locate specific. Fix it fast with oem parts list and diagrams. Search our parts catalog, order parts online or contact your john deere dealer. Find parts & diagrams for your john deere equipment. The diagram for the john deere 46 snowblower provides a visual representation of the machine, making it easier to identify and locate specific. All models of john deere snow blowers & snow throwers. Find parts for your john deere housing (46 snow thrower) with our free parts lookup tool! Explore the detailed parts diagram for john deere 46 snow blower, ensuring accurate repairs and maintenance for efficient performance. Find parts for your john deere auger, 47 snowblower with our free parts lookup tool!
From hanenhuusholli.blogspot.com
John Deere 826 Snowblower Parts Diagram Hanenhuusholli John Deere 46 Snow Blower Parts Diagram All models of john deere snow blowers & snow throwers. Find parts for your john deere housing (46 snow thrower) with our free parts lookup tool! Search our parts catalog, order parts online or contact your john deere dealer. Explore the detailed parts diagram for john deere 46 snow blower, ensuring accurate repairs and maintenance for efficient performance. Find parts. John Deere 46 Snow Blower Parts Diagram.
From barnabranley.blogspot.com
32+ John Deere 46 Snow Blade Parts BarnaBranley John Deere 46 Snow Blower Parts Diagram Find parts for your john deere auger, 47 snowblower with our free parts lookup tool! The diagram for the john deere 46 snowblower provides a visual representation of the machine, making it easier to identify and locate specific. Explore the detailed parts diagram for john deere 46 snow blower, ensuring accurate repairs and maintenance for efficient performance. Fix it fast. John Deere 46 Snow Blower Parts Diagram.
From diagramdataconley.z5.web.core.windows.net
John Deere Snowblower Belt Diagram John Deere 46 Snow Blower Parts Diagram Find parts & diagrams for your john deere equipment. All models of john deere snow blowers & snow throwers. Find parts for your john deere housing (46 snow thrower) with our free parts lookup tool! Fix it fast with oem parts list and diagrams. The diagram for the john deere 46 snowblower provides a visual representation of the machine, making. John Deere 46 Snow Blower Parts Diagram.
From khareban.blogspot.com
37 john deere snowblower parts diagram Wiring Diagram Info John Deere 46 Snow Blower Parts Diagram Find parts for your john deere housing (46 snow thrower) with our free parts lookup tool! Find parts for your john deere auger, 47 snowblower with our free parts lookup tool! The diagram for the john deere 46 snowblower provides a visual representation of the machine, making it easier to identify and locate specific. All models of john deere snow. John Deere 46 Snow Blower Parts Diagram.
From bestbup814.weebly.com
John Deere 1032 Snowblower Parts Diagram bestbup John Deere 46 Snow Blower Parts Diagram All models of john deere snow blowers & snow throwers. Find parts & diagrams for your john deere equipment. Fix it fast with oem parts list and diagrams. Search our parts catalog, order parts online or contact your john deere dealer. Explore the detailed parts diagram for john deere 46 snow blower, ensuring accurate repairs and maintenance for efficient performance.. John Deere 46 Snow Blower Parts Diagram.
From www.inf-inet.com
John Deere Snowblower Parts John Deere 46 Snow Blower Parts Diagram All models of john deere snow blowers & snow throwers. Explore the detailed parts diagram for john deere 46 snow blower, ensuring accurate repairs and maintenance for efficient performance. Find parts & diagrams for your john deere equipment. Search our parts catalog, order parts online or contact your john deere dealer. The diagram for the john deere 46 snowblower provides. John Deere 46 Snow Blower Parts Diagram.
From schematiclibraryforster.z19.web.core.windows.net
John Deere 42 Inch Snowblower Parts Diagram John Deere 46 Snow Blower Parts Diagram Fix it fast with oem parts list and diagrams. Explore the detailed parts diagram for john deere 46 snow blower, ensuring accurate repairs and maintenance for efficient performance. Find parts & diagrams for your john deere equipment. Find parts for your john deere housing (46 snow thrower) with our free parts lookup tool! Search our parts catalog, order parts online. John Deere 46 Snow Blower Parts Diagram.
From schempal.com
Ultimate Guide to John Deere Model 49 Snowblower Parts Diagram John Deere 46 Snow Blower Parts Diagram Find parts for your john deere auger, 47 snowblower with our free parts lookup tool! Find parts for your john deere housing (46 snow thrower) with our free parts lookup tool! The diagram for the john deere 46 snowblower provides a visual representation of the machine, making it easier to identify and locate specific. Search our parts catalog, order parts. John Deere 46 Snow Blower Parts Diagram.
From www.partstree.com
John Deere 726 E (1695444) John Deere 26" Snow Thrower (2008) Auger John Deere 46 Snow Blower Parts Diagram Find parts for your john deere housing (46 snow thrower) with our free parts lookup tool! Search our parts catalog, order parts online or contact your john deere dealer. Find parts & diagrams for your john deere equipment. Explore the detailed parts diagram for john deere 46 snow blower, ensuring accurate repairs and maintenance for efficient performance. All models of. John Deere 46 Snow Blower Parts Diagram.
From wasildragonl.blogspot.com
37 john deere 54 snowblower parts diagram Diagram Online Source John Deere 46 Snow Blower Parts Diagram All models of john deere snow blowers & snow throwers. Explore the detailed parts diagram for john deere 46 snow blower, ensuring accurate repairs and maintenance for efficient performance. Find parts for your john deere auger, 47 snowblower with our free parts lookup tool! Fix it fast with oem parts list and diagrams. The diagram for the john deere 46. John Deere 46 Snow Blower Parts Diagram.
From stewart-switch.com
John Deere Trs24 Snowblower Parts Diagram John Deere 46 Snow Blower Parts Diagram Find parts for your john deere housing (46 snow thrower) with our free parts lookup tool! Search our parts catalog, order parts online or contact your john deere dealer. Fix it fast with oem parts list and diagrams. The diagram for the john deere 46 snowblower provides a visual representation of the machine, making it easier to identify and locate. John Deere 46 Snow Blower Parts Diagram.
From uzabytaodi.blogspot.com
39 john deere 726 snowblower parts diagram Wiring Diagrams Manual John Deere 46 Snow Blower Parts Diagram Explore the detailed parts diagram for john deere 46 snow blower, ensuring accurate repairs and maintenance for efficient performance. Find parts for your john deere housing (46 snow thrower) with our free parts lookup tool! The diagram for the john deere 46 snowblower provides a visual representation of the machine, making it easier to identify and locate specific. Find parts. John Deere 46 Snow Blower Parts Diagram.
From wiringmaster.com
Exploring the Parts of a John Deere 42 Snowblower A Comprehensive Diagram John Deere 46 Snow Blower Parts Diagram The diagram for the john deere 46 snowblower provides a visual representation of the machine, making it easier to identify and locate specific. Find parts & diagrams for your john deere equipment. All models of john deere snow blowers & snow throwers. Fix it fast with oem parts list and diagrams. Search our parts catalog, order parts online or contact. John Deere 46 Snow Blower Parts Diagram.
From greenfarmparts.com
John Deere 46 Inch Snow Blade Kit BG20943 • L100 LA100 D100 Tractors John Deere 46 Snow Blower Parts Diagram Find parts for your john deere auger, 47 snowblower with our free parts lookup tool! Fix it fast with oem parts list and diagrams. All models of john deere snow blowers & snow throwers. The diagram for the john deere 46 snowblower provides a visual representation of the machine, making it easier to identify and locate specific. Find parts &. John Deere 46 Snow Blower Parts Diagram.
From www.wfmachines.com
John Deere 46 Snowblower Weekend Freedom Machines John Deere 46 Snow Blower Parts Diagram The diagram for the john deere 46 snowblower provides a visual representation of the machine, making it easier to identify and locate specific. Find parts for your john deere housing (46 snow thrower) with our free parts lookup tool! Find parts for your john deere auger, 47 snowblower with our free parts lookup tool! Fix it fast with oem parts. John Deere 46 Snow Blower Parts Diagram.
From circuitpartfriedmann.z19.web.core.windows.net
John Deere Trs27 Snowblower Parts John Deere 46 Snow Blower Parts Diagram Find parts & diagrams for your john deere equipment. Find parts for your john deere auger, 47 snowblower with our free parts lookup tool! Search our parts catalog, order parts online or contact your john deere dealer. All models of john deere snow blowers & snow throwers. Fix it fast with oem parts list and diagrams. Explore the detailed parts. John Deere 46 Snow Blower Parts Diagram.
From jumpstarterdiscount.blogspot.com
John Deere 826 Snowblower Parts Diagram Wiring Diagram John Deere 46 Snow Blower Parts Diagram Explore the detailed parts diagram for john deere 46 snow blower, ensuring accurate repairs and maintenance for efficient performance. All models of john deere snow blowers & snow throwers. Find parts & diagrams for your john deere equipment. Find parts for your john deere auger, 47 snowblower with our free parts lookup tool! The diagram for the john deere 46. John Deere 46 Snow Blower Parts Diagram.
From diagram.vivarumah.com
John Deere 1032 Snowblower Parts Diagram Cloud Diagram John Deere 46 Snow Blower Parts Diagram Find parts for your john deere auger, 47 snowblower with our free parts lookup tool! Find parts for your john deere housing (46 snow thrower) with our free parts lookup tool! Fix it fast with oem parts list and diagrams. Find parts & diagrams for your john deere equipment. All models of john deere snow blowers & snow throwers. The. John Deere 46 Snow Blower Parts Diagram.
From diagramwiringschema.blogspot.com
John Deere 42 Snow Blower Parts Diagram diagramwirings John Deere 46 Snow Blower Parts Diagram Find parts & diagrams for your john deere equipment. All models of john deere snow blowers & snow throwers. Fix it fast with oem parts list and diagrams. Search our parts catalog, order parts online or contact your john deere dealer. Find parts for your john deere auger, 47 snowblower with our free parts lookup tool! Find parts for your. John Deere 46 Snow Blower Parts Diagram.
From wirelibrarystedfast.z21.web.core.windows.net
John Deere 726 Snowblower Parts Diagram John Deere 46 Snow Blower Parts Diagram Search our parts catalog, order parts online or contact your john deere dealer. All models of john deere snow blowers & snow throwers. Find parts & diagrams for your john deere equipment. Explore the detailed parts diagram for john deere 46 snow blower, ensuring accurate repairs and maintenance for efficient performance. Find parts for your john deere auger, 47 snowblower. John Deere 46 Snow Blower Parts Diagram.
From www.partstree.com
John Deere 726E (1695444) John Deere 26" Snow Thrower (2008) Frame John Deere 46 Snow Blower Parts Diagram Find parts & diagrams for your john deere equipment. Search our parts catalog, order parts online or contact your john deere dealer. Find parts for your john deere housing (46 snow thrower) with our free parts lookup tool! All models of john deere snow blowers & snow throwers. The diagram for the john deere 46 snowblower provides a visual representation. John Deere 46 Snow Blower Parts Diagram.
From devynejidew42.blogspot.com
38 john deere 42 snowblower parts diagram Wiring Diagrams Explained John Deere 46 Snow Blower Parts Diagram Explore the detailed parts diagram for john deere 46 snow blower, ensuring accurate repairs and maintenance for efficient performance. All models of john deere snow blowers & snow throwers. Search our parts catalog, order parts online or contact your john deere dealer. Find parts & diagrams for your john deere equipment. Fix it fast with oem parts list and diagrams.. John Deere 46 Snow Blower Parts Diagram.
From der.inf.biz.id
John Deere Snowblower Parts Der Auto Blog John Deere 46 Snow Blower Parts Diagram Fix it fast with oem parts list and diagrams. Search our parts catalog, order parts online or contact your john deere dealer. Find parts for your john deere housing (46 snow thrower) with our free parts lookup tool! Find parts & diagrams for your john deere equipment. The diagram for the john deere 46 snowblower provides a visual representation of. John Deere 46 Snow Blower Parts Diagram.
From trailersdcine.blogspot.com
42 john deere snow plow parts diagram John Deere 46 Snow Blower Parts Diagram Explore the detailed parts diagram for john deere 46 snow blower, ensuring accurate repairs and maintenance for efficient performance. Find parts for your john deere auger, 47 snowblower with our free parts lookup tool! Find parts for your john deere housing (46 snow thrower) with our free parts lookup tool! Fix it fast with oem parts list and diagrams. Search. John Deere 46 Snow Blower Parts Diagram.
From resolutionsforyou.com
John deere 42 snowblower parts diagram John Deere 46 Snow Blower Parts Diagram Find parts for your john deere housing (46 snow thrower) with our free parts lookup tool! Find parts for your john deere auger, 47 snowblower with our free parts lookup tool! Explore the detailed parts diagram for john deere 46 snow blower, ensuring accurate repairs and maintenance for efficient performance. Find parts & diagrams for your john deere equipment. All. John Deere 46 Snow Blower Parts Diagram.
From guidedehartfederalist.z21.web.core.windows.net
John Deere 38 Snowblower Parts Diagram John Deere 46 Snow Blower Parts Diagram Fix it fast with oem parts list and diagrams. Find parts for your john deere auger, 47 snowblower with our free parts lookup tool! All models of john deere snow blowers & snow throwers. Explore the detailed parts diagram for john deere 46 snow blower, ensuring accurate repairs and maintenance for efficient performance. Search our parts catalog, order parts online. John Deere 46 Snow Blower Parts Diagram.
From resourcefulcycling.blogspot.com
41 john deere 47 snowblower parts diagram Wiring Diagram Images John Deere 46 Snow Blower Parts Diagram Fix it fast with oem parts list and diagrams. Find parts for your john deere auger, 47 snowblower with our free parts lookup tool! Explore the detailed parts diagram for john deere 46 snow blower, ensuring accurate repairs and maintenance for efficient performance. Search our parts catalog, order parts online or contact your john deere dealer. Find parts & diagrams. John Deere 46 Snow Blower Parts Diagram.
From www.jackssmallengines.com
Gravely 815012 (001001 ) 42, 46" Snow Blower ZT Series Parts Diagram John Deere 46 Snow Blower Parts Diagram Search our parts catalog, order parts online or contact your john deere dealer. Find parts for your john deere housing (46 snow thrower) with our free parts lookup tool! The diagram for the john deere 46 snowblower provides a visual representation of the machine, making it easier to identify and locate specific. All models of john deere snow blowers &. John Deere 46 Snow Blower Parts Diagram.
From archivejohn.com
Visual Guide to John Deere 46 Snow Blower Parts John Deere 46 Snow Blower Parts Diagram Find parts for your john deere housing (46 snow thrower) with our free parts lookup tool! Explore the detailed parts diagram for john deere 46 snow blower, ensuring accurate repairs and maintenance for efficient performance. All models of john deere snow blowers & snow throwers. Search our parts catalog, order parts online or contact your john deere dealer. Find parts. John Deere 46 Snow Blower Parts Diagram.
From sopnex.weebly.com
John deere trs27 snowblower parts diagram sopnex John Deere 46 Snow Blower Parts Diagram Search our parts catalog, order parts online or contact your john deere dealer. Fix it fast with oem parts list and diagrams. Find parts for your john deere housing (46 snow thrower) with our free parts lookup tool! Explore the detailed parts diagram for john deere 46 snow blower, ensuring accurate repairs and maintenance for efficient performance. The diagram for. John Deere 46 Snow Blower Parts Diagram.
From avs.parts
SB1154 FRONTIER Snowblower (111288 ) EPC John Deere..... AG CCE John Deere 46 Snow Blower Parts Diagram Fix it fast with oem parts list and diagrams. Find parts & diagrams for your john deere equipment. The diagram for the john deere 46 snowblower provides a visual representation of the machine, making it easier to identify and locate specific. All models of john deere snow blowers & snow throwers. Explore the detailed parts diagram for john deere 46. John Deere 46 Snow Blower Parts Diagram.
From userfixcarr55.z19.web.core.windows.net
John Deere Snowblower Parts Diagram John Deere 46 Snow Blower Parts Diagram Find parts for your john deere auger, 47 snowblower with our free parts lookup tool! All models of john deere snow blowers & snow throwers. Find parts & diagrams for your john deere equipment. Explore the detailed parts diagram for john deere 46 snow blower, ensuring accurate repairs and maintenance for efficient performance. Search our parts catalog, order parts online. John Deere 46 Snow Blower Parts Diagram.
From avs.parts
46 SNOW THROWER ROTOR EPC John Deere JD8554 CCE online AVS.Parts John Deere 46 Snow Blower Parts Diagram Search our parts catalog, order parts online or contact your john deere dealer. Find parts for your john deere housing (46 snow thrower) with our free parts lookup tool! All models of john deere snow blowers & snow throwers. The diagram for the john deere 46 snowblower provides a visual representation of the machine, making it easier to identify and. John Deere 46 Snow Blower Parts Diagram.
From www.mytractorforum.com
The Friendliest Tractor Forum and Best Place for John Deere 46 Snow Blower Parts Diagram The diagram for the john deere 46 snowblower provides a visual representation of the machine, making it easier to identify and locate specific. Explore the detailed parts diagram for john deere 46 snow blower, ensuring accurate repairs and maintenance for efficient performance. Find parts for your john deere housing (46 snow thrower) with our free parts lookup tool! Fix it. John Deere 46 Snow Blower Parts Diagram.
From www.jackssmallengines.com
DR Power Snow Blower Pro 28, 30 & 34 Parts Diagram for Snow Blower John Deere 46 Snow Blower Parts Diagram Fix it fast with oem parts list and diagrams. Explore the detailed parts diagram for john deere 46 snow blower, ensuring accurate repairs and maintenance for efficient performance. Search our parts catalog, order parts online or contact your john deere dealer. Find parts for your john deere auger, 47 snowblower with our free parts lookup tool! Find parts & diagrams. John Deere 46 Snow Blower Parts Diagram.