Jbl Subwoofer Parts . Or has your charger seen better days? looking for a spare part, maintenance product or accessory for your jbl subwoofer? ★ 6+ jbl subwoofer pièces disponibles. Has the boom left your boombox? Please contact our customer service. replacement parts are available from authorized dealers and service centers. besoin de pièces détachées pour votre casque, votre casque de gaming, votre enceinte ou votre barre de son ? speaker accessories, spare parts & battery. this guide will walk you through the steps to remove and replace a subwoofer / speaker from your 1st generation jbl boombox. Best sellers view all marine audio marine audio. browse our huge selection of jbl parts, replacement & service products and more at fullcompass.com. car subwoofer enclosures car subwoofer enclosures. Best sellers view all power sports audio power. pièces détachées jbl subwoofer nécessaires ? We can supply more than 6.
from electronicshelponline.blogspot.com
besoin de pièces détachées pour votre casque, votre casque de gaming, votre enceinte ou votre barre de son ? browse our huge selection of jbl parts, replacement & service products and more at fullcompass.com. pièces détachées jbl subwoofer nécessaires ? Please contact our customer service. Best sellers view all power sports audio power. Has the boom left your boombox? ★ 6+ jbl subwoofer pièces disponibles. this guide will walk you through the steps to remove and replace a subwoofer / speaker from your 1st generation jbl boombox. We can supply more than 6. looking for a spare part, maintenance product or accessory for your jbl subwoofer?
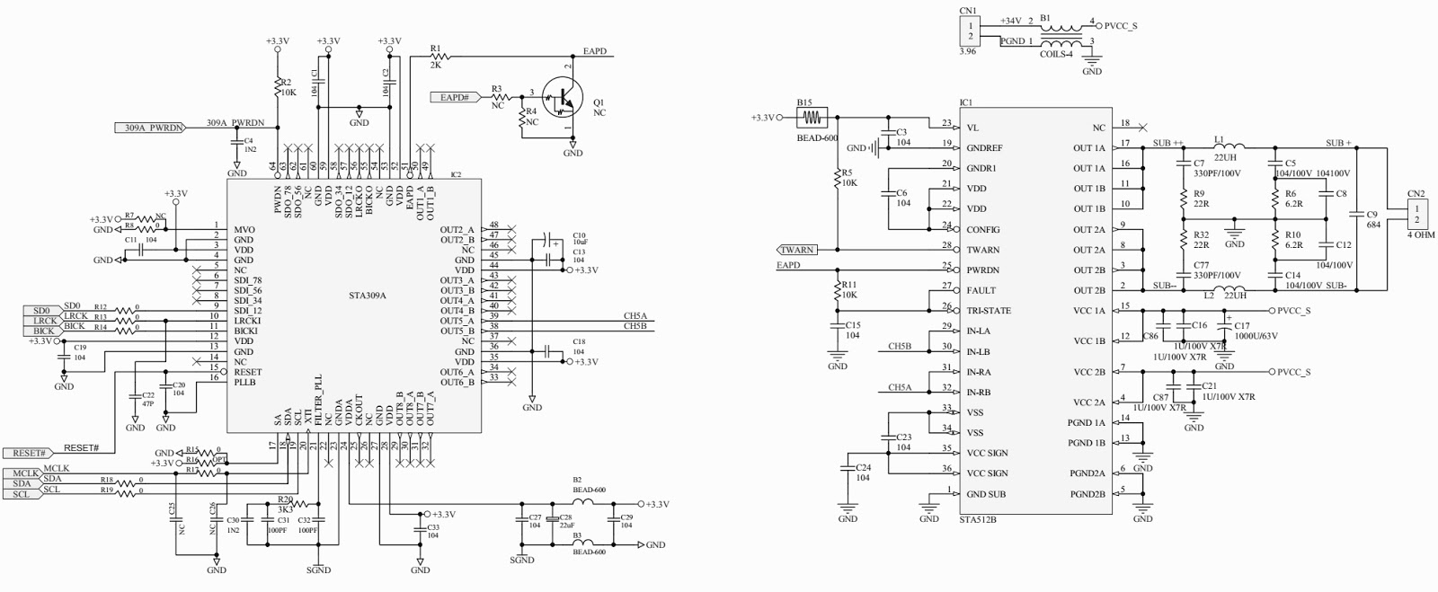
JBL BASSPRO SUBWOOFER SPECIFICATIONS SCHEMATIC PRINTED CIRCUIT
Jbl Subwoofer Parts looking for a spare part, maintenance product or accessory for your jbl subwoofer? speaker accessories, spare parts & battery. replacement parts are available from authorized dealers and service centers. browse our huge selection of jbl parts, replacement & service products and more at fullcompass.com. Best sellers view all power sports audio power. Has the boom left your boombox? Best sellers view all marine audio marine audio. ★ 6+ jbl subwoofer pièces disponibles. We can supply more than 6. pièces détachées jbl subwoofer nécessaires ? Please contact our customer service. this guide will walk you through the steps to remove and replace a subwoofer / speaker from your 1st generation jbl boombox. car subwoofer enclosures car subwoofer enclosures. looking for a spare part, maintenance product or accessory for your jbl subwoofer? besoin de pièces détachées pour votre casque, votre casque de gaming, votre enceinte ou votre barre de son ? Or has your charger seen better days?
From www.simplyspeakers.com
SS Audio Recone Kit for JBL 2043G, RKJBL20434 Jbl Subwoofer Parts car subwoofer enclosures car subwoofer enclosures. Best sellers view all power sports audio power. browse our huge selection of jbl parts, replacement & service products and more at fullcompass.com. speaker accessories, spare parts & battery. replacement parts are available from authorized dealers and service centers. Please contact our customer service. ★ 6+ jbl subwoofer pièces disponibles.. Jbl Subwoofer Parts.
From www.umlib.com
PDF manual for JBL Subwoofer BALBOASUB10 Jbl Subwoofer Parts looking for a spare part, maintenance product or accessory for your jbl subwoofer? car subwoofer enclosures car subwoofer enclosures. Please contact our customer service. ★ 6+ jbl subwoofer pièces disponibles. besoin de pièces détachées pour votre casque, votre casque de gaming, votre enceinte ou votre barre de son ? Has the boom left your boombox? this. Jbl Subwoofer Parts.
From spetchleyparkgardensplantdata.co.uk
JBL CSSBB8 8 Speaker Assembly Backcan for JBL CSS8008 or CSS8018 Jbl Subwoofer Parts besoin de pièces détachées pour votre casque, votre casque de gaming, votre enceinte ou votre barre de son ? Or has your charger seen better days? this guide will walk you through the steps to remove and replace a subwoofer / speaker from your 1st generation jbl boombox. replacement parts are available from authorized dealers and service. Jbl Subwoofer Parts.
From reconingspeakers.com
JBL PRX525 Amplifier Board 364395001 Speaker Exchange Jbl Subwoofer Parts looking for a spare part, maintenance product or accessory for your jbl subwoofer? Has the boom left your boombox? browse our huge selection of jbl parts, replacement & service products and more at fullcompass.com. this guide will walk you through the steps to remove and replace a subwoofer / speaker from your 1st generation jbl boombox. Best. Jbl Subwoofer Parts.
From electronicshelponline.blogspot.com
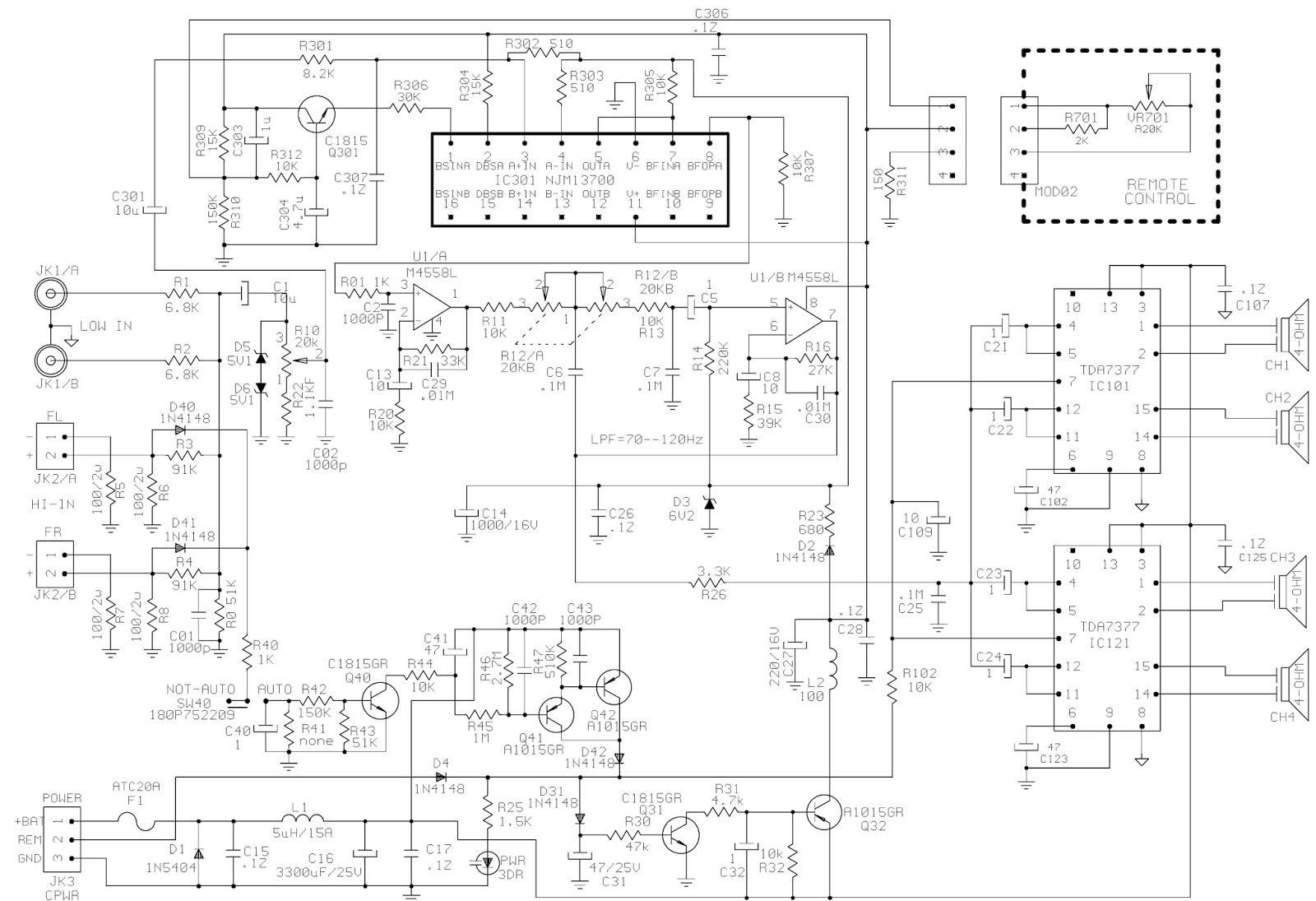
Electro help JBL SUB10 SUBWOOFER SCHEMATIC [CIRCUIT DIAGRAM] AMP Jbl Subwoofer Parts replacement parts are available from authorized dealers and service centers. looking for a spare part, maintenance product or accessory for your jbl subwoofer? We can supply more than 6. Please contact our customer service. ★ 6+ jbl subwoofer pièces disponibles. besoin de pièces détachées pour votre casque, votre casque de gaming, votre enceinte ou votre barre de. Jbl Subwoofer Parts.
From masterelectronicsrepair.blogspot.com
Master Electronics Repair ! JBL SUB 140P JBL SUB 230 CIRCUIT DIAGRAM Jbl Subwoofer Parts besoin de pièces détachées pour votre casque, votre casque de gaming, votre enceinte ou votre barre de son ? this guide will walk you through the steps to remove and replace a subwoofer / speaker from your 1st generation jbl boombox. Please contact our customer service. Best sellers view all marine audio marine audio. car subwoofer enclosures. Jbl Subwoofer Parts.
From zaybees.co.za
JBL STADIUM1224 12″ 500RMS COMPONENT SUBWOOFER WITH SWITCHABLE 2 OR 4 Jbl Subwoofer Parts Best sellers view all power sports audio power. car subwoofer enclosures car subwoofer enclosures. speaker accessories, spare parts & battery. We can supply more than 6. Please contact our customer service. this guide will walk you through the steps to remove and replace a subwoofer / speaker from your 1st generation jbl boombox. pièces détachées jbl. Jbl Subwoofer Parts.
From electronicshelponline.blogspot.com
Electro help JBL S120PII Powered Subwoofer schematic Studio™ Series Jbl Subwoofer Parts car subwoofer enclosures car subwoofer enclosures. Or has your charger seen better days? Best sellers view all marine audio marine audio. ★ 6+ jbl subwoofer pièces disponibles. besoin de pièces détachées pour votre casque, votre casque de gaming, votre enceinte ou votre barre de son ? We can supply more than 6. Has the boom left your boombox?. Jbl Subwoofer Parts.
From www.umlib.com
PDF manual for JBL Subwoofer MPS1000 Jbl Subwoofer Parts Please contact our customer service. car subwoofer enclosures car subwoofer enclosures. Best sellers view all marine audio marine audio. Has the boom left your boombox? this guide will walk you through the steps to remove and replace a subwoofer / speaker from your 1st generation jbl boombox. pièces détachées jbl subwoofer nécessaires ? looking for a. Jbl Subwoofer Parts.
From elektrotanya.com
JBL ARC SUB10 DS10 POWERED SUBWOOFER 2000 SM Service Manual download Jbl Subwoofer Parts looking for a spare part, maintenance product or accessory for your jbl subwoofer? ★ 6+ jbl subwoofer pièces disponibles. Or has your charger seen better days? speaker accessories, spare parts & battery. browse our huge selection of jbl parts, replacement & service products and more at fullcompass.com. this guide will walk you through the steps to. Jbl Subwoofer Parts.
From www.umlib.com
PDF manual for JBL Subwoofer SCS 138 Subwoofer Jbl Subwoofer Parts replacement parts are available from authorized dealers and service centers. Has the boom left your boombox? Best sellers view all power sports audio power. We can supply more than 6. Best sellers view all marine audio marine audio. browse our huge selection of jbl parts, replacement & service products and more at fullcompass.com. Please contact our customer service.. Jbl Subwoofer Parts.
From reconingspeakers.com
JBL L8400P Amplifier Assembly 353590001 Speaker Exchange Jbl Subwoofer Parts Best sellers view all power sports audio power. Please contact our customer service. car subwoofer enclosures car subwoofer enclosures. besoin de pièces détachées pour votre casque, votre casque de gaming, votre enceinte ou votre barre de son ? ★ 6+ jbl subwoofer pièces disponibles. replacement parts are available from authorized dealers and service centers. Best sellers view. Jbl Subwoofer Parts.
From elektrotanya.com
JBL SCS 138178 V1 E SUBWOOFER Service Manual download, schematics Jbl Subwoofer Parts besoin de pièces détachées pour votre casque, votre casque de gaming, votre enceinte ou votre barre de son ? We can supply more than 6. car subwoofer enclosures car subwoofer enclosures. replacement parts are available from authorized dealers and service centers. speaker accessories, spare parts & battery. Please contact our customer service. pièces détachées jbl. Jbl Subwoofer Parts.
From ar.inspiredpencil.com
Jbl Subwoofer Box Dimensions Jbl Subwoofer Parts Or has your charger seen better days? pièces détachées jbl subwoofer nécessaires ? this guide will walk you through the steps to remove and replace a subwoofer / speaker from your 1st generation jbl boombox. replacement parts are available from authorized dealers and service centers. Best sellers view all power sports audio power. browse our huge. Jbl Subwoofer Parts.
From www.avpartsmaster.co.uk
JBL Control 50S/TWH 150 W Active subwoofer White Business Solutions Jbl Subwoofer Parts replacement parts are available from authorized dealers and service centers. Or has your charger seen better days? Best sellers view all power sports audio power. Has the boom left your boombox? ★ 6+ jbl subwoofer pièces disponibles. looking for a spare part, maintenance product or accessory for your jbl subwoofer? browse our huge selection of jbl parts,. Jbl Subwoofer Parts.
From electronicshelponline.blogspot.com
Electro help JBL SUB10 SUBWOOFER SCHEMATIC [CIRCUIT DIAGRAM] AMP Jbl Subwoofer Parts this guide will walk you through the steps to remove and replace a subwoofer / speaker from your 1st generation jbl boombox. Best sellers view all marine audio marine audio. besoin de pièces détachées pour votre casque, votre casque de gaming, votre enceinte ou votre barre de son ? Please contact our customer service. Or has your charger. Jbl Subwoofer Parts.
From elektrotanya.com
JBL SUB300 ACTIVE SUBWOOFER Service Manual download, schematics, eeprom Jbl Subwoofer Parts Best sellers view all power sports audio power. browse our huge selection of jbl parts, replacement & service products and more at fullcompass.com. speaker accessories, spare parts & battery. this guide will walk you through the steps to remove and replace a subwoofer / speaker from your 1st generation jbl boombox. car subwoofer enclosures car subwoofer. Jbl Subwoofer Parts.
From reverb.com
JBL PRX 518S, Subwoofer,18" pair (2) for parts/repair Reverb Jbl Subwoofer Parts pièces détachées jbl subwoofer nécessaires ? Or has your charger seen better days? Best sellers view all marine audio marine audio. car subwoofer enclosures car subwoofer enclosures. ★ 6+ jbl subwoofer pièces disponibles. We can supply more than 6. Best sellers view all power sports audio power. this guide will walk you through the steps to remove. Jbl Subwoofer Parts.
From www.carousell.sg
JBL GT1000T Subwoofer with Factory Casing, Computers & Tech, Parts Jbl Subwoofer Parts this guide will walk you through the steps to remove and replace a subwoofer / speaker from your 1st generation jbl boombox. pièces détachées jbl subwoofer nécessaires ? besoin de pièces détachées pour votre casque, votre casque de gaming, votre enceinte ou votre barre de son ? browse our huge selection of jbl parts, replacement &. Jbl Subwoofer Parts.
From www.prosoundservice.com
Guaranteed Genuine JBL Part 5043263 Amplifier Assembly for the JBL Jbl Subwoofer Parts Has the boom left your boombox? besoin de pièces détachées pour votre casque, votre casque de gaming, votre enceinte ou votre barre de son ? speaker accessories, spare parts & battery. Please contact our customer service. browse our huge selection of jbl parts, replacement & service products and more at fullcompass.com. car subwoofer enclosures car subwoofer. Jbl Subwoofer Parts.
From electronicshelponline.blogspot.com
Electro help JBL SUB10 SUBWOOFER SCHEMATIC [CIRCUIT DIAGRAM] AMP Jbl Subwoofer Parts car subwoofer enclosures car subwoofer enclosures. besoin de pièces détachées pour votre casque, votre casque de gaming, votre enceinte ou votre barre de son ? pièces détachées jbl subwoofer nécessaires ? this guide will walk you through the steps to remove and replace a subwoofer / speaker from your 1st generation jbl boombox. Please contact our. Jbl Subwoofer Parts.
From www.youtube.com
JBL Subwoofer. Что внутри. Разбираем сабвуфер JBL SUB 200\230 YouTube Jbl Subwoofer Parts We can supply more than 6. browse our huge selection of jbl parts, replacement & service products and more at fullcompass.com. car subwoofer enclosures car subwoofer enclosures. this guide will walk you through the steps to remove and replace a subwoofer / speaker from your 1st generation jbl boombox. Best sellers view all marine audio marine audio.. Jbl Subwoofer Parts.
From www.youtube.com
jbl subwoofer amplifier assembled low budget YouTube Jbl Subwoofer Parts looking for a spare part, maintenance product or accessory for your jbl subwoofer? pièces détachées jbl subwoofer nécessaires ? car subwoofer enclosures car subwoofer enclosures. Please contact our customer service. besoin de pièces détachées pour votre casque, votre casque de gaming, votre enceinte ou votre barre de son ? speaker accessories, spare parts & battery.. Jbl Subwoofer Parts.
From reconingspeakers.com
JBL EON 618S Complete Amplifier Assembly 5056859 Speaker Exchange Jbl Subwoofer Parts pièces détachées jbl subwoofer nécessaires ? this guide will walk you through the steps to remove and replace a subwoofer / speaker from your 1st generation jbl boombox. browse our huge selection of jbl parts, replacement & service products and more at fullcompass.com. replacement parts are available from authorized dealers and service centers. car subwoofer. Jbl Subwoofer Parts.
From electronicshelponline.blogspot.com
Electro help JBL BASS15 _ JBL BASS16 SCHEMATIC DIAGRAM _ Powered Sub Jbl Subwoofer Parts looking for a spare part, maintenance product or accessory for your jbl subwoofer? ★ 6+ jbl subwoofer pièces disponibles. Best sellers view all power sports audio power. browse our huge selection of jbl parts, replacement & service products and more at fullcompass.com. Or has your charger seen better days? Please contact our customer service. besoin de pièces. Jbl Subwoofer Parts.
From electronicshelponline.blogspot.ug
JBL Bass2Basswave Powered Subwoofer Schematic Exploded View Jbl Subwoofer Parts car subwoofer enclosures car subwoofer enclosures. pièces détachées jbl subwoofer nécessaires ? browse our huge selection of jbl parts, replacement & service products and more at fullcompass.com. Please contact our customer service. We can supply more than 6. Has the boom left your boombox? Or has your charger seen better days? Best sellers view all power sports. Jbl Subwoofer Parts.
From www.youtube.com
Jbl subwoofer amplifier installation and Wiring YouTube Jbl Subwoofer Parts besoin de pièces détachées pour votre casque, votre casque de gaming, votre enceinte ou votre barre de son ? this guide will walk you through the steps to remove and replace a subwoofer / speaker from your 1st generation jbl boombox. car subwoofer enclosures car subwoofer enclosures. replacement parts are available from authorized dealers and service. Jbl Subwoofer Parts.
From electronicshelponline.blogspot.com
Electro help JBL SUB10 SUBWOOFER SCHEMATIC [CIRCUIT DIAGRAM] AMP Jbl Subwoofer Parts besoin de pièces détachées pour votre casque, votre casque de gaming, votre enceinte ou votre barre de son ? Best sellers view all marine audio marine audio. replacement parts are available from authorized dealers and service centers. speaker accessories, spare parts & battery. Please contact our customer service. car subwoofer enclosures car subwoofer enclosures. browse. Jbl Subwoofer Parts.
From ecommerce.mysav.eu
Power board JBL Bar 3.1 Sub Jbl Subwoofer Parts looking for a spare part, maintenance product or accessory for your jbl subwoofer? We can supply more than 6. car subwoofer enclosures car subwoofer enclosures. ★ 6+ jbl subwoofer pièces disponibles. Best sellers view all marine audio marine audio. besoin de pièces détachées pour votre casque, votre casque de gaming, votre enceinte ou votre barre de son. Jbl Subwoofer Parts.
From manuals.plus
JBL Powered Subwoofer Owner's Manual Jbl Subwoofer Parts Please contact our customer service. Has the boom left your boombox? besoin de pièces détachées pour votre casque, votre casque de gaming, votre enceinte ou votre barre de son ? Or has your charger seen better days? speaker accessories, spare parts & battery. replacement parts are available from authorized dealers and service centers. Best sellers view all. Jbl Subwoofer Parts.
From electronicshelponline.blogspot.com
Electro help JBL GT BASSPRO II SubWoofer WIRING DIAGRAM CIRCUIT Jbl Subwoofer Parts Best sellers view all power sports audio power. pièces détachées jbl subwoofer nécessaires ? Please contact our customer service. replacement parts are available from authorized dealers and service centers. speaker accessories, spare parts & battery. Has the boom left your boombox? car subwoofer enclosures car subwoofer enclosures. besoin de pièces détachées pour votre casque, votre. Jbl Subwoofer Parts.
From electronicshelponline.blogspot.com
JBL BASSPRO SUBWOOFER SPECIFICATIONS SCHEMATIC PRINTED CIRCUIT Jbl Subwoofer Parts Please contact our customer service. pièces détachées jbl subwoofer nécessaires ? browse our huge selection of jbl parts, replacement & service products and more at fullcompass.com. this guide will walk you through the steps to remove and replace a subwoofer / speaker from your 1st generation jbl boombox. Or has your charger seen better days? besoin. Jbl Subwoofer Parts.
From electronicshelponline.blogspot.com
JBL BASSPRO SUBWOOFER SPECIFICATIONS SCHEMATIC PRINTED CIRCUIT Jbl Subwoofer Parts Please contact our customer service. car subwoofer enclosures car subwoofer enclosures. pièces détachées jbl subwoofer nécessaires ? browse our huge selection of jbl parts, replacement & service products and more at fullcompass.com. Best sellers view all power sports audio power. replacement parts are available from authorized dealers and service centers. besoin de pièces détachées pour. Jbl Subwoofer Parts.
From device.report
JBL SUB80P Wireless Subwoofer Owner's Manual Jbl Subwoofer Parts besoin de pièces détachées pour votre casque, votre casque de gaming, votre enceinte ou votre barre de son ? Please contact our customer service. Best sellers view all power sports audio power. speaker accessories, spare parts & battery. car subwoofer enclosures car subwoofer enclosures. browse our huge selection of jbl parts, replacement & service products and. Jbl Subwoofer Parts.
From elektrotanya.com
JBLSUB333ACTIVESUBWOOFER SM Service Manual download, schematics Jbl Subwoofer Parts Please contact our customer service. car subwoofer enclosures car subwoofer enclosures. Best sellers view all power sports audio power. looking for a spare part, maintenance product or accessory for your jbl subwoofer? Best sellers view all marine audio marine audio. replacement parts are available from authorized dealers and service centers. besoin de pièces détachées pour votre. Jbl Subwoofer Parts.