What Is A Keyseat . A demountable machinery part, which when assembled into keyseats, provides a positive. There are several types of key shapes: See tables of key size, keyway width, keyway depth, keyway radius and other parameters for different. For a key to function properly, both the shaft and rotating elements (gear, pulley and coupling) must have a keyway and a keyseat. Key seat is a noun that means a bed or groove in a mechanical part to receive a key. What is a key, keyseat, and keyway? It can also be a verb that means to supply a mechanical part.
from www.harveyperformance.com
A demountable machinery part, which when assembled into keyseats, provides a positive. There are several types of key shapes: Key seat is a noun that means a bed or groove in a mechanical part to receive a key. See tables of key size, keyway width, keyway depth, keyway radius and other parameters for different. For a key to function properly, both the shaft and rotating elements (gear, pulley and coupling) must have a keyway and a keyseat. It can also be a verb that means to supply a mechanical part. What is a key, keyseat, and keyway?
4 Important Keyseat Cutter Considerations In The Loupe
What Is A Keyseat A demountable machinery part, which when assembled into keyseats, provides a positive. Key seat is a noun that means a bed or groove in a mechanical part to receive a key. For a key to function properly, both the shaft and rotating elements (gear, pulley and coupling) must have a keyway and a keyseat. It can also be a verb that means to supply a mechanical part. See tables of key size, keyway width, keyway depth, keyway radius and other parameters for different. What is a key, keyseat, and keyway? There are several types of key shapes: A demountable machinery part, which when assembled into keyseats, provides a positive.
From design.udlvirtual.edu.pe
Types Of Keys In Machine Design Ppt Design Talk What Is A Keyseat See tables of key size, keyway width, keyway depth, keyway radius and other parameters for different. There are several types of key shapes: What is a key, keyseat, and keyway? It can also be a verb that means to supply a mechanical part. A demountable machinery part, which when assembled into keyseats, provides a positive. For a key to function. What Is A Keyseat.
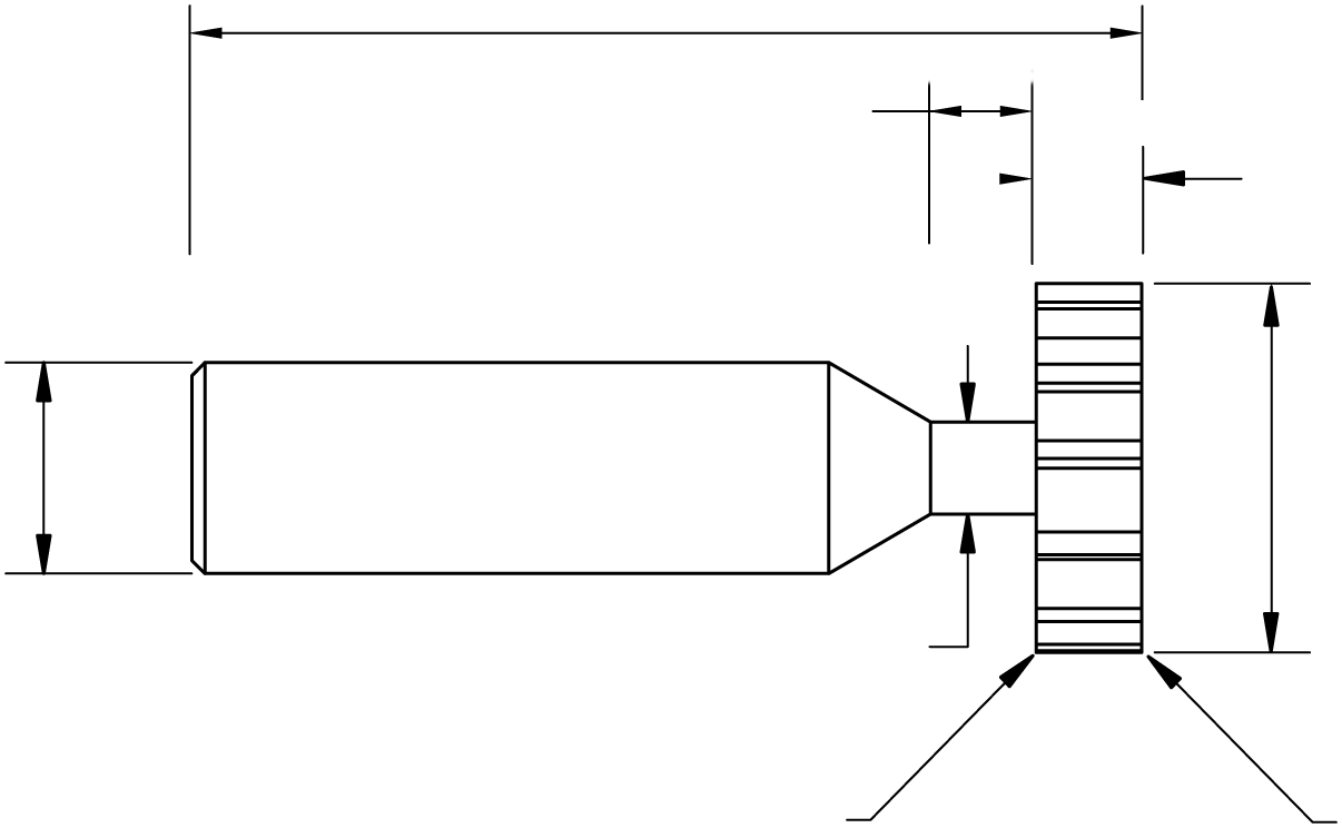
From www.northbaycuttingtools.com
1/32" x 5/8" HSS NARROW WIDTH KEYSEAT CUTTER North Bay Cutting Tools What Is A Keyseat There are several types of key shapes: It can also be a verb that means to supply a mechanical part. For a key to function properly, both the shaft and rotating elements (gear, pulley and coupling) must have a keyway and a keyseat. A demountable machinery part, which when assembled into keyseats, provides a positive. What is a key, keyseat,. What Is A Keyseat.
From www.e-magnetica.pl
Key, keyway, keyseat [Encyclopedia What Is A Keyseat Key seat is a noun that means a bed or groove in a mechanical part to receive a key. What is a key, keyseat, and keyway? It can also be a verb that means to supply a mechanical part. For a key to function properly, both the shaft and rotating elements (gear, pulley and coupling) must have a keyway and. What Is A Keyseat.
From simpliengineering.com
Keyway Dimensioning Drafting & GD&T SimpliEngineering What Is A Keyseat Key seat is a noun that means a bed or groove in a mechanical part to receive a key. For a key to function properly, both the shaft and rotating elements (gear, pulley and coupling) must have a keyway and a keyseat. What is a key, keyseat, and keyway? There are several types of key shapes: It can also be. What Is A Keyseat.
From pet-oil.blogspot.com
Mud Related Drilling Problems Differential Sticking Reduce Hydrostatic What Is A Keyseat A demountable machinery part, which when assembled into keyseats, provides a positive. There are several types of key shapes: Key seat is a noun that means a bed or groove in a mechanical part to receive a key. It can also be a verb that means to supply a mechanical part. See tables of key size, keyway width, keyway depth,. What Is A Keyseat.
From aronson-campbell.com
Custom Keyseat Cutter AronsonCampbell Tools that Handle Anything What Is A Keyseat There are several types of key shapes: See tables of key size, keyway width, keyway depth, keyway radius and other parameters for different. Key seat is a noun that means a bed or groove in a mechanical part to receive a key. For a key to function properly, both the shaft and rotating elements (gear, pulley and coupling) must have. What Is A Keyseat.
From www.youtube.com
Keyways 101 How to use and make keyways YouTube What Is A Keyseat A demountable machinery part, which when assembled into keyseats, provides a positive. There are several types of key shapes: It can also be a verb that means to supply a mechanical part. For a key to function properly, both the shaft and rotating elements (gear, pulley and coupling) must have a keyway and a keyseat. What is a key, keyseat,. What Is A Keyseat.
From www.engineeringtribe.com
Types of shaft keys and their definition. EngineeringTribe What Is A Keyseat See tables of key size, keyway width, keyway depth, keyway radius and other parameters for different. A demountable machinery part, which when assembled into keyseats, provides a positive. There are several types of key shapes: It can also be a verb that means to supply a mechanical part. What is a key, keyseat, and keyway? For a key to function. What Is A Keyseat.
From www.drillingformulas.com
Key Seat Causes Stuck Pipe Drilling Formulas and Drilling Calculations What Is A Keyseat For a key to function properly, both the shaft and rotating elements (gear, pulley and coupling) must have a keyway and a keyseat. See tables of key size, keyway width, keyway depth, keyway radius and other parameters for different. There are several types of key shapes: Key seat is a noun that means a bed or groove in a mechanical. What Is A Keyseat.
From abtoolsinc.com
Keyseat Cutters AB Tools, Inc. Carbide Cutting and Milling Tools What Is A Keyseat See tables of key size, keyway width, keyway depth, keyway radius and other parameters for different. A demountable machinery part, which when assembled into keyseats, provides a positive. There are several types of key shapes: It can also be a verb that means to supply a mechanical part. Key seat is a noun that means a bed or groove in. What Is A Keyseat.
From www.pinterest.com
Here is a little visual representation of the differences between a What Is A Keyseat See tables of key size, keyway width, keyway depth, keyway radius and other parameters for different. What is a key, keyseat, and keyway? Key seat is a noun that means a bed or groove in a mechanical part to receive a key. There are several types of key shapes: It can also be a verb that means to supply a. What Is A Keyseat.
From fleetwing.blogspot.com
Cruising the ICW with Bob423 Key West Genset oil change and other stuff What Is A Keyseat What is a key, keyseat, and keyway? There are several types of key shapes: It can also be a verb that means to supply a mechanical part. See tables of key size, keyway width, keyway depth, keyway radius and other parameters for different. Key seat is a noun that means a bed or groove in a mechanical part to receive. What Is A Keyseat.
From www.youtube.com
Module 7 Keys and Keyseats Video YouTube What Is A Keyseat See tables of key size, keyway width, keyway depth, keyway radius and other parameters for different. Key seat is a noun that means a bed or groove in a mechanical part to receive a key. What is a key, keyseat, and keyway? For a key to function properly, both the shaft and rotating elements (gear, pulley and coupling) must have. What Is A Keyseat.
From forums.1911forum.com
Keyseat cutter or end mill for machining frame slide rails? 1911Forum What Is A Keyseat There are several types of key shapes: A demountable machinery part, which when assembled into keyseats, provides a positive. See tables of key size, keyway width, keyway depth, keyway radius and other parameters for different. For a key to function properly, both the shaft and rotating elements (gear, pulley and coupling) must have a keyway and a keyseat. What is. What Is A Keyseat.
From www.slideserve.com
PPT Chapter 11 Keys, Couplings and Seals PowerPoint Presentation What Is A Keyseat A demountable machinery part, which when assembled into keyseats, provides a positive. Key seat is a noun that means a bed or groove in a mechanical part to receive a key. It can also be a verb that means to supply a mechanical part. What is a key, keyseat, and keyway? There are several types of key shapes: For a. What Is A Keyseat.
From www.harveyperformance.com
4 Important Keyseat Cutter Considerations In The Loupe What Is A Keyseat It can also be a verb that means to supply a mechanical part. A demountable machinery part, which when assembled into keyseats, provides a positive. There are several types of key shapes: What is a key, keyseat, and keyway? For a key to function properly, both the shaft and rotating elements (gear, pulley and coupling) must have a keyway and. What Is A Keyseat.
From www.wrmeadows.com
How to choose the right KEYWAY PVC tongue and groove joint form Blog What Is A Keyseat For a key to function properly, both the shaft and rotating elements (gear, pulley and coupling) must have a keyway and a keyseat. Key seat is a noun that means a bed or groove in a mechanical part to receive a key. What is a key, keyseat, and keyway? There are several types of key shapes: See tables of key. What Is A Keyseat.
From camelcamelcamel.com
KEO 69000 HighSpeed Steel Narrow Width Keyseat Cutter, Uncoated What Is A Keyseat What is a key, keyseat, and keyway? A demountable machinery part, which when assembled into keyseats, provides a positive. There are several types of key shapes: For a key to function properly, both the shaft and rotating elements (gear, pulley and coupling) must have a keyway and a keyseat. See tables of key size, keyway width, keyway depth, keyway radius. What Is A Keyseat.
From engineeringproductdesign.com
Shaft key & keyway Key types Keyed Joint application & benefits What Is A Keyseat It can also be a verb that means to supply a mechanical part. What is a key, keyseat, and keyway? Key seat is a noun that means a bed or groove in a mechanical part to receive a key. A demountable machinery part, which when assembled into keyseats, provides a positive. There are several types of key shapes: For a. What Is A Keyseat.
From www.rechargecolorado.org
Woodruff Key Cutter Size Chart Best Picture Of Chart What Is A Keyseat For a key to function properly, both the shaft and rotating elements (gear, pulley and coupling) must have a keyway and a keyseat. There are several types of key shapes: See tables of key size, keyway width, keyway depth, keyway radius and other parameters for different. Key seat is a noun that means a bed or groove in a mechanical. What Is A Keyseat.
From hxetwkims.blob.core.windows.net
Keyseat Cutter With Corner Radius at Fern Pack blog What Is A Keyseat For a key to function properly, both the shaft and rotating elements (gear, pulley and coupling) must have a keyway and a keyseat. See tables of key size, keyway width, keyway depth, keyway radius and other parameters for different. What is a key, keyseat, and keyway? Key seat is a noun that means a bed or groove in a mechanical. What Is A Keyseat.
From www.chegg.com
Solved Use the general shaft layout given and determine What Is A Keyseat See tables of key size, keyway width, keyway depth, keyway radius and other parameters for different. Key seat is a noun that means a bed or groove in a mechanical part to receive a key. What is a key, keyseat, and keyway? It can also be a verb that means to supply a mechanical part. A demountable machinery part, which. What Is A Keyseat.
From www.harveyperformance.com
4 Important Keyseat Cutter Considerations In The Loupe Machinist Blog What Is A Keyseat There are several types of key shapes: A demountable machinery part, which when assembled into keyseats, provides a positive. Key seat is a noun that means a bed or groove in a mechanical part to receive a key. What is a key, keyseat, and keyway? For a key to function properly, both the shaft and rotating elements (gear, pulley and. What Is A Keyseat.
From www.e-magnetica.pl
Key, keyway, keyseat [Encyclopedia What Is A Keyseat See tables of key size, keyway width, keyway depth, keyway radius and other parameters for different. There are several types of key shapes: Key seat is a noun that means a bed or groove in a mechanical part to receive a key. A demountable machinery part, which when assembled into keyseats, provides a positive. For a key to function properly,. What Is A Keyseat.
From www.chegg.com
Use the general shaft layout given and determine the What Is A Keyseat See tables of key size, keyway width, keyway depth, keyway radius and other parameters for different. Key seat is a noun that means a bed or groove in a mechanical part to receive a key. It can also be a verb that means to supply a mechanical part. A demountable machinery part, which when assembled into keyseats, provides a positive.. What Is A Keyseat.
From www.vrogue.co
Solved Given The Following Relay Maximum Torque Angle vrogue.co What Is A Keyseat What is a key, keyseat, and keyway? There are several types of key shapes: It can also be a verb that means to supply a mechanical part. See tables of key size, keyway width, keyway depth, keyway radius and other parameters for different. A demountable machinery part, which when assembled into keyseats, provides a positive. Key seat is a noun. What Is A Keyseat.
From www.gdandtbasics.com
Keyseats and Keyways GD&T Basics What Is A Keyseat There are several types of key shapes: It can also be a verb that means to supply a mechanical part. A demountable machinery part, which when assembled into keyseats, provides a positive. See tables of key size, keyway width, keyway depth, keyway radius and other parameters for different. What is a key, keyseat, and keyway? Key seat is a noun. What Is A Keyseat.
From www.youtube.com
Broaching an internal keyway/keyseat YouTube What Is A Keyseat For a key to function properly, both the shaft and rotating elements (gear, pulley and coupling) must have a keyway and a keyseat. It can also be a verb that means to supply a mechanical part. A demountable machinery part, which when assembled into keyseats, provides a positive. What is a key, keyseat, and keyway? Key seat is a noun. What Is A Keyseat.
From www.numerade.com
SOLVED If the shaft's loading is fully reversed and the torque between What Is A Keyseat For a key to function properly, both the shaft and rotating elements (gear, pulley and coupling) must have a keyway and a keyseat. It can also be a verb that means to supply a mechanical part. Key seat is a noun that means a bed or groove in a mechanical part to receive a key. What is a key, keyseat,. What Is A Keyseat.
From www.bartleby.com
Answered Use the following shaft layout assuming… bartleby What Is A Keyseat It can also be a verb that means to supply a mechanical part. There are several types of key shapes: For a key to function properly, both the shaft and rotating elements (gear, pulley and coupling) must have a keyway and a keyseat. Key seat is a noun that means a bed or groove in a mechanical part to receive. What Is A Keyseat.
From gioouhjzv.blob.core.windows.net
Woodruff Key Cutting at Oliva Stamper blog What Is A Keyseat See tables of key size, keyway width, keyway depth, keyway radius and other parameters for different. For a key to function properly, both the shaft and rotating elements (gear, pulley and coupling) must have a keyway and a keyseat. It can also be a verb that means to supply a mechanical part. What is a key, keyseat, and keyway? Key. What Is A Keyseat.
From www.carbideanddiamondtooling.com
Woodruff Style Cutter Straight Tooth Staggered Tooth, Woodruff Keyseat What Is A Keyseat Key seat is a noun that means a bed or groove in a mechanical part to receive a key. A demountable machinery part, which when assembled into keyseats, provides a positive. See tables of key size, keyway width, keyway depth, keyway radius and other parameters for different. What is a key, keyseat, and keyway? It can also be a verb. What Is A Keyseat.
From www.gdandtbasics.com
Keyseats and Keyways GD&T Basics What Is A Keyseat Key seat is a noun that means a bed or groove in a mechanical part to receive a key. For a key to function properly, both the shaft and rotating elements (gear, pulley and coupling) must have a keyway and a keyseat. See tables of key size, keyway width, keyway depth, keyway radius and other parameters for different. It can. What Is A Keyseat.
From fullertontool.com
Wireframe of an Keyseat Cutter What Is A Keyseat A demountable machinery part, which when assembled into keyseats, provides a positive. It can also be a verb that means to supply a mechanical part. For a key to function properly, both the shaft and rotating elements (gear, pulley and coupling) must have a keyway and a keyseat. There are several types of key shapes: What is a key, keyseat,. What Is A Keyseat.
From engineeringlearn.com
Types of Shaft Keys Definition, Use, Function, Advantages What Is A Keyseat Key seat is a noun that means a bed or groove in a mechanical part to receive a key. What is a key, keyseat, and keyway? A demountable machinery part, which when assembled into keyseats, provides a positive. For a key to function properly, both the shaft and rotating elements (gear, pulley and coupling) must have a keyway and a. What Is A Keyseat.