Current Relay Troubleshooting . Testing dc controlled ssr relay. Many relays have a clear plastic shell containing the coil and contacts. There are several reasons why a relay may fail, including: April 07, 2020 by david peterson. Troubleshooting a relay can be done by following these general steps: Check for proper voltage, current, and wiring connections. How to troubleshoot mechanical relays. This is the easiest and accurate way to check and troubleshoot an ssr (solid state relay). In this article, we will discuss the main causes of failure in mechanical relays,. A relay may fail if it is exposed to excessive current or voltage, which can burn out the. Verify that the circuit the relay is connected to is functioning properly. Do a basic visual inspection of the relay. With a complete understanding of current relay wiring, electricians and technicians can confidently install, troubleshoot, and maintain electrical systems that rely on these essential components.
from www.indiamart.com
April 07, 2020 by david peterson. This is the easiest and accurate way to check and troubleshoot an ssr (solid state relay). Do a basic visual inspection of the relay. Verify that the circuit the relay is connected to is functioning properly. Many relays have a clear plastic shell containing the coil and contacts. Troubleshooting a relay can be done by following these general steps: There are several reasons why a relay may fail, including: How to troubleshoot mechanical relays. A relay may fail if it is exposed to excessive current or voltage, which can burn out the. In this article, we will discuss the main causes of failure in mechanical relays,.
Current Relay Multispan MPD192 Motor Protection Device at Rs 1500 in Vasai
Current Relay Troubleshooting In this article, we will discuss the main causes of failure in mechanical relays,. Testing dc controlled ssr relay. April 07, 2020 by david peterson. Verify that the circuit the relay is connected to is functioning properly. How to troubleshoot mechanical relays. Check for proper voltage, current, and wiring connections. Many relays have a clear plastic shell containing the coil and contacts. This is the easiest and accurate way to check and troubleshoot an ssr (solid state relay). There are several reasons why a relay may fail, including: With a complete understanding of current relay wiring, electricians and technicians can confidently install, troubleshoot, and maintain electrical systems that rely on these essential components. A relay may fail if it is exposed to excessive current or voltage, which can burn out the. Do a basic visual inspection of the relay. In this article, we will discuss the main causes of failure in mechanical relays,. Troubleshooting a relay can be done by following these general steps:
From www.tescaglobal.com
Order Code 46639 Current Relay Troubleshooting Verify that the circuit the relay is connected to is functioning properly. Check for proper voltage, current, and wiring connections. Troubleshooting a relay can be done by following these general steps: Do a basic visual inspection of the relay. Many relays have a clear plastic shell containing the coil and contacts. April 07, 2020 by david peterson. Testing dc controlled. Current Relay Troubleshooting.
From www.walmart.com
High current relay start relay 12V/24V power start relay automobile Current Relay Troubleshooting Many relays have a clear plastic shell containing the coil and contacts. Troubleshooting a relay can be done by following these general steps: There are several reasons why a relay may fail, including: April 07, 2020 by david peterson. This is the easiest and accurate way to check and troubleshoot an ssr (solid state relay). Do a basic visual inspection. Current Relay Troubleshooting.
From www.electrician-1.com
on video Box type relay wiring diagram Compressor Potential Relay Current Relay Troubleshooting Many relays have a clear plastic shell containing the coil and contacts. This is the easiest and accurate way to check and troubleshoot an ssr (solid state relay). There are several reasons why a relay may fail, including: Verify that the circuit the relay is connected to is functioning properly. With a complete understanding of current relay wiring, electricians and. Current Relay Troubleshooting.
From www.indiamart.com
Analog IDMT Over Current Relay Trainer, For Laboratory Equipment, Model Current Relay Troubleshooting This is the easiest and accurate way to check and troubleshoot an ssr (solid state relay). Do a basic visual inspection of the relay. Many relays have a clear plastic shell containing the coil and contacts. Troubleshooting a relay can be done by following these general steps: Check for proper voltage, current, and wiring connections. A relay may fail if. Current Relay Troubleshooting.
From baguselectric.com
Electronic Over Current Relay (EOCR) LT47 Bangun Guna Sejahtera Current Relay Troubleshooting Verify that the circuit the relay is connected to is functioning properly. With a complete understanding of current relay wiring, electricians and technicians can confidently install, troubleshoot, and maintain electrical systems that rely on these essential components. Troubleshooting a relay can be done by following these general steps: Do a basic visual inspection of the relay. Many relays have a. Current Relay Troubleshooting.
From www.indiamart.com
2 Pole Current Relay SPP22 Multispan Single Phase Preventer, For Current Relay Troubleshooting A relay may fail if it is exposed to excessive current or voltage, which can burn out the. April 07, 2020 by david peterson. Troubleshooting a relay can be done by following these general steps: With a complete understanding of current relay wiring, electricians and technicians can confidently install, troubleshoot, and maintain electrical systems that rely on these essential components.. Current Relay Troubleshooting.
From www.chintautopart.com
News Zhejiang Chint Automotive Technology Co., Ltd Current Relay Troubleshooting With a complete understanding of current relay wiring, electricians and technicians can confidently install, troubleshoot, and maintain electrical systems that rely on these essential components. Troubleshooting a relay can be done by following these general steps: This is the easiest and accurate way to check and troubleshoot an ssr (solid state relay). Check for proper voltage, current, and wiring connections.. Current Relay Troubleshooting.
From www.dynamicrep.com
Advantages of Solid State Relays over Electromechanical Relays Current Relay Troubleshooting Testing dc controlled ssr relay. With a complete understanding of current relay wiring, electricians and technicians can confidently install, troubleshoot, and maintain electrical systems that rely on these essential components. Check for proper voltage, current, and wiring connections. Many relays have a clear plastic shell containing the coil and contacts. This is the easiest and accurate way to check and. Current Relay Troubleshooting.
From www.desertcart.jp
Buy irhapsody 120amp 12v Continuous Duty Relay, 4pin HighCurrent Current Relay Troubleshooting With a complete understanding of current relay wiring, electricians and technicians can confidently install, troubleshoot, and maintain electrical systems that rely on these essential components. This is the easiest and accurate way to check and troubleshoot an ssr (solid state relay). In this article, we will discuss the main causes of failure in mechanical relays,. Many relays have a clear. Current Relay Troubleshooting.
From control.com
Troubleshooting Solid State Relays Technical Articles Current Relay Troubleshooting This is the easiest and accurate way to check and troubleshoot an ssr (solid state relay). Do a basic visual inspection of the relay. With a complete understanding of current relay wiring, electricians and technicians can confidently install, troubleshoot, and maintain electrical systems that rely on these essential components. Check for proper voltage, current, and wiring connections. How to troubleshoot. Current Relay Troubleshooting.
From www.indiamart.com
Current Relay 60Hz Single Phase Preventer, For Motors, Voltage 415v Ac Current Relay Troubleshooting With a complete understanding of current relay wiring, electricians and technicians can confidently install, troubleshoot, and maintain electrical systems that rely on these essential components. Troubleshooting a relay can be done by following these general steps: April 07, 2020 by david peterson. A relay may fail if it is exposed to excessive current or voltage, which can burn out the.. Current Relay Troubleshooting.
From automationcommunity.com
Relay Circuits How to Troubleshoot a Relay? Current Relay Troubleshooting There are several reasons why a relay may fail, including: Many relays have a clear plastic shell containing the coil and contacts. A relay may fail if it is exposed to excessive current or voltage, which can burn out the. Verify that the circuit the relay is connected to is functioning properly. In this article, we will discuss the main. Current Relay Troubleshooting.
From www.electricalvolt.com
Overcurrent Relay Working Principle, Types. and Applications Current Relay Troubleshooting In this article, we will discuss the main causes of failure in mechanical relays,. Verify that the circuit the relay is connected to is functioning properly. Do a basic visual inspection of the relay. Many relays have a clear plastic shell containing the coil and contacts. A relay may fail if it is exposed to excessive current or voltage, which. Current Relay Troubleshooting.
From electricala2z.com
Solid State Relay Problems Electrical A2Z Current Relay Troubleshooting A relay may fail if it is exposed to excessive current or voltage, which can burn out the. With a complete understanding of current relay wiring, electricians and technicians can confidently install, troubleshoot, and maintain electrical systems that rely on these essential components. In this article, we will discuss the main causes of failure in mechanical relays,. How to troubleshoot. Current Relay Troubleshooting.
From schematicpartfordoes.z5.web.core.windows.net
Current Relay Wiring Diagram Current Relay Troubleshooting Check for proper voltage, current, and wiring connections. There are several reasons why a relay may fail, including: April 07, 2020 by david peterson. A relay may fail if it is exposed to excessive current or voltage, which can burn out the. How to troubleshoot mechanical relays. This is the easiest and accurate way to check and troubleshoot an ssr. Current Relay Troubleshooting.
From www.indiamart.com
Current Relay Multispan MPD192 Motor Protection Device at Rs 1500 in Vasai Current Relay Troubleshooting In this article, we will discuss the main causes of failure in mechanical relays,. This is the easiest and accurate way to check and troubleshoot an ssr (solid state relay). Troubleshooting a relay can be done by following these general steps: There are several reasons why a relay may fail, including: How to troubleshoot mechanical relays. April 07, 2020 by. Current Relay Troubleshooting.
From www.scribd.com
S72EN PDF Alternating Current Relay Current Relay Troubleshooting Verify that the circuit the relay is connected to is functioning properly. A relay may fail if it is exposed to excessive current or voltage, which can burn out the. April 07, 2020 by david peterson. Check for proper voltage, current, and wiring connections. This is the easiest and accurate way to check and troubleshoot an ssr (solid state relay).. Current Relay Troubleshooting.
From eureka-patsnap-com.libproxy.mit.edu
Reverse current relay Eureka Patsnap develop intelligence library Current Relay Troubleshooting There are several reasons why a relay may fail, including: Troubleshooting a relay can be done by following these general steps: April 07, 2020 by david peterson. With a complete understanding of current relay wiring, electricians and technicians can confidently install, troubleshoot, and maintain electrical systems that rely on these essential components. Many relays have a clear plastic shell containing. Current Relay Troubleshooting.
From electronics.stackexchange.com
control Fixing logic for a relaydriven bidirectional AC Motor Current Relay Troubleshooting In this article, we will discuss the main causes of failure in mechanical relays,. Many relays have a clear plastic shell containing the coil and contacts. How to troubleshoot mechanical relays. April 07, 2020 by david peterson. Testing dc controlled ssr relay. Do a basic visual inspection of the relay. Troubleshooting a relay can be done by following these general. Current Relay Troubleshooting.
From itecnotes.com
Electronic Can the COM and NO terminals of a mechanical relay be used Current Relay Troubleshooting This is the easiest and accurate way to check and troubleshoot an ssr (solid state relay). There are several reasons why a relay may fail, including: Troubleshooting a relay can be done by following these general steps: April 07, 2020 by david peterson. In this article, we will discuss the main causes of failure in mechanical relays,. How to troubleshoot. Current Relay Troubleshooting.
From plarelays.com
Plarelay Products Current Relay Troubleshooting Troubleshooting a relay can be done by following these general steps: Verify that the circuit the relay is connected to is functioning properly. How to troubleshoot mechanical relays. Testing dc controlled ssr relay. April 07, 2020 by david peterson. Do a basic visual inspection of the relay. A relay may fail if it is exposed to excessive current or voltage,. Current Relay Troubleshooting.
From www.lowvoltageinstaller.com
Wiring HVAC Shutdown Using Fire System Relay With High Current Relay Current Relay Troubleshooting Check for proper voltage, current, and wiring connections. How to troubleshoot mechanical relays. Do a basic visual inspection of the relay. Testing dc controlled ssr relay. Many relays have a clear plastic shell containing the coil and contacts. Verify that the circuit the relay is connected to is functioning properly. With a complete understanding of current relay wiring, electricians and. Current Relay Troubleshooting.
From viralgrove.blogspot.com
Wiring Diagram Of A Potential Relay Current Relay Troubleshooting There are several reasons why a relay may fail, including: How to troubleshoot mechanical relays. With a complete understanding of current relay wiring, electricians and technicians can confidently install, troubleshoot, and maintain electrical systems that rely on these essential components. April 07, 2020 by david peterson. Troubleshooting a relay can be done by following these general steps: Verify that the. Current Relay Troubleshooting.
From www.tescaglobal.com
Over Current Relay Testing System Current Relay Troubleshooting In this article, we will discuss the main causes of failure in mechanical relays,. Check for proper voltage, current, and wiring connections. Troubleshooting a relay can be done by following these general steps: Do a basic visual inspection of the relay. Many relays have a clear plastic shell containing the coil and contacts. April 07, 2020 by david peterson. With. Current Relay Troubleshooting.
From comadan.com
RP33 CMAC® 3PHASE CURRENT RELAY Comadan Current Relay Troubleshooting Do a basic visual inspection of the relay. How to troubleshoot mechanical relays. Testing dc controlled ssr relay. Check for proper voltage, current, and wiring connections. Troubleshooting a relay can be done by following these general steps: A relay may fail if it is exposed to excessive current or voltage, which can burn out the. In this article, we will. Current Relay Troubleshooting.
From www.pinterest.com
Pin on Electrical wiring video tutorials Current Relay Troubleshooting Verify that the circuit the relay is connected to is functioning properly. There are several reasons why a relay may fail, including: With a complete understanding of current relay wiring, electricians and technicians can confidently install, troubleshoot, and maintain electrical systems that rely on these essential components. In this article, we will discuss the main causes of failure in mechanical. Current Relay Troubleshooting.
From listrikkita.com
ELECTRONIC RELAY 3A30A 220VAC MANUAL Current Relay Troubleshooting With a complete understanding of current relay wiring, electricians and technicians can confidently install, troubleshoot, and maintain electrical systems that rely on these essential components. In this article, we will discuss the main causes of failure in mechanical relays,. This is the easiest and accurate way to check and troubleshoot an ssr (solid state relay). April 07, 2020 by david. Current Relay Troubleshooting.
From www.youtube.com
HVAC Potential Relay VS Current Relay (Potential Relay Explained Current Relay Troubleshooting There are several reasons why a relay may fail, including: With a complete understanding of current relay wiring, electricians and technicians can confidently install, troubleshoot, and maintain electrical systems that rely on these essential components. Verify that the circuit the relay is connected to is functioning properly. This is the easiest and accurate way to check and troubleshoot an ssr. Current Relay Troubleshooting.
From circuitdiagramgreco.z21.web.core.windows.net
Over Current Relay Diagram Current Relay Troubleshooting How to troubleshoot mechanical relays. In this article, we will discuss the main causes of failure in mechanical relays,. With a complete understanding of current relay wiring, electricians and technicians can confidently install, troubleshoot, and maintain electrical systems that rely on these essential components. This is the easiest and accurate way to check and troubleshoot an ssr (solid state relay).. Current Relay Troubleshooting.
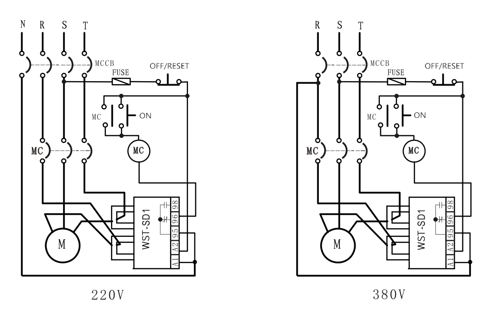
From www.cnwinston.com
Winston WSTSD Electronic Overload Over Protection Relay Buy Current Relay Troubleshooting With a complete understanding of current relay wiring, electricians and technicians can confidently install, troubleshoot, and maintain electrical systems that rely on these essential components. April 07, 2020 by david peterson. Do a basic visual inspection of the relay. A relay may fail if it is exposed to excessive current or voltage, which can burn out the. Troubleshooting a relay. Current Relay Troubleshooting.
From www.freeasestudyguides.com
A/C Clutch Relay Function and Troubleshooting Current Relay Troubleshooting Verify that the circuit the relay is connected to is functioning properly. A relay may fail if it is exposed to excessive current or voltage, which can burn out the. This is the easiest and accurate way to check and troubleshoot an ssr (solid state relay). Troubleshooting a relay can be done by following these general steps: Many relays have. Current Relay Troubleshooting.
From www.geya.net
What is Over Current Relay? Working Principle and Use Current Relay Troubleshooting How to troubleshoot mechanical relays. This is the easiest and accurate way to check and troubleshoot an ssr (solid state relay). Check for proper voltage, current, and wiring connections. April 07, 2020 by david peterson. Do a basic visual inspection of the relay. Troubleshooting a relay can be done by following these general steps: With a complete understanding of current. Current Relay Troubleshooting.
From joivxgezh.blob.core.windows.net
Relay Electrical Fault at Vargas blog Current Relay Troubleshooting Many relays have a clear plastic shell containing the coil and contacts. Verify that the circuit the relay is connected to is functioning properly. Troubleshooting a relay can be done by following these general steps: There are several reasons why a relay may fail, including: A relay may fail if it is exposed to excessive current or voltage, which can. Current Relay Troubleshooting.
From www.pinterest.com
HVACR General Purpose Switching Relays, How it Works, Troubleshooting Current Relay Troubleshooting Troubleshooting a relay can be done by following these general steps: Verify that the circuit the relay is connected to is functioning properly. Check for proper voltage, current, and wiring connections. Testing dc controlled ssr relay. April 07, 2020 by david peterson. In this article, we will discuss the main causes of failure in mechanical relays,. Many relays have a. Current Relay Troubleshooting.
From www.youtube.com
How The Compressor Current Starting Relay Works & Troubleshooting YouTube Current Relay Troubleshooting This is the easiest and accurate way to check and troubleshoot an ssr (solid state relay). Troubleshooting a relay can be done by following these general steps: Do a basic visual inspection of the relay. A relay may fail if it is exposed to excessive current or voltage, which can burn out the. Verify that the circuit the relay is. Current Relay Troubleshooting.