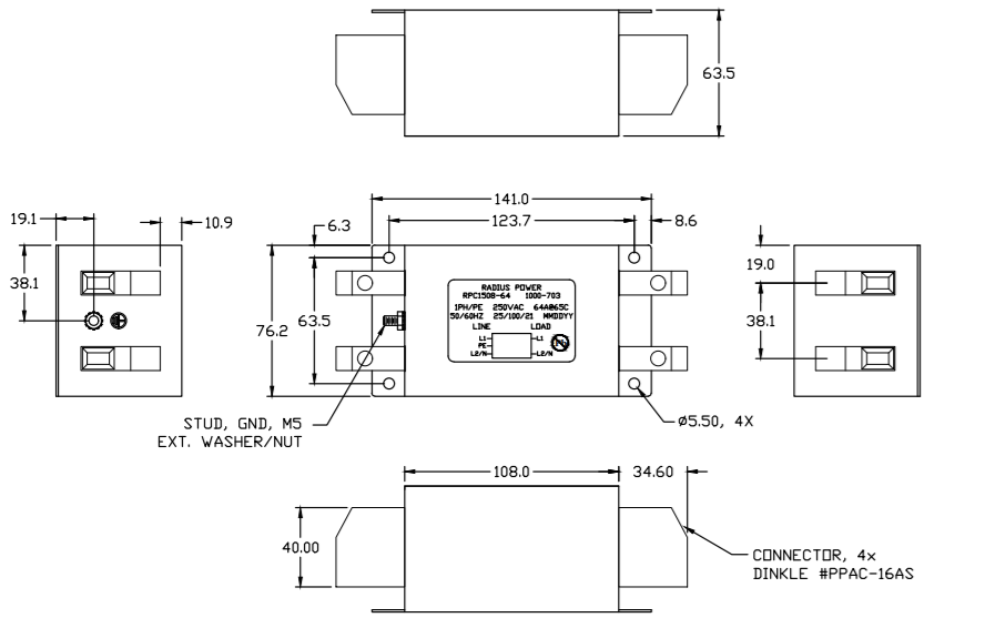
Inline Noise Filter Enphase . When multiple envoys are located on a single utility transformer or when site loads generate electrical noise that disrupt communications,. Power line noise is interference caused by other devices using the same electrical wiring of a house or building. You can use the powerline communications noise detection option in the enphase installer app to check for noise that could impact plc communication. After installing the filter on the system, the inline filter blocks plc signals from other envoys and blocks or dampens broadband noise on the ac signal from the main service panel to. They can also be used to block. Line communication filter (lcf) quick installation guide how do i filter by numeric values in the systems list? If high noise is detected, install.
from enphase.com
When multiple envoys are located on a single utility transformer or when site loads generate electrical noise that disrupt communications,. If high noise is detected, install. Power line noise is interference caused by other devices using the same electrical wiring of a house or building. They can also be used to block. After installing the filter on the system, the inline filter blocks plc signals from other envoys and blocks or dampens broadband noise on the ac signal from the main service panel to. Line communication filter (lcf) quick installation guide how do i filter by numeric values in the systems list? You can use the powerline communications noise detection option in the enphase installer app to check for noise that could impact plc communication.
EMI Line Filter Enphase
Inline Noise Filter Enphase You can use the powerline communications noise detection option in the enphase installer app to check for noise that could impact plc communication. Power line noise is interference caused by other devices using the same electrical wiring of a house or building. You can use the powerline communications noise detection option in the enphase installer app to check for noise that could impact plc communication. After installing the filter on the system, the inline filter blocks plc signals from other envoys and blocks or dampens broadband noise on the ac signal from the main service panel to. They can also be used to block. Line communication filter (lcf) quick installation guide how do i filter by numeric values in the systems list? If high noise is detected, install. When multiple envoys are located on a single utility transformer or when site loads generate electrical noise that disrupt communications,.
From enphase.com
3Phase line communication filter Enphase Inline Noise Filter Enphase After installing the filter on the system, the inline filter blocks plc signals from other envoys and blocks or dampens broadband noise on the ac signal from the main service panel to. Line communication filter (lcf) quick installation guide how do i filter by numeric values in the systems list? You can use the powerline communications noise detection option in. Inline Noise Filter Enphase.
From nightriderleds.com
Inline Noise Filter 100W NightRider LEDS Automotive, Equipment Inline Noise Filter Enphase You can use the powerline communications noise detection option in the enphase installer app to check for noise that could impact plc communication. When multiple envoys are located on a single utility transformer or when site loads generate electrical noise that disrupt communications,. After installing the filter on the system, the inline filter blocks plc signals from other envoys and. Inline Noise Filter Enphase.
From sunwatts.com
Enphase Line Communication Filter Single Phase Inline Noise Filter Enphase Line communication filter (lcf) quick installation guide how do i filter by numeric values in the systems list? You can use the powerline communications noise detection option in the enphase installer app to check for noise that could impact plc communication. When multiple envoys are located on a single utility transformer or when site loads generate electrical noise that disrupt. Inline Noise Filter Enphase.
From www.qualitycaraudio.co.nz
DNA AAF210 In Line Noise Filter Inline Noise Filter Enphase They can also be used to block. When multiple envoys are located on a single utility transformer or when site loads generate electrical noise that disrupt communications,. If high noise is detected, install. You can use the powerline communications noise detection option in the enphase installer app to check for noise that could impact plc communication. Line communication filter (lcf). Inline Noise Filter Enphase.
From www.researchgate.net
Enphase microinverter flyback topology Download Scientific Diagram Inline Noise Filter Enphase They can also be used to block. When multiple envoys are located on a single utility transformer or when site loads generate electrical noise that disrupt communications,. Power line noise is interference caused by other devices using the same electrical wiring of a house or building. Line communication filter (lcf) quick installation guide how do i filter by numeric values. Inline Noise Filter Enphase.
From www.ebay.com
TDK InLine Noise Filter ZGB220301U 250V3A KK8904 M6 eBay Inline Noise Filter Enphase Line communication filter (lcf) quick installation guide how do i filter by numeric values in the systems list? Power line noise is interference caused by other devices using the same electrical wiring of a house or building. You can use the powerline communications noise detection option in the enphase installer app to check for noise that could impact plc communication.. Inline Noise Filter Enphase.
From www.walmart.com
UNIVERSAL INLINE 15 AMP DC POWER NOISE FILTER FILTERS OUT Inline Noise Filter Enphase They can also be used to block. If high noise is detected, install. Power line noise is interference caused by other devices using the same electrical wiring of a house or building. Line communication filter (lcf) quick installation guide how do i filter by numeric values in the systems list? After installing the filter on the system, the inline filter. Inline Noise Filter Enphase.
From diagramlibrarywhereat.z21.web.core.windows.net
12v Noise Filter Circuit Diagram Inline Noise Filter Enphase Line communication filter (lcf) quick installation guide how do i filter by numeric values in the systems list? They can also be used to block. Power line noise is interference caused by other devices using the same electrical wiring of a house or building. If high noise is detected, install. After installing the filter on the system, the inline filter. Inline Noise Filter Enphase.
From www.ecodirect.com
Enphase ELCF120001 Line Communication Filter Inline Noise Filter Enphase When multiple envoys are located on a single utility transformer or when site loads generate electrical noise that disrupt communications,. If high noise is detected, install. After installing the filter on the system, the inline filter blocks plc signals from other envoys and blocks or dampens broadband noise on the ac signal from the main service panel to. Power line. Inline Noise Filter Enphase.
From www.dxzone.com
How to make a mains filter for EMC and noise reduction Resource Detail Inline Noise Filter Enphase Line communication filter (lcf) quick installation guide how do i filter by numeric values in the systems list? They can also be used to block. Power line noise is interference caused by other devices using the same electrical wiring of a house or building. After installing the filter on the system, the inline filter blocks plc signals from other envoys. Inline Noise Filter Enphase.
From electronicroom.eu
50 AMP InLine Noise FilterNOICE FILTER 50A Inline Noise Filter Enphase When multiple envoys are located on a single utility transformer or when site loads generate electrical noise that disrupt communications,. They can also be used to block. After installing the filter on the system, the inline filter blocks plc signals from other envoys and blocks or dampens broadband noise on the ac signal from the main service panel to. You. Inline Noise Filter Enphase.
From www.crawfordelectricsupply.com
Enphase QLCF2503P Q Commercial Line Filter, 250A 3Phase Crawford Inline Noise Filter Enphase After installing the filter on the system, the inline filter blocks plc signals from other envoys and blocks or dampens broadband noise on the ac signal from the main service panel to. You can use the powerline communications noise detection option in the enphase installer app to check for noise that could impact plc communication. If high noise is detected,. Inline Noise Filter Enphase.
From enphase.com
Store Enphase Inline Noise Filter Enphase Power line noise is interference caused by other devices using the same electrical wiring of a house or building. You can use the powerline communications noise detection option in the enphase installer app to check for noise that could impact plc communication. They can also be used to block. Line communication filter (lcf) quick installation guide how do i filter. Inline Noise Filter Enphase.
From www.thunderpole.co.uk
10A Inline Noise Suppressor Filter THUNDERPOLE Inline Noise Filter Enphase After installing the filter on the system, the inline filter blocks plc signals from other envoys and blocks or dampens broadband noise on the ac signal from the main service panel to. When multiple envoys are located on a single utility transformer or when site loads generate electrical noise that disrupt communications,. Power line noise is interference caused by other. Inline Noise Filter Enphase.
From studylib.net
Installing the Enphase Line Communications Filter (LCF) Inline Noise Filter Enphase They can also be used to block. Line communication filter (lcf) quick installation guide how do i filter by numeric values in the systems list? Power line noise is interference caused by other devices using the same electrical wiring of a house or building. You can use the powerline communications noise detection option in the enphase installer app to check. Inline Noise Filter Enphase.
From www.invertersupply.com
Enphase Communications Inverter Supply Inline Noise Filter Enphase If high noise is detected, install. Power line noise is interference caused by other devices using the same electrical wiring of a house or building. Line communication filter (lcf) quick installation guide how do i filter by numeric values in the systems list? You can use the powerline communications noise detection option in the enphase installer app to check for. Inline Noise Filter Enphase.
From enphase.com
EMI Line Filter Enphase Inline Noise Filter Enphase Line communication filter (lcf) quick installation guide how do i filter by numeric values in the systems list? Power line noise is interference caused by other devices using the same electrical wiring of a house or building. They can also be used to block. If high noise is detected, install. When multiple envoys are located on a single utility transformer. Inline Noise Filter Enphase.
From sunwatts.com
Enphase Line Communication Filter Single Phase Inline Noise Filter Enphase Power line noise is interference caused by other devices using the same electrical wiring of a house or building. After installing the filter on the system, the inline filter blocks plc signals from other envoys and blocks or dampens broadband noise on the ac signal from the main service panel to. They can also be used to block. When multiple. Inline Noise Filter Enphase.
From enginemitchell55.z21.web.core.windows.net
Inline Noise Filter Car Audio Inline Noise Filter Enphase When multiple envoys are located on a single utility transformer or when site loads generate electrical noise that disrupt communications,. Power line noise is interference caused by other devices using the same electrical wiring of a house or building. After installing the filter on the system, the inline filter blocks plc signals from other envoys and blocks or dampens broadband. Inline Noise Filter Enphase.
From www.mrsolar.com
Enphase Energy ELCF12001 Line Communication Filter Inline Noise Filter Enphase When multiple envoys are located on a single utility transformer or when site loads generate electrical noise that disrupt communications,. After installing the filter on the system, the inline filter blocks plc signals from other envoys and blocks or dampens broadband noise on the ac signal from the main service panel to. Line communication filter (lcf) quick installation guide how. Inline Noise Filter Enphase.
From www.streetsoundvision.com.au
DNA AAF210B Inline Noise Filter Bulk Pack Inline Noise Filter Enphase Line communication filter (lcf) quick installation guide how do i filter by numeric values in the systems list? Power line noise is interference caused by other devices using the same electrical wiring of a house or building. They can also be used to block. When multiple envoys are located on a single utility transformer or when site loads generate electrical. Inline Noise Filter Enphase.
From www.csautomationsystem.co.th
EMI Noise Filter DELTA 16A 220V 1Phase csautomationsystem Inline Noise Filter Enphase Line communication filter (lcf) quick installation guide how do i filter by numeric values in the systems list? After installing the filter on the system, the inline filter blocks plc signals from other envoys and blocks or dampens broadband noise on the ac signal from the main service panel to. When multiple envoys are located on a single utility transformer. Inline Noise Filter Enphase.
From chunhe88.en.made-in-china.com
EMI Power Line Noise Filter Three Phase Noise Filter China Power Inline Noise Filter Enphase They can also be used to block. After installing the filter on the system, the inline filter blocks plc signals from other envoys and blocks or dampens broadband noise on the ac signal from the main service panel to. When multiple envoys are located on a single utility transformer or when site loads generate electrical noise that disrupt communications,. Line. Inline Noise Filter Enphase.
From palomar-engineers.com
30AMP (PEAK) INLINE TOROIDAL DC NOISE FILTER for 12 VOLTS, ALTERNATOR Inline Noise Filter Enphase After installing the filter on the system, the inline filter blocks plc signals from other envoys and blocks or dampens broadband noise on the ac signal from the main service panel to. If high noise is detected, install. They can also be used to block. Power line noise is interference caused by other devices using the same electrical wiring of. Inline Noise Filter Enphase.
From www.estg.eu
Enphase 3phase line communication filter ESTG Inline Noise Filter Enphase Line communication filter (lcf) quick installation guide how do i filter by numeric values in the systems list? They can also be used to block. If high noise is detected, install. You can use the powerline communications noise detection option in the enphase installer app to check for noise that could impact plc communication. When multiple envoys are located on. Inline Noise Filter Enphase.
From www.electricity-magnetism.org
Motor Noise Suppression Filters How it works, Application & Advantages Inline Noise Filter Enphase When multiple envoys are located on a single utility transformer or when site loads generate electrical noise that disrupt communications,. You can use the powerline communications noise detection option in the enphase installer app to check for noise that could impact plc communication. Line communication filter (lcf) quick installation guide how do i filter by numeric values in the systems. Inline Noise Filter Enphase.
From electronicroom.eu
50 AMP InLine Noise FilterNOICE FILTER 50A Inline Noise Filter Enphase After installing the filter on the system, the inline filter blocks plc signals from other envoys and blocks or dampens broadband noise on the ac signal from the main service panel to. You can use the powerline communications noise detection option in the enphase installer app to check for noise that could impact plc communication. Line communication filter (lcf) quick. Inline Noise Filter Enphase.
From enphase.com
PLC Line Filter Enphase Inline Noise Filter Enphase Line communication filter (lcf) quick installation guide how do i filter by numeric values in the systems list? When multiple envoys are located on a single utility transformer or when site loads generate electrical noise that disrupt communications,. You can use the powerline communications noise detection option in the enphase installer app to check for noise that could impact plc. Inline Noise Filter Enphase.
From sunwatts.com
Enphase Line Communication Filter Single Phase Inline Noise Filter Enphase Line communication filter (lcf) quick installation guide how do i filter by numeric values in the systems list? After installing the filter on the system, the inline filter blocks plc signals from other envoys and blocks or dampens broadband noise on the ac signal from the main service panel to. When multiple envoys are located on a single utility transformer. Inline Noise Filter Enphase.
From informacionpublica.svet.gob.gt
Radio Noise Suppressor In Line Noise Reduction Filter 30 Inline Noise Filter Enphase After installing the filter on the system, the inline filter blocks plc signals from other envoys and blocks or dampens broadband noise on the ac signal from the main service panel to. Power line noise is interference caused by other devices using the same electrical wiring of a house or building. You can use the powerline communications noise detection option. Inline Noise Filter Enphase.
From www.solaris-shop.com
Enphase QLCF2503P Line Communication Filter Inline Noise Filter Enphase They can also be used to block. When multiple envoys are located on a single utility transformer or when site loads generate electrical noise that disrupt communications,. Line communication filter (lcf) quick installation guide how do i filter by numeric values in the systems list? If high noise is detected, install. Power line noise is interference caused by other devices. Inline Noise Filter Enphase.
From www.youtube.com
How to Install an Intermatic ETNF Electronic Noise Filter YouTube Inline Noise Filter Enphase They can also be used to block. After installing the filter on the system, the inline filter blocks plc signals from other envoys and blocks or dampens broadband noise on the ac signal from the main service panel to. Line communication filter (lcf) quick installation guide how do i filter by numeric values in the systems list? You can use. Inline Noise Filter Enphase.
From la-solargroup.com
Enphase noise filter/ ferritering installation LA Solar Group Inline Noise Filter Enphase If high noise is detected, install. They can also be used to block. Power line noise is interference caused by other devices using the same electrical wiring of a house or building. After installing the filter on the system, the inline filter blocks plc signals from other envoys and blocks or dampens broadband noise on the ac signal from the. Inline Noise Filter Enphase.
From enphase.com
IQ Gateway Standard und EMI Line Filter Kit Enphase Inline Noise Filter Enphase If high noise is detected, install. When multiple envoys are located on a single utility transformer or when site loads generate electrical noise that disrupt communications,. Power line noise is interference caused by other devices using the same electrical wiring of a house or building. You can use the powerline communications noise detection option in the enphase installer app to. Inline Noise Filter Enphase.
From sunwatts.com
Enphase Line Communication Filter Inline Noise Filter Enphase When multiple envoys are located on a single utility transformer or when site loads generate electrical noise that disrupt communications,. If high noise is detected, install. They can also be used to block. Line communication filter (lcf) quick installation guide how do i filter by numeric values in the systems list? You can use the powerline communications noise detection option. Inline Noise Filter Enphase.