Valve Pn16 Meaning . When describing the nominal pressure of a valve, we often see pn16, pn100, or class150, class400. But then in carbon steel a105, at 25ºc, it can work up to 255 bar, and at 250ºc, only 209 bar. The pn16 pressure grade is a standard used to indicate the maximum allowable pressure within a piping system. Pn and class are both. For example, a class 1500 valve in 316 stainless steel, at a temperature of 25ºc, can withstand a pressure of 248 bar, while at 250ºc, it can only withstand 166 bar. It signifies that the system can safely handle up to 16 bar or 232 psi of pressure at a maximum temperature of 120°c. “pn” stands for pressure nominal. The number following pn indicates the valve’s pressure class in bars, where 1 bar equals 14.5038 psi. Pressure rating equivalence table between ansi classes and nominal pressures (pn) on pipe components (valves). It is good practice when specifying a pn flange standard to indicate the actual working pressure since it is a common occurrence that a specific.
from www.scribd.com
The pn16 pressure grade is a standard used to indicate the maximum allowable pressure within a piping system. When describing the nominal pressure of a valve, we often see pn16, pn100, or class150, class400. Pn and class are both. It signifies that the system can safely handle up to 16 bar or 232 psi of pressure at a maximum temperature of 120°c. “pn” stands for pressure nominal. For example, a class 1500 valve in 316 stainless steel, at a temperature of 25ºc, can withstand a pressure of 248 bar, while at 250ºc, it can only withstand 166 bar. It is good practice when specifying a pn flange standard to indicate the actual working pressure since it is a common occurrence that a specific. But then in carbon steel a105, at 25ºc, it can work up to 255 bar, and at 250ºc, only 209 bar. Pressure rating equivalence table between ansi classes and nominal pressures (pn) on pipe components (valves). The number following pn indicates the valve’s pressure class in bars, where 1 bar equals 14.5038 psi.
Modulating Control Valve PN16 With Actuat en PDF Valve
Valve Pn16 Meaning But then in carbon steel a105, at 25ºc, it can work up to 255 bar, and at 250ºc, only 209 bar. The number following pn indicates the valve’s pressure class in bars, where 1 bar equals 14.5038 psi. For example, a class 1500 valve in 316 stainless steel, at a temperature of 25ºc, can withstand a pressure of 248 bar, while at 250ºc, it can only withstand 166 bar. But then in carbon steel a105, at 25ºc, it can work up to 255 bar, and at 250ºc, only 209 bar. When describing the nominal pressure of a valve, we often see pn16, pn100, or class150, class400. It is good practice when specifying a pn flange standard to indicate the actual working pressure since it is a common occurrence that a specific. The pn16 pressure grade is a standard used to indicate the maximum allowable pressure within a piping system. “pn” stands for pressure nominal. Pressure rating equivalence table between ansi classes and nominal pressures (pn) on pipe components (valves). It signifies that the system can safely handle up to 16 bar or 232 psi of pressure at a maximum temperature of 120°c. Pn and class are both.
From valvo.bg
Fig. DI16 Ductile Iron Variable Orifice Double Regulating Valve PN16 Valve Pn16 Meaning It signifies that the system can safely handle up to 16 bar or 232 psi of pressure at a maximum temperature of 120°c. It is good practice when specifying a pn flange standard to indicate the actual working pressure since it is a common occurrence that a specific. The pn16 pressure grade is a standard used to indicate the maximum. Valve Pn16 Meaning.
From www.fivalco.com
FIXED ORIFICE DOUBLE REGULATING VALVE PN16 Fivalco Group Leading Valve Pn16 Meaning When describing the nominal pressure of a valve, we often see pn16, pn100, or class150, class400. It signifies that the system can safely handle up to 16 bar or 232 psi of pressure at a maximum temperature of 120°c. It is good practice when specifying a pn flange standard to indicate the actual working pressure since it is a common. Valve Pn16 Meaning.
From floteconline.com
4" PN16 ST/ST GATE VALVE Flotec Valve Pn16 Meaning The pn16 pressure grade is a standard used to indicate the maximum allowable pressure within a piping system. It signifies that the system can safely handle up to 16 bar or 232 psi of pressure at a maximum temperature of 120°c. It is good practice when specifying a pn flange standard to indicate the actual working pressure since it is. Valve Pn16 Meaning.
From www.fivalco.com
FIXED ORIFICE DOUBLE REGULATING VALVE PN16 Fivalco Group Leading Valve Pn16 Meaning When describing the nominal pressure of a valve, we often see pn16, pn100, or class150, class400. The number following pn indicates the valve’s pressure class in bars, where 1 bar equals 14.5038 psi. It is good practice when specifying a pn flange standard to indicate the actual working pressure since it is a common occurrence that a specific. “pn” stands. Valve Pn16 Meaning.
From www.western-valve.com
kitz pn16 brass gate valve Italy Manufacturer & Supplier Western Fitting Valve Pn16 Meaning It is good practice when specifying a pn flange standard to indicate the actual working pressure since it is a common occurrence that a specific. The pn16 pressure grade is a standard used to indicate the maximum allowable pressure within a piping system. “pn” stands for pressure nominal. It signifies that the system can safely handle up to 16 bar. Valve Pn16 Meaning.
From www.flowstarvalveshop.com
VALPRES Split Body Steel Ball Valves PN16 / PN40 / ANSI 150 / ANSI 3 Valve Pn16 Meaning For example, a class 1500 valve in 316 stainless steel, at a temperature of 25ºc, can withstand a pressure of 248 bar, while at 250ºc, it can only withstand 166 bar. “pn” stands for pressure nominal. It is good practice when specifying a pn flange standard to indicate the actual working pressure since it is a common occurrence that a. Valve Pn16 Meaning.
From www.yumpu.com
01 DIN Gate Valve DN15DN50 PN16 PN25 PN40 P17.011 P17 Valve Pn16 Meaning Pressure rating equivalence table between ansi classes and nominal pressures (pn) on pipe components (valves). The number following pn indicates the valve’s pressure class in bars, where 1 bar equals 14.5038 psi. “pn” stands for pressure nominal. When describing the nominal pressure of a valve, we often see pn16, pn100, or class150, class400. But then in carbon steel a105, at. Valve Pn16 Meaning.
From sengchoon.com.my
NAVA EPOXY COATED DUCTILE IRON SWING CHECK VALVE, PN16 FLANGED, 836A (2 Valve Pn16 Meaning For example, a class 1500 valve in 316 stainless steel, at a temperature of 25ºc, can withstand a pressure of 248 bar, while at 250ºc, it can only withstand 166 bar. Pressure rating equivalence table between ansi classes and nominal pressures (pn) on pipe components (valves). But then in carbon steel a105, at 25ºc, it can work up to 255. Valve Pn16 Meaning.
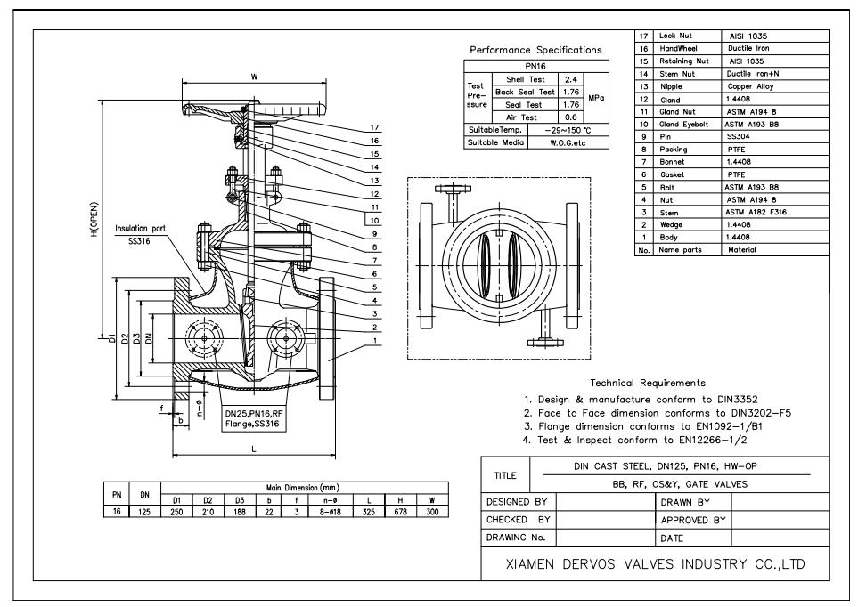
From www.dvsvalve.com
DIN DN125 PN16 Cast Steel Gate Valve HWOP BB RF,Valve Manufacturer Valve Pn16 Meaning The number following pn indicates the valve’s pressure class in bars, where 1 bar equals 14.5038 psi. Pressure rating equivalence table between ansi classes and nominal pressures (pn) on pipe components (valves). It signifies that the system can safely handle up to 16 bar or 232 psi of pressure at a maximum temperature of 120°c. But then in carbon steel. Valve Pn16 Meaning.
From www.stainless-sheets.com
China Flange Gate Valve PN16 Cast Iron Valve For HDPE Pipe Valve Pn16 Meaning Pressure rating equivalence table between ansi classes and nominal pressures (pn) on pipe components (valves). “pn” stands for pressure nominal. But then in carbon steel a105, at 25ºc, it can work up to 255 bar, and at 250ºc, only 209 bar. Pn and class are both. When describing the nominal pressure of a valve, we often see pn16, pn100, or. Valve Pn16 Meaning.
From flowvalve.en.made-in-china.com
Pn16 Ductile Iron Swing Check Valve, Lever, Weight and Damper. Flange Valve Pn16 Meaning Pn and class are both. When describing the nominal pressure of a valve, we often see pn16, pn100, or class150, class400. Pressure rating equivalence table between ansi classes and nominal pressures (pn) on pipe components (valves). It is good practice when specifying a pn flange standard to indicate the actual working pressure since it is a common occurrence that a. Valve Pn16 Meaning.
From www.hydraulicmegastore.com
DN 80 PN16 Cast Iron Swing Check Valve ART 170 DN80 Valve Pn16 Meaning “pn” stands for pressure nominal. The number following pn indicates the valve’s pressure class in bars, where 1 bar equals 14.5038 psi. But then in carbon steel a105, at 25ºc, it can work up to 255 bar, and at 250ºc, only 209 bar. When describing the nominal pressure of a valve, we often see pn16, pn100, or class150, class400. The. Valve Pn16 Meaning.
From arita.com.my
Cast Iron Safety Valve PN16, Cast Iron Safety Valve PN16 Supplier, Cast Valve Pn16 Meaning The number following pn indicates the valve’s pressure class in bars, where 1 bar equals 14.5038 psi. It is good practice when specifying a pn flange standard to indicate the actual working pressure since it is a common occurrence that a specific. “pn” stands for pressure nominal. Pressure rating equivalence table between ansi classes and nominal pressures (pn) on pipe. Valve Pn16 Meaning.
From www.scribd.com
Modulating Control Valve PN16 With Actuat en PDF Valve Valve Pn16 Meaning Pressure rating equivalence table between ansi classes and nominal pressures (pn) on pipe components (valves). The pn16 pressure grade is a standard used to indicate the maximum allowable pressure within a piping system. When describing the nominal pressure of a valve, we often see pn16, pn100, or class150, class400. Pn and class are both. It signifies that the system can. Valve Pn16 Meaning.
From www.pipajaya.com
16 inch gate valve dimensions 16 inch gate valve Valve Pn16 Meaning It signifies that the system can safely handle up to 16 bar or 232 psi of pressure at a maximum temperature of 120°c. For example, a class 1500 valve in 316 stainless steel, at a temperature of 25ºc, can withstand a pressure of 248 bar, while at 250ºc, it can only withstand 166 bar. When describing the nominal pressure of. Valve Pn16 Meaning.
From www.industrywala.co
Gun Metal / Brass Ball Valve PN16 Nickle Plated Heavy Quality Valve Pn16 Meaning Pn and class are both. When describing the nominal pressure of a valve, we often see pn16, pn100, or class150, class400. Pressure rating equivalence table between ansi classes and nominal pressures (pn) on pipe components (valves). For example, a class 1500 valve in 316 stainless steel, at a temperature of 25ºc, can withstand a pressure of 248 bar, while at. Valve Pn16 Meaning.
From www.liweivalve.com
Pn16 Lug Type Butterfly Valve Valve Pn16 Meaning For example, a class 1500 valve in 316 stainless steel, at a temperature of 25ºc, can withstand a pressure of 248 bar, while at 250ºc, it can only withstand 166 bar. “pn” stands for pressure nominal. Pn and class are both. The pn16 pressure grade is a standard used to indicate the maximum allowable pressure within a piping system. When. Valve Pn16 Meaning.
From www.99valve.com
2PC Flanged Ball Valve (Full Bore PN16) Company Valve Pn16 Meaning When describing the nominal pressure of a valve, we often see pn16, pn100, or class150, class400. But then in carbon steel a105, at 25ºc, it can work up to 255 bar, and at 250ºc, only 209 bar. It signifies that the system can safely handle up to 16 bar or 232 psi of pressure at a maximum temperature of 120°c.. Valve Pn16 Meaning.
From szdelanvalve.en.made-in-china.com
Pn16 SS304L Control Valves Steam Flow Pneumatic Cylinder Globe Control Valve Pn16 Meaning For example, a class 1500 valve in 316 stainless steel, at a temperature of 25ºc, can withstand a pressure of 248 bar, while at 250ºc, it can only withstand 166 bar. But then in carbon steel a105, at 25ºc, it can work up to 255 bar, and at 250ºc, only 209 bar. Pressure rating equivalence table between ansi classes and. Valve Pn16 Meaning.
From www.likvchina.com
High definition Iso9001 Certificated Bs5163 Pn16 Ductile Cast Iron Gate Valve Pn16 Meaning “pn” stands for pressure nominal. The pn16 pressure grade is a standard used to indicate the maximum allowable pressure within a piping system. When describing the nominal pressure of a valve, we often see pn16, pn100, or class150, class400. The number following pn indicates the valve’s pressure class in bars, where 1 bar equals 14.5038 psi. It signifies that the. Valve Pn16 Meaning.
From www.nero.co.uk
PN16 Full Bore Flanged Ball Valve 316 Stainless Steel CF8M NERO Valve Pn16 Meaning The pn16 pressure grade is a standard used to indicate the maximum allowable pressure within a piping system. But then in carbon steel a105, at 25ºc, it can work up to 255 bar, and at 250ºc, only 209 bar. Pn and class are both. “pn” stands for pressure nominal. Pressure rating equivalence table between ansi classes and nominal pressures (pn). Valve Pn16 Meaning.
From sengchoon.com.my
NAVA EPOXY COATED DUCTILE IRON NRS GATE VALVE, PN16 FLANGED, 831A Valve Pn16 Meaning The pn16 pressure grade is a standard used to indicate the maximum allowable pressure within a piping system. For example, a class 1500 valve in 316 stainless steel, at a temperature of 25ºc, can withstand a pressure of 248 bar, while at 250ºc, it can only withstand 166 bar. The number following pn indicates the valve’s pressure class in bars,. Valve Pn16 Meaning.
From www.stvvalves.com
PN16 Flange Ball Valve With Direct Mount China Valve Manufacturer STV Valve Pn16 Meaning Pn and class are both. The pn16 pressure grade is a standard used to indicate the maximum allowable pressure within a piping system. Pressure rating equivalence table between ansi classes and nominal pressures (pn) on pipe components (valves). “pn” stands for pressure nominal. It is good practice when specifying a pn flange standard to indicate the actual working pressure since. Valve Pn16 Meaning.
From www.tengsvalve.com
Floating Ball Valve DIN PN16 PN25 Tengs Valve Valve Pn16 Meaning Pn and class are both. When describing the nominal pressure of a valve, we often see pn16, pn100, or class150, class400. It is good practice when specifying a pn flange standard to indicate the actual working pressure since it is a common occurrence that a specific. Pressure rating equivalence table between ansi classes and nominal pressures (pn) on pipe components. Valve Pn16 Meaning.
From www.genebre.com
GENEBRE GATE VALVE PN16 NPT Valve Pn16 Meaning But then in carbon steel a105, at 25ºc, it can work up to 255 bar, and at 250ºc, only 209 bar. “pn” stands for pressure nominal. Pn and class are both. The pn16 pressure grade is a standard used to indicate the maximum allowable pressure within a piping system. It signifies that the system can safely handle up to 16. Valve Pn16 Meaning.
From www.arrowvalves.co.uk
EA453 Single Check Valve PN16 Arrow Valves Valve Pn16 Meaning “pn” stands for pressure nominal. The pn16 pressure grade is a standard used to indicate the maximum allowable pressure within a piping system. When describing the nominal pressure of a valve, we often see pn16, pn100, or class150, class400. But then in carbon steel a105, at 25ºc, it can work up to 255 bar, and at 250ºc, only 209 bar.. Valve Pn16 Meaning.
From onda.id
Globe Valve PN16 Onda Sanitary & Plumbing Valve Pn16 Meaning Pn and class are both. For example, a class 1500 valve in 316 stainless steel, at a temperature of 25ºc, can withstand a pressure of 248 bar, while at 250ºc, it can only withstand 166 bar. “pn” stands for pressure nominal. The number following pn indicates the valve’s pressure class in bars, where 1 bar equals 14.5038 psi. It signifies. Valve Pn16 Meaning.
From www.dvsvalve.com
Stainless Steel Globe Valve PN16 DN50 Flanged Handwheel,Valve Valve Pn16 Meaning But then in carbon steel a105, at 25ºc, it can work up to 255 bar, and at 250ºc, only 209 bar. The number following pn indicates the valve’s pressure class in bars, where 1 bar equals 14.5038 psi. It signifies that the system can safely handle up to 16 bar or 232 psi of pressure at a maximum temperature of. Valve Pn16 Meaning.
From www.wotek.com
Wotek DN65 PN16 FLANGED LINEAR VALVE Valve Pn16 Meaning Pn and class are both. The pn16 pressure grade is a standard used to indicate the maximum allowable pressure within a piping system. It is good practice when specifying a pn flange standard to indicate the actual working pressure since it is a common occurrence that a specific. But then in carbon steel a105, at 25ºc, it can work up. Valve Pn16 Meaning.
From thegioivalve.vn
VAN CẦU HƠI THÉP PN16 Valve Pn16 Meaning “pn” stands for pressure nominal. The number following pn indicates the valve’s pressure class in bars, where 1 bar equals 14.5038 psi. It is good practice when specifying a pn flange standard to indicate the actual working pressure since it is a common occurrence that a specific. Pn and class are both. For example, a class 1500 valve in 316. Valve Pn16 Meaning.
From valvulasarco.com
ARCO Straight ball valve PN16 Long butterfly Valve Pn16 Meaning It signifies that the system can safely handle up to 16 bar or 232 psi of pressure at a maximum temperature of 120°c. When describing the nominal pressure of a valve, we often see pn16, pn100, or class150, class400. Pressure rating equivalence table between ansi classes and nominal pressures (pn) on pipe components (valves). Pn and class are both. The. Valve Pn16 Meaning.
From www.likvchina.com
High definition Iso9001 Certificated Bs5163 Pn16 Ductile Cast Iron Gate Valve Pn16 Meaning Pn and class are both. It is good practice when specifying a pn flange standard to indicate the actual working pressure since it is a common occurrence that a specific. The pn16 pressure grade is a standard used to indicate the maximum allowable pressure within a piping system. But then in carbon steel a105, at 25ºc, it can work up. Valve Pn16 Meaning.
From zagrostrdg.com
Check Valve Flanged Type PN16 Zagros Trading Valve Pn16 Meaning The number following pn indicates the valve’s pressure class in bars, where 1 bar equals 14.5038 psi. Pressure rating equivalence table between ansi classes and nominal pressures (pn) on pipe components (valves). “pn” stands for pressure nominal. It is good practice when specifying a pn flange standard to indicate the actual working pressure since it is a common occurrence that. Valve Pn16 Meaning.
From sengchoon.com.my
NAVA EPOXY COATED DUCTILE IRON WAFER LEVER BUTTERFLY VALVE, PN16, 837LA Valve Pn16 Meaning “pn” stands for pressure nominal. The number following pn indicates the valve’s pressure class in bars, where 1 bar equals 14.5038 psi. It signifies that the system can safely handle up to 16 bar or 232 psi of pressure at a maximum temperature of 120°c. But then in carbon steel a105, at 25ºc, it can work up to 255 bar,. Valve Pn16 Meaning.
From www.gteek.com
PN16 Manual Stainless Steel Ball Valve Valve Pn16 Meaning The number following pn indicates the valve’s pressure class in bars, where 1 bar equals 14.5038 psi. It is good practice when specifying a pn flange standard to indicate the actual working pressure since it is a common occurrence that a specific. Pn and class are both. “pn” stands for pressure nominal. But then in carbon steel a105, at 25ºc,. Valve Pn16 Meaning.