Pin Diode Attenuator Design . The pin diode finds wide usage in rf, uhf and microwave circuits. A unique feature of the pin. A major part of this handbook is devoted to the. The subject of driver circuits for pin diode switches and attenuator circuits is always relevant to any practical component design, and. It is fundamentally a device whose impedance, at these frequencies, is controlled by its dc excitation. Pin diode applications @) design of broadband reflective spst switches and attenuators the previously described characteristics of the pin. This pin diode circuit designers’ handbook was written for the microwave and rf design engineer. Since the pin diode has an rf resistance characteristic that is a function of bias as shown in figure 2, it can be a suitable resistance. Realized as either gaas mmics or pin diode. Analog attenuators find wide application in rf and microwave networks.
from www.microwavejournal.com
It is fundamentally a device whose impedance, at these frequencies, is controlled by its dc excitation. Realized as either gaas mmics or pin diode. The pin diode finds wide usage in rf, uhf and microwave circuits. A unique feature of the pin. Since the pin diode has an rf resistance characteristic that is a function of bias as shown in figure 2, it can be a suitable resistance. Analog attenuators find wide application in rf and microwave networks. A major part of this handbook is devoted to the. The subject of driver circuits for pin diode switches and attenuator circuits is always relevant to any practical component design, and. Pin diode applications @) design of broadband reflective spst switches and attenuators the previously described characteristics of the pin. This pin diode circuit designers’ handbook was written for the microwave and rf design engineer.
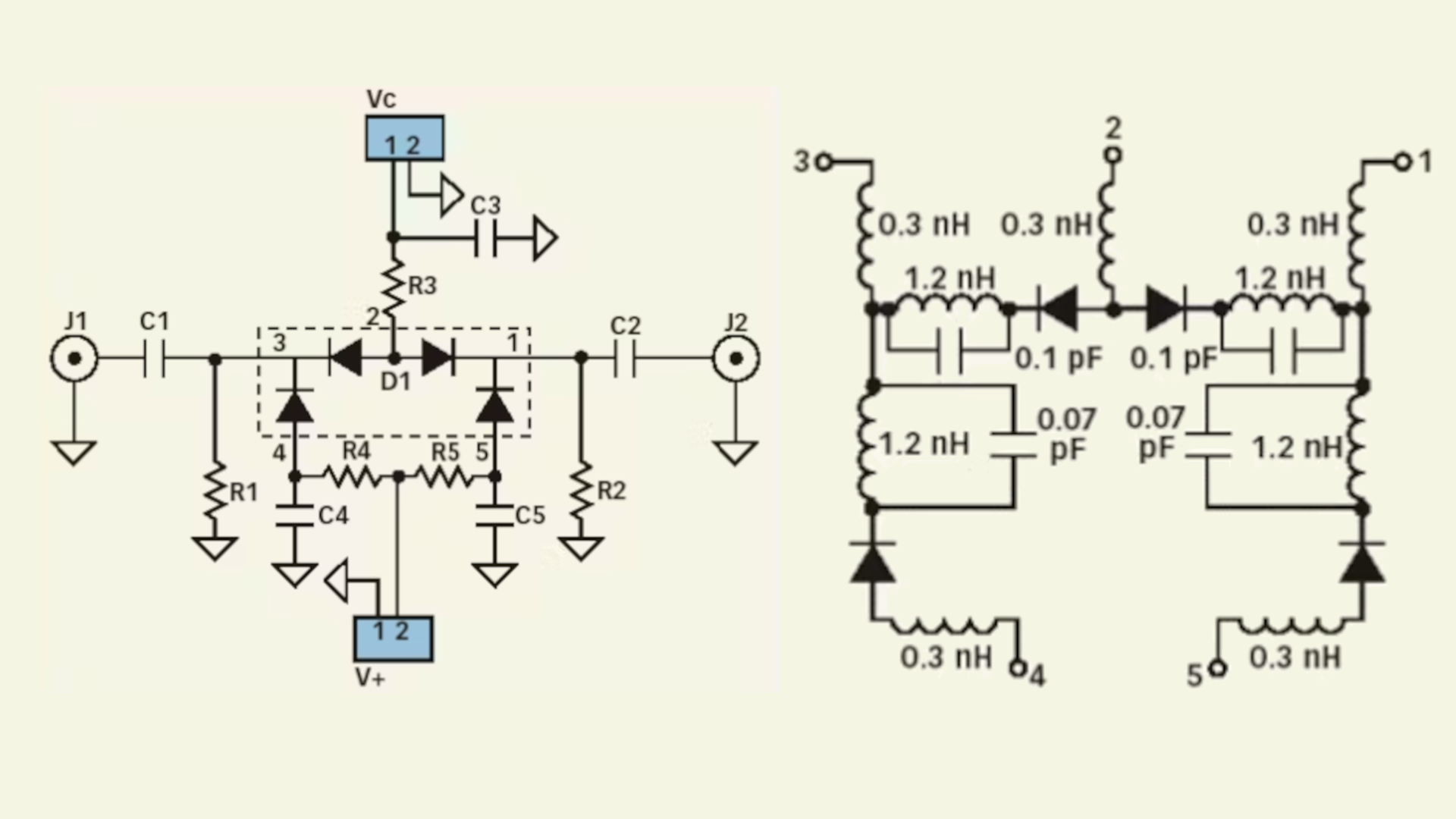
A Voltagecontrolled PIN Diode Attenuator Using an Accurate PIN Diode
Pin Diode Attenuator Design It is fundamentally a device whose impedance, at these frequencies, is controlled by its dc excitation. A major part of this handbook is devoted to the. The pin diode finds wide usage in rf, uhf and microwave circuits. Pin diode applications @) design of broadband reflective spst switches and attenuators the previously described characteristics of the pin. A unique feature of the pin. Analog attenuators find wide application in rf and microwave networks. The subject of driver circuits for pin diode switches and attenuator circuits is always relevant to any practical component design, and. Since the pin diode has an rf resistance characteristic that is a function of bias as shown in figure 2, it can be a suitable resistance. It is fundamentally a device whose impedance, at these frequencies, is controlled by its dc excitation. This pin diode circuit designers’ handbook was written for the microwave and rf design engineer. Realized as either gaas mmics or pin diode.
From www.researchgate.net
Schematic circuit of the singlestage PIN diode attenuator. Download Pin Diode Attenuator Design A major part of this handbook is devoted to the. This pin diode circuit designers’ handbook was written for the microwave and rf design engineer. A unique feature of the pin. The subject of driver circuits for pin diode switches and attenuator circuits is always relevant to any practical component design, and. It is fundamentally a device whose impedance, at. Pin Diode Attenuator Design.
From www.researchgate.net
Schematic circuit of the singlestage PIN diode attenuator. Download Pin Diode Attenuator Design This pin diode circuit designers’ handbook was written for the microwave and rf design engineer. Since the pin diode has an rf resistance characteristic that is a function of bias as shown in figure 2, it can be a suitable resistance. A unique feature of the pin. Realized as either gaas mmics or pin diode. The pin diode finds wide. Pin Diode Attenuator Design.
From www.scribd.com
A Voltage Controlled Pin Diode Attenuator Using An Accurate Pin Diode Pin Diode Attenuator Design The subject of driver circuits for pin diode switches and attenuator circuits is always relevant to any practical component design, and. Realized as either gaas mmics or pin diode. This pin diode circuit designers’ handbook was written for the microwave and rf design engineer. The pin diode finds wide usage in rf, uhf and microwave circuits. A major part of. Pin Diode Attenuator Design.
From www.microwavejournal.com
A Voltagecontrolled PIN Diode Attenuator Using an Accurate PIN Diode Pin Diode Attenuator Design Analog attenuators find wide application in rf and microwave networks. A major part of this handbook is devoted to the. The pin diode finds wide usage in rf, uhf and microwave circuits. A unique feature of the pin. The subject of driver circuits for pin diode switches and attenuator circuits is always relevant to any practical component design, and. Since. Pin Diode Attenuator Design.
From www.researchgate.net
(PDF) A PIN diode controlled variable attenuator using a 0dB branch Pin Diode Attenuator Design The pin diode finds wide usage in rf, uhf and microwave circuits. Pin diode applications @) design of broadband reflective spst switches and attenuators the previously described characteristics of the pin. Realized as either gaas mmics or pin diode. Analog attenuators find wide application in rf and microwave networks. This pin diode circuit designers’ handbook was written for the microwave. Pin Diode Attenuator Design.
From www.semanticscholar.org
Figure 1 from A LowCost Surface Mount PIN Diode π Attenuator Pin Diode Attenuator Design A major part of this handbook is devoted to the. The pin diode finds wide usage in rf, uhf and microwave circuits. It is fundamentally a device whose impedance, at these frequencies, is controlled by its dc excitation. Since the pin diode has an rf resistance characteristic that is a function of bias as shown in figure 2, it can. Pin Diode Attenuator Design.
From www.microwavejournal.com
A Voltagecontrolled PIN Diode Attenuator Using an Accurate PIN Diode Pin Diode Attenuator Design A unique feature of the pin. Since the pin diode has an rf resistance characteristic that is a function of bias as shown in figure 2, it can be a suitable resistance. The pin diode finds wide usage in rf, uhf and microwave circuits. Analog attenuators find wide application in rf and microwave networks. It is fundamentally a device whose. Pin Diode Attenuator Design.
From www.researchgate.net
Schematic circuit of the singlestage PIN diode attenuator. Download Pin Diode Attenuator Design The subject of driver circuits for pin diode switches and attenuator circuits is always relevant to any practical component design, and. Since the pin diode has an rf resistance characteristic that is a function of bias as shown in figure 2, it can be a suitable resistance. Analog attenuators find wide application in rf and microwave networks. Realized as either. Pin Diode Attenuator Design.
From www.slideserve.com
PPT Diode Circuits PowerPoint Presentation, free download ID371419 Pin Diode Attenuator Design Analog attenuators find wide application in rf and microwave networks. Realized as either gaas mmics or pin diode. Pin diode applications @) design of broadband reflective spst switches and attenuators the previously described characteristics of the pin. A unique feature of the pin. This pin diode circuit designers’ handbook was written for the microwave and rf design engineer. A major. Pin Diode Attenuator Design.
From www.researchgate.net
PIattenuator designed with three PIN diodes Download Scientific Diagram Pin Diode Attenuator Design It is fundamentally a device whose impedance, at these frequencies, is controlled by its dc excitation. Since the pin diode has an rf resistance characteristic that is a function of bias as shown in figure 2, it can be a suitable resistance. The subject of driver circuits for pin diode switches and attenuator circuits is always relevant to any practical. Pin Diode Attenuator Design.
From www.youtube.com
91 Basic RF Attenuators Design, Construction, Testing PI and T Pin Diode Attenuator Design A major part of this handbook is devoted to the. This pin diode circuit designers’ handbook was written for the microwave and rf design engineer. Realized as either gaas mmics or pin diode. It is fundamentally a device whose impedance, at these frequencies, is controlled by its dc excitation. Since the pin diode has an rf resistance characteristic that is. Pin Diode Attenuator Design.
From www.microwavejournal.com
A Voltagecontrolled PIN Diode Attenuator Using an Accurate PIN Diode Pin Diode Attenuator Design The pin diode finds wide usage in rf, uhf and microwave circuits. It is fundamentally a device whose impedance, at these frequencies, is controlled by its dc excitation. A major part of this handbook is devoted to the. Pin diode applications @) design of broadband reflective spst switches and attenuators the previously described characteristics of the pin. Since the pin. Pin Diode Attenuator Design.
From www.merakit.com
Merakit dot Com RF Switch / Attenuator Pin Diode Attenuator Design This pin diode circuit designers’ handbook was written for the microwave and rf design engineer. A major part of this handbook is devoted to the. It is fundamentally a device whose impedance, at these frequencies, is controlled by its dc excitation. Since the pin diode has an rf resistance characteristic that is a function of bias as shown in figure. Pin Diode Attenuator Design.
From www.researchgate.net
Schematic circuit of the singlestage PIN diode attenuator. Download Pin Diode Attenuator Design Realized as either gaas mmics or pin diode. Pin diode applications @) design of broadband reflective spst switches and attenuators the previously described characteristics of the pin. The pin diode finds wide usage in rf, uhf and microwave circuits. The subject of driver circuits for pin diode switches and attenuator circuits is always relevant to any practical component design, and.. Pin Diode Attenuator Design.
From www.researchgate.net
PIN diode model. A, The model of a packaged PIN diode, including the Pin Diode Attenuator Design Since the pin diode has an rf resistance characteristic that is a function of bias as shown in figure 2, it can be a suitable resistance. This pin diode circuit designers’ handbook was written for the microwave and rf design engineer. It is fundamentally a device whose impedance, at these frequencies, is controlled by its dc excitation. A unique feature. Pin Diode Attenuator Design.
From www.miwv.com
Pin Diode Voltage Variable Attenuators Pin Diode Attenuator Design The subject of driver circuits for pin diode switches and attenuator circuits is always relevant to any practical component design, and. Pin diode applications @) design of broadband reflective spst switches and attenuators the previously described characteristics of the pin. A major part of this handbook is devoted to the. Since the pin diode has an rf resistance characteristic that. Pin Diode Attenuator Design.
From www.mwrf.com
Diode Quad Is Foundation For PIN Diode Attenuator Microwaves & RF Pin Diode Attenuator Design It is fundamentally a device whose impedance, at these frequencies, is controlled by its dc excitation. Realized as either gaas mmics or pin diode. This pin diode circuit designers’ handbook was written for the microwave and rf design engineer. The pin diode finds wide usage in rf, uhf and microwave circuits. A major part of this handbook is devoted to. Pin Diode Attenuator Design.
From www.miwv.com
Pin Diode Voltage Variable Attenuator QBand Pin Diode Attenuator Design Since the pin diode has an rf resistance characteristic that is a function of bias as shown in figure 2, it can be a suitable resistance. Realized as either gaas mmics or pin diode. A unique feature of the pin. A major part of this handbook is devoted to the. The subject of driver circuits for pin diode switches and. Pin Diode Attenuator Design.
From enginediagramhanson.z13.web.core.windows.net
Pin Diode Circuit Diagram Pin Diode Attenuator Design Realized as either gaas mmics or pin diode. Pin diode applications @) design of broadband reflective spst switches and attenuators the previously described characteristics of the pin. A unique feature of the pin. The pin diode finds wide usage in rf, uhf and microwave circuits. This pin diode circuit designers’ handbook was written for the microwave and rf design engineer.. Pin Diode Attenuator Design.
From dokumen.tips
(PDF) Voltagecontrolled PIN diode attenuator with a temperature Pin Diode Attenuator Design A unique feature of the pin. Since the pin diode has an rf resistance characteristic that is a function of bias as shown in figure 2, it can be a suitable resistance. This pin diode circuit designers’ handbook was written for the microwave and rf design engineer. Realized as either gaas mmics or pin diode. The pin diode finds wide. Pin Diode Attenuator Design.
From www.researchgate.net
Schematic circuit of the singlestage PIN diode attenuator. Download Pin Diode Attenuator Design Pin diode applications @) design of broadband reflective spst switches and attenuators the previously described characteristics of the pin. A unique feature of the pin. Realized as either gaas mmics or pin diode. It is fundamentally a device whose impedance, at these frequencies, is controlled by its dc excitation. The subject of driver circuits for pin diode switches and attenuator. Pin Diode Attenuator Design.
From www.merakit.com
Merakit dot Com RF Switch / Attenuator Pin Diode Attenuator Design Realized as either gaas mmics or pin diode. Analog attenuators find wide application in rf and microwave networks. Since the pin diode has an rf resistance characteristic that is a function of bias as shown in figure 2, it can be a suitable resistance. A major part of this handbook is devoted to the. Pin diode applications @) design of. Pin Diode Attenuator Design.
From www.miwv.com
Pin Diode Voltage Variable Attenuator QBand Pin Diode Attenuator Design Realized as either gaas mmics or pin diode. A major part of this handbook is devoted to the. It is fundamentally a device whose impedance, at these frequencies, is controlled by its dc excitation. The pin diode finds wide usage in rf, uhf and microwave circuits. The subject of driver circuits for pin diode switches and attenuator circuits is always. Pin Diode Attenuator Design.
From www.miwv.com
Pin Diode Voltage Variable Attenuators Pin Diode Attenuator Design The pin diode finds wide usage in rf, uhf and microwave circuits. It is fundamentally a device whose impedance, at these frequencies, is controlled by its dc excitation. Pin diode applications @) design of broadband reflective spst switches and attenuators the previously described characteristics of the pin. This pin diode circuit designers’ handbook was written for the microwave and rf. Pin Diode Attenuator Design.
From www.researchgate.net
Proposed structure of design‐II attenuator using PIN and its equivalent Pin Diode Attenuator Design Analog attenuators find wide application in rf and microwave networks. It is fundamentally a device whose impedance, at these frequencies, is controlled by its dc excitation. Pin diode applications @) design of broadband reflective spst switches and attenuators the previously described characteristics of the pin. Since the pin diode has an rf resistance characteristic that is a function of bias. Pin Diode Attenuator Design.
From www.microwavejournal.com
A Voltagecontrolled PIN Diode Attenuator Using an Accurate PIN Diode Pin Diode Attenuator Design It is fundamentally a device whose impedance, at these frequencies, is controlled by its dc excitation. Analog attenuators find wide application in rf and microwave networks. The subject of driver circuits for pin diode switches and attenuator circuits is always relevant to any practical component design, and. Since the pin diode has an rf resistance characteristic that is a function. Pin Diode Attenuator Design.
From www.researchgate.net
Schematic circuit of the singlestage PIN diode attenuator. Download Pin Diode Attenuator Design The pin diode finds wide usage in rf, uhf and microwave circuits. A major part of this handbook is devoted to the. It is fundamentally a device whose impedance, at these frequencies, is controlled by its dc excitation. Pin diode applications @) design of broadband reflective spst switches and attenuators the previously described characteristics of the pin. This pin diode. Pin Diode Attenuator Design.
From www.academia.edu
(PDF) A PIN diode controlled variable attenuator using a 0dB branch Pin Diode Attenuator Design This pin diode circuit designers’ handbook was written for the microwave and rf design engineer. A major part of this handbook is devoted to the. A unique feature of the pin. Pin diode applications @) design of broadband reflective spst switches and attenuators the previously described characteristics of the pin. Realized as either gaas mmics or pin diode. Since the. Pin Diode Attenuator Design.
From www.microwavejournal.com
A Voltagecontrolled PIN Diode Attenuator Using an Accurate PIN Diode Model Pin Diode Attenuator Design Analog attenuators find wide application in rf and microwave networks. Pin diode applications @) design of broadband reflective spst switches and attenuators the previously described characteristics of the pin. A unique feature of the pin. A major part of this handbook is devoted to the. Realized as either gaas mmics or pin diode. It is fundamentally a device whose impedance,. Pin Diode Attenuator Design.
From community.nxp.com
BAP64Q Quad PIN diode attenuator NXP Community Pin Diode Attenuator Design Pin diode applications @) design of broadband reflective spst switches and attenuators the previously described characteristics of the pin. Since the pin diode has an rf resistance characteristic that is a function of bias as shown in figure 2, it can be a suitable resistance. The pin diode finds wide usage in rf, uhf and microwave circuits. Analog attenuators find. Pin Diode Attenuator Design.
From www.semanticscholar.org
Figure 3 from A LowCost Surface Mount PIN Diode π Attenuator Pin Diode Attenuator Design Realized as either gaas mmics or pin diode. This pin diode circuit designers’ handbook was written for the microwave and rf design engineer. A unique feature of the pin. Since the pin diode has an rf resistance characteristic that is a function of bias as shown in figure 2, it can be a suitable resistance. The subject of driver circuits. Pin Diode Attenuator Design.
From www.researchgate.net
ATTENUATOR BASED ON PIN DIODE Download Scientific Diagram Pin Diode Attenuator Design Analog attenuators find wide application in rf and microwave networks. The subject of driver circuits for pin diode switches and attenuator circuits is always relevant to any practical component design, and. Since the pin diode has an rf resistance characteristic that is a function of bias as shown in figure 2, it can be a suitable resistance. This pin diode. Pin Diode Attenuator Design.
From www.researchgate.net
Schematic circuit of the singlestage PIN diode attenuator. Download Pin Diode Attenuator Design It is fundamentally a device whose impedance, at these frequencies, is controlled by its dc excitation. A major part of this handbook is devoted to the. Pin diode applications @) design of broadband reflective spst switches and attenuators the previously described characteristics of the pin. Analog attenuators find wide application in rf and microwave networks. This pin diode circuit designers’. Pin Diode Attenuator Design.
From www.robkalmeijer.nl
Key components of modern receiver design 2 Pin Diode Attenuator Design Analog attenuators find wide application in rf and microwave networks. Pin diode applications @) design of broadband reflective spst switches and attenuators the previously described characteristics of the pin. The subject of driver circuits for pin diode switches and attenuator circuits is always relevant to any practical component design, and. A major part of this handbook is devoted to the.. Pin Diode Attenuator Design.
From www.microwavejournal.com
A Voltagecontrolled PIN Diode Attenuator Using an Accurate PIN Diode Pin Diode Attenuator Design The subject of driver circuits for pin diode switches and attenuator circuits is always relevant to any practical component design, and. Realized as either gaas mmics or pin diode. A unique feature of the pin. Analog attenuators find wide application in rf and microwave networks. Pin diode applications @) design of broadband reflective spst switches and attenuators the previously described. Pin Diode Attenuator Design.