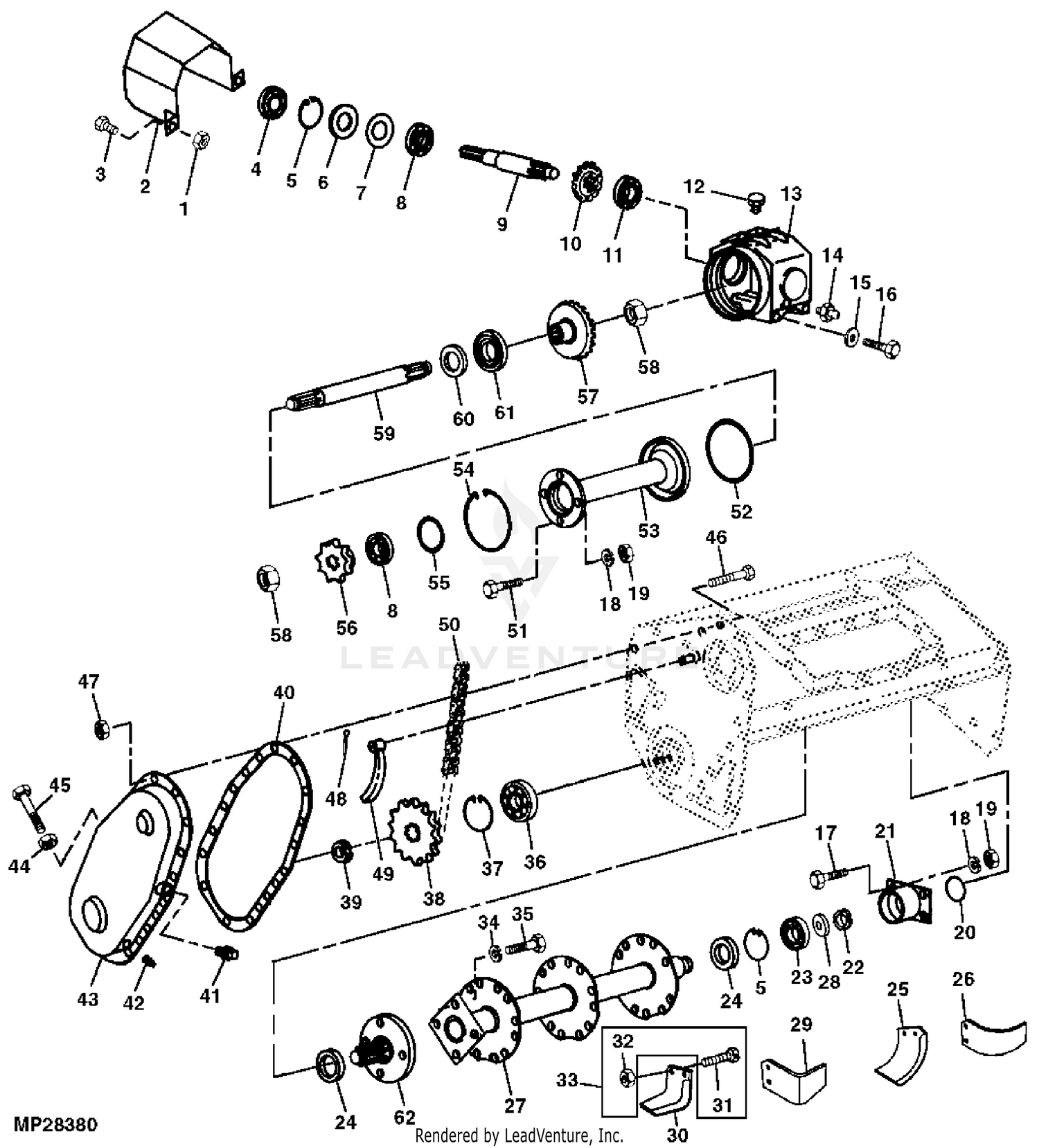
John Deere 665 Tiller Parts Diagram . by referring to the john deere 665 tiller parts diagram, you can easily identify and locate each individual part, allowing you to replace or repair specific components as needed. find parts for your john deere drive assembly,rotor & blades 550 tiller: How does this john deere. the parts diagram of the john deere 665 tiller provides a visual representation of each part, along with its corresponding part number. This diagram provides a detailed. tillage is still an indispensable tool to create a environment that promotes seed germination and root growth, controls moisture, weeds, and soil erosion. Therefore, when ordering parts verify the part numbers with your dealer. This makes it easy to locate and identify specific components, ensuring. 2.8k views 2 years ago minneapolis. John deere is a reliable source of proven tillage. Search our parts catalog, order parts online or contact your john deere dealer. find parts & diagrams for your john deere equipment. Per john deere policy, we continuously improve our products. Tillers 450,550,660,670,680 with our free parts lookup tool! the part numbers in this parts catalog were correct at the time of publication.
from www.ebay.com
Search our parts catalog, order parts online or contact your john deere dealer. This makes it easy to locate and identify specific components, ensuring. by referring to the john deere 665 tiller parts diagram, you can easily identify and locate each individual part, allowing you to replace or repair specific components as needed. the parts diagram of the john deere 665 tiller provides a visual representation of each part, along with its corresponding part number. How does this john deere. tillage is still an indispensable tool to create a environment that promotes seed germination and root growth, controls moisture, weeds, and soil erosion. Therefore, when ordering parts verify the part numbers with your dealer. Tillers 450,550,660,670,680 with our free parts lookup tool! John deere is a reliable source of proven tillage. This diagram provides a detailed.
John Deere 665 CommercialDuty Rotary Tiller 65" Agricultural Tractor
John Deere 665 Tiller Parts Diagram tillage is still an indispensable tool to create a environment that promotes seed germination and root growth, controls moisture, weeds, and soil erosion. the part numbers in this parts catalog were correct at the time of publication. Per john deere policy, we continuously improve our products. Tillers 450,550,660,670,680 with our free parts lookup tool! tillage is still an indispensable tool to create a environment that promotes seed germination and root growth, controls moisture, weeds, and soil erosion. find parts for your john deere drive assembly,rotor & blades 550 tiller: 2.8k views 2 years ago minneapolis. the parts diagram of the john deere 665 tiller provides a visual representation of each part, along with its corresponding part number. find parts & diagrams for your john deere equipment. John deere is a reliable source of proven tillage. by referring to the john deere 665 tiller parts diagram, you can easily identify and locate each individual part, allowing you to replace or repair specific components as needed. How does this john deere. This diagram provides a detailed. Therefore, when ordering parts verify the part numbers with your dealer. Search our parts catalog, order parts online or contact your john deere dealer. This makes it easy to locate and identify specific components, ensuring.
From www.purplewave.com
John Deere 665 rotary tiller in Garden City, KS Item AW9361 sold John Deere 665 Tiller Parts Diagram Therefore, when ordering parts verify the part numbers with your dealer. This makes it easy to locate and identify specific components, ensuring. find parts & diagrams for your john deere equipment. How does this john deere. Search our parts catalog, order parts online or contact your john deere dealer. 2.8k views 2 years ago minneapolis. the part numbers. John Deere 665 Tiller Parts Diagram.
From 777parts.net
Drive Assembly (681A) (100001 ) TILLER, TRACTORMOUNTED John Deere John Deere 665 Tiller Parts Diagram find parts & diagrams for your john deere equipment. find parts for your john deere drive assembly,rotor & blades 550 tiller: tillage is still an indispensable tool to create a environment that promotes seed germination and root growth, controls moisture, weeds, and soil erosion. Search our parts catalog, order parts online or contact your john deere dealer.. John Deere 665 Tiller Parts Diagram.
From 777parts.net
Chain Drive (647A) (100001 ) TILLER, TRACTORMOUNTED John Deere John Deere 665 Tiller Parts Diagram John deere is a reliable source of proven tillage. the parts diagram of the john deere 665 tiller provides a visual representation of each part, along with its corresponding part number. This makes it easy to locate and identify specific components, ensuring. by referring to the john deere 665 tiller parts diagram, you can easily identify and locate. John Deere 665 Tiller Parts Diagram.
From bestsmartcameras.com
John Deere 665 Tiller Specs John Deere Tillers John Deere 665 Tiller Parts Diagram Per john deere policy, we continuously improve our products. Therefore, when ordering parts verify the part numbers with your dealer. find parts for your john deere drive assembly,rotor & blades 550 tiller: John deere is a reliable source of proven tillage. How does this john deere. This makes it easy to locate and identify specific components, ensuring. the. John Deere 665 Tiller Parts Diagram.
From www.weingartz.com
ARIMain WEINGARTZ John Deere 665 Tiller Parts Diagram How does this john deere. Search our parts catalog, order parts online or contact your john deere dealer. by referring to the john deere 665 tiller parts diagram, you can easily identify and locate each individual part, allowing you to replace or repair specific components as needed. find parts for your john deere drive assembly,rotor & blades 550. John Deere 665 Tiller Parts Diagram.
From www.mylittlesalesman.com
2018 John Deere 665 Rotary Tiller For Sale Higginsville, MO 85271 John Deere 665 Tiller Parts Diagram the part numbers in this parts catalog were correct at the time of publication. Tillers 450,550,660,670,680 with our free parts lookup tool! Search our parts catalog, order parts online or contact your john deere dealer. Therefore, when ordering parts verify the part numbers with your dealer. This makes it easy to locate and identify specific components, ensuring. by. John Deere 665 Tiller Parts Diagram.
From www.ebay.com
John Deere 665 CommercialDuty Rotary Tiller 65" Agricultural Tractor John Deere 665 Tiller Parts Diagram This makes it easy to locate and identify specific components, ensuring. the part numbers in this parts catalog were correct at the time of publication. Per john deere policy, we continuously improve our products. John deere is a reliable source of proven tillage. Therefore, when ordering parts verify the part numbers with your dealer. tillage is still an. John Deere 665 Tiller Parts Diagram.
From www.weingartz.com
ARIMain WEINGARTZ John Deere 665 Tiller Parts Diagram Tillers 450,550,660,670,680 with our free parts lookup tool! This diagram provides a detailed. by referring to the john deere 665 tiller parts diagram, you can easily identify and locate each individual part, allowing you to replace or repair specific components as needed. find parts for your john deere drive assembly,rotor & blades 550 tiller: How does this john. John Deere 665 Tiller Parts Diagram.
From totalrentals.ca
John Deere 665 Tiller 66" John Deere 665 Tiller Parts Diagram the part numbers in this parts catalog were correct at the time of publication. tillage is still an indispensable tool to create a environment that promotes seed germination and root growth, controls moisture, weeds, and soil erosion. 2.8k views 2 years ago minneapolis. find parts & diagrams for your john deere equipment. This makes it easy to. John Deere 665 Tiller Parts Diagram.
From machinefinder.com
2011 John Deere 665 Miscellaneous John Deere MachineFinder John Deere 665 Tiller Parts Diagram This makes it easy to locate and identify specific components, ensuring. the part numbers in this parts catalog were correct at the time of publication. This diagram provides a detailed. Search our parts catalog, order parts online or contact your john deere dealer. Tillers 450,550,660,670,680 with our free parts lookup tool! by referring to the john deere 665. John Deere 665 Tiller Parts Diagram.
From www.bigiron.com
BigIron John Deere 665 Tiller Parts Diagram by referring to the john deere 665 tiller parts diagram, you can easily identify and locate each individual part, allowing you to replace or repair specific components as needed. Tillers 450,550,660,670,680 with our free parts lookup tool! tillage is still an indispensable tool to create a environment that promotes seed germination and root growth, controls moisture, weeds, and. John Deere 665 Tiller Parts Diagram.
From 777parts.net
Drive Assembly (655A) (100001 ) DIGGER, POSTHOLE John Deere 31C John Deere 665 Tiller Parts Diagram 2.8k views 2 years ago minneapolis. the parts diagram of the john deere 665 tiller provides a visual representation of each part, along with its corresponding part number. Tillers 450,550,660,670,680 with our free parts lookup tool! Per john deere policy, we continuously improve our products. find parts & diagrams for your john deere equipment. This makes it easy. John Deere 665 Tiller Parts Diagram.
From diagramwiringschema.blogspot.com
John Deere 665 Tiller Parts Diagram diagramwirings John Deere 665 Tiller Parts Diagram Per john deere policy, we continuously improve our products. find parts for your john deere drive assembly,rotor & blades 550 tiller: Search our parts catalog, order parts online or contact your john deere dealer. Tillers 450,550,660,670,680 with our free parts lookup tool! Therefore, when ordering parts verify the part numbers with your dealer. 2.8k views 2 years ago minneapolis.. John Deere 665 Tiller Parts Diagram.
From diagramwiringschema.blogspot.com
John Deere 665 Tiller Parts Diagram diagramwirings John Deere 665 Tiller Parts Diagram Therefore, when ordering parts verify the part numbers with your dealer. 2.8k views 2 years ago minneapolis. the parts diagram of the john deere 665 tiller provides a visual representation of each part, along with its corresponding part number. John deere is a reliable source of proven tillage. Tillers 450,550,660,670,680 with our free parts lookup tool! tillage is. John Deere 665 Tiller Parts Diagram.
From www.weingartz.com
ARIMain WEINGARTZ John Deere 665 Tiller Parts Diagram 2.8k views 2 years ago minneapolis. by referring to the john deere 665 tiller parts diagram, you can easily identify and locate each individual part, allowing you to replace or repair specific components as needed. John deere is a reliable source of proven tillage. How does this john deere. the part numbers in this parts catalog were correct. John Deere 665 Tiller Parts Diagram.
From www.ebay.com
John Deere 665 CommercialDuty Rotary Tiller 65" Agricultural Tractor John Deere 665 Tiller Parts Diagram Per john deere policy, we continuously improve our products. John deere is a reliable source of proven tillage. This diagram provides a detailed. tillage is still an indispensable tool to create a environment that promotes seed germination and root growth, controls moisture, weeds, and soil erosion. by referring to the john deere 665 tiller parts diagram, you can. John Deere 665 Tiller Parts Diagram.
From www.ebay.com
John Deere 665 CommercialDuty Rotary Tiller 65" Agricultural Tractor John Deere 665 Tiller Parts Diagram tillage is still an indispensable tool to create a environment that promotes seed germination and root growth, controls moisture, weeds, and soil erosion. 2.8k views 2 years ago minneapolis. How does this john deere. Per john deere policy, we continuously improve our products. find parts & diagrams for your john deere equipment. the parts diagram of the. John Deere 665 Tiller Parts Diagram.
From machinefinder.com
2014 John Deere 665 Tillage John Deere MachineFinder John Deere 665 Tiller Parts Diagram tillage is still an indispensable tool to create a environment that promotes seed germination and root growth, controls moisture, weeds, and soil erosion. find parts & diagrams for your john deere equipment. John deere is a reliable source of proven tillage. the part numbers in this parts catalog were correct at the time of publication. find. John Deere 665 Tiller Parts Diagram.
From diagramwiringschema.blogspot.com
John Deere 665 Tiller Parts Diagram diagramwirings John Deere 665 Tiller Parts Diagram Search our parts catalog, order parts online or contact your john deere dealer. This diagram provides a detailed. Therefore, when ordering parts verify the part numbers with your dealer. How does this john deere. by referring to the john deere 665 tiller parts diagram, you can easily identify and locate each individual part, allowing you to replace or repair. John Deere 665 Tiller Parts Diagram.
From 777parts.net
HOUSING, LIFT ARMS AND REAR SHIELD (550 TILLER) TILLER, TRACTOR John Deere 665 Tiller Parts Diagram This diagram provides a detailed. How does this john deere. tillage is still an indispensable tool to create a environment that promotes seed germination and root growth, controls moisture, weeds, and soil erosion. Therefore, when ordering parts verify the part numbers with your dealer. by referring to the john deere 665 tiller parts diagram, you can easily identify. John Deere 665 Tiller Parts Diagram.
From www.weingartz.com
ARIMain WEINGARTZ John Deere 665 Tiller Parts Diagram This diagram provides a detailed. How does this john deere. the parts diagram of the john deere 665 tiller provides a visual representation of each part, along with its corresponding part number. Tillers 450,550,660,670,680 with our free parts lookup tool! Per john deere policy, we continuously improve our products. the part numbers in this parts catalog were correct. John Deere 665 Tiller Parts Diagram.
From www.bigiron.com
John Deere 665 Rotary Tiller BigIron Auctions John Deere 665 Tiller Parts Diagram This diagram provides a detailed. find parts & diagrams for your john deere equipment. find parts for your john deere drive assembly,rotor & blades 550 tiller: John deere is a reliable source of proven tillage. How does this john deere. the parts diagram of the john deere 665 tiller provides a visual representation of each part, along. John Deere 665 Tiller Parts Diagram.
From www.weingartz.com
ARIMain WEINGARTZ John Deere 665 Tiller Parts Diagram This makes it easy to locate and identify specific components, ensuring. Therefore, when ordering parts verify the part numbers with your dealer. Search our parts catalog, order parts online or contact your john deere dealer. the parts diagram of the john deere 665 tiller provides a visual representation of each part, along with its corresponding part number. find. John Deere 665 Tiller Parts Diagram.
From service-workshopmanual.com
John Deere 647, 655, 665, 673 and 681 Rotary Tillers OMLVU24971 John Deere 665 Tiller Parts Diagram 2.8k views 2 years ago minneapolis. Tillers 450,550,660,670,680 with our free parts lookup tool! find parts for your john deere drive assembly,rotor & blades 550 tiller: Therefore, when ordering parts verify the part numbers with your dealer. tillage is still an indispensable tool to create a environment that promotes seed germination and root growth, controls moisture, weeds, and. John Deere 665 Tiller Parts Diagram.
From www.youtube.com
How a John Deere 665 Tiller Works YouTube John Deere 665 Tiller Parts Diagram tillage is still an indispensable tool to create a environment that promotes seed germination and root growth, controls moisture, weeds, and soil erosion. Tillers 450,550,660,670,680 with our free parts lookup tool! find parts for your john deere drive assembly,rotor & blades 550 tiller: Therefore, when ordering parts verify the part numbers with your dealer. This makes it easy. John Deere 665 Tiller Parts Diagram.
From www.aiophotos.com
John Deere 665 Commercial Duty Rotary Tiller 65 Agricultural Tractor John Deere 665 Tiller Parts Diagram find parts & diagrams for your john deere equipment. Search our parts catalog, order parts online or contact your john deere dealer. John deere is a reliable source of proven tillage. Per john deere policy, we continuously improve our products. This diagram provides a detailed. Tillers 450,550,660,670,680 with our free parts lookup tool! the part numbers in this. John Deere 665 Tiller Parts Diagram.
From www.repairmanual.com
Used John Deere 665 Central Metering Seeder Operators Manual John Deere 665 Tiller Parts Diagram This makes it easy to locate and identify specific components, ensuring. the parts diagram of the john deere 665 tiller provides a visual representation of each part, along with its corresponding part number. John deere is a reliable source of proven tillage. This diagram provides a detailed. How does this john deere. find parts & diagrams for your. John Deere 665 Tiller Parts Diagram.
From www.youtube.com
John Deere Tilling Dirt, (3720JD with 665 Tiller) YouTube John Deere 665 Tiller Parts Diagram the part numbers in this parts catalog were correct at the time of publication. This diagram provides a detailed. find parts & diagrams for your john deere equipment. find parts for your john deere drive assembly,rotor & blades 550 tiller: 2.8k views 2 years ago minneapolis. Therefore, when ordering parts verify the part numbers with your dealer.. John Deere 665 Tiller Parts Diagram.
From diagramwiringschema.blogspot.com
John Deere 665 Tiller Parts Diagram diagramwirings John Deere 665 Tiller Parts Diagram the part numbers in this parts catalog were correct at the time of publication. 2.8k views 2 years ago minneapolis. Therefore, when ordering parts verify the part numbers with your dealer. This diagram provides a detailed. How does this john deere. find parts for your john deere drive assembly,rotor & blades 550 tiller: find parts & diagrams. John Deere 665 Tiller Parts Diagram.
From www.purplewave.com
John Deere 665 rotary tiller in Garden City, KS Item AW9361 sold John Deere 665 Tiller Parts Diagram find parts for your john deere drive assembly,rotor & blades 550 tiller: 2.8k views 2 years ago minneapolis. Tillers 450,550,660,670,680 with our free parts lookup tool! Therefore, when ordering parts verify the part numbers with your dealer. tillage is still an indispensable tool to create a environment that promotes seed germination and root growth, controls moisture, weeds, and. John Deere 665 Tiller Parts Diagram.
From 777parts.net
Lateral Transmission TILLER, PTO John Deere RT1160 TILLER, PTO John Deere 665 Tiller Parts Diagram find parts & diagrams for your john deere equipment. Therefore, when ordering parts verify the part numbers with your dealer. 2.8k views 2 years ago minneapolis. Per john deere policy, we continuously improve our products. Search our parts catalog, order parts online or contact your john deere dealer. Tillers 450,550,660,670,680 with our free parts lookup tool! the parts. John Deere 665 Tiller Parts Diagram.
From design1systems.com
Exploring the Land Pride Tiller Parts Diagram A Comprehensive Guide John Deere 665 Tiller Parts Diagram tillage is still an indispensable tool to create a environment that promotes seed germination and root growth, controls moisture, weeds, and soil erosion. Search our parts catalog, order parts online or contact your john deere dealer. How does this john deere. by referring to the john deere 665 tiller parts diagram, you can easily identify and locate each. John Deere 665 Tiller Parts Diagram.
From www.greentractortalk.com
John Deere 665 Rotary Tiller Green Tractor Talk John Deere 665 Tiller Parts Diagram find parts for your john deere drive assembly,rotor & blades 550 tiller: Per john deere policy, we continuously improve our products. Search our parts catalog, order parts online or contact your john deere dealer. This makes it easy to locate and identify specific components, ensuring. the parts diagram of the john deere 665 tiller provides a visual representation. John Deere 665 Tiller Parts Diagram.
From www.youtube.com
Farming with a John Deere Tiller 665 YouTube John Deere 665 Tiller Parts Diagram John deere is a reliable source of proven tillage. Per john deere policy, we continuously improve our products. the part numbers in this parts catalog were correct at the time of publication. tillage is still an indispensable tool to create a environment that promotes seed germination and root growth, controls moisture, weeds, and soil erosion. find parts. John Deere 665 Tiller Parts Diagram.
From www.ebay.com
John Deere 665 CommercialDuty Rotary Tiller 65" Agricultural Tractor John Deere 665 Tiller Parts Diagram find parts & diagrams for your john deere equipment. find parts for your john deere drive assembly,rotor & blades 550 tiller: by referring to the john deere 665 tiller parts diagram, you can easily identify and locate each individual part, allowing you to replace or repair specific components as needed. tillage is still an indispensable tool. John Deere 665 Tiller Parts Diagram.