Switch Power Supply Circuit . Smps is an electronic power supply that converts ac or dc power into dc power using switching regulators. Find out the benefits of switching power supplies for digital circuits and the steps. Learn how switching power supplies convert ac to dc voltage more efficiently than linear power supplies. Learn how switch mode power supplies (smps) use semiconductor switching techniques to provide efficient and flexible voltage regulation. Above is a basic circuit for switch mode acdc power supply. Learn the definition, types, advantages, disadvantages,. The emi filter is mandatory for international standard.
from diagramliblt1stals.z13.web.core.windows.net
Learn how switching power supplies convert ac to dc voltage more efficiently than linear power supplies. Learn the definition, types, advantages, disadvantages,. Find out the benefits of switching power supplies for digital circuits and the steps. Above is a basic circuit for switch mode acdc power supply. Learn how switch mode power supplies (smps) use semiconductor switching techniques to provide efficient and flexible voltage regulation. The emi filter is mandatory for international standard. Smps is an electronic power supply that converts ac or dc power into dc power using switching regulators.
Circuit Diagram Of 12v Dc Power Supply
Switch Power Supply Circuit Learn the definition, types, advantages, disadvantages,. Learn how switching power supplies convert ac to dc voltage more efficiently than linear power supplies. Find out the benefits of switching power supplies for digital circuits and the steps. Learn the definition, types, advantages, disadvantages,. Learn how switch mode power supplies (smps) use semiconductor switching techniques to provide efficient and flexible voltage regulation. The emi filter is mandatory for international standard. Smps is an electronic power supply that converts ac or dc power into dc power using switching regulators. Above is a basic circuit for switch mode acdc power supply.
From manualdatametrists.z21.web.core.windows.net
Uninterruptible Power Supply Circuit Diagram Switch Power Supply Circuit Above is a basic circuit for switch mode acdc power supply. Learn the definition, types, advantages, disadvantages,. Smps is an electronic power supply that converts ac or dc power into dc power using switching regulators. Find out the benefits of switching power supplies for digital circuits and the steps. Learn how switching power supplies convert ac to dc voltage more. Switch Power Supply Circuit.
From electronics.stackexchange.com
mosfet Dual switched power supply circuit Electrical Engineering Switch Power Supply Circuit Learn how switch mode power supplies (smps) use semiconductor switching techniques to provide efficient and flexible voltage regulation. Smps is an electronic power supply that converts ac or dc power into dc power using switching regulators. The emi filter is mandatory for international standard. Find out the benefits of switching power supplies for digital circuits and the steps. Learn how. Switch Power Supply Circuit.
From powersupply33.com
70 W Switching Power supply with KA2S0880 IC Power Supply Circuits Switch Power Supply Circuit The emi filter is mandatory for international standard. Learn how switching power supplies convert ac to dc voltage more efficiently than linear power supplies. Find out the benefits of switching power supplies for digital circuits and the steps. Learn the definition, types, advantages, disadvantages,. Learn how switch mode power supplies (smps) use semiconductor switching techniques to provide efficient and flexible. Switch Power Supply Circuit.
From makingcircuits.com
Adjustable Current Switch Mode Power Supply (SMPS) Circuit Switch Power Supply Circuit Learn how switch mode power supplies (smps) use semiconductor switching techniques to provide efficient and flexible voltage regulation. Find out the benefits of switching power supplies for digital circuits and the steps. Learn how switching power supplies convert ac to dc voltage more efficiently than linear power supplies. Above is a basic circuit for switch mode acdc power supply. Learn. Switch Power Supply Circuit.
From saeedsolutions.blogspot.com
Saeed's Blog How to switch between power supplies using transistors Switch Power Supply Circuit The emi filter is mandatory for international standard. Learn the definition, types, advantages, disadvantages,. Smps is an electronic power supply that converts ac or dc power into dc power using switching regulators. Above is a basic circuit for switch mode acdc power supply. Find out the benefits of switching power supplies for digital circuits and the steps. Learn how switching. Switch Power Supply Circuit.
From powersupply33.com
5V 10A 50W Offline Switching Power Supply Power Supply Circuits Switch Power Supply Circuit Find out the benefits of switching power supplies for digital circuits and the steps. Above is a basic circuit for switch mode acdc power supply. Smps is an electronic power supply that converts ac or dc power into dc power using switching regulators. Learn how switching power supplies convert ac to dc voltage more efficiently than linear power supplies. Learn. Switch Power Supply Circuit.
From www.youtube.com
TL494 600Watt Regulated Switch Mode Power Supply 230V 020A YouTube Switch Power Supply Circuit The emi filter is mandatory for international standard. Learn how switch mode power supplies (smps) use semiconductor switching techniques to provide efficient and flexible voltage regulation. Above is a basic circuit for switch mode acdc power supply. Learn how switching power supplies convert ac to dc voltage more efficiently than linear power supplies. Smps is an electronic power supply that. Switch Power Supply Circuit.
From diagramliblt1stals.z13.web.core.windows.net
Circuit Diagram Of 12v Dc Power Supply Switch Power Supply Circuit Find out the benefits of switching power supplies for digital circuits and the steps. Learn how switching power supplies convert ac to dc voltage more efficiently than linear power supplies. Learn how switch mode power supplies (smps) use semiconductor switching techniques to provide efficient and flexible voltage regulation. Smps is an electronic power supply that converts ac or dc power. Switch Power Supply Circuit.
From www.eleccircuit.com
9 ways to build 24V power supply circuits with easy parts Switch Power Supply Circuit Above is a basic circuit for switch mode acdc power supply. Learn how switch mode power supplies (smps) use semiconductor switching techniques to provide efficient and flexible voltage regulation. Learn the definition, types, advantages, disadvantages,. Learn how switching power supplies convert ac to dc voltage more efficiently than linear power supplies. The emi filter is mandatory for international standard. Smps. Switch Power Supply Circuit.
From www.homemade-circuits.com
4 Simple Transformerless Power Supply Circuits Explained Homemade Switch Power Supply Circuit The emi filter is mandatory for international standard. Above is a basic circuit for switch mode acdc power supply. Find out the benefits of switching power supplies for digital circuits and the steps. Smps is an electronic power supply that converts ac or dc power into dc power using switching regulators. Learn how switching power supplies convert ac to dc. Switch Power Supply Circuit.
From bestengineeringprojects.com
Variable Switching Power Supply Power Supply Based Projects Switch Power Supply Circuit Learn how switching power supplies convert ac to dc voltage more efficiently than linear power supplies. Smps is an electronic power supply that converts ac or dc power into dc power using switching regulators. The emi filter is mandatory for international standard. Above is a basic circuit for switch mode acdc power supply. Find out the benefits of switching power. Switch Power Supply Circuit.
From loebjbgpr.blob.core.windows.net
Switch Mode Power Supply Circuit Diagram With Explanation at Delia Conn Switch Power Supply Circuit Learn how switching power supplies convert ac to dc voltage more efficiently than linear power supplies. The emi filter is mandatory for international standard. Smps is an electronic power supply that converts ac or dc power into dc power using switching regulators. Find out the benefits of switching power supplies for digital circuits and the steps. Above is a basic. Switch Power Supply Circuit.
From www.next.gr
220V 12V 150W switching power supply circuit diagram under Switching Switch Power Supply Circuit Smps is an electronic power supply that converts ac or dc power into dc power using switching regulators. Above is a basic circuit for switch mode acdc power supply. Find out the benefits of switching power supplies for digital circuits and the steps. Learn the definition, types, advantages, disadvantages,. Learn how switching power supplies convert ac to dc voltage more. Switch Power Supply Circuit.
From tronicspro.com
Switchmode Power Supply Circuit Diagram TRONICSpro Switch Power Supply Circuit Learn how switching power supplies convert ac to dc voltage more efficiently than linear power supplies. Find out the benefits of switching power supplies for digital circuits and the steps. Learn the definition, types, advantages, disadvantages,. The emi filter is mandatory for international standard. Above is a basic circuit for switch mode acdc power supply. Smps is an electronic power. Switch Power Supply Circuit.
From www.caretxdigital.com
Schematic Diagram Of Power Supply 12v Wiring Diagram and Schematics Switch Power Supply Circuit Learn the definition, types, advantages, disadvantages,. Learn how switch mode power supplies (smps) use semiconductor switching techniques to provide efficient and flexible voltage regulation. Learn how switching power supplies convert ac to dc voltage more efficiently than linear power supplies. Above is a basic circuit for switch mode acdc power supply. Smps is an electronic power supply that converts ac. Switch Power Supply Circuit.
From www.circuitdiagram.co
12v 5a Smps Circuit Diagram Switch Power Supply Circuit Find out the benefits of switching power supplies for digital circuits and the steps. The emi filter is mandatory for international standard. Smps is an electronic power supply that converts ac or dc power into dc power using switching regulators. Learn the definition, types, advantages, disadvantages,. Learn how switch mode power supplies (smps) use semiconductor switching techniques to provide efficient. Switch Power Supply Circuit.
From www.wiringdraw.com
Switch Power Supply Circuit Diagram With Explanation Pdf Wiring Draw Switch Power Supply Circuit Learn how switching power supplies convert ac to dc voltage more efficiently than linear power supplies. Above is a basic circuit for switch mode acdc power supply. Smps is an electronic power supply that converts ac or dc power into dc power using switching regulators. The emi filter is mandatory for international standard. Learn how switch mode power supplies (smps). Switch Power Supply Circuit.
From enginelistblack55.z19.web.core.windows.net
Switch Mode Power Supply Circuit Switch Power Supply Circuit Above is a basic circuit for switch mode acdc power supply. Smps is an electronic power supply that converts ac or dc power into dc power using switching regulators. Learn how switching power supplies convert ac to dc voltage more efficiently than linear power supplies. The emi filter is mandatory for international standard. Learn how switch mode power supplies (smps). Switch Power Supply Circuit.
From userlistfinkel.z19.web.core.windows.net
24v 10a Power Supply Circuit Diagram Switch Power Supply Circuit Smps is an electronic power supply that converts ac or dc power into dc power using switching regulators. Learn the definition, types, advantages, disadvantages,. Above is a basic circuit for switch mode acdc power supply. Find out the benefits of switching power supplies for digital circuits and the steps. Learn how switching power supplies convert ac to dc voltage more. Switch Power Supply Circuit.
From www.next.gr
Charging circuit from the DC power supply switching power supply Switch Power Supply Circuit Learn how switching power supplies convert ac to dc voltage more efficiently than linear power supplies. Smps is an electronic power supply that converts ac or dc power into dc power using switching regulators. The emi filter is mandatory for international standard. Above is a basic circuit for switch mode acdc power supply. Learn how switch mode power supplies (smps). Switch Power Supply Circuit.
From www.next.gr
switching power supply Power Supply Circuits Next.gr Switch Power Supply Circuit Learn the definition, types, advantages, disadvantages,. Learn how switch mode power supplies (smps) use semiconductor switching techniques to provide efficient and flexible voltage regulation. Find out the benefits of switching power supplies for digital circuits and the steps. Learn how switching power supplies convert ac to dc voltage more efficiently than linear power supplies. Above is a basic circuit for. Switch Power Supply Circuit.
From enginelistblack55.z19.web.core.windows.net
Switch Mode Power Supply Circuit Switch Power Supply Circuit Learn how switch mode power supplies (smps) use semiconductor switching techniques to provide efficient and flexible voltage regulation. The emi filter is mandatory for international standard. Learn the definition, types, advantages, disadvantages,. Find out the benefits of switching power supplies for digital circuits and the steps. Learn how switching power supplies convert ac to dc voltage more efficiently than linear. Switch Power Supply Circuit.
From www.youtube.com
12V 5A Flyback SelfSwitching Power Supply with Regulation YouTube Switch Power Supply Circuit Above is a basic circuit for switch mode acdc power supply. Smps is an electronic power supply that converts ac or dc power into dc power using switching regulators. Find out the benefits of switching power supplies for digital circuits and the steps. Learn how switching power supplies convert ac to dc voltage more efficiently than linear power supplies. Learn. Switch Power Supply Circuit.
From circuitlisthernandez.z13.web.core.windows.net
Circuit Diagram Of Smps Power Supply Switch Power Supply Circuit Smps is an electronic power supply that converts ac or dc power into dc power using switching regulators. Learn how switching power supplies convert ac to dc voltage more efficiently than linear power supplies. Above is a basic circuit for switch mode acdc power supply. Find out the benefits of switching power supplies for digital circuits and the steps. Learn. Switch Power Supply Circuit.
From www.electrothinks.com
12V 2A Switch Mode Power Supply with LP2704A Switch Power Supply Circuit Above is a basic circuit for switch mode acdc power supply. Learn the definition, types, advantages, disadvantages,. Learn how switch mode power supplies (smps) use semiconductor switching techniques to provide efficient and flexible voltage regulation. Find out the benefits of switching power supplies for digital circuits and the steps. The emi filter is mandatory for international standard. Smps is an. Switch Power Supply Circuit.
From joiucsicc.blob.core.windows.net
Short Killer Power Supply Diagram at Lottie Dunham blog Switch Power Supply Circuit Find out the benefits of switching power supplies for digital circuits and the steps. Learn how switch mode power supplies (smps) use semiconductor switching techniques to provide efficient and flexible voltage regulation. The emi filter is mandatory for international standard. Learn how switching power supplies convert ac to dc voltage more efficiently than linear power supplies. Above is a basic. Switch Power Supply Circuit.
From www.seekic.com
The 5V and 5a switch stable power supply circuit Power_Supply_Circuit Switch Power Supply Circuit Smps is an electronic power supply that converts ac or dc power into dc power using switching regulators. Learn how switching power supplies convert ac to dc voltage more efficiently than linear power supplies. Find out the benefits of switching power supplies for digital circuits and the steps. Learn the definition, types, advantages, disadvantages,. Learn how switch mode power supplies. Switch Power Supply Circuit.
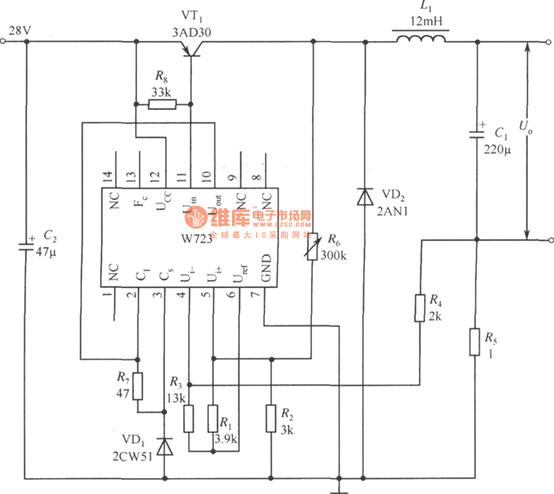
From www.seekic.com
Switch constant current power supply applying circuit made by W723 Switch Power Supply Circuit Above is a basic circuit for switch mode acdc power supply. The emi filter is mandatory for international standard. Learn the definition, types, advantages, disadvantages,. Smps is an electronic power supply that converts ac or dc power into dc power using switching regulators. Learn how switch mode power supplies (smps) use semiconductor switching techniques to provide efficient and flexible voltage. Switch Power Supply Circuit.
From in.pinterest.com
TL494 Adjustable Switch Mode Power Supply (Universal buck boost Switch Power Supply Circuit Smps is an electronic power supply that converts ac or dc power into dc power using switching regulators. The emi filter is mandatory for international standard. Learn how switching power supplies convert ac to dc voltage more efficiently than linear power supplies. Learn how switch mode power supplies (smps) use semiconductor switching techniques to provide efficient and flexible voltage regulation.. Switch Power Supply Circuit.
From www.circuits-diy.com
Switched Mode Power Supply (SMPS) Circuit TNY267 Switch Power Supply Circuit Learn the definition, types, advantages, disadvantages,. The emi filter is mandatory for international standard. Smps is an electronic power supply that converts ac or dc power into dc power using switching regulators. Find out the benefits of switching power supplies for digital circuits and the steps. Learn how switching power supplies convert ac to dc voltage more efficiently than linear. Switch Power Supply Circuit.
From klahpkinh.blob.core.windows.net
How Does A Switching Power Supply Work at David Crowe blog Switch Power Supply Circuit Smps is an electronic power supply that converts ac or dc power into dc power using switching regulators. Learn how switching power supplies convert ac to dc voltage more efficiently than linear power supplies. Above is a basic circuit for switch mode acdc power supply. Learn how switch mode power supplies (smps) use semiconductor switching techniques to provide efficient and. Switch Power Supply Circuit.
From www.circuitbasics.com
How to Build a Switch Mode Power Supply Circuit Basics Switch Power Supply Circuit Learn how switching power supplies convert ac to dc voltage more efficiently than linear power supplies. Learn how switch mode power supplies (smps) use semiconductor switching techniques to provide efficient and flexible voltage regulation. The emi filter is mandatory for international standard. Learn the definition, types, advantages, disadvantages,. Above is a basic circuit for switch mode acdc power supply. Smps. Switch Power Supply Circuit.
From electronics.stackexchange.com
Switch Power Supply at 24V using MOSFETs Electrical Engineering Stack Switch Power Supply Circuit Learn the definition, types, advantages, disadvantages,. Learn how switching power supplies convert ac to dc voltage more efficiently than linear power supplies. Learn how switch mode power supplies (smps) use semiconductor switching techniques to provide efficient and flexible voltage regulation. The emi filter is mandatory for international standard. Find out the benefits of switching power supplies for digital circuits and. Switch Power Supply Circuit.
From www.youtube.com
UC3842 Switching Power Supply For Battery Charger 315V 10A YouTube Switch Power Supply Circuit Smps is an electronic power supply that converts ac or dc power into dc power using switching regulators. Learn how switch mode power supplies (smps) use semiconductor switching techniques to provide efficient and flexible voltage regulation. Above is a basic circuit for switch mode acdc power supply. Learn the definition, types, advantages, disadvantages,. Learn how switching power supplies convert ac. Switch Power Supply Circuit.
From www.pinterest.co.uk
SwitchedMode Power Supply (SMPS) Circuit Working Explanation Switch Power Supply Circuit Above is a basic circuit for switch mode acdc power supply. Find out the benefits of switching power supplies for digital circuits and the steps. Learn how switching power supplies convert ac to dc voltage more efficiently than linear power supplies. Smps is an electronic power supply that converts ac or dc power into dc power using switching regulators. Learn. Switch Power Supply Circuit.