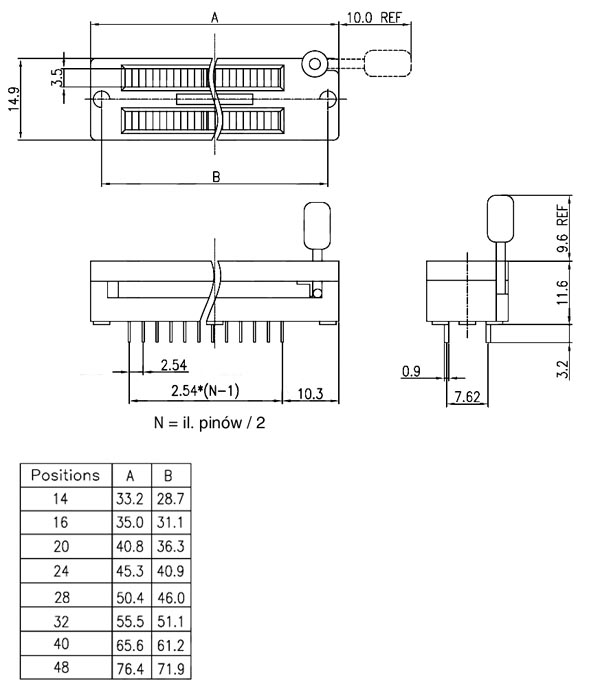
Kicad Zif Socket . If you are not looking for zif sockets, what is the difference between footprint for normal dip housing and dip socket? You can pick up these neat tsop48 zif sockets on ebay. Quickwriter™, parallax and pic writer programmer series. This is a collection of the kicad symbols, footprints and 3d models useful in keyboard creation other than normal mechanical. October 7, 2016, 2:52 am. The kicad footprint libraries are the individual.pretty directories. Each.pretty directory contains multiple.kicad_mod footprint files. In my kicad stock library, they’re in socket>3m_textool (screenshot). Generally, industry calls them ‘zif’ and ‘ziff’ connectors,. Can you point me to the specific sketches that i should change for 48 pins and the increase in length of the body from 65.79 mm (20 x 2.54 mm + 14.99 mm) to 75.95 mm (24 x. I’ve been using them for a tsop48 nand flash reader which will.
from www.123materialen.com
This is a collection of the kicad symbols, footprints and 3d models useful in keyboard creation other than normal mechanical. Each.pretty directory contains multiple.kicad_mod footprint files. Can you point me to the specific sketches that i should change for 48 pins and the increase in length of the body from 65.79 mm (20 x 2.54 mm + 14.99 mm) to 75.95 mm (24 x. If you are not looking for zif sockets, what is the difference between footprint for normal dip housing and dip socket? In my kicad stock library, they’re in socket>3m_textool (screenshot). October 7, 2016, 2:52 am. You can pick up these neat tsop48 zif sockets on ebay. Generally, industry calls them ‘zif’ and ‘ziff’ connectors,. The kicad footprint libraries are the individual.pretty directories. Quickwriter™, parallax and pic writer programmer series.
22delig icslot zifsocket test universele zifsockets 16polig
Kicad Zif Socket You can pick up these neat tsop48 zif sockets on ebay. Can you point me to the specific sketches that i should change for 48 pins and the increase in length of the body from 65.79 mm (20 x 2.54 mm + 14.99 mm) to 75.95 mm (24 x. You can pick up these neat tsop48 zif sockets on ebay. I’ve been using them for a tsop48 nand flash reader which will. Quickwriter™, parallax and pic writer programmer series. Each.pretty directory contains multiple.kicad_mod footprint files. If you are not looking for zif sockets, what is the difference between footprint for normal dip housing and dip socket? In my kicad stock library, they’re in socket>3m_textool (screenshot). October 7, 2016, 2:52 am. Generally, industry calls them ‘zif’ and ‘ziff’ connectors,. The kicad footprint libraries are the individual.pretty directories. This is a collection of the kicad symbols, footprints and 3d models useful in keyboard creation other than normal mechanical.
From www.micros.com.pl
ZIF sockets / Sockets Micros Kicad Zif Socket In my kicad stock library, they’re in socket>3m_textool (screenshot). Generally, industry calls them ‘zif’ and ‘ziff’ connectors,. Can you point me to the specific sketches that i should change for 48 pins and the increase in length of the body from 65.79 mm (20 x 2.54 mm + 14.99 mm) to 75.95 mm (24 x. Quickwriter™, parallax and pic writer. Kicad Zif Socket.
From www.dreamstime.com
Zif Socket Photos Free & RoyaltyFree Stock Photos from Dreamstime Kicad Zif Socket In my kicad stock library, they’re in socket>3m_textool (screenshot). You can pick up these neat tsop48 zif sockets on ebay. October 7, 2016, 2:52 am. This is a collection of the kicad symbols, footprints and 3d models useful in keyboard creation other than normal mechanical. If you are not looking for zif sockets, what is the difference between footprint for. Kicad Zif Socket.
From famosastudio.com
ZIF Socket 28Pin 0.3" Kicad Zif Socket Each.pretty directory contains multiple.kicad_mod footprint files. Quickwriter™, parallax and pic writer programmer series. You can pick up these neat tsop48 zif sockets on ebay. Can you point me to the specific sketches that i should change for 48 pins and the increase in length of the body from 65.79 mm (20 x 2.54 mm + 14.99 mm) to 75.95 mm. Kicad Zif Socket.
From www.123materialen.com
22delig icslot zifsocket test universele zifsockets 16polig Kicad Zif Socket Can you point me to the specific sketches that i should change for 48 pins and the increase in length of the body from 65.79 mm (20 x 2.54 mm + 14.99 mm) to 75.95 mm (24 x. In my kicad stock library, they’re in socket>3m_textool (screenshot). I’ve been using them for a tsop48 nand flash reader which will. This. Kicad Zif Socket.
From makerselectronics.com
Universal ZIF Socket 16 Pins Makers Electronics Kicad Zif Socket Each.pretty directory contains multiple.kicad_mod footprint files. Generally, industry calls them ‘zif’ and ‘ziff’ connectors,. In my kicad stock library, they’re in socket>3m_textool (screenshot). Can you point me to the specific sketches that i should change for 48 pins and the increase in length of the body from 65.79 mm (20 x 2.54 mm + 14.99 mm) to 75.95 mm (24. Kicad Zif Socket.
From musicproductionglossary.com
What is ZIF Socket? The Definition for ZIF Socket Kicad Zif Socket October 7, 2016, 2:52 am. Quickwriter™, parallax and pic writer programmer series. You can pick up these neat tsop48 zif sockets on ebay. This is a collection of the kicad symbols, footprints and 3d models useful in keyboard creation other than normal mechanical. I’ve been using them for a tsop48 nand flash reader which will. Each.pretty directory contains multiple.kicad_mod footprint. Kicad Zif Socket.
From github.com
Populate IC sockets by default · Issue 388 · KiCad/kicadpackages3D Kicad Zif Socket I’ve been using them for a tsop48 nand flash reader which will. The kicad footprint libraries are the individual.pretty directories. Generally, industry calls them ‘zif’ and ‘ziff’ connectors,. If you are not looking for zif sockets, what is the difference between footprint for normal dip housing and dip socket? Quickwriter™, parallax and pic writer programmer series. October 7, 2016, 2:52. Kicad Zif Socket.
From www.breadbox64.com
The ZIF Socket Mod Kicad Zif Socket Can you point me to the specific sketches that i should change for 48 pins and the increase in length of the body from 65.79 mm (20 x 2.54 mm + 14.99 mm) to 75.95 mm (24 x. October 7, 2016, 2:52 am. I’ve been using them for a tsop48 nand flash reader which will. You can pick up these. Kicad Zif Socket.
From forum.kicad.info
Information on ZIF sockets Footprints KiCad.info Forums Kicad Zif Socket October 7, 2016, 2:52 am. If you are not looking for zif sockets, what is the difference between footprint for normal dip housing and dip socket? Quickwriter™, parallax and pic writer programmer series. Each.pretty directory contains multiple.kicad_mod footprint files. I’ve been using them for a tsop48 nand flash reader which will. The kicad footprint libraries are the individual.pretty directories. Generally,. Kicad Zif Socket.
From domoticx.net
Relay Socket Finder 93.11 KiCad 7+ DomoticX Kicad Zif Socket I’ve been using them for a tsop48 nand flash reader which will. If you are not looking for zif sockets, what is the difference between footprint for normal dip housing and dip socket? Can you point me to the specific sketches that i should change for 48 pins and the increase in length of the body from 65.79 mm (20. Kicad Zif Socket.
From forum.kicad.info
Information on ZIF sockets Footprints KiCad.info Forums Kicad Zif Socket The kicad footprint libraries are the individual.pretty directories. Quickwriter™, parallax and pic writer programmer series. Generally, industry calls them ‘zif’ and ‘ziff’ connectors,. In my kicad stock library, they’re in socket>3m_textool (screenshot). October 7, 2016, 2:52 am. Each.pretty directory contains multiple.kicad_mod footprint files. I’ve been using them for a tsop48 nand flash reader which will. You can pick up these. Kicad Zif Socket.
From shop.evilmadscientist.com
20pin DIP ZIF sockets Kicad Zif Socket If you are not looking for zif sockets, what is the difference between footprint for normal dip housing and dip socket? In my kicad stock library, they’re in socket>3m_textool (screenshot). Generally, industry calls them ‘zif’ and ‘ziff’ connectors,. I’ve been using them for a tsop48 nand flash reader which will. Each.pretty directory contains multiple.kicad_mod footprint files. This is a collection. Kicad Zif Socket.
From core-electronics.com.au
28 Pin ZIF Socket AP0594 Core Electronics Australia Kicad Zif Socket I’ve been using them for a tsop48 nand flash reader which will. The kicad footprint libraries are the individual.pretty directories. October 7, 2016, 2:52 am. If you are not looking for zif sockets, what is the difference between footprint for normal dip housing and dip socket? Generally, industry calls them ‘zif’ and ‘ziff’ connectors,. Quickwriter™, parallax and pic writer programmer. Kicad Zif Socket.
From github.com
DIP sockets confusion · Issue 145 · KiCad/kicadpackages3D · GitHub Kicad Zif Socket You can pick up these neat tsop48 zif sockets on ebay. Generally, industry calls them ‘zif’ and ‘ziff’ connectors,. If you are not looking for zif sockets, what is the difference between footprint for normal dip housing and dip socket? Each.pretty directory contains multiple.kicad_mod footprint files. Can you point me to the specific sketches that i should change for 48. Kicad Zif Socket.
From www.littlebird.com.au
ZIF Socket 28Pin 0.3" Australia Little Bird Kicad Zif Socket I’ve been using them for a tsop48 nand flash reader which will. You can pick up these neat tsop48 zif sockets on ebay. This is a collection of the kicad symbols, footprints and 3d models useful in keyboard creation other than normal mechanical. In my kicad stock library, they’re in socket>3m_textool (screenshot). Quickwriter™, parallax and pic writer programmer series. Can. Kicad Zif Socket.
From www.123materialen.com
22delig icslot zifsocket test universele zifsockets 16polig Kicad Zif Socket This is a collection of the kicad symbols, footprints and 3d models useful in keyboard creation other than normal mechanical. If you are not looking for zif sockets, what is the difference between footprint for normal dip housing and dip socket? The kicad footprint libraries are the individual.pretty directories. Can you point me to the specific sketches that i should. Kicad Zif Socket.
From forum.kicad.info
Information on ZIF sockets Footprints KiCad.info Forums Kicad Zif Socket Generally, industry calls them ‘zif’ and ‘ziff’ connectors,. The kicad footprint libraries are the individual.pretty directories. I’ve been using them for a tsop48 nand flash reader which will. If you are not looking for zif sockets, what is the difference between footprint for normal dip housing and dip socket? You can pick up these neat tsop48 zif sockets on ebay.. Kicad Zif Socket.
From www.artstation.com
ArtStation ZIF Socket Game Assets Kicad Zif Socket In my kicad stock library, they’re in socket>3m_textool (screenshot). This is a collection of the kicad symbols, footprints and 3d models useful in keyboard creation other than normal mechanical. Quickwriter™, parallax and pic writer programmer series. Each.pretty directory contains multiple.kicad_mod footprint files. You can pick up these neat tsop48 zif sockets on ebay. The kicad footprint libraries are the individual.pretty. Kicad Zif Socket.
From mobilewill.blogspot.com
MobileWill Teardown ZIF Socket Kicad Zif Socket The kicad footprint libraries are the individual.pretty directories. Can you point me to the specific sketches that i should change for 48 pins and the increase in length of the body from 65.79 mm (20 x 2.54 mm + 14.99 mm) to 75.95 mm (24 x. You can pick up these neat tsop48 zif sockets on ebay. Quickwriter™, parallax and. Kicad Zif Socket.
From www.flyrobo.in
20 Pin ZIF Socket Base Kicad Zif Socket October 7, 2016, 2:52 am. This is a collection of the kicad symbols, footprints and 3d models useful in keyboard creation other than normal mechanical. Each.pretty directory contains multiple.kicad_mod footprint files. Quickwriter™, parallax and pic writer programmer series. Generally, industry calls them ‘zif’ and ‘ziff’ connectors,. In my kicad stock library, they’re in socket>3m_textool (screenshot). Can you point me to. Kicad Zif Socket.
From boostednw.com
ZIF Socket ( Low Profile 28pin) Kicad Zif Socket Each.pretty directory contains multiple.kicad_mod footprint files. The kicad footprint libraries are the individual.pretty directories. October 7, 2016, 2:52 am. I’ve been using them for a tsop48 nand flash reader which will. If you are not looking for zif sockets, what is the difference between footprint for normal dip housing and dip socket? Can you point me to the specific sketches. Kicad Zif Socket.
From www.pcbway.com
How to export a PCB(.step) from KICAD to Fusion 360 PCB Design Kicad Zif Socket October 7, 2016, 2:52 am. Each.pretty directory contains multiple.kicad_mod footprint files. I’ve been using them for a tsop48 nand flash reader which will. The kicad footprint libraries are the individual.pretty directories. Generally, industry calls them ‘zif’ and ‘ziff’ connectors,. Quickwriter™, parallax and pic writer programmer series. Can you point me to the specific sketches that i should change for 48. Kicad Zif Socket.
From www.breadbox64.com
The ZIF Socket Mod Kicad Zif Socket Each.pretty directory contains multiple.kicad_mod footprint files. I’ve been using them for a tsop48 nand flash reader which will. Can you point me to the specific sketches that i should change for 48 pins and the increase in length of the body from 65.79 mm (20 x 2.54 mm + 14.99 mm) to 75.95 mm (24 x. Generally, industry calls them. Kicad Zif Socket.
From github.com
Populate IC sockets by default · Issue 388 · KiCad/kicadpackages3D Kicad Zif Socket This is a collection of the kicad symbols, footprints and 3d models useful in keyboard creation other than normal mechanical. The kicad footprint libraries are the individual.pretty directories. In my kicad stock library, they’re in socket>3m_textool (screenshot). Generally, industry calls them ‘zif’ and ‘ziff’ connectors,. October 7, 2016, 2:52 am. Each.pretty directory contains multiple.kicad_mod footprint files. I’ve been using them. Kicad Zif Socket.
From www.breadbox64.com
The ZIF Socket Mod Kicad Zif Socket You can pick up these neat tsop48 zif sockets on ebay. In my kicad stock library, they’re in socket>3m_textool (screenshot). October 7, 2016, 2:52 am. This is a collection of the kicad symbols, footprints and 3d models useful in keyboard creation other than normal mechanical. I’ve been using them for a tsop48 nand flash reader which will. If you are. Kicad Zif Socket.
From grabcad.com
Free CAD Designs, Files & 3D Models The GrabCAD Community Library Kicad Zif Socket Quickwriter™, parallax and pic writer programmer series. Each.pretty directory contains multiple.kicad_mod footprint files. This is a collection of the kicad symbols, footprints and 3d models useful in keyboard creation other than normal mechanical. Generally, industry calls them ‘zif’ and ‘ziff’ connectors,. If you are not looking for zif sockets, what is the difference between footprint for normal dip housing and. Kicad Zif Socket.
From www.evselectro.com
32 Pin Zif Socket Kicad Zif Socket This is a collection of the kicad symbols, footprints and 3d models useful in keyboard creation other than normal mechanical. If you are not looking for zif sockets, what is the difference between footprint for normal dip housing and dip socket? In my kicad stock library, they’re in socket>3m_textool (screenshot). Generally, industry calls them ‘zif’ and ‘ziff’ connectors,. Can you. Kicad Zif Socket.
From www.diyaudio.com
Kicad "empty DIP socket" symbol ? diyAudio Kicad Zif Socket Each.pretty directory contains multiple.kicad_mod footprint files. October 7, 2016, 2:52 am. You can pick up these neat tsop48 zif sockets on ebay. The kicad footprint libraries are the individual.pretty directories. This is a collection of the kicad symbols, footprints and 3d models useful in keyboard creation other than normal mechanical. Quickwriter™, parallax and pic writer programmer series. Generally, industry calls. Kicad Zif Socket.
From forum.kicad.info
DIP socket footprints (solved) Layout KiCad.info Forums Kicad Zif Socket In my kicad stock library, they’re in socket>3m_textool (screenshot). The kicad footprint libraries are the individual.pretty directories. This is a collection of the kicad symbols, footprints and 3d models useful in keyboard creation other than normal mechanical. If you are not looking for zif sockets, what is the difference between footprint for normal dip housing and dip socket? Generally, industry. Kicad Zif Socket.
From mobilewill.blogspot.com
MobileWill Teardown ZIF Socket Kicad Zif Socket Quickwriter™, parallax and pic writer programmer series. If you are not looking for zif sockets, what is the difference between footprint for normal dip housing and dip socket? This is a collection of the kicad symbols, footprints and 3d models useful in keyboard creation other than normal mechanical. In my kicad stock library, they’re in socket>3m_textool (screenshot). I’ve been using. Kicad Zif Socket.
From udvabony.com
Universal ZIF Socket DIP 20 Pin 2.54mm Pitch IC Adaptor Kicad Zif Socket You can pick up these neat tsop48 zif sockets on ebay. October 7, 2016, 2:52 am. I’ve been using them for a tsop48 nand flash reader which will. Can you point me to the specific sketches that i should change for 48 pins and the increase in length of the body from 65.79 mm (20 x 2.54 mm + 14.99. Kicad Zif Socket.
From forum.kicad.info
[Solved] Add pin sockets to RPi Pico design Layout KiCad.info Forums Kicad Zif Socket This is a collection of the kicad symbols, footprints and 3d models useful in keyboard creation other than normal mechanical. You can pick up these neat tsop48 zif sockets on ebay. Each.pretty directory contains multiple.kicad_mod footprint files. Quickwriter™, parallax and pic writer programmer series. Can you point me to the specific sketches that i should change for 48 pins and. Kicad Zif Socket.
From www.breadbox64.com
The ZIF Socket Mod Kicad Zif Socket Can you point me to the specific sketches that i should change for 48 pins and the increase in length of the body from 65.79 mm (20 x 2.54 mm + 14.99 mm) to 75.95 mm (24 x. Quickwriter™, parallax and pic writer programmer series. In my kicad stock library, they’re in socket>3m_textool (screenshot). This is a collection of the. Kicad Zif Socket.
From shop.evilmadscientist.com
20pin DIP ZIF sockets Kicad Zif Socket Quickwriter™, parallax and pic writer programmer series. I’ve been using them for a tsop48 nand flash reader which will. Can you point me to the specific sketches that i should change for 48 pins and the increase in length of the body from 65.79 mm (20 x 2.54 mm + 14.99 mm) to 75.95 mm (24 x. This is a. Kicad Zif Socket.
From shop.evilmadscientist.com
20pin DIP ZIF sockets Kicad Zif Socket October 7, 2016, 2:52 am. In my kicad stock library, they’re in socket>3m_textool (screenshot). Generally, industry calls them ‘zif’ and ‘ziff’ connectors,. This is a collection of the kicad symbols, footprints and 3d models useful in keyboard creation other than normal mechanical. Each.pretty directory contains multiple.kicad_mod footprint files. The kicad footprint libraries are the individual.pretty directories. Quickwriter™, parallax and pic. Kicad Zif Socket.