Kx80 Clutch Diagram . Clear repair solutions for diyers. 1998 kx80 clutch parts diagram author: Our online part finder allows you to find the exact spare part you need and to order. Our online part finder allows you to find the exact spare part you need and to order. buy oem parts for kawasaki motorcycle 1998 clutch diagram. 1996 kx80 clutch parts diagram author: how to replace the clutch on a kawasaki kx 80 from 1993.
from www.youtube.com
Clear repair solutions for diyers. Our online part finder allows you to find the exact spare part you need and to order. 1996 kx80 clutch parts diagram author: Our online part finder allows you to find the exact spare part you need and to order. buy oem parts for kawasaki motorcycle 1998 clutch diagram. 1998 kx80 clutch parts diagram author: how to replace the clutch on a kawasaki kx 80 from 1993.
Clutch basket removal kx80 cr80 yz80/I have a better vid now YouTube
Kx80 Clutch Diagram Our online part finder allows you to find the exact spare part you need and to order. how to replace the clutch on a kawasaki kx 80 from 1993. 1996 kx80 clutch parts diagram author: buy oem parts for kawasaki motorcycle 1998 clutch diagram. Our online part finder allows you to find the exact spare part you need and to order. Clear repair solutions for diyers. 1998 kx80 clutch parts diagram author: Our online part finder allows you to find the exact spare part you need and to order.
From www.cmsnl.com
Kawasaki Kx80e1 Kx80 1983 Usa Canada Engine Covers/water Pump Kx80 Clutch Diagram 1996 kx80 clutch parts diagram author: Clear repair solutions for diyers. how to replace the clutch on a kawasaki kx 80 from 1993. Our online part finder allows you to find the exact spare part you need and to order. Our online part finder allows you to find the exact spare part you need and to order. . Kx80 Clutch Diagram.
From www.cmsnl.com
HOUSING,CLUTCH for KX80C1 KX80 1981 USA CANADA order at CMSNL Kx80 Clutch Diagram Our online part finder allows you to find the exact spare part you need and to order. buy oem parts for kawasaki motorcycle 1998 clutch diagram. Our online part finder allows you to find the exact spare part you need and to order. Clear repair solutions for diyers. 1996 kx80 clutch parts diagram author: 1998 kx80 clutch. Kx80 Clutch Diagram.
From www.cmsnl.com
Kawasaki KX80L1 1988 UNITED KINGDOM AL CLUTCH buy original CLUTCH Kx80 Clutch Diagram Clear repair solutions for diyers. Our online part finder allows you to find the exact spare part you need and to order. Our online part finder allows you to find the exact spare part you need and to order. how to replace the clutch on a kawasaki kx 80 from 1993. buy oem parts for kawasaki motorcycle 1998. Kx80 Clutch Diagram.
From www.thejunkmanadv.com
ServiceManuals The Junk Man's Adventures Kx80 Clutch Diagram Our online part finder allows you to find the exact spare part you need and to order. Our online part finder allows you to find the exact spare part you need and to order. how to replace the clutch on a kawasaki kx 80 from 1993. buy oem parts for kawasaki motorcycle 1998 clutch diagram. Clear repair solutions. Kx80 Clutch Diagram.
From www.thumpertalk.com
1989 kx80 Clutch cover? Kawasaki 2 Stroke ThumperTalk Kx80 Clutch Diagram 1996 kx80 clutch parts diagram author: how to replace the clutch on a kawasaki kx 80 from 1993. buy oem parts for kawasaki motorcycle 1998 clutch diagram. Clear repair solutions for diyers. 1998 kx80 clutch parts diagram author: Our online part finder allows you to find the exact spare part you need and to order. Our. Kx80 Clutch Diagram.
From www.cmsnl.com
Kawasaki KX80R4 1994 EUROPE CLUTCH buy original CLUTCH spares online Kx80 Clutch Diagram Our online part finder allows you to find the exact spare part you need and to order. 1996 kx80 clutch parts diagram author: Our online part finder allows you to find the exact spare part you need and to order. how to replace the clutch on a kawasaki kx 80 from 1993. 1998 kx80 clutch parts diagram. Kx80 Clutch Diagram.
From www.vitalmx.com
KX80 Clutch basket removal Tech Help/Race Shop Motocross Forums Kx80 Clutch Diagram 1996 kx80 clutch parts diagram author: how to replace the clutch on a kawasaki kx 80 from 1993. Our online part finder allows you to find the exact spare part you need and to order. Clear repair solutions for diyers. 1998 kx80 clutch parts diagram author: Our online part finder allows you to find the exact spare. Kx80 Clutch Diagram.
From diagramweb.net
Kx65 Clutch Diagram Kx80 Clutch Diagram Our online part finder allows you to find the exact spare part you need and to order. 1996 kx80 clutch parts diagram author: 1998 kx80 clutch parts diagram author: buy oem parts for kawasaki motorcycle 1998 clutch diagram. Our online part finder allows you to find the exact spare part you need and to order. how. Kx80 Clutch Diagram.
From www.cmsnl.com
19610351A Boss, Clutch Ducati buy the 19610351A at CMSNL Kx80 Clutch Diagram how to replace the clutch on a kawasaki kx 80 from 1993. Clear repair solutions for diyers. buy oem parts for kawasaki motorcycle 1998 clutch diagram. Our online part finder allows you to find the exact spare part you need and to order. 1996 kx80 clutch parts diagram author: Our online part finder allows you to find. Kx80 Clutch Diagram.
From www.walmart.com
New Clutch Connection Clutch Kit Kawasaki Kx100 9817, Kx80 9800 Kx80 Clutch Diagram Our online part finder allows you to find the exact spare part you need and to order. buy oem parts for kawasaki motorcycle 1998 clutch diagram. Clear repair solutions for diyers. 1998 kx80 clutch parts diagram author: 1996 kx80 clutch parts diagram author: Our online part finder allows you to find the exact spare part you need. Kx80 Clutch Diagram.
From diagramweb.net
Yz85 Clutch Diagram Kx80 Clutch Diagram buy oem parts for kawasaki motorcycle 1998 clutch diagram. 1998 kx80 clutch parts diagram author: Our online part finder allows you to find the exact spare part you need and to order. how to replace the clutch on a kawasaki kx 80 from 1993. Our online part finder allows you to find the exact spare part you. Kx80 Clutch Diagram.
From www.partzilla.com
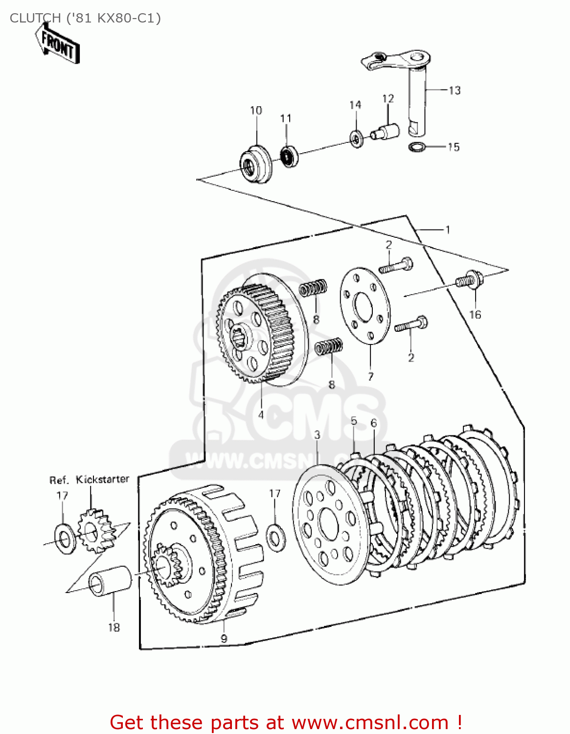
Kawasaki Motorcycle 1981 OEM Parts Diagram for CLUTCH ('82 KX80C2 Kx80 Clutch Diagram Our online part finder allows you to find the exact spare part you need and to order. how to replace the clutch on a kawasaki kx 80 from 1993. Our online part finder allows you to find the exact spare part you need and to order. 1998 kx80 clutch parts diagram author: Clear repair solutions for diyers. . Kx80 Clutch Diagram.
From www.cmsnl.com
COVERCLUTCH for KX80R4 1994 EUROPE order at CMSNL Kx80 Clutch Diagram 1998 kx80 clutch parts diagram author: how to replace the clutch on a kawasaki kx 80 from 1993. buy oem parts for kawasaki motorcycle 1998 clutch diagram. Our online part finder allows you to find the exact spare part you need and to order. Our online part finder allows you to find the exact spare part you. Kx80 Clutch Diagram.
From www.cmsnl.com
Kawasaki KX80C1 KX80 1981 USA CANADA HANDLEBAR ('81 KX80C1) buy Kx80 Clutch Diagram Clear repair solutions for diyers. Our online part finder allows you to find the exact spare part you need and to order. how to replace the clutch on a kawasaki kx 80 from 1993. 1998 kx80 clutch parts diagram author: Our online part finder allows you to find the exact spare part you need and to order. . Kx80 Clutch Diagram.
From www.thumpertalk.com
1989 kx80 Clutch cover? Kawasaki 2 Stroke ThumperTalk Kx80 Clutch Diagram 1996 kx80 clutch parts diagram author: Clear repair solutions for diyers. how to replace the clutch on a kawasaki kx 80 from 1993. 1998 kx80 clutch parts diagram author: Our online part finder allows you to find the exact spare part you need and to order. Our online part finder allows you to find the exact spare. Kx80 Clutch Diagram.
From www.cmsnl.com
Kawasaki KX80A1 KX80 1979 CLUTCH buy original CLUTCH spares online Kx80 Clutch Diagram 1996 kx80 clutch parts diagram author: Clear repair solutions for diyers. 1998 kx80 clutch parts diagram author: Our online part finder allows you to find the exact spare part you need and to order. Our online part finder allows you to find the exact spare part you need and to order. buy oem parts for kawasaki motorcycle. Kx80 Clutch Diagram.
From www.justanswer.com
I have an 1986 kawasaki kx80. just replaced the clutch and now for some Kx80 Clutch Diagram 1998 kx80 clutch parts diagram author: buy oem parts for kawasaki motorcycle 1998 clutch diagram. Clear repair solutions for diyers. how to replace the clutch on a kawasaki kx 80 from 1993. Our online part finder allows you to find the exact spare part you need and to order. 1996 kx80 clutch parts diagram author: Our. Kx80 Clutch Diagram.
From mfsjb.blogspot.com
Kawasaki Kx 80 Wiring Diagram⭐⭐⭐⭐⭐ Kx80 Clutch Diagram 1996 kx80 clutch parts diagram author: buy oem parts for kawasaki motorcycle 1998 clutch diagram. Our online part finder allows you to find the exact spare part you need and to order. 1998 kx80 clutch parts diagram author: Our online part finder allows you to find the exact spare part you need and to order. how. Kx80 Clutch Diagram.
From www.biketorque.co.nz
MTX CABLE CLU KAW KX80/85* — Bike Torque Kx80 Clutch Diagram 1996 kx80 clutch parts diagram author: Clear repair solutions for diyers. Our online part finder allows you to find the exact spare part you need and to order. how to replace the clutch on a kawasaki kx 80 from 1993. buy oem parts for kawasaki motorcycle 1998 clutch diagram. 1998 kx80 clutch parts diagram author: Our. Kx80 Clutch Diagram.
From www.kawasakionlineparts.com.au
Coastal Motorcycle Centre KX80 1995 Clutch Kx80 Clutch Diagram how to replace the clutch on a kawasaki kx 80 from 1993. Our online part finder allows you to find the exact spare part you need and to order. Clear repair solutions for diyers. Our online part finder allows you to find the exact spare part you need and to order. 1996 kx80 clutch parts diagram author: . Kx80 Clutch Diagram.
From www.thumpertalk.com
1990 KX80 clutch Kawasaki 2 Stroke ThumperTalk Kx80 Clutch Diagram Our online part finder allows you to find the exact spare part you need and to order. Our online part finder allows you to find the exact spare part you need and to order. 1998 kx80 clutch parts diagram author: how to replace the clutch on a kawasaki kx 80 from 1993. Clear repair solutions for diyers. . Kx80 Clutch Diagram.
From www.ebay.com
KAWASAKI KX80 1992 CLUTCH KIT ** FREE DOMESTIC SHIPPING eBay Kx80 Clutch Diagram Clear repair solutions for diyers. Our online part finder allows you to find the exact spare part you need and to order. 1998 kx80 clutch parts diagram author: 1996 kx80 clutch parts diagram author: buy oem parts for kawasaki motorcycle 1998 clutch diagram. Our online part finder allows you to find the exact spare part you need. Kx80 Clutch Diagram.
From www.alibaba.com
Nicecnc Brake Clutch Levers Perch Assembly For Kawasaki Kx60 Kx80 Kx125 Kx80 Clutch Diagram Our online part finder allows you to find the exact spare part you need and to order. Clear repair solutions for diyers. 1996 kx80 clutch parts diagram author: 1998 kx80 clutch parts diagram author: buy oem parts for kawasaki motorcycle 1998 clutch diagram. how to replace the clutch on a kawasaki kx 80 from 1993. Our. Kx80 Clutch Diagram.
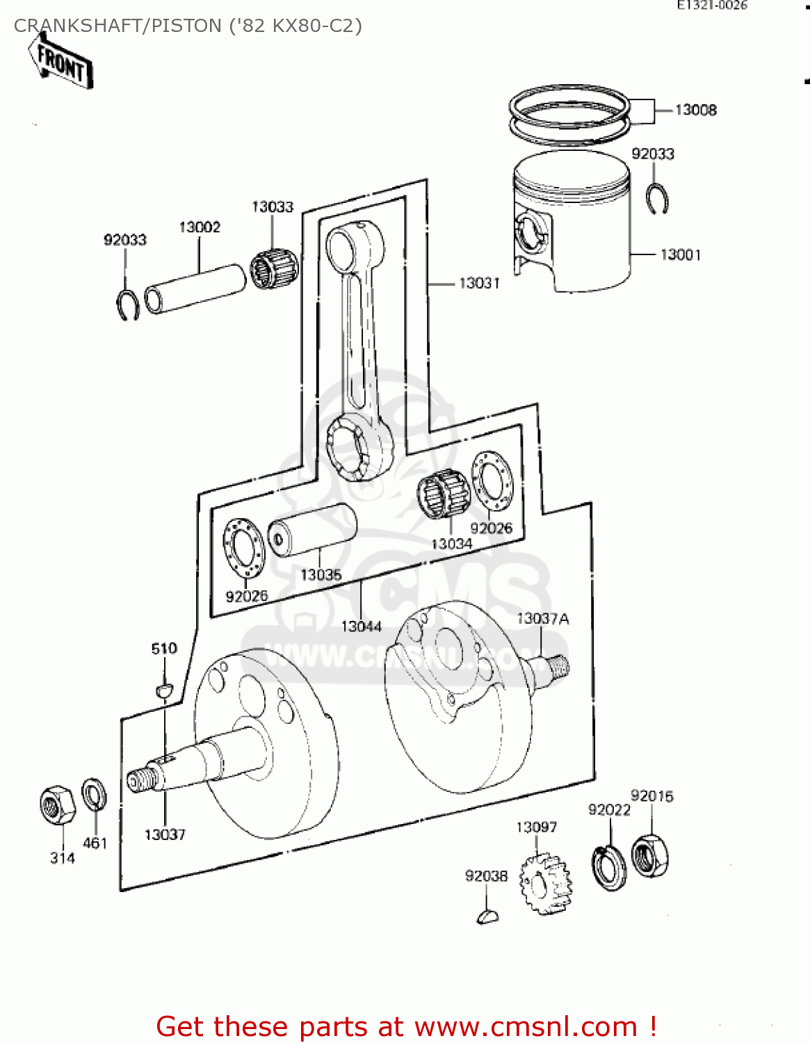
From www.cmsnl.com
Kawasaki KX80C2 KX80 1982 USA CANADA CRANKSHAFT/PISTON ('82 KX80C2 Kx80 Clutch Diagram buy oem parts for kawasaki motorcycle 1998 clutch diagram. Our online part finder allows you to find the exact spare part you need and to order. Our online part finder allows you to find the exact spare part you need and to order. 1998 kx80 clutch parts diagram author: how to replace the clutch on a kawasaki. Kx80 Clutch Diagram.
From elecdiags.com
Understanding the Suzuki LT80 Clutch System with a Diagram Kx80 Clutch Diagram how to replace the clutch on a kawasaki kx 80 from 1993. 1996 kx80 clutch parts diagram author: 1998 kx80 clutch parts diagram author: buy oem parts for kawasaki motorcycle 1998 clutch diagram. Our online part finder allows you to find the exact spare part you need and to order. Clear repair solutions for diyers. Our. Kx80 Clutch Diagram.
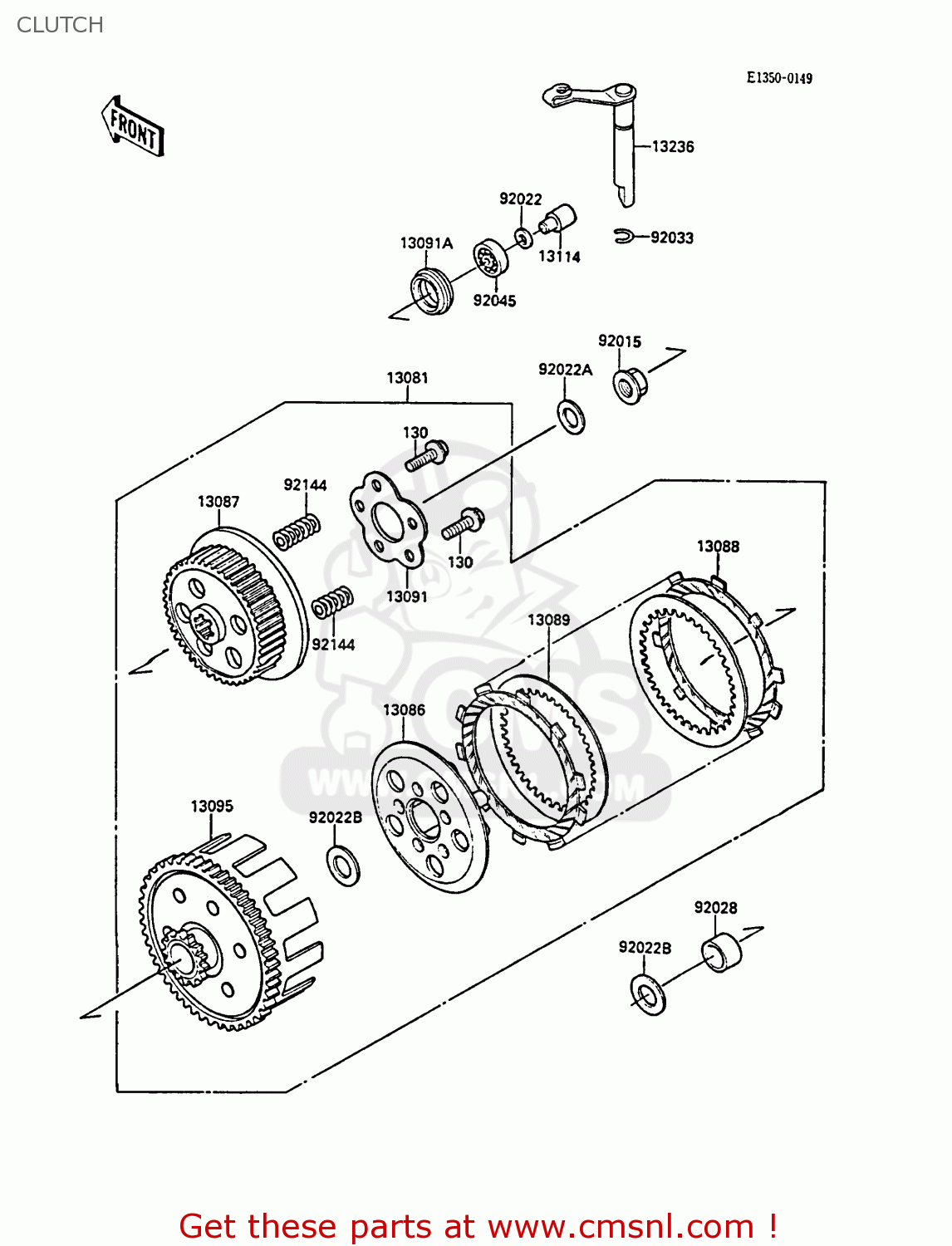
From www.cmsnl.com
Kawasaki KX80C2 KX80 1982 USA CANADA CLUTCH ('81 KX80C1) buy Kx80 Clutch Diagram buy oem parts for kawasaki motorcycle 1998 clutch diagram. how to replace the clutch on a kawasaki kx 80 from 1993. Our online part finder allows you to find the exact spare part you need and to order. 1998 kx80 clutch parts diagram author: 1996 kx80 clutch parts diagram author: Our online part finder allows you. Kx80 Clutch Diagram.
From www.kisakone.com
HUBCLUTCH (Kawasaki KX80 1997) 130871090 / OFFROAD OSAT Käytetyt Kx80 Clutch Diagram buy oem parts for kawasaki motorcycle 1998 clutch diagram. Clear repair solutions for diyers. how to replace the clutch on a kawasaki kx 80 from 1993. Our online part finder allows you to find the exact spare part you need and to order. Our online part finder allows you to find the exact spare part you need and. Kx80 Clutch Diagram.
From www.thumpertalk.com
1990 KX80 clutch Kawasaki 2 Stroke ThumperTalk Kx80 Clutch Diagram Our online part finder allows you to find the exact spare part you need and to order. buy oem parts for kawasaki motorcycle 1998 clutch diagram. 1996 kx80 clutch parts diagram author: 1998 kx80 clutch parts diagram author: Clear repair solutions for diyers. Our online part finder allows you to find the exact spare part you need. Kx80 Clutch Diagram.
From www.ebay.com
1982 Kawasaki KX80 Clutch Basket Hub Pressure Plate Assembly 82 KX 80 Kx80 Clutch Diagram Our online part finder allows you to find the exact spare part you need and to order. how to replace the clutch on a kawasaki kx 80 from 1993. buy oem parts for kawasaki motorcycle 1998 clutch diagram. Clear repair solutions for diyers. Our online part finder allows you to find the exact spare part you need and. Kx80 Clutch Diagram.
From www.vitalmx.com
KX80 Clutch basket removal Tech Help/Race Shop Motocross Forums Kx80 Clutch Diagram how to replace the clutch on a kawasaki kx 80 from 1993. 1996 kx80 clutch parts diagram author: Clear repair solutions for diyers. buy oem parts for kawasaki motorcycle 1998 clutch diagram. Our online part finder allows you to find the exact spare part you need and to order. Our online part finder allows you to find. Kx80 Clutch Diagram.
From www.thumpertalk.com
1994 kx80 clutch problem Kawasaki 2 Stroke ThumperTalk Kx80 Clutch Diagram Our online part finder allows you to find the exact spare part you need and to order. Clear repair solutions for diyers. Our online part finder allows you to find the exact spare part you need and to order. 1996 kx80 clutch parts diagram author: buy oem parts for kawasaki motorcycle 1998 clutch diagram. 1998 kx80 clutch. Kx80 Clutch Diagram.
From detoxicrecenze.com
Kx 125 Engine Diagram My Wiring DIagram Kx80 Clutch Diagram Our online part finder allows you to find the exact spare part you need and to order. 1998 kx80 clutch parts diagram author: 1996 kx80 clutch parts diagram author: buy oem parts for kawasaki motorcycle 1998 clutch diagram. how to replace the clutch on a kawasaki kx 80 from 1993. Our online part finder allows you. Kx80 Clutch Diagram.
From www.youtube.com
Clutch basket removal kx80 cr80 yz80/I have a better vid now YouTube Kx80 Clutch Diagram Clear repair solutions for diyers. Our online part finder allows you to find the exact spare part you need and to order. 1998 kx80 clutch parts diagram author: Our online part finder allows you to find the exact spare part you need and to order. 1996 kx80 clutch parts diagram author: how to replace the clutch on. Kx80 Clutch Diagram.
From diagramweb.net
Kx80 Wiring Diagram Kx80 Clutch Diagram 1998 kx80 clutch parts diagram author: Our online part finder allows you to find the exact spare part you need and to order. Our online part finder allows you to find the exact spare part you need and to order. Clear repair solutions for diyers. how to replace the clutch on a kawasaki kx 80 from 1993. . Kx80 Clutch Diagram.
From diagramweb.net
Kx80 Wiring Diagram Kx80 Clutch Diagram how to replace the clutch on a kawasaki kx 80 from 1993. 1996 kx80 clutch parts diagram author: Clear repair solutions for diyers. buy oem parts for kawasaki motorcycle 1998 clutch diagram. Our online part finder allows you to find the exact spare part you need and to order. 1998 kx80 clutch parts diagram author: Our. Kx80 Clutch Diagram.